集成功率放大器的基本性能
从应用角度出发,集成功率放大器应具有足够的输出功率,即足够的输出电压、输出电流;在正常工作状态下,应具有尽可能低的输出电压失真;尽可能低的输出噪声;足够的频带宽度;足够的输入阻抗;具有输出过载保护、过热保护以及足够的输出功率。上述技术指标,除了过热保护外,其他性能均和运算放大器的性能一致。
实际上,集成功率运算放大器的性能要求与集成功率放大器基本一样,但是集成功率放大器的价格远低于集成功率运算放大器。
现在生产的集成功率放大器的主要内部结构基本相同。集成功率放大器内部电路主要包括:关系到集成稳压器安全的过热保护电路;偏置电路和恒流源电路;差分输入的差分放大器;差分放大器的双端变换为单端输出的双端变单端电路;中间放大级;OCL(无输出电容功放电路)输出级和OCL级的偏置电路;输出过电流保护;相位补偿电路。
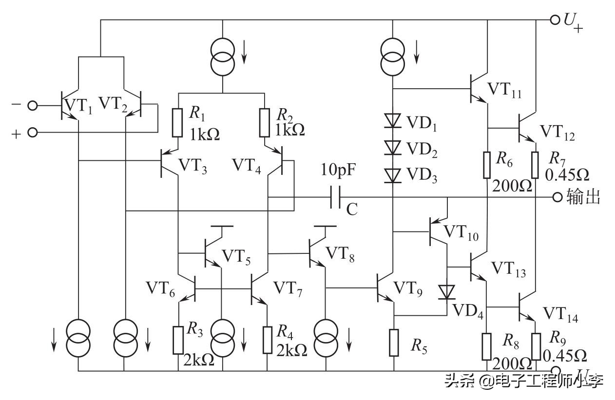
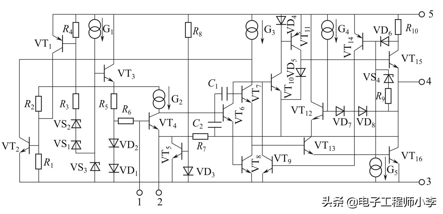
为了分析方便,下面以美国国家半导体公司产品LM3875为例进行介绍。图10-17所示为LM3875内部简要电路。图中忽略了过热保护电路、输出过电流保护电路,将各恒流源加以简化(用两个圆环表示)。

图10-17 LM3875内部简要电路
(1)差分输入的差分放大器
为了方便地实现反馈、静态工作点的稳定和共模抑制比,差分输入的差分放大器是最好的选择。为了获得高输入阻抗,集成功率放大器的输入级与通用集成运算放大器一样,都采用射极跟随器电路,由图中的VT 1 、VT 2 构成。由于VT 1 、VT 2 的发射极所接的负载是恒流源和VT 3 、VT 4 以及 R 1 、 R 2 的输入阻抗,如果 β >100,则对应的集成功率放大器的输入阻抗将达到1MΩ以上;VT 3 、VT 4 构成共发射极差分放大器,可以使输入级获得一定的电压增益。
(2)差分放大器的双端变换为单端输出的双端变单端电路
集成功率放大器的单端输出需要将差分放大器的双端输出转换为单端输出,同时又不能损失增益。这一部分功能电路由VT 5 、VT 6 、VT 7 组成,可以将差分放大器的输出无损耗地转换为单端输出。为了尽可能地减小下一级电路的负载效应,将双端变换为单端电路的输出接入射极跟随器,这样既可以保证差分放大器的对称性,又能降低差分放大器的输出阻抗。
(3)中间放大级
欲获得60dB的电压增益,集成运算放大器和集成功率放大器的主要增益在中间放大级实现,中间放大级所连接的是恒流源和“达林顿”连接方式的功率输出级。因此,中间放大级的负载阻值非常高,从而获得了很高的电压增益。
(4)功率输出级和偏置电路
功率输出级的作用是将中间放大级的电压信号进行电流放大,功率输出级和功率级的偏置电路可以将中间放大级的电流放大数百倍甚至是数千倍。功率输出级多采用由NPN晶体管构成的“准互补”的OCL电路。为了使输出级电路的静态工作点不随温度变化,同时还要保证小信号输出时不失真,需要一个可以补偿输出级电路与工作状态随温度变化的补偿与偏置电路。最常见的方法是利用二极管的正向压降与晶体管的发射结温度特性基本相同的特点,通过将3个二极管(图中的VD 1 、VD 2 、VD 3 )串联实现3个发射结(图中的VT 10 、VT 11 、VT 12 )温度特性的补偿。
(5)相位补偿电路
对于多级电压放大电路,尽管可以获得很高的电压增益,但是,由于高增益和多级放大所造成的相移,在用来实现负反馈的应用时很容易满足反馈放大器的自励条件,使放大器出现自励现象。集成功率放大器的相位补偿电路通常在芯片内采用滞后补偿的方式实现。最简单的方法就是在电路的主增益级设置补偿电路,也就是在中间放大级的集电极与基极接一个补偿电容器,如图10-17所示的10pF的电容器 C 。这样在实现功率放大电路时就可以不考虑外界相位补偿电路。
(6)集成功率放大器均内设过电流保护和过功率保护,以保证集成功率放大器在故障状态下不至于损坏。集成功率放大器的过电流保护和过功率保护与集成稳压器类似。
(7)过热保护
与集成稳压器相似,集成功率放大器具有良好的过热保护功能,以确保集成功率放大器不至于因过热而损坏。
常用集成功率放大器分析
常用集成功率放大器主要有:耳机放大器、1~2W低功率放大器、12~45V电源电压中等功率放大器和50V以上的高功率放大器。在低电压特别是单电源供电条件下,为了获得比较大的输出功率,多采用BTL电路形式和比较低的负载电阻(如4Ω、2Ω)。采用OTL电路时,电源为单电源,这样可以简化电源,但是需要附加一个输出隔直电容器,对于大功率输出,带有隔直电容器的电路将受到电容器的可承受的电流限制不再适用。对于大功率输出,通常采用OCL无输出电容器电路,这样的电路需要双电源供电,如果输出功率仍不满足要求,可以采用BTL电路增加输出功率。若要进一步增加输出功率,还可采用多路放大器并联的方式实现。
(1)耳机放大器
耳机放大器是专为耳机提供音频功率的低功率水平的功率放大器,随着便携式放声设备(如手机、MP3等)的普遍应用,耳机放大器的需求量也大大增加。耳机放大器多应用于便携式电子设备,因此封装形式为表面贴装。
耳机放大器的负载是耳机,它的阻抗为32Ω。输出功率不要求很大,有100mW就足够了。
耳机放大器一般为立体声放大器,即双声道放大器。因为耳机需要经常地插拔,很可能出现短路现象,因此耳机放大器应具有过热和短路保护功能。
耳机放大器要求在32Ω负载下的额定功率和1kHz条件下的总谐波失真要低于0.1%;在整个频带内(20~20kHz)要具有不高于0.2%的总谐波失真。
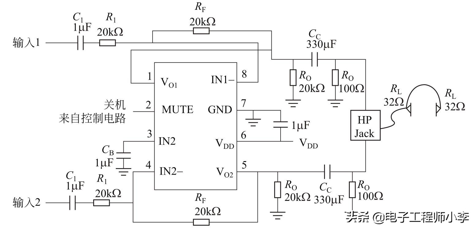
图10-18所示是TI公司生产的TPA152耳机放大器的基本电路。TPA152为8-pinSOIC封装形式。

图10-18 TPA152的封装
表10-1所示为TPA152的引脚功能。

表10-1 TPA152的引脚功能描述
图10-19所示为TPA152内部简要原理框图。从图中可以看出,TPA152内部的放大器实际上就是运算放大器,只不过输出功率比常规运算放大器高。由于TPA152是单电源供电,所以放大器的同相输入端需要接到电源的中点,因此在芯片内部带有分压电阻,分压电阻的中点接放大器的同相输入端。另外,为了保证同相输入端的“电源”低阻抗,需要对中点电压并接旁路电容,即引脚3外接电容器。

图10-19 TPA152内部简要原理框图
由于TPA152内部的放大器只是接成运算放大器的形式,整个放大器的闭环增益需要外接电阻实现,即图中的 R F 、 R 1 。
在不需要音量时,可采用静音方式,这样可以避免反复开机。静音方式可以通过静音控制端实现,只要将静音控制端接逻辑高电平,电路即为静音状态。
在开机过程中,OCL功率放大器不可避免地会出现“噗、噗”声,为了消除“噗、噗”声,TPA152设置了开机“噗、噗”声消除电路。外接的 RC 有利于抑制“噗、噗”声。
图10-20所示为TPA152典型应用电路。

图10-20 TPA152典型应用电路
图10-20中的全部器件均采用贴片器件,电阻、电容可以选用0805封装。由于各电阻上的功率损耗很低,电阻可以采用0603甚至0402封装,尽可能减小电路的体积。
电路中加入 R O 、 C C 可以降低开机时的“噗、噗”声。
(2)1~2W集成功率放大器
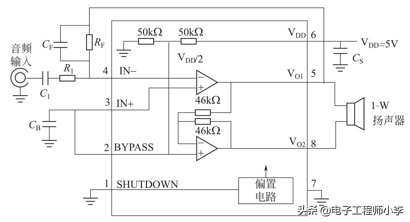
考虑功率放大器需要降低电源电压应用,应选用可以在3.3~5.5V的电压范围内工作,最好是电源电压降低到2.7V时仍可以正常工作的集成功率放大器,可以选用美国德州仪器公司生产的TPA4861单通道1W音频功率放大器芯片。
表10-2所示为TPA4861的引脚功能。电源为5V时,在BTL电路模式、8Ω负载电阻条件下可以输出不低于1W的功率;可以工作在3.3~5V的电源电压下,最低工作电压为2.7V;没有输出隔直电容器的要求;可以实现关机控制,关机状态下的电流仅为0.6mA;表面贴装器件;具有热保护和输出短路保护功能;高电源纹波抑制比,在1kHz下为56dB。
表10-2 TPA4861的引脚功能

TPA4861内部简要原理框图如图10-21所示。

图10-21 TPA4861内部简要原理框图
TPA4861内部由两个功率放大器、中点电压分压电阻和偏置电路组成,其中输出2是输出1经过1: 1的反相后,由功率放大器2输出的,自然构成BTL电路结构,不需要外接电路。
(3)9W集成功率放大器TDA2030
TDA2030具有输出功率大、谐波失真小、内部设有过热保护、外围电路简单的特点,可以连接成OTL电路,也可以连接成OCL电路。
TDA2030的供电电压范围为6~18V,静态电流小于60μA,频响为10Hz~140kHz,谐波失真小于0.5%,在 U CC =±14V、 R L =4Ω时,输出功率为14W,在8Ω负载上的输出功率为9W。
由TDA2030构成的OCL功率放大电路如图10-22所示。

图10-22 由TDA2030构成的OCL功率放大电路
电路中的二极管VD 1 、VD 2 起保护作用:一是限制输入信号过大;二是防止电源极性接反。 R 4 、 C 2 组成输出移相校正网络,使负载接近纯电阻。电容 C 1 是输入耦合电容,其大小决定功率放大器的下限频率。电容 C 3 、 C 6 是低频旁路电容, C 4 、 C 5 是高频旁路电容。电位器 R P 是音量调节电位器。该电路的交流电压放大倍数为

(4)20W单声道集成功率放大器LM1875
LM1875是NS公司生产的20W单声道高保真功率放大集成电路,可为4Ω负载提供20W的最大功率。
LM1875为5脚TO-220封装形式。其中,1脚为同相输入端,2脚为反相输入端,4脚为功率输出端,5脚、3脚分别为正、负电源供电端。LM1875内部含有过热、过流自动保护装置,工作安全可靠。
LM1875既可以采用双电源供电,也可以使用单电源供电,LM1875单电源、双电源供电时的应用电路如图10-23所示。

图10-23 LM1875单电源、双电源供电时的应用电路
在单电源供电的情况下,要想获得与双电源相同的输出功率,其供电电压必须为双电源电压的2倍。需要注意的是:采用单电源时,在其金属散热片和外接散热器之间不需要使用绝缘垫片,但在使用双电源供电时,则必须加绝缘垫片。
(5)20W双声道集成功率放大器LM1876
LM1876是NS公司生产的双声道20W集成功率放大器,LM1876的典型应用电路如图10-24所示。

图10-24 LM1876的典型应用电路
图中,IC1及其外围元件组成缓冲放大级,电路增益为 A uf =

≈5dB。电路中,设置了22kΩ电阻 R 25 、 R 26 ,这样不但可以将输入阻抗限制在22kΩ,避免前置电路工作在高阻抗状态,还可以对50Hz感应信号进行有效的抑制,提高整机信噪比。
LM1876在4~30Ω的范围内均可稳定地工作,供电电压为±10~±25V,当供电电压降低时,只是输出功率的大小受到影响,其他指标影响不大。
LM1876的6、11脚为左/右声道静噪控制端。接高电平时(高于1.6V),LM1876内部电路执行静音操作,切断输出端的音频信号。因此可以在6、11脚与正电压之间接一个 RC 延时网络,使其在开机瞬间为高电平,输出电路无音频信号输出。延时一段时间后,再正常输出,以避免开机瞬间输出端电位失谐对扬声器的冲击。
三极管VT 1 、 R 24 、 C 16 、 R 20 、 C 15 构成开机延时网络,调整它们的取值范围,可以改变时间的长短,以获得满意的开机延时时间。
需要注意的是, R 11 、 R 16 的取值范围应在15~51kΩ之间。 R 11 、 R 16 的取值过高会使输出端的中点电位偏高;也不可过低,否则输入阻抗太低,增大前级电路的功耗,使输出增益下降。
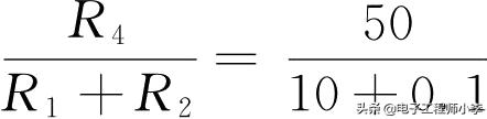
R 12 、 R 14 与LM1876的3、7脚相连构成负反馈网络。该电路的放大倍数也由 R 12 、 R 14 决定,即放大倍数为( R 12 + R 14 )/ R 14 =(15kΩ+1.2kΩ)/1.2kΩ=13.5。只要改变 R 12 、 R 14 的阻值,就可以调整电路的放大倍数。但需注意的是,放大倍数应在10倍以上,否则LM1876工作会不稳定。
R 15 与 C 7 构成扬声器补偿网络,可吸收扬声器的反电动势,防止电路振荡。C8和C9为电源旁路电容,主要起降低电源高频内阻的作用,防止电路高频自激,使LM1876工作更稳定。
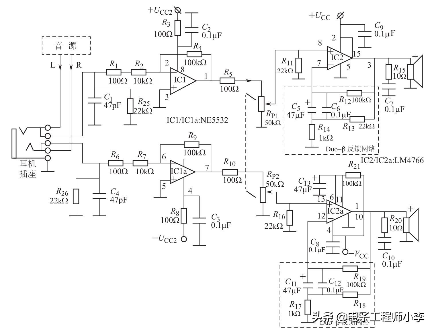
(6)40W双声道集成功率放大器LM4766
LM4766是NS公司生产的40W双声道高保真功率放大集成电路。LM4766的典型应用电路如图10-25所示。

图10-25 LM4766的典型应用电路
LM4766的⑥脚、11脚为静噪控制端,当其接低电平时,LM4766内部电路执行静音操作,切断输出端的音频信号。因此可在⑥脚、11脚与负电压之间接一个 RC 延时网络, RC 延时网络由 R 21 、 C 13 构成,使其在开机瞬间为低电平,输出电路无音频信号输出。延时一段时间后,再正常输出,以避免开机瞬间输出端电位失谐对扬声器的冲击。
IC1及其外围元件组成缓冲放大级,其电路增益为 A uf =

≈10dB。电路*特中**设置了22kΩ电阻 R 25 、 R 26 ,这样不但可以将输入阻抗限制在22kΩ,避免前置电路工作在高阻抗状态,还可以对50Hz感应信号进行有效的抑制,提高整机信噪比。
LM4766工作在交流放大状态,音频信号通过负反馈网络时要经过电容 C 5 、 C 11 ,同时负反馈网络变为阻容网络。由于电容的容抗,放大器最低工作低频下限将受到限制,若 C 5 、 C 11 的频率特性不佳,将会严重影响到放大器的频率响应。
虽然在 C 5 、 C 11 的两端并联了一个0.1μF电容来改善它们的高频性能,但为了降低功放电路的低频下限,必然要加大 C 5 、 C 11 的容量。但电容选得越大,其高频性能越不好,导致电路的高频性能变差,且此电容过大也将使放大电路在开机瞬间对电容充电时间过长,反映在输出端将产生一个可怕的直流电位,极易损坏扬声器,同时也容易导致放大器产生振荡,严重影响稳定性。
为了克服以上缺点,有些音响生产厂商在设计电路时,在负反馈网络中加入了一个电阻 R 13 ( R 18 ),使电路的反馈方式变成Duoβ反馈电路。这样就可以在负反馈电容 C 5 、 C 11 容量大小不变的前提下,使功放机的低频下限降低一个数量级。
通用集成功率放大器
20世纪80年代,车载音响和盒式录音机的普及使电池供电的音频功率放大器得到了飞速发展,从简化电路和减轻设计工程师的设计压力的角度考虑,集成音频功率放大器成为了不错的选择。
最简单的集成功率放大器是TDA2002,后来发展出来的仅有5个引脚,这种集成功率放大器外电路极其简单,只要电路板图设计正确,几乎不用调节。不仅如此,集成音频功率放大器的适应电源电压范围也很宽,这是分立元件的功率放大器所不能比的。
最原始的2002集成功率放大器之一是日本的NEC的μPC2002,但是时至今日,仍找不到μPC2002内部电路,这是日本半导体器件制造商技术数据的一大特点。相比之下,欧美的半导体器件在公开的信息渠道可以找到非常详细的数据和内部原理图。
与集成稳压器类似,各公司生产的2002、2003系列集成功率放大器在推荐的典型应用电路和大多数正常应用状态下是可以直接互换的。TDA2002是典型基极输入的差分放大器的输入级,构成了现代集成功率放大器内部电路结构的基本框架。美国仙童半导体公司的TDA2002的内部电路如图10-26所示。

图10-26 美国仙童半导体公司的TDA2002的内部电路
TDA2002的内部电路相对复杂,相比之下,ST的TDA2003则简单得多。ST的TDA2003的典型应用电路如图10-27所示。
TDA2003的封装外形与引脚功能如图10-28所示。TDA2003采用TO-220-5引脚封装形式,为了解决引脚之间间距小的问题,TDA2003将1、3、5引脚弯曲,使其不与2、4引脚在同一直线,加大了邻近引脚的间距。这种TO-220-5引脚封装形式和各引脚功能成为了后来很多中等功率输出的集成功率放大器的“标准”封装形式,使得很多不同公司、不同型号的集成功率放大器实现封装、对应的引脚功能相同(pin-to-pin),可以直接互换。

图10-27 TDA2003的典型应用电路

图10-28 TDA2003的封装外形与引脚功能
1—同相输入端;2—反相输入端;3—GND;4—输出端;5—+V CC
从图10-27可以看出,TDA2003的输入级电路不是差分放大器,而是同相输入端与反相输入端共用同一晶体管VT 4 ,同相输入端接晶体管基极,反相输入端接晶体管发射极。即同相输入的输入级为共发射极放大器,反相输入端的输入级为共基极放大器。两个放大器的增益相同,相位相反,形成共发射极-共基极差分放大器电路。由于两个放大器的输入方式不同,需要低阻抗输入。因此,在TDA2003应用电路中的反相端的接地电阻的阻值仅为2.2Ω( R 2 ),其反馈隔直电容的容量需要470μF( C 2 ),高于共发射极差分放大器输入级的22μF,如图10-29所示。

图10-29 TDA2003典型应用电路