第一章 组织机构
为确保我矿探放水工作的有序进行,严格落实“三专两探一撤”的探放水规定,现需在6113运输顺槽掘进工作面安装定向钻机,为确保定向钻机在运输、安装期间的安全,特制定如下安全技术措施:
- 成立运输、安装组织机构
1、为确保定向钻机运输、安装期间的各项工作之间的相互协调和配合,做到有步骤、有计划、有落实的进行,特成立领导组:
组 长:
副组长:
成 员:
2、领导组职责
组 长:任总指挥,全面负责指挥协调有关定向钻机运输、安装期间的一切事宜。
副组长:负责今次定向钻机运输、安装期间的各项工作部署和劳力组织协调,配合组长抓好协调指挥工作。
副组长负责今次定向钻机运输、安装期间的“一通三防”和技术措施方面的工作。
副组长:负责今次定向钻机运输、安装期间的一切安全管理监督。
副组长:负责今次定向钻机运输、安装期间机电、机运方面的管理、组织、指挥工作。
副组长:负责协助总工程师做好今次定向钻机运输、安装期间的“一通三防”方面的工作,并具体安排落实通风管理方面工作。
副组长:负责协助总工程师做好今次定向钻机运输、安装期间的安全技术措施的及时补充完善工作。
副组长:负责协助机电副矿长做好定向钻机运输、安装期间的工作,具体负责绞车、动力线路、信号、照明、机电设备、定向钻机的运输、安装、调试和电缆等设备的安全管理工作。
各成员负责本业务范围内的相关工作,对本责任区内的安全生产工作负责,并协助各分管领导做好本业务范围内的工作。。
3、成立两个现场领导组(一个负责运输、一个负责安装和卸车)
⑴运输组:
运 输 负 责 人:
运输主要负责人:当班班组长
现场安全监督人:由当班专职安全员全面负责
⑵安装和卸车组:
安装卸车负责人:
现场安装卸车负责人:当班副队长
现场安全监督人:由当班专职安全员全面负责
4、现场领导组职责:
⑴运输现场组职责:
运输负责人:全面负责本次定向钻机运输及运输路线各作业场所的劳动组织和具体协调安排工作。
现场主要负责人:负责现场对定向钻机运输工作进行全面安排,是定向钻机运输工作的现场责任人,并做好运输各区段作业人员的安排和协调工作。
安全员:负责定向钻机运输期间工作的安全监督管理工作。
⑵安装、卸车现场组职责:
安装卸车负责人:全面负责本次定向钻机安装、卸车施工作业场所的劳动组织和具体协调安排工作,为本次安装、卸车的安全责任人。
现场主要负责人:负责现场对定向钻机安装、卸车施工工作进行全面安排,是定向钻机安装、卸车施工作业现场具体责任人,并做好安装、卸车施工作业区段作业人员的安排和协调工作,为本次安装、卸车的安全第一责任人。
安全员:负责定向钻机安装、卸车期间施工作业现场的安全监督管理工作,对本次的施工安全负责。
二、准备工作
1、检查6113运输顺槽掘进工作面通道的巷高、巷宽顶帮支护等情况,符合安全要求后,方可进行卸车和安装作业。
2、提前准备各作业点需要使用的工具,包括630圆环链、40T锚链、连接环、钢丝绳、倒链、吊装环、三角架、阻车器、锚杆、锚杆等,并设专人检查准备工具的完好情况,不完好的严禁使用。
3、设专人检查各作业点绞车及其附属设备(电机、刹车、离合器)、钢丝绳(绳头、钩头的连接情况)、轨道(道岔、轨距、轨面平整、枕木固定等情况),检查无误后方可进行提升、运输等作业。
4、提前清理干净作业场所和作业人员撤退路线,确保作业人员施工安全。
三、劳动组织
实行“三八”制作业,同时每班带班矿长加强作业现场安全监管;运输期间各个路段均设专人负责安全和警戒。
带班矿长必须认真履行监督管理职能。跟班科长负责蹲守在安装地点,是井下负责该区域安全生产的第一负责人,对当班的安全管理工作负全面责任;遇有重大安全隐患时有权停止作业,组织整改,并及时上报调度室。
1、当班队长全面负责组织指挥本班工作,其职责如下:
①认真开好班前会、岗位现场会、班后会,上、下班准确清点人数,做到与工人同上同下。
②严格执行三大规程、装、运支架的措施及相关制度,保证遵章指挥,按章作业。
③组织全班在安全的前提下,完成各项生产任务。
④指挥本班生产,负责当班出勤记录工作。
⑤根据工作情况,对下一班工作安排提出建议。
2、安全员负责本工作面当班的安全工作,其职责如下:
①处理工作场所内一切不安全隐患,创造安全的工作环境。
②树立全局观念,班与班互相协作,打好基础,保证*班交**符合工程质量标准;遇有事故要坚守岗位,组织力量抢救。
③认真落实“安全第一”的方针,严格执行先安全后生产、不安全不生产的规章制度。
3、班(组)长负责组织指挥本班生产工作,其职责如下:
①组织本班(组)职工学习、贯彻安全生产规章制度、安全操作规程和安全措施,负责把各项安全措施细化落实到每个员工;教育职工遵章守纪,对工人进行安全教育;对班(组)成员的安全负全面责任。
②坚持安全第一,不安全不生产;作业前、作业中和作业后负责随时对工作区域内进行安全检查,切实掌握当班井下的安全生产状况,加强对重点部位,关键环节的检查,及时发现和组织消除事故隐患,并认真进行登记,确认安全后再组织生产。
③加强现场检查和安全管理,现场存在重大隐患时要立即停止作业,采取措施进行处理,存在险情时必须立即将人员撤出到安全地点,并及时上报,发生事故应及时组织抢救,保护现场,立即报告。
④必须坚持现场带班作业,督促本班(组)职工正确佩戴劳动防护用品,严格按照安全规程、安全措施、操作规程组织生产,从严查处“三违”现象,及时制止违章违纪行为。
⑤必须组织本班(组)职工搞好生产设备和安全设备的维护保养工作,保证设备不带故障运转。
⑥认真组织施工,保证工作质量,做到文明生产。
⑦认真执行班(组)长井下交接班制度,交接班要交接安全情况;下班后,确保全班(组)职工全部升井后,方可升井。
4、职工的权利及义务
在生产作业过程中,职工有权利制止违章作业,拒绝违章指挥;当作业地点出现险情时,有权立即停止作业并撤到安全地点,当险情没有得到处理不能保证人身安全时,有权拒绝作业,认真执行职工“十项”权利。
- 班组交接班制度
①各工种岗位人员及管理人员都必须严格遵守现场交接班制度,交接班时间控制在半小时以内。
②各工种到达工作岗位后,采取工种对工种、岗位对岗位现场交接班;并由班组长向调度室汇报现场情况。
③班组长交接班时,应交代清楚当班风险管控辨识评估及管控措施执行情况;隐患排查治理情况;生产设备运转、工程质量及工作进度等情况,并交代清楚下一班应注意事项。
④各工种应按岗位交代本工种设备运转情况及下班注意事项。
⑤*班交**人未经接班人和领导同意,擅自离开工作岗位时,出现的一切问题均由上一班*班交**人负责。
⑥当接班人因特殊情况未到岗接班时,*班交**人可以通过班组长、队长同意升井。所发生的一切问题由接班人负责。
⑦严格做好现场交接班,做好相关记录。
- 风险辨识及管控措施
一、危险源分析
掘进机拆装运期间可能会发生车辆伤害、冒顶片帮、机械伤害、高处坠落等风险。
二、管控措施
A.预防车辆伤害风险的管控措施
1.每班对跑车防护装置进行检查,确保副斜井“一坡三挡”合格完好;
2.每天对钢丝绳、钩头、连接环等进行一次检查,确保主绞车钢丝绳合格完好,钢丝绳、连接环有资质机构检测检验的合格证书;
3.确保专职人员接挂车辆,井口挂车人员必须为持证上岗的把钩工,发送信号人员必须为持证上岗的信号工;
4.操作人员经培训合格上岗,能熟练操作,无违章现象。
B.预防冒顶片帮事故风险的管控措施
1.起吊用锚杆必须根据安设倒链的位置进行加打;
2.加强顶板观测,严格按照安全规程要求定期观测矿压。
3.严格执行敲帮问顶制度,严禁空顶作业;
4.不得利用原支护锚索和锚杆作为安装防护用,必须重新支设防护用的锚杆,锚杆应与锚索平行布置。
C.预防机械伤害风险的管控措施
1.必须确保起吊点牢固可靠;每次起吊必须检查起吊用具,选择起吊能力与被起吊物相匹配的起吊用具,确保完好可靠;
2.起吊用具的挂设必须采用双保险;
3.起吊人员站位合理,严禁人员将身体任何部位探到被起吊物的下方,同时要避开重物意外下落或摆动波及的范围,作业人员必须在有安全畅通的躲避空间位置作业或停留。
4.使用的锚链使用10mm的钢丝绳从其中间依次穿过。
D.预防高处坠落风险的管控措施
1.人员登高作业时,必须系安全带,
2.高处作业时必须有人监护,搭设的作业平台必须牢固可靠。
第三章 地面装车及运输
第一节 地面装车
1、定向钻机在分解前,必须先在地面进行调试,必须将所有泵、多路阀压力设定为最佳工作压力并进行试车工作,试车正常方可进行拆解运输工作。
2、定向钻机在地面分解后,利用行车进行装车,装车前要检查吊车的起吊吨位是否与定向钻机分解部分的重量相配套,并检查其起吊用的设施设备是否完好,经检查确认符合安全要求后,方准进行起吊定向钻机分解的各部分。
3、定向钻机各部分必须用专用绳索进行*绑捆**,*绑捆**不少于两道,起吊时,人员严禁站在吊车的下方,应站在距起吊设备附件10米范围外的安全地点。
4、起吊后,要先进行试调,检查起吊的定向钻机分解部分是否平衡及起吊设备是否有无异常等情况,确认无危险后,在继续起吊。
5、起吊后的高度符合要求后,在缓慢移动吊车并缓慢下放置平板车上。
6、定向钻机在装入平板车时,必须做到前后顺序符合要求,严禁相互颠倒顺序。
7、起吊前,应先将平板车用卡轨器等设施进行固定,固定好后,待人员撤出起吊范围后再进行起吊。
8、装车前必须对定向钻机的液压系统及配套管路接口部分,必须采取防尘和防护措施;对传动部件和易损部件采用软质防护用品进行包扎防护,以免损坏部件。
9、装车时应充分考虑到所用平板车和矿车的承重能力,所装设备中心位置应与平板车的中心位置相符,但还得考虑运输过程巷道的宽度,以免运输过程中设备倾斜或碰撞巷道中的设施设备。
10、装车前设备与平板车接触面必须垫道木或耙板,防止设备窜动,钢丝绳配合耙板紧固时要防止设备损坏和划伤。
第二节 *绑捆**方式
- 装车后,并用直径不小于Ф21.5mm的钢丝绳进行*绑捆**,*绑捆**不少于两道。并用花兰螺丝拉紧固定紧。固定使用的钢丝绳绳头必须用与钢丝绳直径相配套的绳卡进行固定紧固。
- 定向钻机诸如销子、螺栓类等小件物品及其其他配件必须放在专用容器内妥善保管并与相应的分解部分一起运送至6113运输顺槽掘进工作面卸载点。定向钻机*绑捆**一块运送,且不少于两道,并在入井正前方加一道钢丝绳加以防护下滑。
- 所有使用的*绑捆**设施必须为新品。
4、设备与车辆,设备与刹车绳接触的光滑面和棱角处要有防护设施(如垫板料、背板、废皮带等软质材料),以防滑脱或割断刹车绳。
5、*绑捆**时要注意油管、水管及各传动部件等易损部位的保护,防止磕碰损伤设备。
6、刹车使用的钢丝绳、花兰螺丝必须完好可靠,无锈蚀、裂纹、弯曲等变形严重现象,所使用的钢丝绳无断丝、毛刺、锈蚀等不完好现象。有问题要及时处理或更换。
7、装车工作结束后,要详细检查装车地点附近有无遗漏小件或其他物体后,方准收拾工具和清理现场。
第三节 安全措施
1、地面装卸车必须有专人指挥,指挥人员必须带哨子,在指挥必须信号清楚,手势一致。其中哨子信号为“一停、二上、三放”,移动时按手势所指方向移动。
2、装车前必须对设备完好情况进行详细认真的全面检查,不完好设备不得装车。
3、每次起吊设备前必须由当班安全员和班组长共同对起吊器具进行全面细致的检查,不合格严禁使用,当班必须淘汰掉,并做好记号。设备起吊前必须进行试吊,试吊高度到10mm时停止起吊,再次检查所有起吊设备用具,确认安全无误后方可继续起吊。起吊设备过程中设备的下方及周围10米范围内严禁有人作业、逗留和行走。并将人员全部撤至安全地点。
4、起吊下放到距轨面500mm时,要缓慢下放到平板车上。拉运调整平板车或定向钻机时,必须在平板车前后或定向钻机两侧(或前后)用两根长绳长距离调整,严禁直接用手进行推车或推定向钻机进行调整。
5、定向钻机装入平板车时,必须保证支架的重心与平板车的重心相重合。
6、吊车司机必须做到持证上岗,起吊过程中必须精力集中,服从指挥,缓慢运行,严禁开快车。
7、在使用叉车运输时,叉车司机必须做到持证上岗。运行时必须听清信号,接到开车信号时必须进行回信号,得到再次确认后方准开车。
8、信号工必须做到专职。
9、夜间作业时,必须保证作业地点照明充足哦,否则不准作业。
10、所有进入作业场所的人员必须头戴安全帽。夜间作业人员必须带矿灯。
第五节 地面运输
- 装有设备的平板车必须低速慢行。采用叉车运输时,叉车的运行速度不得过快。
- 在运送小型部件时,钢丝绳绳头与平板车之间要用专用防脱穿销进行连接,严禁用其他物品代替。
- 当车辆运行到副井口停车位置时,应提前关闭好气动卡轨器和阻车器,待车辆停稳后方准摘挂钩。
- 装车与*绑捆**质量必须经副井口运输人员检查验收,不合格的车辆严禁入井。
- 挂钩时必须用专用防脱销进行连接,防止平板车穿销脱落。
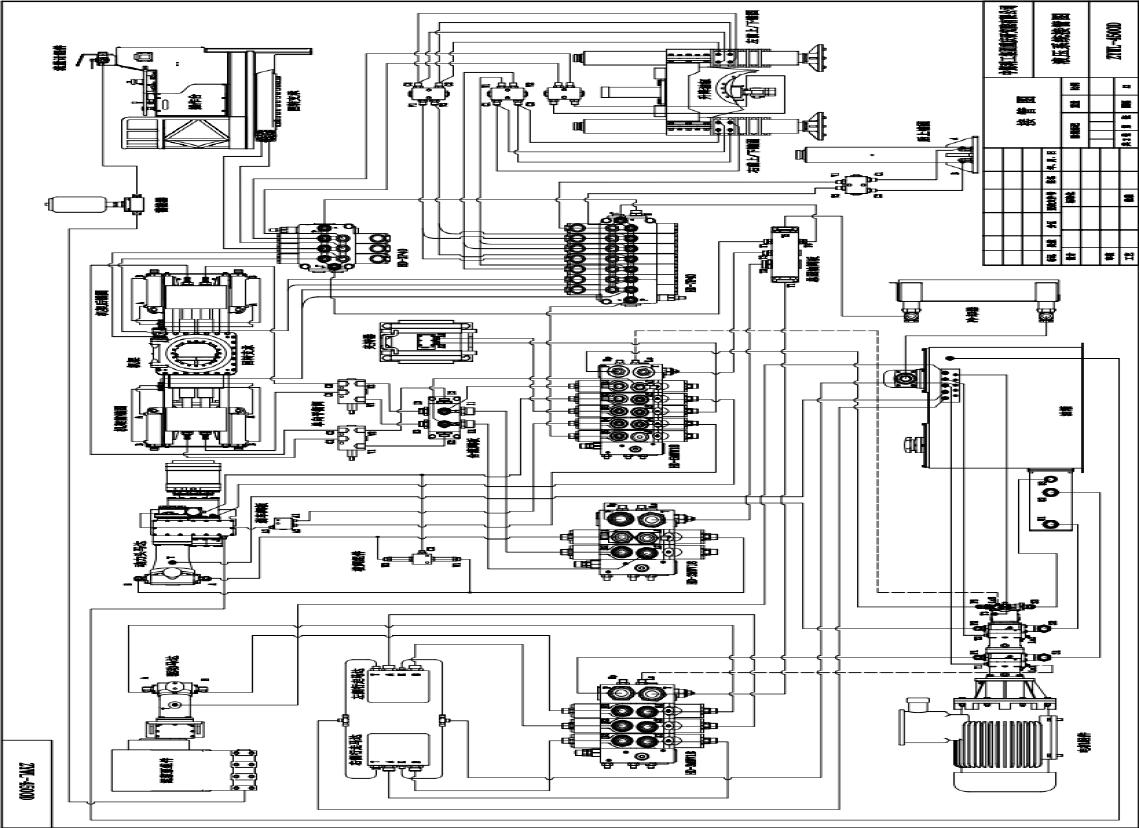
第三章 定向钻机
- 定向钻机的结构
1、定向钻机总体结构:
ZYWL-4500D型定向钻机主要由履带车、动力头、回转操作台、机架、副操作台、夹持器、 锚固油缸、水路系统、泥浆泵系统等构成。
2、根据巷道宽度,一般情况下,机器可分解为4个部分,并按下列顺序分解和向井下运输。
分解及运输顺序表
|
分解顺序 |
运输顺序 |
组件名称 |
|
1 |
1 |
机架 |
|
2 |
2 |
油缸 |
|
3 |
3 |
操作台 |
|
4 |
4 |
钻机主车 |
注意:运输过程中各部件的方向,防止反向运输给安装带来不便。
第二节 定向钻机运输
1、各部分运输参数表
|
序号 |
名称 |
数量 |
外形尺寸(m) |
重量(t) |
备注 |
|
4 |
钻机主车 |
1 |
4.2×1100×1650 |
8 |
|
|
1 |
机架 |
1 |
2.6×0.6×0.8 |
3 |
|
|
2 |
油缸 |
1 |
1.5×1.2×0.5 |
0.8 |
|
|
3 |
操作台 |
1 |
1.2×1×0.6 |
0.25 |
2、运输路线
运输路线:地面——副井——井底车场——一级轨道大巷——二级轨道大巷——三级轨道大巷——8100阶段一级运输巷——8100阶段二级运输巷——8100阶段二级运输巷——6113运输顺槽掘进工作面
第三节 定向钻机的安装
一、定向钻机安装的安全注意事项:
1、定向钻机安装时应选择合适的位置,安装起吊时必须另打专用的起吊锚杆,起吊大件时锚杆数量应根据安设手拉葫芦的位置进行加打(用于安装起吊吊装环,吊装环要用专用锚具固定,锚杆采用φ20×2000mm,预紧力不低于200N·m),并重新支设防护用的锚杆,用于悬挂手拉葫芦,预紧力不小于200N.m,同时不得利用原支护锚杆进行安装起吊装置和作为安装防护用,在起吊过程中,要不定时的对起吊使用的锚杆进行检查,发现异常,立即停止使用,再重新另打起吊锚杆,确保起吊锚杆安全可靠。对使用的起吊工具及固定设施设备,都必须具有双防护装置(防护采用40T锚链进行防护),否则不装起吊设备。
2、当人员拉倒链时,人员应站在安全地点,严禁站在倒链下方或起吊的重物的下方以及危及人身安全的危险区域内作业。
二、安装方法:
1、钻机安装方法:
(1)钻机运输到预定钻场后,安装前,首先清理好钻场,钻场周围的岩层应安全可靠,且具 有足够的空间,通风良好。
(2)平板车停稳并使用三脚架和卡轨器将车辆刹稳后,在平板车前方逐阶铺设枕木,形成坡道,厂家技术人员在车辆后方,远程操作本体部开下平板车。
(3)通过回转减速器附近安装机架与主车之间的螺丝,螺丝规格为M16,共计36颗。

(4)完成钻机各零部件的装配后,根据管路图(详见图)进行正确连接,并注意连接管路过程中清洁各接头。
2、安装后调试操作:
(1)安装后要对电控设备进行细致检查,以免安装的设备出现失爆或不完好现象。此项工作必须由专职电工进行作业和检查,整体完成后由防爆检查员进行复检合格后,方可进行调试,调试工作必须由专职人员进行,调试合格后方可进行其他工作。
(2)按润滑图表检查需润滑的各部位的油量符合要求后(所使用的润滑油必须使用专用的与之相配套的润滑油),方可对机器设备进行调试、调整,调试合格后,方可进行下一步的工作。
3、试车操作:
(1)配有与钻机相适应的水源、电源及相应的配套设备。水路系统供水流量113≤Q≤365 L/min,压力>2.8 MPa。
(2)钻机装配完成,将五通、四通和导向座按顺序依次连接,拧紧螺栓,然后,将孔底马达、下无磁、探管等依次送入孔内,最后将导向套拧紧,完成封孔;
(3)连接好五通、四通与系统管网、汽渣分离器和收集箱的所有管路系统,完成抽放、汽渣分离器和收集箱等装置的管路布置,便可进行正常加油,接上电源,调定压力和转速。
(3)试车时观察操作台上压力表压力情况,动力头正、反转压力应小于4 MPa,油缸往复运动压力小于2 MPa,总回油压力小于0.4 MPa,水泵驱动压力小于4 MPa,水压小于3 MPa。各油管连接处不得有泄漏现象;卡盘和夹持器卡瓦伸缩平直,钻杆上的夹痕均匀;各部运转应平稳,不得有异常声响和异常现象,否则应停机检查。
(4)根据钻孔水平角的要求,将钻机置于适当的位置,调节钻机到达要求的水平角后,固定履带车。
(5)根据钻孔高度的要求,确定是否在机架尾部加垫块。
4、装配注意事项:
- 当起吊各部分时,必须按吊孔和吊环的位置挂好630圆环链。
- 在有防尘圈的部位装销子时,必须注意不要划伤其防尘圈,在插销子时,要一边少少转动,一边插入。严禁强行安装。
- 安装每个联接螺栓和销轴时,螺栓和销轴上应涂少量油脂,防止锈蚀后无法拆卸;各联接螺栓必须拧紧,重要联接部位的螺栓拧紧力矩按规定拧紧力矩进行紧固。
- 安装完毕后,按注油要求加润滑油和液压油;
- 各部件在按序安装时,在各部件安装完毕后,都必须再次对本部件严格检查螺栓是否拧紧;油管、水管连接是否正确;U形卡等各种管卡是否齐全;电动机进线端子的连接是否正确等。
- 安装完毕,对电控箱的主要部位再进行一次检查。
a、用手开合隔离开关三~五次,检查有无卡住现象;
b、进出电缆连接是否牢固和符合要求;
c、凡进线装置中未用的孔,应当用压盘,钢质压板和橡胶垫圈等进行可靠的密封;
d、箱体上的紧固螺栓和弹簧垫圈是否齐全紧固,各隔爆法兰结合面是否符合要求;
e、箱体的外观是否完好,防爆标志是否齐全完好。
三、卸车、安装定向钻机的安全技术措施:
(1)卸车前,将定向钻机运至底板平整,支护完好,空间足够宽阔的地段,必须保证作业地点附近能够存放所有的设备部件而不影响行人通行。
(2)卸车前,检查定向钻机的停放位置是否符合卸车要求,待符合卸车要求后,经现场负责人同意后,方可开始卸车。
(3)卸车时,必须采用可靠的吊装工具和方式进行,且保证吊装装置有两道防护(防护可使用40T锚链作为防护),以便确保吊装作业安全。
(4)卸车时,要注意油路、及管路接口部分时,要先对油路、管路部分接头进行防护,如利用塑料薄膜、棉纱等软质设施进行可靠的包裹捆扎,以防杂物堵塞油路、管路。
(5)根据所卸车及安装的部件在使用手拉葫芦(倒链)起吊时,手拉葫芦(倒链)额定吊装力必须大于最大不可拆卸件的重量。在使用之前,应先检查好吨位是否合适,大小轮、逆止装置是否齐全完好。如手拉葫芦(倒链)不能满足吊装要求,严禁使用低吨位的倒链强行拉、移大吨位的设备。
(6)准备好安装所用工具和必要的备品备件。
(7)认真检查作业地点前后10m范围内的支护情况,清理干净作业地段的浮煤和其他杂物,保证安装工作的安全和退路畅通。
(8)检查吊挂所用的锚杆是否符合要求,锚链是否牢固可靠。检查吊挂所用锚杆和锚杆的锚固力,符合要求的情况下取下锚具和锚杆螺帽,固定好链条吊装环,吊装环安装于锚杆上的要用专用锚具进行固定,安装在锚杆上的吊装环要用两个螺帽带紧丝扣并拧满,不得用铁丝、钢丝或其他物品代替。在起吊重物时,要先进行试吊,观察起吊重物是否处中心位置、起吊设施是否完好、锚链及各连接部位有无变形等异常情况,严禁直接起吊,必须在试吊合格检查确认各连接装置接头、锚链符合起吊要求后方可继续进行起吊。
(9)使用大锤作业时应检查锤头是否松动,周围是否有人。
- 吊装时严禁作业人员站在倒链、链条、和起吊重物的下方,以及重物可能摆向方向的正面及下面,注意防止锚链在特殊情况下折断。
- 倒链吊装时要有双保险,卸车、安装的部件固定时要有专人负责,固定完成后由安全员进行确认检查后,方准进行起吊拆卸和安装。
- 起吊重物时,所有人员必须躲离重物下方及其摆动范围内,以免来回摆动伤人,随时注意锚杆、锚链、连接装置头受力变形情况,发现异常立即停止拉吊,立即放下重物,同时采取相应措施。
(13)人员抬放、搬运设备时,要提前清理好行走路线。工作期间,工作人员要配合默契,口号一致,动作协调一致。
(14)设备起吊后,严禁人员的身体任何一部分伸入起吊物下,若特殊情况需要伸入操作时,必须先在起吊物下用木料等将起吊物支实支平,经安全员检查确认安全后,并适当放松起吊物件,再次确认安全后,人员方可进行操作。
(15)起吊工具要挂在设备结实可靠且不易脱落的部位上,然后使起吊的重物吃力后,并找准物件的中心位置,经安全员、现场负责人再次确认无误后,方可起吊重物,否则严禁起吊,严禁将起吊用的钩或绳挂在设备的连接部位。
(16)物体只要处于起吊状态时,安全员或现场负责人必须在现场安全区域内负责观察起吊设备,严禁其他人员代替,观察人员周围要用自制的钢筋网格进行全断面防护,防止意为伤人。其余人员应撤至安全区域,并指定专人在安全区域设置警戒,以免其他人员误入,造成不知情人员伤害。
(17) 若使用的钢丝绳起吊时必须检查其完好可靠,无锈蚀、裂纹、弯曲等变形严重现象,所使用的钢丝绳无断丝、毛刺、锈蚀等不完好现象。有问题要及时处理或更换。
(18)安装工作结束后,要详细检查装卸地点有无遗漏小件或其他物体,然后再摘、拆倒链、链条等。
(19)卸车、安装必须由当班副队长现场亲自指挥,安全员进行安全检查确认后,方准保卸车安装,并保证整个过程安全可靠。
(20)安装作业必须由经过培训、熟悉定向钻机的人员进行操作,并严格按照《定向钻机说明书》进行,严禁盲目蛮干。
(21)所有使用起吊用的钢丝绳必须使用与钢丝绳直径相配套的绳卡进行固定,不少于4个绳卡固定,在使用时必须再次检查绳头绳卡的固定情况,经安全员现场检查确认后,方可进行操作和下一步的工作,否则不得进行作业。
(22)起吊过程中为了避免重物的摆动,可用绳一头固定在重物上,一头由人员站在安全地点进行控制,也可利用长柄工具进行控制。
四、运输安全措施
1、在运输定向钻机前,必须有专人对运输路线进行检测,了解巷道断面是否可以通过定向钻机分解设备的车辆,如有巷道断面不符合运输要求时,必须采取合理措施进行处理,防止出现阻碍运输的情况。
2、事先检查运输路线轨道,要求轨距、轨道接头符合要求,轨道夹板齐全牢固。
4、运输定向钻机期间,根据分解掘进设备的部件重量,最多运输重量不得超过8吨。
5、入井定向钻机由地面装车人员进行*绑捆**并检查。
6、由专职安全员对装车的*绑捆**设备情况进行检查验收。
7、用叉车将车辆运至副井口挂钩处。
8、用副井绞车将车辆运至井底车场。
9、下料队每班必须配备专职负责人跟班,对运输的全过程进监督检查,确保运输安全。
10、当班机电工必须对信号系统进行全面检查,发现问题和安全隐患及时处理,并做好记录。
11、当班值班轨道维修工、矿车及平板车维修工必须对所管辖的区域进行巡回检查,发现问题及时处理并做好记录,所有平板车的插销都必须有防脱装置,否则不准使用。
12、定向钻机各部件到达副井口时,井口人员必须对支架的*绑捆**情况及钢丝绳绳头和车辆的连接装置进行检查验收,确认无误后,方可向井底车场运输。
13、定向钻机各部件运至副井口时,应等车辆停稳后在进行摘挂钩。
14、副井采用JSDB-19型双速绞车提升和下放设备时,必须确保提运下放速度不大于0.15m/s,且匀速下放或提升,严禁或快或慢,严防车辆掉道。
15、副井下放定向钻机各部件时,副井绞车必须投入动力制动,严禁不带电放车、急刹车或放飞车。副井运输提升和下放时,绞车司机必须一人操作一人监护,并做到持证上岗。
16、下放第一车后,要对运输线路的轨道质量再全面进行检查一遍,对存在的问题必须彻底处理,确保安全运输。
17、下放时,地面负责人必须电话通知绞车司机、井下信号把钩工,并问清姓名,做好记录,绞车在井筒的下放速度不得大于0.15m/s,增减速度要平稳,使用动力制动。
18、下放车辆时,绞车司机要先将钢丝绳拉紧,然后由信号工发出信号,有余绳时严禁发出开车信号。发出信号时,必须达到相互验证确认安全后再开车。信号工必须站在安全地点,严禁站在绳道内。
19、车辆在运行过程中,必须有专人进行跟车,跟车工必须密切注视车辆的运行情况及钢丝绳运行情况,发现异常情况立即停车检查。
20、设备车辆运行到各停车场时,待车辆停稳后方可进行摘挂钩,人员严禁提前进入摘挂钩地点等待摘挂钩。各停车场必须在车辆到来前在车辆停止位置设置阻车设施,防止车辆超过停车位置。
21、设备在每个运输阶段,与之相连的巷道在运输过程中必须在交叉口安设栅栏并悬挂“正在行车,严禁行人”牌板。在运送期间必须在进出各个车场或通道口设置专人设置警戒,防止人员误入发生意外。
23、对不合格的穿销和链环要集中堆放,且不得使用,不合格的车辆要做好记号,严防下次再使用。同时保证所有巷道的“一坡三挡”灵敏可靠,使用正常。
23、所有工种必须使用熟练工并持证上岗。
24、每次车辆运输前必须对绞车、钢丝绳及轨道有专人进行全面检查,有问题要先处理后运输,并做好记录。
25、绞车的信号必须灵敏可靠,不清楚不准开车,信号按照机运科制定标准的执行。
26、所有绞车司机必须使用熟悉运输巷道的人员担任,并持证上岗,并严格执行本工种的《技术操作规程》。
27、绞车在每个停车场换钩时,必须先将车停稳后,再用阻车器将车辆阻死后,再进行摘挂钩,摘挂钩时必须由各地点负责人现场指挥。
28、运输过程中,要严格执行“行车不行人、行人不行车”的制度。
29、车辆在运输过程中不得蹬钩扒车。
30、所有绞车的固定装置、信号、连接等必须由绞车司机和安全员每提升一次检查一次。
31、挂钩要牢靠,挂钩要经过安全员检查,同意后方可提升,严禁超负荷提升运输。
32、运输过程中信号把钩工要认真检查各处道岔位置,严禁搬错道岔,防止掉道。
33、如果发生车辆掉道,跟车工应立即通知绞车司机停车,绞车司机接到信号后,要立即停车,并刹好绞车的制动闸把,跟车人员进行立即阻车,并向当班负责人汇报,在当班负责人的指挥下采取措施进行处理。
34、运输过程中车辆掉道到后,在上道时,要防止车辆倾斜,防止倾倒伤人,车辆上道时由当班负责人指挥,并采取防止车辆倾倒的临时措施。
35、若发生掉道,用千斤顶或倒链进行上道时,严禁强拉硬拽,以免发生事故。同时要做好个人安全防护,使用倒链时必须具有双保险,人员严禁站在倒链下方。
36、处理掉到时,绞车司机不准离开岗位,严格服从指挥。
38、运送期间,每班必须有专人检查绞车钢丝绳的磨损情况和绞车信号失灵情况以及各种工器具和轨道质量,作好记录。在巷道变坡点布置托绳轮,以减少钢丝绳与轨枕的摩擦。
39、机电科负责确保运送所使用的钢丝绳等连接装置必须有检验报告,且检验报告检测结果是合格。
40、将6113运输顺槽掘进工作面内所有妨碍运输的设施设备拆除,并码放到不妨碍运送的地点,整齐码放。
41、在大坡度地段运输时,必须加挂防跑车保险绳,以防设备跑车,保险绳必须挂正,严防设备车辆受力不均匀发生掉道、翻车等事故,保险绳不得挂在设备易损坏部位上(如:管路、仪表、电缆等)。
42、运输设备车辆过弯道(道岔)时要减速慢行,弯道(道岔)内侧和设备(物料)甩头的一侧严禁有人。
43、运输设备车辆过弯道(道岔)时,要指派专人站在安全地点观察车辆通过弯道(道岔)情况,发现有异常现象时,要立即发出停车信号,停车检查处理;停车时必须用三角架及卡轨器等将车固定稳当后,方可进行处理。
44、严禁钢丝绳直接拐弯拉设备,拐弯时必须安设强度足够的导向轮。
45、运输过程中严格执行先停车固定好车辆,后摘绳换绳的原则;车辆经过挡道器后,要及时停车闭合挡道器,严禁提前打开下一道挡道器。
46、每一处阻车设施上所停放的车辆数不得超过该处坡度所允许的最大挂车数,保证安全运输。
47、设备的精密部位及两端头要*绑捆**道木等软质材料,防止碰撞损坏及进杂物。
48、设备车辆过反道岔时,运输人员要注意不得倒乱车辆顺序。
49、在轨道支垫过高的地方提升设备时,为了防止绞车绳绊入道木或道夹板螺丝上,可提前在绞车绳道内支垫木料(道木),木料(道木)一端要紧贴轨道外侧,其高度要略低于轨面,木料间距以15米左右为宜。
50、处理绞车绳绊入道木或道夹板螺丝上等问题时,可在车辆停止运行后,使用拉钩将钢丝绳拉出,拉钩开口一端要向上,必要时必须用卡轨器配合三角架停稳车辆,待绞车绳松驰后,将绳拉出;严禁直接用手拨运行中的钢丝绳。
51、运输设备车辆前,绞车司机和信号工负责检查运输线路和运输设施,并将绞车绳提前放入道心内,检查车辆的连车情况和刹车情况。
52、运输过程中,发现设备刹车不牢固时,必须立即停车处理。严禁凑合蛮干。
53、开车期间,绞车司机必须密切观察前方动静、绞车绳及车辆运行情况,拨绳人员必须密切注意绞车及绞车绳运行情况,发现异常及时停车处理,严禁绞车司机不观察前方动静低头开车。
54、初次在巷道内运输设备车辆(即在不熟悉巷道坡度变化情况下运输设备)时,必须使用两部绞车对拉进行。
55、轨道弯道处必须用轨距拉杆和铁枕木将轨道固定牢靠,防止轨道出现变形、轨距变化等情况发生。
56、同一条斜巷内严禁有两组及两组以上运输人员同时作业。
57、绞车司机 、信号工全部走到各自岗位,并用信号相互联系,确认全部到岗且安全无误后,方可严格按《绞车司机岗位安全生产责任制》要求联系开车运输设备。
58、、绞车信号必须放在便于操作的安全地点。
59、首次运输定向钻机的大件设备要慢行压道。
60、在运输过程中,使用设备的电气部分出现故障,非专职电工严禁随便拆开电气、线路。
61、在设备准备运输前必须设专人认真检查运输所经路线、轨道、阻车器、卡轨器等设施是否完好,在确认无误后方可进行设备的运输工作;每班都应进行质量检查,确保安全作业。
62、在本次运输及卸车、安装作业过程中,各个绞车点、工作面必须安设独立的电话和照明,所有电话不得窜号,信号必须灵敏可靠,所发信号清楚无误,并设专人负责发信号,非信号工不得操作,遇紧急情况除外,照明必须明亮清晰。
63、运输时车辆上的主、副绳、牛尾巴必须齐全方可运输;运输时轨道卡轨器、三角架、镐要随身携带,以便随时采取阻车措施,确保安全停车。
64、每固定好一辆车辆运输时要对车辆固定装置进行二次全面安全确认,确认安全有效,并对所运输线路的轨道进行全面检查,对巷道内影响运输的一切物料等其他物品进行清理,方可进行车辆运输。
65、工作面停放车辆要用卡轨器进行卡轨,并支设安全有效。
66、绞车下放车辆时,要均匀缓慢放车,严禁不带电放车、急刹车或放飞车。
五、本措施未叙述到或与《煤矿安全规程》有相抵触或未叙述到的,按《煤矿安全规程》执行。