[摘要]电动汽车充电站的电损是充电站运营期间的重要成本,电损的大小直接影响充电站收益。为了对充电站电损进行科学有效的管理,本文首先分析了充电站电损的构成及计算方法,并给出了评价电损率是否正常的方法。使用自行开发的电损管理软件对电损规律进行了模拟计算。
0前言
随着新能源汽车行业的高速发展,作为配套设施的充电桩发展也十分迅速。除家用充电桩外,大批量的公共充电场站已经建成。2019年,我国电动汽车公共充电桩共建设超过17.4万台,截止到目前,电动汽车公共充电桩保有量超过 51.6万台,其中,交流充电桩 30.1万台,直流充电桩21.万台。
随着行业进一步发展成熟和补贴的退坡,充电站的运营和维护必然告别过去的粗放式管理,进入到精细化管理的新阶段。作为充电站运营的主要成本,电损必然是广大运营商关注的重点。
1充电站电损管理现状
目前大多数运营商对充电桩电损规律缺乏了解,行业内也缺少相关数据和标准。在充电站规划设计阶段,没有电损数据进行参考,必然会影响到投资收益计算的准确性。在运营阶段,缺少电损的评价标准,不能有效识别出电损异常必然会影响电站收益。而且对电损明显偏高的现象也无法分析背后的原因。总之,我们缺少对充电桩电损的正确认知,缺少电损审核手段和排查方法。
2充电站电损构成
2.1 有功电能损耗
一般充电站按照进线电压等级不同可以分为高压(10kV)充电站和低压 (380V)。其区别在于高压站的产权分界点在变压器高压侧,计量点也在高压侧,充电站的电损包括了变压器的损耗。除去变压器的损耗,所有类型的充电站都包括线路损耗和充电桩损耗。
(1)充电桩损耗
其中充电桩损耗又分为待机电损和充电电损。充电电损可以用充电效率体现。充电桩待机电损指的是在待机状态下,充电桩维持内部元器件工作所消耗的电能。
《NB/T33001 2018 电动汽车非车载传导式充电机技术条件》中规定:在额定输入电压下,充电机的待机功率不应大于N*50W(N 表示充电接口数量)。此处指的是一台直流桩如果有一把充电枪,其待机功率不应大于50W,如有两把枪不应大于 100W。待机功率乘以待机时长等于待机电损,例如待机功率50W 的桩一天的待机电损为24*50=1200Wh。即每天消耗 1.2 度电。一般产品的待机功率均小于标准要求。充电桩充电电损或充电效率。充电效率指的是充电桩在充电状态下,输出功率与输入功率的比值,输入功率与输出功率的差值既是充电电损。在 《NB/T33001 2018 电动汽车非车载传导式充电机技术条件》中规定:
图1,在充电负载率处于20%到50%之间时,要求充电效率不低于88%,即电损率不大12%。在50%到100%负载率时,充电效率不低于93%,即电损率不大于7%。一般的产品标称的峰值效率均达到95%以上。下图是某一台直流桩的实测充电电损率。

图1 充电桩在不同输出功率下的效率标准
图2,实测获得的某型号充电桩在不同负载率下的效率曲线。可见实际产品能够满足标准要求。

图2 充电桩在不同负载率下的效率曲线
其计算公式是:

(2)线路损耗
线路电损指的是充电桩到电费计量点之间的电缆线路上的电能损耗。线损与电缆的长度和截面积相关。线损与电流的平方成正比,同时线损还受温度的影响。
其计算公式是:

(3)变压器损耗
变压器损耗,包括空载损耗(铁损)和负载损耗(铜损)。铁损是指变压器在额定电压下,在铁芯中消耗的功率,其中包括激磁损耗与涡流损耗。铜损是指变压器一、二次电流流过线圈电阻所消耗的能量之和,由于线圈多用铜导线制成的,故称铜损,与电流以的平方成正比。变压器铁损和铜损可以通过查询变压器的空载功率和负载功率进行计算。
其计算公式是:

2.2 无功电能损耗
2.2.1 充电桩功率因数分析
电力公司对工业用户的电费计算方法是:有功电度电费+基本电费+功率因数调整电费。如果功率因数低于标准,电力公司会收取相应的功率调整电费。一般来说电网中的电力负荷如电动机、变压器等,大部分属于感性负荷。在运行过程中电网向这些设备提供相应的无功功率。而无功功率在电网内吞吐,并 不会消耗。但是电网内传输的无功功率增加会造成发电机组有功出力降低和线损增加。总之电网需要控制无功功率的占比即控制功率因数。并对功率因数不合格的用户收取相应的费用,也就是电网通过经济手段达到控制功率因数的目的。
一般在用户侧安装并联电容器等无功补偿设备以后,可以提供感性负载所消耗的无功功率,减少了从电网吸收的感性无功、使功率因数提高。由于减少了无功功率在电网中的流动,因此可以降低线路和变压器因输送无功功率造成的电能损耗,这就是无功补偿。
充电站需不需要无功补偿,就需要搞清楚充电桩运行时的功率因数。能源局标准《NB T 33001-2018_电动汽车非车载传导式充电机技术条件》中规定直流充电桩充电时功率因数大于 0.95。实际产品都能满足此标准。
2.2.2 充电站功率因数分析
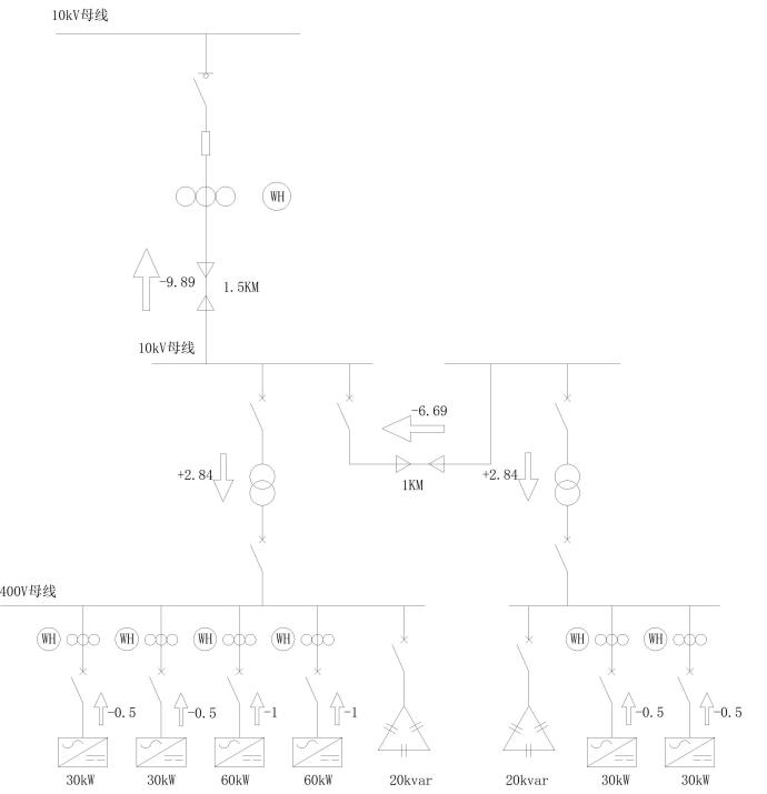
为了分析充电站的功率因数,以一个典型充电站为例。下图是一个高压进线 的充电站一次系统图。该站的基本配置是一台 630kVA 变压器,5台120kW直流桩,配置120kVar电容补偿。计量点位于变压器高压侧。

图3 充电站电气一次系统图
我们已经知道充电桩的功率因数大于 0.95,按照这个场站的配置情况,功率因数应该是符合电网要求的。而实际上在投入运营后,连续几个月都因功率因数不合格被罚款了。运营商也十分苦恼,甚至怀疑充电桩的功率因数不合格。将无功补偿投入,结果却发现适得其反。
到底是什么原因造成的功率因数不合格呢?
变压器所吸收的无功功率不能被忽略,其无功功率等于当变压器满载荷供电时其额定容量的 5%。变压器无论是在空载还是负载运行时,均从电网吸收无功。电网在考核功率因数时,用每月的有功电量和无功电量计算出功率因数。在充电站运营初期,由于充电量较低,相应使用的有功电量较少,而使用的无功电量固定不变,无功电量占比过高造成功率因数不合格。随着运营情况的好转,充电量提高,功率因数也会提高。
为何投入电容没有启动无功补偿的效果呢?
这是因为电容并联在低压母线上,其控制功率因数采样点位于低压进线柜。 其控制的目的保证低压母线上的功率因数合格。但是无法保证变压器高压侧的功率因数合格。该站配置的是固定式无功补偿,业主将全部电容模块投入。从而造成了过补偿,即容性无功补偿完变压器消耗的感性无功,多余的无功电量输送到了电网。而电网计量无功电量时不区分方向,输出的无功电量也作为消耗无功电量计算。故结算时的功率因数不合格。
当在高压侧计量的时候,将功率因数提高到一个能使整个场站的功率因数合格就足够了。变压器的无功损耗可以通过调整电容器组使负荷的功率因数稍微超前而进行完全补偿。在这种情况下,当变压器高压侧的输入功率因数是 1 时,变压器所有的无功都由电容器组提供。
3电损管理软件应用
通过对充电场站的电损构成和计算方法的研究,开发了电损管理软件。输入充电站基本参数即可计算出在不同充电量下的电损率。

图4 电损管理软件界面
一个配置和结构确定的充电站,在充电站型号,线缆长度和规格以及变压器型号均确定的情况下,在不同的充电量下其电损率也差别巨大。
假定一座充电站采用10kV进 线,安装一台315kVA 变压器,5台60kV单枪直流桩。使用作者自行开发的电损模拟软件进行电损模拟分析,结果如图5、图6所示。

图5 充电站在不同利用率下的电损率曲线

图6 充电站在不同利用率下的电损占比
4 结束语
通过以上的分析我们可以发现,充电站的电损因配置不同而不同,同一充电站在不同利用率时电损率也差别很大,无法用一个简单的标准判断电损正常与否。
如何进行电损的监控和管理?最根本的问题是解决电损率难以评判的问题。
我们引入理论电损率的概念,按照以上的电损预测模型进行理论电损计算,将理论电损与实际电损进行对比,偏差超过一定范围的即认为电损存在异常。
通过电损的管理可以识别出充电订单结算异常,结算电量采集异常,设备电损异常等问题,同时为优化运行方式和设备技改提供支持。充电站一般情况下可以不安装电容补偿。如果安装了电容补偿可以在充电站低利用率时,采用过补偿的方式以提高功率因数避免被电网考核。但是补偿的容量需经过计算。