(此处已添加圈子卡片,请到*今条头日**客户端查看)
“笑脸”作为妇孺皆知、人人喜爱的经典卡通含笑“面容”图饰,代表着亲和友善,反映着社会正能量的一面,她时刻提醒大家:请保持微笑!不管生活对你如何,你都要每天微笑面对,每天保持正能量,开心就好,生活其实没那么糟糕……
动手做一个高灵敏度的“笑脸相迎”小挂件(见题图),将它挂在房间音响附近或经常有人说话的地方,则随着音乐或说话声的响起,镶嵌在“笑脸”双眼位置的发光二极管就会随着音乐或声音的节奏而闪闪发光,让你享受到音乐、闪光和“笑脸相迎”三者的完美结合,可给居室增辉添彩不少。
整个制作造价不足5元,制作起来也很容易。心动不如行动,赶快跟我一起制作吧!

弄懂工作原理
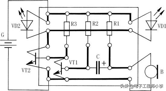
“笑脸相迎”小挂件的电路如图1-1所示,它实际上是一个采用普通分立元器件构成的声控闪光电路,主要由拾音电路、晶体管放大电路、发光二极管电路和电源电路等四部分组成。

图1-1 “笑脸相迎”小挂件电路图
拾音电路由驻极体话筒B担任“声-电”转换器,R1是其供电偏置电阻器(也称负载电阻器)。当话筒B拾取到周围的声波信号时,即转换为相应的电信号。该电信号经耦合电容器C送至晶体三极管VT1的基极进行放大。VT1、VT2组成两级直耦式放大电路,虽然电路简单,但设计巧妙。通过选取合适的R2与R3电阻值,使得无声波信号时,VT1刚好处于导通状态,VT1的集电极(即VT2基极)为低电平,所以VT2截止,发光二极管VD1、VD2均不亮。当话筒B拾取到周围声波信号、并有音频信号注入VT1的基极时,音频信号的负半周会使VT1退出饱和区,VT1集电极(即VT2基极)电位升高,VT2导通, VD1、VD2就点亮发光;当输入音频信号较弱或消失时,不足以使VT1退出饱和区,VD1与VD2即恢复熄灭状态。随着周围音乐声(或说话声)强弱变化和节奏的起伏,发光二极管VD1和VD2便会发出同步的闪光来。
电路中,电阻器R1决定着驻极体话筒B的静态工作电压和电流大小,适当增大其电阻值可提高电路的声控灵敏度。R2为晶体三极管VT1的偏置电阻器,R3既是VT1的负载电阻器,又是VT2的偏置电阻器。R1、R3电阻值的大小直接决定着电路静态耗电的大小,这里有意将电阻值选择得大一些,以降低整机静态电流(实测≤0.46m A),相对延长电池G的使用寿命。
准备好元器件
本制作共用了12个电子元器件,图1-2所示为全部电子元器件的实物外形图,采购清单如表1所示。

图1-2 需要准备的元器件实物外形图

表1 元器件清单
VT1、VT2均选用电流放大系数β较大的9014(集电极最大允许电流ICM=0.1A,集电极最大允许功耗PCM=310m W)或3DG8型硅NPN小功率晶体三极管,要求β≥200。
VD1、VD2最好选用φ5mm红色发光二极管,要求两管参数尽可能保持一致(应选择厂家同批次、同规格的产品),以避免发光时出现两管“一亮一暗”的现象。如选用白光或蓝光的发光二极管时,需要将供电电压提升到4.5V,一般不推荐读者这样去做。
B选用CM-18W型(φ10mm×6.5mm)高灵敏度驻极体话筒,其外形及引脚识别如图1-3(a)所示。CM-18W的灵敏度划分成五个挡,分别用色点来表示:红色为-66dB,小黄为-62dB,大黄为-58dB,蓝色为-54dB,白色>-52dB。本制作中应选用蓝色或白色点产品,以获得较高的灵敏度。
B也可用其他灵敏度高的小型驻极体话筒(如CRZ2-113F)来直接代替。挑选驻极体话筒时,可将指针式万用表置于“Ω×1k”或“Ω×100”挡,按照图1-3(b)所示,用红表笔接驻极体话筒的接地端(与外壳相通),黑表笔接驻极体话筒的输出端D,此时万用表指针指在某一刻度上,再用嘴对着驻极体话筒吹气,万用表指针应有较大摆动。并且万用表指针摆动范围越大,说明驻极体话筒的灵敏度越高。如果没有反应,说明被测驻极体话筒已经损坏。
R1~R3均用RTX-1/8W型碳膜电阻器。C用CD11-16V型电解电容器。G用两节5号干电池串联(需配塑料电池架)而成,电压3V。

图1-3 驻极体话筒的识别与检测
开始动手制作
该“笑脸相迎”小挂件的制作可分为制作“笑脸”外壳、焊接电路、通电调试与完成组装四大步骤来完成。下面按制作步骤和流程分别介绍。
第一步,巧制外壳
一个外观精美、大小比例合适的“笑脸”外壳,是整个作品取得满意效果的关键。笔者在大小合适的塑料广口瓶盖上粘贴画有“笑脸”的卡纸,并配上合适的挂线和线穗,即获得简洁、美观的外壳——瓶盖内则用于安装全部电路。其具体制作流程如图1-4所示。
首先,按照图1-4(a)所示,取一φ85mm×15mm左右的塑料瓶盖,一般家中装过食品的空广口塑料瓶或玻璃瓶,其盖子多为白色半透明塑料盖,大小很容易满足需要。
然后,取一张黄色卡纸(或复印纸),按照图1-4(b)所示,将取掉瓶盖的广口瓶倒扣在黄色卡纸上(注意:卡纸下面必须垫上防划伤桌面的硬纸板等,图中所用是专门的PVC材质的切割垫板),用刀口锋利的美工刀沿广口瓶边沿划一圈,裁出图1-4(c)所示的黄色圆片纸。再按照图1-4(d)所示,借助椭圆形模板尺和普通铅笔等工具,在黄色圆片纸上勾出“笑脸”线条,并像图1-4(e)所示的那样,用黑色画笔(或毛笔)描出眼睛和嘴巴。按照图1-4(f)所示,在画出“笑脸”的黄色圆片纸背面的周边粘贴上双面不干胶带纸,并按照图1-4(g)所示,用剪刀沿黄色圆片纸的周边剪掉多余的部分。按照图1-4(h)所示,撕掉双面不干胶带纸上面的保护蜡光纸,并按照图1-4(i)所示,将“笑脸”圆片纸平整地粘贴在所选定的塑料广口瓶盖上。这里要说明的是:黄色卡纸如选用黄色不干胶贴纸,则可省去粘贴双面不干胶带纸的步骤,并且粘贴效果更理想。如果读者能购买到大小合适的“笑脸”贴图,或者采用彩色喷墨打印机在照片纸上打印出网上*载下**的“笑脸”图片,则效果更佳!

图1-4 巧制“笑脸”外壳

图1-4 巧制“笑脸”外壳(续)

图1-4 巧制“笑脸”外壳(续)
接下来,按照图1-4(j)所示,在粘贴有“笑脸”的瓶盖上,用圆形尖头电烙铁在两个“眼睛”的中间部位各烫出一个φ5mm的小圆孔,用于安装发光二极管VD1和VD2。按照图1-4 (k)所示,用锥子在瓶盖的上、下侧边各扎出一小孔,上孔用来穿挂线,下孔用来穿线穗。按照图1-4(l)所示,用电烙铁在下孔的任意一侧烫出φ10mm的小圆孔,用于安装驻极体话筒B。烫出的小孔,可按照图1-4(m)所示,用锋利的美工刀进行孔口边沿的修整,必要时还可以用半圆形小锉刀进行锉磨加工。
最后,按照图1-4(n)所示,在“笑脸”外壳上侧的小孔中,由里向外穿出双根对折、长度约12cm的红色细线,并在外壳内的线头处打上“死结”,防止“挂线”脱落。按照图1-4 (o)所示,在“笑脸”外壳下侧的小孔中,由外向里穿出红色线穗的吊线,并在吊线头处打上“死结”,防止“线穗”脱落。这样,一个活泼可爱的“笑脸”外壳就做好了。
第二步,焊接电路
裁取一块尺寸约为24 mm×22mm的单孔“洞洞板”,按照图1-5给出的电路板接线图进行焊接(注意:焊接面朝向读者,元器件在板的背面)。采用“洞洞板”的好处是取材简便、成本低廉、使用方便,可达到事半功倍的效果。焊接好的实物如图1-6所示。

图1-5 “洞洞板”接线图

图1-6 焊接好的电路
焊接时注意,应充分利用元器件引脚飞线连接,要求焊点光亮整洁,避免错焊、虚焊、假焊的发生。驻极体话筒B通过11cm长的红、黑两根细电线焊接在“洞洞板”上,其中红色引线为驻极体话筒B的输出端D、黑色引线为接地端;3V塑料电池架通过自带的两根细电线(红色为正极、黑色为负极),正确地焊接在“洞洞板”上,要求引线长度≥8cm;发光二极管VD1、VD2按照图1-6(c)所示,在电路板正面保留出5mm长的引脚线,以便组装时弯折180°后直接插入外壳所开的“眼孔”内;电容器C亦应保留出5mm长的引脚线。
第三步,通电调试
对照图1-1的电路图和图1-5的接线图,反复检查已焊接好的电路,确认正确无误后,即可按照图1-7(a)所示,在塑料电池架中装入两节5号干电池,进行通电调试了。正常情况下,如图1-7(b)所示,在0.5~1m远处用嘴对着驻极体话筒B讲话,发光二极管VD1、VD2应随声闪亮,并且随着声音大小的变化发光亮度也随之改变,表示电路工作良好。
如果对着驻极体话筒B讲话,发光二极管VD1、VD2始终没有任何反应,说明不是电池G供电不正常,就是两个发光二极管的正、负极性全接反了;如果没有声音时发光二极管始终很亮,一般多是晶体三极管VT1或VT2接错了引脚。应仔细检查,加以排除,使电路正常工作。
如需大声叫喊,发光二极管才会闪亮,说明电路声控灵敏度太低。这可能是晶体三极管VT1处于深度饱和状态,需较大音频信号输入VT1基极才能使它退出导通态。解决办法如图1-7(c)所示,可适当减小电阻器R3的阻值或加大电阻器R2的阻值,使VT1刚好进入饱和状态。另外,驻极体话筒B的引线接反时,也会造成讲话时发光二极管亮度极其微弱,应检查并纠正。
如果电路声控灵敏度过高,很小的声音就使发光二极管闪烁,甚至无声时发光二极管就已处于常亮状态,说明VT1没有进入完全导通状态,此时可按照图1-7(d)所示,适当加大电阻器R3的阻值或减小电阻器R2的阻值,使VT1进入导通状态,也可以将VT1换成电流放大系数β值更高一些的管子。
调试时注意,电阻器R2的阻值一般可在510kΩ~3MΩ的范围内改变;电阻器R3的阻值可在3~20kΩ的范围内改变。但R3的电阻值不宜太小,否则会使电路的静态耗电显著增大。

图1-7 电路调试方法
第四步,完成组装
调试好的电路,注意从塑料电池架上取出干电池G后,便可开始组装了。
首先,按照图1-8(a)所示,借助尖嘴钳或镊子,将“洞洞板”上已焊接好的两个发光二极管VD1、VD2,分别齐电路板正面的引出脚弯折90°;再按照图1-8(b)所示,一手捏住电路板、一手捏住发光二极管VD1或VD2的管帽,分别小心地将两个发光二极管都弯折90°,以便像图1-8(c)所示的那样,能够将电路板由“笑脸”背面插入所开的“眼孔”内。
然后,按照图1-8(d)所示,将驻极体话筒B由里向外插入“笑脸”外壳侧面所开出的φ10mm圆孔内。
最后,按照图1-8(e)所示,布设好3V塑料电池架及引线的位置,并按照图1-8(f)所示,采用电烙铁烫化热熔胶棒的简易方法,将发光二极管VD1和VD2、驻极体话筒B、电池架、引线等用热熔胶选点粘固在“笑脸”的塑料壳体内。另外,参照图1-8(b)所示的方法,将电路板上电解电容器C由原来的直立状态弯折成图1-8(g)所示的水平状态,以保证所有元器件高度超不过塑料外壳高度。OK!一个简洁漂亮、与众不同的“笑脸相迎”小挂件大功告成,可以正式投入使用啦!

图1-8 “笑脸”组装流程图

图1-8 “笑脸”组装流程图(续)
投入实际使用
制作成功的“笑脸”作品,可挂在房间接收音响或人声良好且装饰效果理想的位置。图1-9给出了几种典型应用实例,供读者参考。注意:在电视机、音箱等发声体上直接悬挂“笑脸”时,最好像图1-9(a)或图1-9(c)所示的那样,采用一个漂亮的吸盘式塑料或硅胶小挂勾,这样既移动灵活,又不会破坏家电的外壳。
由于“笑脸”电路在安静的环境下,发光二极管VD1、VD2均不发光,整个电路静态耗电很小,实测静态总电流≤0.46mA,所以电路未设置电源开关。一般情况下,该“笑脸”每换一次普通的新干电池,可连续使用1~2个月时间。如长时间不使用“笑脸”挂件时,只要将干电池G从背面的电池架上取下来即可。

图1-9 几种应用情景
(此处已添加圈子卡片,请到*今条头日**客户端查看)