朋友们大家好,我是大俵哥,今天我们来看 一下直流电机的正反转控制电路,首先我们分析一下电路图。

电路图

三部分
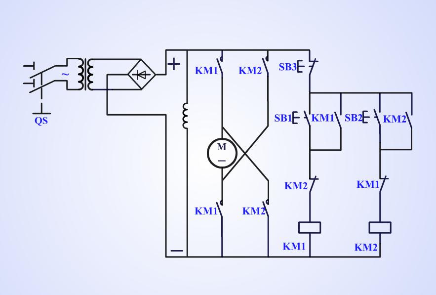
电路图分为三部分,整流电路主电路和控制电路。整流电路我们要根据电机选择合适的整流变压器,直接单相电输入直流电输出。

整流变压器
这种直流电机只需要把供电的正负极对调就可以实现正反转,所以我们可以用两个接触器互锁实现控制。电机的电源线在两个接触器上要对调一下,这样输出端才能实现正反转控制。

按下SB1
图中的红色线为电流的走向,这是按下正转按钮SB1的效果,按下的瞬间KM1线圈得电,KM1的辅助常闭点断开使得KM2无法工作,KM1和KM2形成电气互锁。KM1自身的常开点闭合给线圈供电,所以松开按钮SB1以后,KM1自锁持续工作。电机的电源接的是KM1的主触点,主触电闭合电机正转。

按下SB2的效果
需要先按下SB3停止正转再按SB2,按下的瞬间,KM2自锁,KM2的常闭点断开使得KM1无法工作。同时主触点闭合,电机反向运行。

待机状态
不用的时候要把QS断开,不然整流电路是一直工作的,还有就是正转和反转的切换一定要断电减速。

实物接线
上图为实物接线,要点就是两个接触器的互锁。利用的是接触器的辅助常闭点串彼此的工作线圈,实际应用中最好按钮开关接成机械互锁,双重互锁更加的安全。

欢迎点评留言
(图片采集自网络)