作者通过对一起小电流接地系统中因单相接地,引发二相异地接地短路,最终形成三相异地接地短路事故实例的故障录波及故障现场信息进行辨识,分析了故障产生的原因,提出了相应整改措施和建议。
在小电流接地系统中,当电网发生单相接地故障时,三相之间的线电压保持对称,允许继续运行一段时间。由于单相接地后健全相电压升高,在绝缘薄弱处可能因电压升高而被击穿放电,形成不同地点的两点接地短路。笔者对一起小电流接地系统故障实例的故障录波图、现场测量数据及保护动作情况进行分析,得出因单相接地,引发二相异地接地短路,最终形成三相异地接地短路的事故原因;通过对异地短路原因的分析和验证,提出了相应整改措施和建议。
1 事故简述
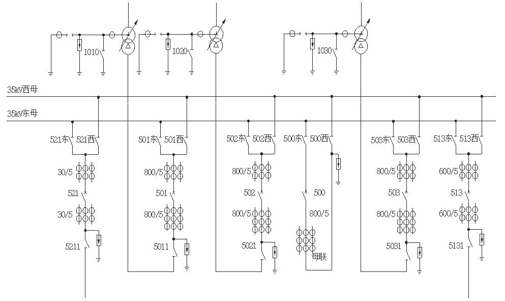
9月6日,某区域阴有小雨。11时51分,某110 kV 变电站521出线柜发生故障导致35kV西母失电事故。某110kV变电站一次系统接线简图如图1所示。

图1 某110kV变电站一次系统图
事故后供电单位组织高校、科研单位及厂家的技术人员,通过现场勘察、录波数据分析、拆卸查看等技术手段,形成事故分析报告如下。
事故发生时刻:9月6日11时51分28秒999毫秒(将此时刻作为事故起始0ms);
(1)0ms:521出线柜负荷侧B相CT发生单相接地故障;
(2)18ms:513线路C相发生单相高阻接地,形成二相异地接地短路故障;
(3)30ms:513线路A相发生单相高阻接地,形成三相异地接地短路故障;
(4)45ms:521出线柜母线侧A相CT发生单相接地故障,短路电流加大;
(5)75ms:521出线柜母线侧CT形成三相电弧短路故障,同时513线路接地故障消除;
(6)107ms:521出线柜保护动作,断路器跳闸结束;
(7)1901ms:母联500开关跳闸,东母供电恢复正常;
(8)2180ms:1#主变501开关跳闸,西母停电。
2 事故详细分析
2.1 B相单相接地阶段(0-18ms)
521出线柜负荷侧B相CT发生单相接地故障,判断依据如下:
(1)根据故障录波图(如图2所示)两条竖线之间波形判断:B相二次相电压下降到35.3V(61%),A相电压上升为112.8V,C相电压上升为88.5V,符合B相接地故障特征;521线路B相出现尖峰,符合电容电流流过特征;
(2)根据事故后勘察现场,发现521出线柜负荷侧B相CT下部出现裂缝(如图3所示),为典型击穿接地特征,负荷侧A、C相CT绝缘则只有下降。如表1所示。

表1 521出线柜负荷侧CT绝缘数据
(3)根据视频监控显示首先在柜下部出现弧光。

图2 521出线柜负荷侧CT-B相接地阶段

图3 521出线柜负荷侧B相CT
2.2 BC两相异地接地短路阶段(18-30ms)
由于B相接地导致A、C两相电压升高,出现513线路C相发生单相高阻接地故障,形成B、C两相异地接地短路。此时513的C相及521的B相流过两相接地短路电流,B、C两相电压下降至较低值(B相二次相电压降至3%,C相二次相电压降至40%)。如图4所示:

图4 BC两相异地接地短路阶段
2.3 ABC三相异地接地短路阶段(30-45ms)
由于B、C相接地导致513线路A相发生单相接地故障,形成A、B、C三相异地接地短路。此时513的A、C相及521的B相流过接地短路电流,A、B、C三相电压下降至较低值(A相降至1.7V,B相降至1V,C相电压降至20V)。如图5所示。

图5 ABC三相异地接地短路阶段
2.4 三相异地接地短路阶段(45-75ms)
三相接地过程中引发的过电压引发521母线侧A相CT发生击穿,加剧了三相短路的短路电流。此时A相存在513、521母线CT两个接地点,B相为521负荷侧CT接地,C相为513接地。如图6、图7所示。

图6 521柜母线侧母线侧CT录波

图7 521柜母线侧负荷侧CT录波
事故后勘察发现,521柜母线侧A相CT损坏严重,出现下部击穿现象,监控录像可看到A相击穿。如图8、图9、图10所示。

图8 事故视频监控截图

图9 521柜母线侧A相CT构架

图10 521柜母线侧A相CT壳体
2.5 521柜母线侧CT电弧短路阶段(75-2180ms)
521柜内母线侧CT由于三相接地短路过程中出现的电弧及引发的接地过电压,导致521母线侧CT弧光短路并相继对地击穿,形成了西母线三相弧光短路。同时由于521柜内母线侧CT相继击穿,起到接地引流效果,导致513接地自恢复。如图11所示。

图11 521柜母线侧CT录波
事故后勘察发现521出线柜母线侧B、C相CT出现绝缘下降现象。521出线柜母线侧CT绝缘数据如表2所示,现场CT如图12、图13所示。

表2 521出线柜母线侧CT绝缘数据

图12 521出线柜母线侧B相CT

图13 521出线柜母线侧C相CT
事故后勘察发现,521柜母线侧CT一次铜棑、隔板均出现横向和纵向拉弧痕迹,C相出现对柜壁放电现象。如图14、图15所示。

图14 B、C相出现纵向放电痕迹母线侧

图15 CT对柜壁放电,造成柜壁击穿
在该阶段,521柜内断路器动作。如图16所示。

图16 521柜负荷侧CT录波
3 保护动作分析
3.1 开关保护整定
(1)主变低后备保护:35kV侧CT变比:800/5,保护配置及定值如表3所示。

表3 主变低后备保护配置及定值
(2)513出线柜保护:CT变比:600/5,保护配置及定值如表4所示。

表4 513出线柜保护配置及定值
(3)521出线柜保护:CT变比:30/5,保护配置及定值如表5所示。

表5 521出线柜保护配置及定值
3.2 保护跳闸情况分析
(1)以单相接地事故发生时刻:9月6日11时51分28秒999毫秒(将此时刻作为事故起始0ms);
(2)107ms:521出线柜过流Ⅰ段保护动作,断路器跳闸结束;
(3)1901ms:1#、2#主变低后备复压过流Ⅲ段动作,母联500开关跳闸,东母供电恢复正常;
(4)2188ms:1#主变低后备复压过流Ⅳ段动作,501开关跳闸,西母停电。
3.3 保护启动情况分析
(1)513保护先于521保护13ms启动,但未达时间整定值,未跳闸;
(2)1#、2#主变同时启动,跳开母联后,2#主变保护返回。
4 结论
35kV 系统是不接地系统,单相接地本不足以影响变电站运行。本文对事故过程进行了初步的分析,本次事故为521柜负荷侧B相CT绝缘击穿,引发513线路C相和A相先后出现高阻接地,导致513线路先后出现两相、三相异地接地短路故障,521柜母线侧A相CT绝缘击穿,最终导致521柜内母线侧CT短路,引发母线短路。110kV变电站各继电保护动作正确。
建议供电单位核查同批次CT绝缘,检查110kV变电站各线路绝缘薄弱环节,运行中重点监控。对110kV变电站设备加强试验,清洗浮尘。使用红外成像仪检测运行电气设备内部绝缘故障。调整运行方式,缩小事故后的影响范围。加强内部管理,深化安全技术会诊和隐患排查工作。
本文编自《电气技术》,论文标题为“基于故障信息的异地接地短路故障辨识与分析”,作者为耿东勇、赵桂娟。
电气二次回路识图基本知识 控制回路识图 中央信号 变电站互感
¥56.7
购买