石材装饰的前期石材加工排版尤为重要,它直接影响到整体的铺装效果,今日小编以景观石材排版为例,教给大家如何有效有效运用CAD达到精细排版效果,希望能够帮助大家在景观石材排版上以后所帮助!

本文案分四大步骤进行解析:
一、认识美——初步了解石材排版
二、研究美——熟识石材排版规范及要求
三、创造美——熟悉掌握排版工具—CAD
四、反思——石材排版常见问题
一、认识美——初步了解石材排版
»初识石材排版











为什么要石材排版?
由于原设计图纸中石材拼贴设计的不合理或精细度不够,施工前我们有必要对石材拼贴方式进行进一步深化设计,从而充分达到石材的高效利用,增加图纸落地性,并且提高景观的精致度。
1、提高景观的落地性,降低风险。
2、提高景观精致度、美观度。
3、优化工艺,降低施工难度。
4、降低成本,避免浪费。
二、研究美——熟识石材排版规范及要求
» 石材排版思路
1、提前规划好所有的排板布局模数,考虑平面及与立面交口及对缝关系,综合考虑材料的出材率及石材加工、现场找料及安装难度。
2、需做到比石材厂的料单还细,减少石材厂与项目的沟通和二次排板的时间成本,同时使供应商报价更为标准统一及准确。
3、检查图纸所涉及石材的尺寸规格,根据项目风格确定排版思路(如:法式风格多采用对称式,中式则多采用规整式铺装;园路的曲直、场地的造型关系不同,由此产生的填芯和对缝方式也不同),然后调整图纸,做半径、尺寸标注。
目的①、将道路半径进行归类或统一,减少异形材料的多样性,方便下料、开料及施工。
目的②、调整尺寸,避免半块材料(或碎料)的出现,使饰面材料完整。
4、对需要排版的平立面图纸等进行全图铺装填充,避免漏项。目的①、将饰面材料达到拼缝对齐(或体现拼缝之间的逻辑关系)、铺装模块完整的要求体现出来。
5、对异形材料进行大样标注(在异形材料所在位置的就近空白处)。
6、对石材进行编号,按照不同节点进行出图编号,做好索引,避免漏项,方便查找。
***法式园林

法式园林属于平面图案式园林。中央主轴线控制整体, 辅之以几条次要轴线, 外加几条横向轴线。所有这些轴线与大小路径组成了严谨的几何格网, 主次分明。
此类项目对铺装排版的轴线对称、铺砖轴线的延续性有较高要求,铺装填芯多采用45°斜铺。
***新中式园林



从新中式景观的思维来看,铺装形式是由意境决定的,好的铺装恰如其分,不夸张、不造作、不粗糙,与整体融为一体,宛如天成。
传统园林里的铺装往往过于繁琐和图案化,工艺上和审美上已经跟不上时代的需求,新中式景观中铺地要服务于整体环境既有变化又能统一,铺装形式越来越简洁是大的趋势。故铺装多采用规整式铺装。
» 石材排版要求
1、难点区块:
对称线、各类水池、泳池、树池异形压顶,建筑连接部位、架空层、波打对缝等。
2、排版要求:
1)、同一个项目中不出现多种相似规格,料单石材要求整尺寸排模,整尺寸加工。
2)、仔细核查竖向图纸,避免侧面板下料漏项。
3)、甲供材料要在图纸中显示并标注清楚工程部位。

4)、石材加工要求精度,一般为+0,-1;根据甲方要求是否做石材防护(水性、油性)。
5)、异型石材或镶嵌铜铁艺条带的石材在厂家粘贴好后,方能进场。
6)、矿山订板到北京加工厂时间基本为15天以内(除*疆新**板),其中山东板到京7天,福建板到京船运10~15天,汽运5天。

7)、毛板切成工地所用板材其锯缝宽度为3mm/每刀,即600头板正常可以出材61宽,故较为经济的成材规格为200、300、600,其上下浮动10mm以内出材率最高。
8)、地面大面铺装不能使用光面,黄锈石、黄金麻慎用烧面,丰镇黑不能使用荔枝面, 654、614最好用烧面等。

9)、干挂石材和表面为荔枝面、剁斧面等需要使用敲击工艺的材料厚度不能低于25mm。
» 料单规范-版面要求
1、封面标准:
封面尺寸规格要求为A3幅面;横向格式;注意填写工程名称及日期。
2、图框标准 :
尺寸规格:要求为A3幅面;格式:采用横向格式。注意标题栏的填写;图框中要求所有的相关人员必须签字。
例如下图模板:

3、分隔框:
规格不同的图形必须用分隔框分隔。
4、Excel料单格式:
带有星河LOG的公司标准料单。

5、图号:
加工图的图号必须和Excel料单表格里的图号完全相符,字体为宋体,规范整齐。
6、材料表格:
表格内容包括:材料编号、材质、长、宽、厚度、数量、备注,字体为宋体。

7、比例:
CAD模型中1:1制图。
8、布局:
在A3图框内合理编排图形及料单表格。

» 料单规范-制图标准
1、图形:
异型加工的材料必须绘制平面、立面、剖面图、材质索引图以及安装图。在明显位置列出石材料单,包含图号、序号、材质、规格、使用部位、备注;花岗岩、大理石、板岩等应分开列表。

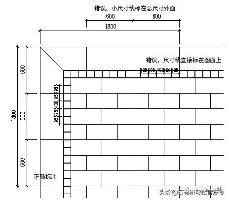
2、尺寸标注:
(1) 尺寸文字标注于图样轮廓线以外,不得与图纸、文字及符号等相交。
(2)互相平行的尺寸线,应从被标注的图形轮廓线由近向远排列,小尺寸线应距轮廓线较近,大尺寸线应距轮廓线较远。
(3) 尺寸文字标注字体的大小必须与图形相匹配。

» 下料细节-填芯
1、填芯(对缝、工字缝、45°斜铺)
①、填芯讲究对缝或工字缝:一块或几块填芯与波打对缝,填心石材之间的工字铺等。
②、填芯45°斜铺:为避免出现小块石材,通常在不影响整体格局下,可对平面尺寸进行适当扩大或缩小,石材刚好合(整块或半块)。
③、填心如非必要,尽量大面使用同一规格石材,只在收边或局部使用其他规格石材,减小施工难度。
④、如不可避免出现小块,要求小块必须≥二分之一整块。


» 下料细节-波打
1、转角形式:锐角转角、钝角转角和直角转角。对缝方式为45°对缝、直角缝或异形板。要求转角处两边斜边、角度和缝口必须对称等分。建议压顶转角采用整块石材,45°易崩角。
2、如有小料石收边,为增强效果,可留8mm或10mm缝。

3、平台、园路不管形式如何、波打线有几圈,要求波打线等分,对缝。

三圈波打严格对缝
4、不管任何形式的铺装,周边都能找到相应的对缝、错缝关系,一般保留主饰面材料为规格板,通过调整波打线的尺寸来达到相应的关系。同心圆铺装只要求波打线对缝或工字缝;弧形园路主饰面不要求对缝;直线形园路需对缝。


5、石材间收口排版(波打线、压顶)转角交接位置可采用“T”形板。

交接可采用“T”形板
»下料细节—异形板
1、形状为弧形时,如规格板不能满足景观需求,则采用弧形加工(也可用梯形板)。弧形尺寸需标注两弧长、半径长。
2、当压顶形式较为复杂,为保证安全或节约成本,在不影响效果同时,可把整打石材改为拼接板。



»下料细节—立面转角方式
1、立面石材施工工艺一般有:
湿贴、湿挂及干挂。依据构筑物结构及安全性和施工工艺,合理确定立面石材厚度,如干挂至少要求石材厚度不能小于25mm。
2、立面转角方式:
①、45 °角拼接:
一些异形线脚,为保证美观,常用45°角拼接,但切角容易损坏 ,不提倡采用。

②、海棠角拼接:
立面转角常用海棠角拼接,不仅减少石材损坏,且能保证景观效果。海棠角宽度依据设计图纸和构筑物体量、板材大小确定,控制在3-8mm,一般采用5mm,下料时需加注海棠角,完成后做打胶处理。

③、直角拼接:
加工及施工方式简便,但为了追求美观,需对交接缝隙仔细处理,一般不提倡。

»下料细节-立面对缝或工字缝;倒角、凹槽
1、对缝或工字缝
立面石材一块或几块与压顶对缝或工字缝,如不可避免出现小块,则把小块放到边角处。注意控制立面与地面石材间的对缝关系。


2、 倒角、凹槽(处理建议,仅供参考)
①、倒角:一些特色景墙,为弱化石材缝隙对视觉感观的影响,可对石材四边倒3mm斜角,增强凹凸感。


②、凹槽:压顶与墙面立面交接,为避免对缝隙的处理,立面石材可适当增加凹槽,如20*10mm。
三、创造美——熟悉掌握排版工具—CAD
»石材排版工作—CAD
1、排版常用CAD命令

»具体排版应用示例
1、如何快速填充指定尺寸方格?
H—用户定义—双向—间距(输入所要石材规格)—选择对象/添加拾取点—单击以设置新原点(设置铺装排版起始点)



2、如何填充200*100工字铺石材?
1)、填充工字铺图案 H—预定义—其他预定义—选择对象—选择工字铺图案(默认填充图案)—边界—确定
2)、修改填充比例 CO(复制原填充图案)—(SC—R)(参照缩放,选取石材长边两点,输入200)—MA(格式刷)
3)、双击更改过图案 200*100的工字铺比例设置应为82




3、弧形路工字铺石材排版如何操作?
1)、块定义B 根据道路宽度定义块,例如道路3000mm,定义3000mm长块,拾取点 —选择线段中点

2)、定数等分弧形线段DIV (根据中心弧形长度/每个块想要设定的长度=份数)— B (输入块名)—输入份数

3)、细分 —定数等分块 B+DIV (对局部单元弧线段进行分隔)

4)、在位编辑块 +REFSET 绘制单元块工字铺

4、如何快速给石材编号?
充分利用块定义B — 通过块对石材进行合理分隔,并在块内编号



5、如何自定义一个填充图案?
图块图案—图案管理—新建直排图案—输入名称— 选择对象— 选择基点—输入横向距离—输入纵向距离



»石材排版具体案例分析一
节点与园路排版关系

原图纸排版分析:
1、45度斜拼填芯与边带未形成对缝关系
2、相邻铺装排版未形成对缝排版关系

优化排版后:
1、填芯铺装与边带形成对缝关系
2、园路铺装与节点铺装形成对缝关系 (具体操作详见排版演示)
»石材排版具体案例分析二
坐凳石材排版


»石材排版具体案例分析三
圆形节点铺装排版

原图纸排版分析:
1、园林构筑物与铺装没有轴线关系
2、弧形分隔条带间没有关系
3、圆形铺装分隔与台阶分隔无关系

优化排版后:
1、圆形铺装与构筑物形成轴线关系
2、石材采用全部对缝放射状排版
应用CAD命令:
1、RO—R(参照旋转命令)
2、B块定义
3、环形阵列

石材编号(具体操作详见排版演示)
»石材排版具体案例分析四
弧形廊架底部铺装排版分析

原图纸排版分析:
1、铺装边带无对缝关系
2、45度铺装填芯与边带交接处碎料太多
3、填芯铺装排版与弧形无

优化排版后:
1、铺装边带形成对缝关系
2、通过弧形铺装填充规避掉原设计填充出现碎料
应用CAD命令:
1、DIV定距等分
2、B块定义
3、MI镜像
»石材排版具体案例分析五
水景景墙排版分析

重难点分析:
1、水景景墙标高不同、前后错位关系易造成图纸阅读困难。
2、镂空景框架内侧石材排版易遗漏。
3、水景墙水下部分贴面石材提料易。
4、跌级水景涌泉口位置与石材关系。
石材排版具体案例分析六
廊架石材排版—阅读有效结合平,立,剖面图,对廊架分解进行排版提料工作,注意海棠角提料及异型石材放样图。






四、反思——石材排版常见问题
»排版—现场条件复核


1、现场尺寸复核
排版工作的初衷是为了优化成本投入、降低现场施工难度并提高景观效果而做的工作。
景观施工图纸中由于建筑施工图与景观施工图结合不紧密,导致现场构筑物在景观图纸中的尺寸、定位、标高等存在偏差,与构筑物或类似节点必须现场进行尺寸复核,才能保证排版图的落地性。


2、石材信息核实
由于近年来石材生产、加工受政府政策限制影响,货源供应、加工周期存在众多不确定性,因此及时核实石材市场信息,规避无法满足施工供应要求的石材了,了解可替换类似石材的信息是铺装排版、下料一项重要环节。
»排版—道路竖向高差较大



1、结合竖向图纸进行排版
排版图绘制中,坡度较大的道路铺装若只考虑平面关系而忽略掉坡度产生的高差,会导致现场施工中石材衔接不上,无法按照排版图进行施工,甚至导致石材的加工错误给我方造成不必要的损失。
正确的排版图应结合竖向标高图进行绘制,在石材规格的编制上由于石材加工精度、基层施工质量和石材铺贴工艺等多种因素的制约限制,建议预留部分加大板用于现场切割调整保证石材铺装衔接。
»排版—台阶挡墙问题

1、踏步侧面线条
踏步的侧面线条样式需与正面一致。


2、台阶收头
根据具体情况为满足踏步收头的完整性对于楼梯踏步的间距及尺寸可进行适当的微调。

3、踏步侧面线条
平面铺装撞至立面时,铺装与立面交接部位注意尺寸复核。
»调整尺寸、避免小碎料出现


1、尺寸调整
无须过分拘泥于数字,要尽可能根据板材的模数去指导实际施工,以保证园路、铺装施工便利性和完整性。

2、避免出现小板
避免出现小于规格板1/3的小板,通过合理模数及尺寸调整优化小板或使用加长板。
»整合石材规格、减少石材模数

1、减少模数
为保证铺装对称、对缝,尺寸规格、感官视觉上的协调统一,现场铺装排版后往往尺寸模数较多,而且相近尺寸尺差较小,施工阶段无法区分,实际施工中应用不上,造成排版图“纸上谈兵”,无法正确指导施工,导致成本上涨,石材加工周期变长,为了避免这一情况,应全方面周全考虑。
1)、排版图结合铺装留缝要求,石材加工误差情况。
2)、优化铺装模数,在保证必须满足的关系下(中轴对称、不出现大小板)优化铺装模数,做到尺寸排模,整尺寸加工。
»弧形排版应尽量做到周长等分图


弧形压顶+侧立面排版
弧形压顶排版应采用定数等分进行排版,侧立面依据具体情况,考虑到经济性,经过排版后侧立面可采用非弧形板拼贴。
»石材排版与管线井盖对应关系

1、排版必须考虑化妆井盖
铺装石材排版遇到井盖位置需继续延续铺装肌理


2、灯具、喷泉点位预留
仔细核查图纸,明确预留口尺寸,保证点位对称、居中。
注:来源于网络
由石材研习社整理编辑
仅供学习参考!