典例4:GA=10N,在分别沿不同方向的拉力作用下,物体A匀速向上运动,不计绳重和摩擦,那么图1和图2中F1、F2和F3的大小关系是什么?
解析:

图1是用定滑轮提起同一重物,沿不同方向的拉力都相等,
即F1=F2=F3=GA=10N。

图2使用动滑轮提重物,如果改变力的方向,力的大小会改变。只有当拉力的作用线与阻力作用线平行时最省力,改变拉力的方向,拉力变大,故F1=10N<F2<F3。
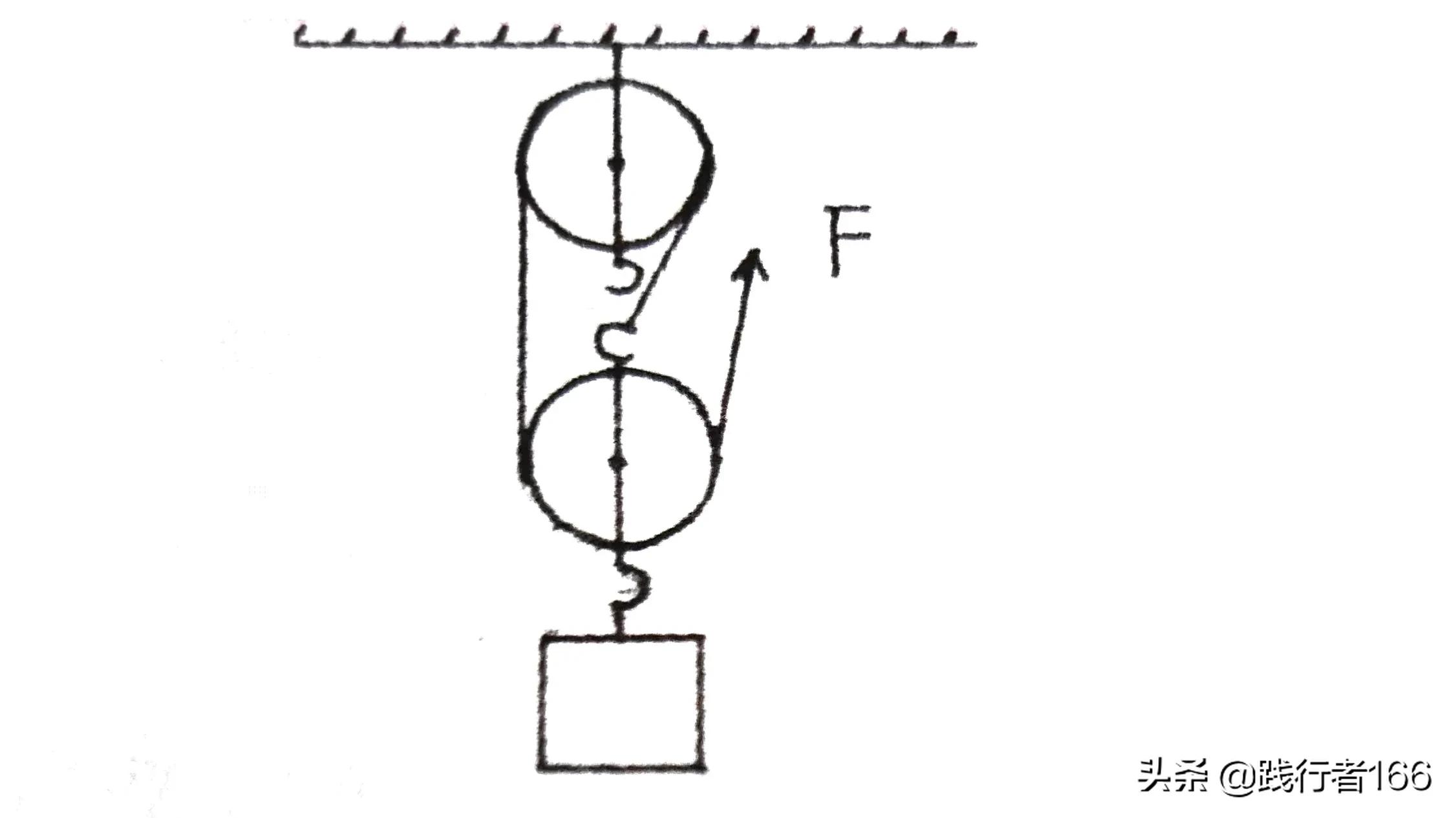
典题5:已知G轮=20N,G物=100N,经过10S,重物被提升3m,装置如图。求:
拉力F、V绳、S绳。

解析:1判断绳的个数n:
1.1这是一个由1个定滑轮和1个动滑轮组成的滑轮组;
1.2n的判断只看动滑轮,即数直接与动滑轮相连的绳子的股数,其中绳子自由端方向向上的要数上,如下图所示,则n=3;

1.3求拉力,易知F=G轮+G物/3=40N;
1.4求物的(平均)速度V物,由已知条件可知,S物=3m,t=10s,
则V物=S物/t=3m/10S=0.3m/s;
1.5求绳的速度,易知V绳=3V物=0.9m/s;
1.6求绳子自由端移动的距离,易知S绳=V绳xt=0.9m/sx10s=9m,或者S绳=3S物=9m。
小结:1动滑轮上承担重物的绳子股数n
1.1只数直接与动滑轮相连的绳子的股数,
1.2若绳子自由端方向向上,也要包括在内。
1.3例举:


2若滑轮组水平放置,则省力情况为
F=f/n,f为物体受到的滑动摩擦力。
例:如图,当匀速拉动物体时,F=f/3。

3移动速度:V绳=nV物,,V绳为绳子自由端移动的速度,V物为物体移动速度,n为绳子股数。
4运动距离:若物体升高h,则绳,子的由端移动的距离 S绳= nh。