贵向泉1,2, 郭志礼1, 杨裔2,3,秦炳峰4
1 兰州理工大学计算机与通信学院
2 兰州大学旅游信息融合处理与数据权属保护文化和旅游部重点实验室
3 兰州大学信息科学与工程学院
4 甘肃省文化和旅游厅科技信息处
贵向泉, 郭志礼, 杨裔, 等. 基于区块链技术的旅游积分通兑系统设计[J]. 大数据, 2023, 9(2): 147-162.
[左上]欢迎引用[左上]
旅游业作为我国国民经济战略性支柱产业,是一个贯彻“创新、协调、绿色、开放、共享”新发展理念的关键领域。随着国民经济水平不断提高、信息技术飞速发展,旅游服务业的产业链在不断延伸,行业服务不断深化。2020年文化和旅游部、国家发展和改革委员会等十部门联合印发《关于深化“互联网+旅游”推动旅游业高质量发展的意见》,该意见指出要 坚持技术赋能,深入推进旅游领域数字化、网络化、智能化转型升级 。
旅游目前已成为人民大众化与常态化的生活需求,为了提升旅游服务质量、增强游客消费黏性、降低推广营销成本,大部分商家建立了客户忠诚度计划。积分制度作为一种增强用户活跃度与忠诚度的重要营销手段一直被广泛使用,尤其是在航空、酒店、在线旅行社(online travel agency, OTA)等用户群体广泛的行业。但现有积分系统通常存在以下问题。
● 积分系统流通性差 。商家发行的积分只能在其内部体系中使用,无法进行积分跨平台转让、消费等操作。用户通常同时拥有多个平台、不同种类的积分,这些积分通常由于未达到使用条件而闲置。虽然部分商家通过增加积分的功能来扩大使用范围,但依旧无法实现积分跨平台流通,形成真正的积分兑换自由。
● 中心化积分体系无法保障用户权益 。用户目前只能在商家建立的体系下使用积分,而商家随意变更积分的使用规则和累计制度都会对用户权益造成损害。积分系统的不透明性导致部分商家随意扣除用户积分,造成用户对积分制度失去信任。用户在中心化积分体系中处于劣势,存在维权难的问题。
● 积分生态系统维护成本高 。积分系统从开发、运营到推广都需要投入大量的人力和资金,而中小商家难以维系这些开支。在中心化积分体系下,商家之间要实现积分的流通也需要设立专业的部门,这无疑会增加运营成本,阻碍积分业务发展。
针对以上问题,提出了 基于区块链技术的旅游积分通兑系统 。区块链技术是提供业务服务与数据存储服务的基础技术,利用其去中心化、不可篡改、安全可靠等特性,形成一个集游客、景区、交通、住宿等相关用户共同参与的联盟链。 系统主要有以下3个优势。① 基于区块链技术实现旅游积分通兑系统,利用区块链技术解决了传统积分系统中流通性差、用户权益无法保障等问题, 保障了用户的安全性、公平性、隐私性 。 ②利用智能合约技术实现积分自由流通 ,系统中积分以法定货币为价值锚定,通过代币的形式发行,具有减少商家之间清算步骤、降低积分系统维护成本、提高积分使用效率、扩大积分使用范围等优势。 ③设立监管方角色 ,对系统中的交易进行监管,监督并规范用户的交易行为,处理用户在交易过程中产生的问题,防止违规交易发生,防范、化解交易风险。
1 市场调研与相关研究
1.1 国内外旅游积分市场现状
在国内旅游积分市场中,部分省市已做出新的探索与模式创新。作为“国家文化和旅游消费示范城市”的 南京市 通过政府牵头搭建了南京文旅消费积分共享平台,基于演出剧目试点打通了演出领域票务平台,实现了平台之间的积分互通。消费者在这些票务平台购买南京文化消费政府补贴剧的门票后,消费的金额将形成消费积分,在购买与文旅相关的产品时可抵扣消费金额。通过积分补贴实现了对票价的二次折扣,有效吸引和激励了消费者的可持续消费,2017—2020年南京市演出市场积分二次消费率高达34.6%。 河北省唐山市 则联合图书馆举办了“阅读赢积分·免费游景区”的活动,唐山市民通过借阅图书、参与图书馆举办的网上活动及志愿服务等形式获取积分,当积分满足使用条件后即可兑换景区门票。该活动吸引更多读者走进景区,景区也在服务中心通过展板宣传图书馆官方账号,在图书馆与景区之间形成良性互动。
国外旅游积分市场主要以信用卡积分为主 ,如美国大通银行推出的大通蓝宝石首选信用卡(Chase sapphire preferred card)针对旅游服务提供高额的积分回报。用户通过在银行指定的平台消费旅行服务即可获得多倍积分,积分可以在与银行合作的航空公司和酒店之间按比例通兑,也可以按固定价值兑换成现金。在通过第三方平台实现旅游积分通兑的案例中,积分交易平台的用户可以将自己多余的航空里程积分或酒店积分进行交易、互换,包括航空、餐饮、金融、零售、旅行等领域的忠诚度计划积分。虽然国内外旅游业积分系统已有一些应用案例,但是积分的使用范围和流通性普遍具有局限性。
1.2 区块链概述
区块链的概念最早由中本聪于2008年在*币特比**白皮书中提出,该研究设计了一种点对点的电子支付系统用于解决中心化支付系统带来的效率低、成本高、可靠性差等问题。区块链技术在分布式系统、共识算法、密码学、P2P网络、智能合约等技术之上组合而成。区块链网络建立在点对点的网络中,由网络中的各个节点共同参与维护。系统按照时间顺序将一定时间内的交易打包并存储在一种链式数据结构中,利用散列函数和默克尔(Merkle)树保证数据不可被篡改。打包后的区块通过共识算法同步至各个节点,使整个系统中的分布式账本保持一致。区块链作为分布式系统增强了系统的稳定性,在其中某个或部分节点出现问题无法正常工作时,其他节点也能保障系统的稳定运行。
区块链具有去中心化、不可篡改、安全可靠的特点,根据开放范围可分为公有链、联盟链、私有链 。公有链是指对所有人开放的区块链,任何人都可以使用区块链中的服务,通过共识机制共同维护区块链数据,其去中心化程度最高。公有链最大的特点是通过激励层来奖励维护网络的节点,如*币特比**、以太坊、企业操作系统(enterprise operating system,EOS)等。联盟链是某些组织或者机构共同参与管理的区块链,链上数据只能由组织内成员进行读写。联盟链具有吞吐量高、交易成本低、安全性高等特点,但是相比公有链,其去中心化程度较低。私有链多用于公司或组织内部,其交易速度最快、隐私性最强。目前区块链技术已被广泛应用于金融、政务、电子商务等行业,如供应链金融服务平台、区块链电子证照平台、可信溯源平台等。区块链技术已经成为打通产业信息价值流通与信任协作的基础。
1.3 区块链技术在旅游业与积分系统研究应用现状
目前,很多学者对区块链技术在旅游方面的应用进行了不同程度的研究。例如,黄先开在分析了国内外文献及产业现状后指出,区块链技术在旅*行游**业的信息管理、旅游共享经济体系构建、顾客忠诚管理等方面的应用将 重塑旅游业模式 。华萍通过实地调查和文献分析,针对文旅行业的诚信问题提出了基于区块链技术的 文旅产业诚信管理平台 ,解决文旅产业诚信管理中监管难度大、信息共享不足、创新保护机制缺乏的问题。Luo L等人提出了一个基于区块链的 智能旅游平台 BlockTour,利用区块链技术的特性在游客和景区之间建立了可信平台,并设计了一种基于参与证明的共识算法来激励游客探索更多的景点。徐晓林等人分析了目前旅游服务存在的问题和 区块链技术的应对优势及创新前景 。杨振之等人较为深层次地讨论了智慧旅游背后的知识共享机制,通过区块链技术构建去 中心化的知识共享联盟链 ,使所有利益相关者都能获得知识。朱嘉瑶等人针对旅游业“大数据杀熟”的问题提出了 基于区块链的多方价格制约机制 ,以解决旅游过程中信息不对称的问题,提高游客对旅游业的信任度。Rashideh W分析和对比现有区块链技术在旅游业中的应用后,指出 将来区块链会引领旅*行游**业去中心化进程 。Rejeb A等人讨论了区块链技术在解决旅游业长期存在问题方面的潜在能力,提出了 区块链技术可能改变旅游业发展和消费模式的创新性方案 。Ozdemir A I等人提出了一个区块链应用标准集,通过区块链治理模型、区块链平台、共识类型、加密货币的使用、智能合约和代币等指标对旅游业中的 分布式应用 进行了案例分析。Bodkhe U等人提出了名为BloHosT的 智慧旅游区块链框架 ,该框架在旅游服务中为游客提供了数字加密货币支付服务,并且通过深度学习技术根据以前旅行者的经历向潜在旅行者提供旅行地点推荐服务。
在区块链积分系统方面,Agrawal M等人提出了 基于区块链的通用忠诚度计划平台 ,将个人分散的忠诚度积分(loyalty points)整合成一个统一的平台,允许积分在个人之间进行转移和交换,并促进全球各公司之间的品牌合作。Pramanik B K等人利用Hyperledger Fabric区块链平台建立了一个 分布式积分交易系统 ,系统通过智能合约在链上完成积分交易后同步至链下应用,对现有积分体系进行扩展,无须再建立一个全新的系统。Sönmeztürk O等人基于以太坊区块链提出了符合ERC20标准的 忠诚度计划 ,用户将积分转换为以太币进行流通,并且只需要一个以太坊钱包即可管理所有会员积分服务。Agrawal D等人概述了传统忠诚度积分系统的现状和面临的挑战,分析了区块链技术为忠诚计划提供解决方案的可能性。Liao C H等人提出了一种 基于区块链的跨组织综合平台 ,用于发行和兑换奖励积分,该系统基于以太坊进行搭建,使用智能合约发行奖励积分,并存储交易记录和平台日志,最后通过模拟实验测试了系统的效率,证明了系统的稳定性。凌飞等人针对传统数字积分机制存在的问题,提出了 基于区块链的企业联盟共享数字积分管理机制 ,实验结果表明,在保证用户积分数据安全、企业联盟数据共享的前提下,此机制方便了用户的使用,降低了企业的管理成本,具有实际的可行性。Dominguez Perez L J等人设计了 基于区块链平台Waves的忠诚度计划 ,通过平台的公共节点实现一个去中心化积分交易所,但是每次交易存在固定的费用。
在区块链和旅游业结合的相关研究中,有些学者结合旅游业中存在的问题,分析了区块链技术在行业内的应用前景和可能带来的模式创新。有些学者针对旅游业中存在的具体问题提出了解决方案,并进行实验验证。在区块链结合积分应用的研究中,部分学者根据积分的实际应用场景及技术特点提出了不同的解决方案,并通过实验测试了系统的可行性,为后续研究提供了参考。但是目前的研究成果还 存在以下3个问题。 ①适用于旅游业的积分通兑系统目前还 未见研究成果 。②现有积分通兑系统 无法适用于国内商业环境 。目前,有国外学者通过公链以太坊建立了积分通兑平台,但是在交易以太币的过程中需要用户支付手续费,无形中增加了用户的使用成本。并且与虚拟货币相关的业务活动在我国属于非法金融活动,虚拟货币的交易行为是被禁止的。③目前基于区块链的积分通兑系统 缺乏监管机制 ,用户在交易中发生违法、欺诈等行为时无法有效维护自身利益。
2 旅游积分通兑系统设计
2.1 系统设计目标
基于区块链技术的旅游积分通兑系统的主要目的是打造一个为旅游产业服务的积分通兑平台,健全旅游市场的数据价值体系,进一步激发市场的潜在活力。本文在设计系统时主要从以下几个方面进行考虑。
(1)流通性
本文首要解决的就是积分流通性差的问题, 合理高效的积分通兑平台是该系统应用的关键 。在设计时主要考虑现有旅游积分平台的使用场景与应用范围,使系统可以兼容现有积分体系,打通不同商家之间的积分壁垒,实现积分的自由流通,使沉默积分发挥价值,进一步激发行业合作发展潜力。商家之间的积分兑换功能是整个系统的基础,是实现积分价值流通的关键。在发行积分时需要考虑到积分的发行权限和价值锚定,否则会引起积分超发,导致积分通兑平台出现积分贬值等问题。可以通过智能合约实现积分发行、积分清算、积分转移等积分流通业务,但是目前区块链技术*共中**识算法处理交易能力有限,因此需要在设计之初就考虑到如何简化业务流程,提高核心业务效率。
(2)公平性
公平性是指保障用户在系统中交易公平 。现有积分营销系统都是由商家建立的传统中心化体系,积分的交易规则由商家单方面制定。如何利用区块链技术的特性保证用户之间的交易公平,对维护系统生态至关重要。应当防止在系统中出现恶意积分、无故扣除积分、积分消费不透明等损害用户权益的事件发生。
(3)隐私性
在系统设计中需要考虑到各方数据的隐私问题。对于用户而言,用户的身份和交易行为数据需要进行隐私保护,否则商家在大数据的支持下容易产生“杀熟”行为。对于商家而言,需要得到用户的部分交易数据以为用户提供更好的个性化推荐服务,自身的商业数据也需要进行隐私保护。对于监管方而言,需要监控交易数据,防止违法违规行为发生。
2.2 系统架构设计
2.2.1 业务架构设计
系统中参与的角色主要分为 商家、游客、监管方 3类,用户角色关系如图1所示。
商家角色 主要是航空、铁路、景区、酒店等需要建立旅游积分服务体系的企业组织。通过区块链系统提供的软件应用接口,商家既可以直接使用旅游积分平台提供的业务服务,又可以在此基础上进行二次开发,对接原有积分服务体系。商家通过旅游积分通兑系统可以实现积分发行、积分转让、积分销毁等主要功能。其中积分发行功能是指拥有积分发行权限的商家发行积分,该积分以遵循ECR20标准的Token(代币)形式进行流通,积分由监管方进行审批和发放。积分转让功能可实现商家与商家之间的积分流通,打通积分系统之间的壁垒,使商家之间可以形成积分营销联盟。积分销毁功能可实现商家对已发行积分总量的控制,通过向监管方申请积分销毁,销毁发行的积分代币。
游客角色 主要是指参与旅游服务的消费者,与游客相关的业务主要有旅游积分的消费、兑换、查询、转移等功能。游客可以通过商家提供的积分服务系统进行积分操作,也可以通过积分通兑系统进行积分操作。积分消费功能是指游客积分达到一定数量后可以进行实物兑换、积分抵现等操作,对游客进行正向激励,提高游客的忠诚度。积分兑换功能可以实现不同商家之间积分的兑换,使冗余积分发挥价值。积分查询功能为游客提供了公开透明的积分及消费明细获取服务,提高游客与商家之间的可信度。积分转移功能实现了积分在游客与游客之间或在同一用户不同账号之间的转移。

图1 旅游积分通兑系统用户角色关系
监管方角色 是指管理旅游积分通兑系统和监督系统用户行为的角色。监管方主要的功能有用户管理、区块链系统管理、业务管理等。用户管理主要是指对商家和游客的功能权限及账号进行管理,解决用户产生的问题和需求。区块链系统管理主要负责智能合约管理、联盟链证书管理、节点管理。业务管理功能是指管理旅游积分通兑系统中各类业务服务,包括CA证书的签发和处理积分交易过程中产生的业务问题。
积分在用户之间的流通关系 如图2所示,积分与人民币之间形成价值锚定,通过人民币杠杆发行积分。积分代币的铸币权限属于监管方,发行前商家需要向监管方的共管账户中按比例存入一定的人民币,防止任意发行积分导致积分通胀,由监管方铸币后再转移到商家账户中。发行的积分既可以直接用于商家的积分营销体系,也可以通过比例兑换的形式实现与现有商家的积分流通。代币的形式既降低了中小商家的清算难度,又可以与法定货币或者其他积分之间进行锚定,稳定积分的价值。当商家申请积分销毁后,需要将销毁的积分转移至监管方账户,并可以撤回人民币共管账户中的等比例资金。

图2 积分在用户之间的流通关系
2.2.2 系统技术架构设计
旅游积分通兑系统采用6层架构,分别为访问层、接口层、服务层、区块链层、监管层、基础服务层 ,系统框架如图3所示。访问层直接向商家、游客、监管方提供积分应用服务。接口层为访问层提供业务接口服务,旅游积分通兑系统的核心业务功能都以接口的形式提供给拥有CA证书的用户调用,其中CA证书由区块链系统提供,用户或应用需要在CA服务中注册后获得CA证书才能与区块链进行交互。商家既可以直接调用访问层使用系统积分通兑服务,也可以通过接口层进行二次开发,与原有积分体系对接,实现积分通兑服务。服务层主要包括积分发行、积分转移、积分清算、积分查询、积分销毁等业务的区块链智能合约服务接口。区块链层为整个系统提供区块链服务,主要包括共识算法、分布式账本、签名加密、智能合约等核心功能。共识算法促使分布式节点之间对交易达成一致,验证每笔交易是否真实有效,避免错误或虚假的交易被执行。分布式账本除存储区块链上的积分交易数据外,还对所有智能合约的操作及执行过程进行记录。智能合约是系统业务实现的基础,合约的内容公开透明,对成员可见,可以无须第三方机构强制执行合约内容,规避人为作弊行为发生的风险。监管层主要包括旅游积分管理系统、交易管理、用户管理、节点管理等。旅游积分管理系统主要负责旅游积分通兑平台的系统业务管理,由管理员进行操作。交易管理功能负责查看和处理旅游积分交易中发生的问题。用户管理服务为系统中商家和游客提供注册登录和证书发放服务。节点管理负责区块链服务节点的加入和退出。基础服务层主要包括资源监控、日志服务、数据库管理等底层系统资源,为整个旅游积分通兑系统提供保障。

图3 旅游积分通兑系统框架
3 系统实现
3.1 系统实现架构
以参与旅游产业的商家和监管机构为联盟成员,将开源分布式账本技术平台Hyperledger Fabric作为底层技术,构建旅游积分通兑联盟链,实现了 旅游积分通兑系统 。Hyperledger Fabric是一个开源的企业级分布式账本平台,模块化的架构及可配置的服务组件为系统提供了灵活的解决方案,可以低成本、安全地为旅游积分通兑系统提供区块链服务。 系统的架构与各系统之间的交互关系 如图4所示。

图4 系统的架构与各系统之间的交互关系
区块链系统网络如图5所示,系统分别实现了商家组织(Org1)与监管组织(Org2),商家组织包含节点Org1-peer0、Org1-peer1,监管组织包含节点Org2peer0、Org2-peer1。节点用于存储分布式账本数据(L1)和执行智能合约(S5)。参与的节点共同组成一个区块链(C1),当应用程序需要访问区块链中的数据或提交请求时,可以通过区块链系统提供的应用程序接口(application programming interface,API)进行连接。系统还实现了一个排序服务(O1),通过Raft共识算法处理成员节点之间的交易共识。系统在开发链码(智能合约)时以JSON格式建立积分与用户数据模型,将CouchDB作为状态数据库,它较默认的LevelDB支持更复杂的查询,并且可以实现基于内容的JSON查询来提高查询效率。链码通过Go语言编写,实现了旅游积分通兑的业务功能,其中链码函数功能见表1。

图5 区块链系统网络

在区块链网络中实现的旅游积分管理系统(A1)和旅游积分商城(A2)使用Node.js语言开发,数据库采用MySQL,通过Fabric官方提供的Node.js版本SDK实现区块链系统交互。旅游积分管理系统主要模拟监管方实现积分代币铸造、积分代币销毁、交易管理等功能。旅游积分商城主要模拟实现了商家和游客的操作,实现了积分发行、积分销毁、积分转移等商家操作,旅游积分商城注册登录、积分查询、积分兑换、积分消费等游客操作。系统还实现了一个区块链浏览器(A3)来查看区块、交易、链码、节点等信息。以上应用在访问联盟链网络之前都需要向CA服务(CA1、CA2、CA3)进行注册,获得相应的CA证书后才能与区块链系统接口进行交互。
积分交易流程 如图6所示。商家完成注册后进行积分发行操作,需要向监管方提交积分发行申请,监管方收到积分发行的请求与发行积分的数量后执行积分代币铸造,将生成的代币转移给商家。商家获得积分代币后既可以在原有积分体系中使用,也可以按比例转换成商家积分进行使用。积分代币可以在游客与游客、商家与商家之间进行流通,只需向对方的账户地址转移固定数量的积分代币即可完成。而游客在不同商家之间进行积分转移时,将商家积分转换为积分代币后即可转移到其他商家,实现了积分代币在不同积分体系间的通兑。最后,商家可以向监管方申请销毁积分代币,将需要销毁的积分代币转移至监管账户,由监管方执行积分销毁功能。销毁后,商家可以撤回共管账户中对应的资金,形成整个积分代币流通闭环。

图6 积分交易流程
在系统公平性方面,系统每次交易会 根据游客身份与随机编码生成哈希字符串的交易编号 (Transaction ID)来确保交易的唯一性,游客可以通过区块链浏览器查看各个区块链中包含的交易,也可以通过交易编号查询具体的交易内容。积分交易详情如图7所示,交易细节中可以查看该笔交易发起节点、验证节点、调用的智能合约等信息,包括该笔交易在链上读写的数据,使交易数据对游客公开透明。而交易对象等用户信息匿名显示,确保了对用户信息的隐私保护。通过建立监管平台和设立监管角色保障了系统交易的公平性。所有交易通过智能合约执行,任何操作都会记录在区块中且无法被篡改,为参与交易的双方提供了交易数据保障,也为监管角色提供了有力的数据及证据支持。

图7 积分交易详情
系统隐私性与安全性示意图如 图8 所示,首先系统是建立在旅游产业相关用户之间的联盟链,通过Fabric成员服务提供者(membership service provider, MSP)实现了对区块链数据权限的控制,使同一链上的数据可以在指定的成员之间共享,为数据安全提供了更灵活、细分的保护机制。系统中每个成员都拥有授权的联盟链证书颁发机构颁发的X.509数字证书,证书中包含了用户的身份信息,确定了用户在区块链网络中拥有的信息访问权限,将非许可用户排除在外,防止链上数据泄露。数字证书结合零知识证明算法实现了身份混合(identity mixer)机制,使用户在交易过程中实现发起者的匿名性和不可追踪性,保护了用户交易的隐私安全。其次在联盟链内部,区块链网络中配置了通道访问策略,通道是指维护相同账本的节点集合,目的是对通道信息进行隔离,使通道外的实体无法访问通道内的信息,从而实现交易的隐私性。系统还通过私有数据机制实现了私有数据集合,使在同一通道内具有权限的用户才能访问,为用户提供了更细粒度的隐私保护。最后,系统使用了传输层安全(transport layer security)协议来确保节点之间的通信安全,保障了通信节点之间的保密性与数据完整性。

图8 系统隐私性与安全性示意图
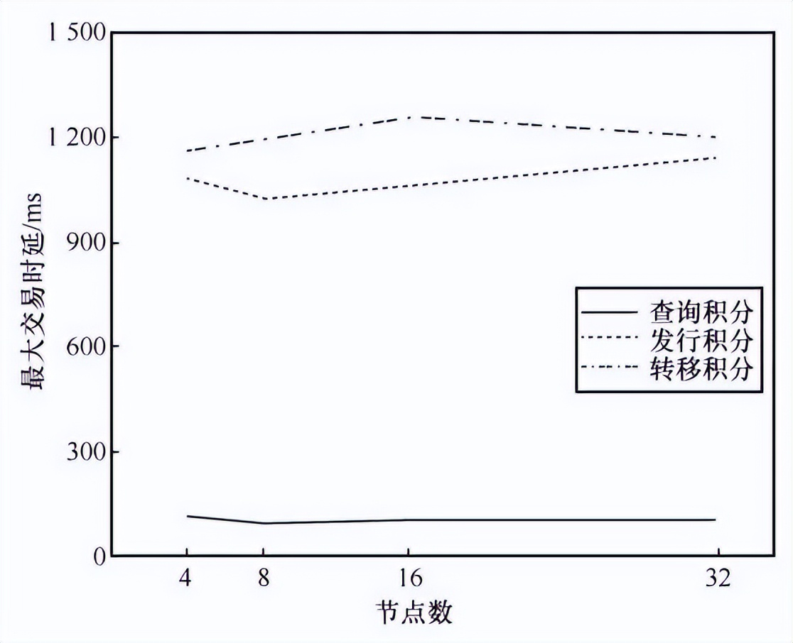
区块链性能一直是区块链技术应用落地的主要挑战之一,区块链的性能指标主要包括交易吞吐量和时延 。交易吞吐量表示在固定时间能处理的交易数,时延表示对交易的响应和处理时间。本文通过Hyperledger官方提供的性能测试工具Caliper测试智能合约的性能,分别仿真测试了在不同区块链服务节点数下智能合约的 吞吐量与最大交易时延 ,实验结果如 图9 和 图10 所示。从实验结果可以看出,各项业务的吞吐量受节点数增加的影响较小,系统平均吞吐量达1 000 TPS以上。从 图10 可以看出,各项业务最大交易时延稳定,受节点数增加影响较小。转移积分和发行积分的最大交易时延较查询积分差距较大,这是因为查询操作是只读操作,可以直接在状态数据库中读取最新数据。

图9 不同区块链服务节点数下智能合约吞吐量

图10 不同区块链服务节点数下智能合约最大交易时延
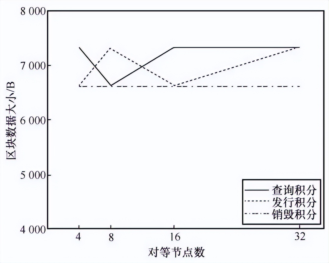
针对系统的数据规模,对各项业务产生的 区块大小 进行了测试。在对等节点数不同的情况下,对转移积分、发行积分、销毁积分操作分别执行1 000次测试,记录并计算出所有节点平均区块大小,实验结果如图11所示。由图11可知,随着对等节点的增多,不同业务操作所产生的区块大小相差很小,同时数据使用量非常小,仅占约7 KB。

图11 区块数据量测试
针对整个区块文件大小,在节点数不同的情况下分别执行1 000、3 000、5 000次转移积分操作,实验结果如图12所示。随着节点数增加,区块文件大小成倍增长。在实验中发现,在交易完成后各节点账本数据实时同步,文件数据量增长相同。10 000笔交易产生总数据总量仅有约66 MB,因此系统也具有 存储量低 的优势。

图12 区块文件数据量测试
通过实验测试,验证了系统的各项业务流程满足 流通性、公平性、隐私性、稳定性 的系统设计目标。系统同时支持多节点、多用户使用,可以灵活地增加或删除节点,具备可伸缩性。系统整体业务完备、流程简洁。系统支持商家在经过批准而未部署本地节点的情况下使用,降低了用户的使用成本。系统吞吐量较高,产生数据量低,具有计算和存储优势,可满足大规模应用场景下实用性的要求。
4 存在的挑战
4.1 吞吐量
与中心化系统相比,本文设计的 系统吞吐量还有待提高 。区块链系统*共中**识算法是影响系统吞吐量的主要因素,虽然已有学者对共识算法的性能进行了改进,但是区块链系统的吞吐量仍具有提升的空间,以便应对更高并发的需求。因此针对不同的业务场景,设计合理高效的业务流程、提高共识算法效率是进一步提升系统吞吐量的主要途径。
4.2 数据真实性
区块链已经具备了数据不可篡改和时序不可逆的技术特点,保障了交易流程追溯的可行性。然而如果 商家出于某种原因上链无效或伪造的数据,区块链本身不能够识别 。因此保障数据的可靠来源是整个系统真实性的基础保障,需要建立更加完善的信用管理体系,从源头上制约用户数据造假。
4.3 跨链技术
随着区块链技术逐渐成熟,越来越多的区块链应用随之落地,不同链之间的协同操作及价值流通将成为新的需求,因此 跨链技术是旅游积分通兑系统发挥更大数据价值的关键 所在,如与征信链或产品溯源链等相关区块链进行跨链交互,进一步扩大系统在旅游相关产业中的应用范围。
4.4 法律和经济
本文从技术和用户需求角度考虑了基于区块链技术的旅游积分通兑系统设计,但未从 法律和经济学角度 分析该系统。目前我国证监会要求任何组织和个人不得非法从事代币发行融资活动,对功能性流通的代币则没有限制,但相关监管办法与法律法规尚需要配套完善。从经济方面来看,基于区块链技术的旅游积分系统中存在的经济风险以及经济效益还需要进一步深入研究。
5 结束语
随着区块链技术日趋成熟,相关的政策和产业应用纷纷落地。本文分析了旅游积分产业和区块链技术在积分通兑系统的应用现状,设计了基于区块链技术的旅游积分通兑系统,通过实验验证了该设计方案的可行性与有效性,为区块链技术在不同行业的创新应用提供了参考。
--------END-------
联系我们:
Tel: 010-81055490
010-81055448
E-mail: bdr@bjxintong.com.cn
http://www.infocomm-journal.com/bdr
http://www.j-bigdataresearch.com.cn/
转载、合作:010-81055307
大数据期刊
《大数据(Big Data Research,BDR)》双月刊是由中华人民共和国工业和信息化部主管,人民邮电出版社主办,中国计算机学会大数据专家委员会学术指导,北京信通传媒有限责任公司出版的期刊,已成功入选中国科技核心期刊、中国计算机学会会刊、中国计算机学会推荐中文科技期刊,以及信息通信领域高质量科技期刊分级目录、计算领域高质量科技期刊分级目录,并多次被评为国家哲学社会科学文献中心学术期刊数据库“综合性人文社会科学”学科最受欢迎期刊。