研究电力电子学的历史发展表明,在其诞生后的很长一段时间内,离散的、解耦的电力电子转换器的建模、设计和建造方法是完全足够的。电气、热和机械的建模和设计是解耦的,而使用的顺序式制造是基于使用独立的元件,并在将它们铺设在一个平面上后,将它们连在一起。这种方法与使用理想元件传输函数的积木式电路建模有着方便的、几乎一对一的关联。这种离散的顺序性思维一直渗透到现在的研究、开发、设计方法和教学中。

即使是混合的、集成的电力电子模块也仍然是以一种准离散的方式构造。然而,在过去的几十年里,功率器件技术的持续变化,功率密度和/或频率的持续增加,导致了所有组件和构成转换器的互连的密切电磁、热和机械耦合,突出了组件、所用材料、必要的互连等的接近而产生的不良副作用。随着未来模块集成的趋势继续发展,集成电源处理器正在接近,这表明有必要改变目前的分析和设计方法。

目前,一个电力电子转换器可以被描述为一个分散的电磁设备。对提高功率密度的追求使尺寸的缩小和物理集成的趋势继续下去。这甚至会使转换器的不同部分之间的电磁耦合、相互连接和内部连接的电磁性质以及开关过程的电磁性质成为决定能量处理传输功能的主要因素。对于这种最终的电-磁能量处理器来说,电磁限制将占主导地位,必须加以探索。作为分析电力电子技术发展的辅助手段,在以前的工作中已经定义了转换器中执行的不同基本功能。该分析不包括热和机械功能以及这些也被排除在本文的处理范围之外。初步估计,这里将只分析传导、开关和电磁储能功能,它们映射到转换器技术上,以实现三维(3-D)能量处理,最终形成一个电磁集成的过程。
对电路理论的模仿
电路理论已经发展成为一个非常强大的电路建模工具。就类似的电路而言,它也成为分析电路以外的系统模型动态的一种手段,如机械和液压系统,从而导致了更广泛的网络理论的发展。围绕网络理论开发的模拟和建模工具,本质上是解决微分方程的工具箱。在电路中,一个物理意义可以与常数联系起来,在约束条件下,已经取得了一些无条件的普遍接受。电阻器、电感器和电容器作为集中元素的模型,在低频时与这些元素非常接近。在高频率下,由子网络组成的更复杂的模型成为必要的,并且失去了一对一的关系。额外的元素和包括在元件网络中,它们最好与元件结构的物理部分相对应,例如,引线的诱导率。

在实践中,这并不总是可能的,特别是当一个子电路的许多部分之间的交叉耦合效应变得很重要时。最终,这种类型的建模会退化成一种复杂的曲线拟合练习。如图所示,在用块状元件建立模型的有效假设下,半导体器件被用来说明如何为电路模拟提取一个等效的高频电路。在这个例子中,气芯螺旋绕组电感中心的空间被用来放置半导体器件和电容器,以增加模块的包装密度,趋向于混合集成。然而,图中所示的简化模型完全忽略了半导体器件、电容器和电感器之间增加的电磁耦合,就块状元素建模技术而言,它将使用电感耦合和电容器来模拟效果。
然而,以下情况是真实的:1、它不可能再把元件模型和电路模型分开;2、这些模型与元件和电路的几何设计变量有关;3、密集的包装增强了电路不同部分之间的寄生效应和相互耦合;4、涡流的影响和其他与磁场有关的效应成为一个问题,如果使用的配置是设备被放置在高磁网强度的区域。如果这种封装技术向3-D封装发展,等效电路也会变成3-D。为了分析这些类型的开关模式转换器的行为,需要建立详细的电路模型。现代计算机已经足够强大,可以分析这些更复杂的网络模块,但解释结果却变得越来越困难。如果必须额外考虑到所涉及的材料的电磁特性随频率的变化,似乎有必要尝试从电磁场的角度来处理这个问题,这可能会增加对这些系统的行为和限制的洞察力。
电磁模拟能量流
电磁理论提供了两种对电现象进行建模的方法。最常用的方法是分析电流和电压,是当今建模技术的骨干,如前一节所说明的。另一种同样有效的方法是使用电-磁场。现在,在马克塞尔的理论中,在电介质部分由电力产生的位移的势能,以及在磁场的所有部分,包括导电部分,由于磁力而产生的动能或磁力。它们应该是由导线中的电流设置的。我们反过来看:导线中的电流是由通过它周围的介质传输的能量形成的。描述任意体积内能量存储和耗散速度的一般电磁方程由以下著名方程给出,几乎出现在每本电-磁学的本科教材中: (1),其中电场强度(V/m);磁场强度(A/m);电流密度(A/m);允许率(F/m);渗透率(H/m)。上述方程的第一项代表穿过体积表面的电磁能,电场和磁场的矢量交叉积给出了能量通量矢量,通常被称为波因丁矢量。
S=E*H(2),坡印廷矢量的单位是W/m,可用于绘制3-D能量通量。电磁能量通量是对电路行为的电流和电压描述的一种改变。然而,能量通量矢量并不是唯一的,不同的矢量可以设计出非常不同的电路能量流动图。直到最近的1964年,人们才证明坡印廷矢量是唯一有效的能量流解决方案。尽管人们试图鼓励使用这种方法,但这种方法从未成为正式电学分析理论的一部分,因为电路理论已经根深蒂固地成为首选分析方法。
虽然电路理论伴随着现代网络工作模拟器已经成为一个非常强大的建模工具,但它对能量交换的过程或机制的洞察力很小。在大多数电力电子转换器中普遍存在的准静态条件下,坡印廷矢量的两个组成部分是相关的。一个是由于电荷引起的电场,另一个是由于磁引起的电场 (3),其中 (4), (5),V是电标势和A是磁网矢量势(Tm)。
如果能量通量被绘制出来,人们就会清楚地看到能量从源头在导体之间的空间流动。能量的转移可以被追踪,不仅可以追踪到单个元件,还可以追踪到元件内部的确切位置,在那里能量被转化为另一种非电气形式,例如在电池的电解液中,在机器的槽和绕组中或在电力电子转换器中转化为损失。
电磁学能量通量密度和平面结构中的功率密度

公式(4)中描述的与电荷有关的能量通量存在于导电结构中,例如元件和电容器之间的电线或PCB内连接。在图中,显示了一个简化的平面图,其中显示了一个相互连接或电力传输线和电容元件,例如在电力电子转换器的结构中遇到。横向电磁能通量存在于两个导体板之间,并在方向上传播。在这两种结构中,都会发生损失,一些能量通量被转化为热量。在电容器的情况下,大部分的能量通量被转化为电场能量。假设在时间上有一个周期性的功能,那么转换的能量通量可以写成如下: (6)。
如果电场和磁场是由以下函数描述的: (7), (8)其中,和分别是最大电场强度和电流密度,和是最大振幅为1的周期函数,则其中,电荷引起的最大瞬时电磁能通量密度由以下公式给出 (9)中,右侧表达式的第一项代表储存的电能在体积中的变化速度。

磁感应能量通量在使用法拉第感应原理工作的部件中被发现。这包括电感器、变压器和电动机。由于磁感应产生的横向电磁能通量可以写成如下: (10)。图中显示了一个设置磁感应能量通量的平面布置。在左侧,一个具有厚度的磁芯,由一个磁通密度激发,在磁芯的右侧设置了一个具有恒定安培度的磁矢量势。这种构架隐含着一个磁通回流路径,它存在于这种安排的右侧某处。磁矢量势设置上述磁场能量并不适用于图中左侧的核心肢体。核心肢体通常是由一个高渗透性的核心母体构成的,因此它将储存很少的能量。方程式表示如果磁感应能量通量被送入气隙或图中安排的右手边的低磁导率磁芯边缘,则储存的能量。
电磁波强度和功率密度

在高频率下,电流只在导体的表面流动,这是对电源处理最具限制性的边界条件之一。由于诱导的涡流,电阻实际上可能随着导线直径的增加而变大。因此,在实际设计中,导体的厚度不应超过集肤深度。在平面电路布置中,这种边界条件意味着在高频率下必须使用薄的导电箔。图中显示了铝箔厚度与频率的关系。绕过这个限制的一个方法是使用非常薄的铜线,将其相互隔离,编织,然后并联。
这就产生了所谓的利兹线,自本世纪初以来,它一直被用于高频应用,如无线电线圈,但很难在平面结构中实现。在大型固体导体的情况下,电磁能通量不能穿透导体,它被去掉了。在感应涡流的作用下,导体周围会产生反射。然而,利兹线对电磁能量通量是透明的,因此利兹线束的直径不受限制。在本节的数值示例中,我们选择了与50赫兹的趋肤深度相等的锂线束厚度,它不受工作频率的影响,如图中的适当线条所示。

由于所需的绝缘和编织钢绞线所需的额外空间,有效导体横截面减少,因此平均电流密度受到影响。在数值例子中,平均电流密度被假定为固体导体所用数值的一半。在铝箔导体的情况下,假设表面积上有一个恒定的热耗散。基于50Hz下2A/mm的电流密度,图中给出了电流密度与频率的关系,并再次说明了与频率无关的利兹导体的行为。

电磁通量密度和电磁能量储存的最大限度取决于所用材料的电磁特性。这些参数取决于材料技术的发展水平。通常情况下,材料的电磁激励需要作为频率的函数被减弱。为了评估能量通量和能量密度的极限,必须对电磁参数做出假设。电流值强度假设已经讨论过了。图中显示了电场强度与频率的关系,它与聚合物电介质的典型值相符。在低频段最常用的磁性材料是硅钢,而铁氧体则用于高频段。

如图所示,这两种材料使用不同的磁通密度值来划分频带。由于损失,铁氧体的磁通密度必须随着频率的增加而减弱。磁性材料所占的体积比电介质材料大得多,由于成本和热的原因,磁芯的厚度需要受到限制。由于一般的铁磁材料和硅钢的导热性比铁氧体材料要好,所以金属磁芯上的磁肢可以厚得多。图11的图表显示了计算中假定的磁芯边缘厚度,并适用于图8中所示的平面布置。传统类型的铁氧体磁芯的使用被总结到500千赫兹,从500千赫兹开始,基于微电子技术的假设将磁性材料的厚度限制在100米左右。相对较薄的磁芯是由于微电子技术的低沉积率,例如,溅射过程。

正如人们所期望的那样,这些值随着频率的增加而稳定地增加,从而使开关模式转换器在更高频率下具有更好的功率密度。硅钢比铁氧体有优势,因为其磁通密度要大五倍。然而,由于铁氧体被用于更高的频段,尽管磁通密度较低,但磁能交换密度变得比硅钢大。然而,在铁氧体频率带的较低范围内,这种改进并不明显。
然而,与传统磁芯相比,微电子制造的磁芯严重不足。如果对电磁能流进行三维分析,人们就会得到一个清晰的三维电力转换图。导体引导和塑造能量通量,这些能量通量以接近光速的速度在携带回流电流的导线或导体条之间的空间流动。尽管数值电磁模拟工具取得了令人印象深刻的进展,但这说起来容易做起来难。电磁能量流需要一个完整的3-D分析,将准静电和准磁静力学解决方案合并。
我们还必须处理同时发生的一个以上的能量流机制的定位问题。上一段中遵循的简单的分析方法并没有给我们提供完整的情况。这必须等到合适的电磁分析工具被开发出来之后。然而,我们有可能在元件和电路的结构中确定一些能量流成分。
半导体开关及时调制能量通量,尽管开关组件占据了转换器相当大的体积,但这些设备内部和周围的能量通量非常小。原因是它们作为开关,携带电流或电压,但不能同时携带两者。因此,电场和磁场的矢量交叉积很小,导致坡印廷矢量的一个小值。在理想开关的情况下,它们根本不处理任何能量通量。因此,就整个能量流动情况而言,开关和二极管的作用很小。然而,这并不意味着电磁分析对开关是不重要的。相反,在开关的瞬态过程中,存储的磁能和电能必须在开关组件中进出,这将导致硅芯片的损失和额外的电应力。

上一节中的分析计算了可以达到的最高能量通量。这是一个因素在为高功率密度设计时需要考虑。另一个方面涉及到在电力转换过程中收集能量的方式和传输路径的长度。一个典型的电容器由许多层并联的金属化介质薄膜组成。在图中,说明了每层在方向上贡献了等量的能量通量,而将它们并联的导体起到了引导能量收集的作用,导致能量通量在方向上逐级增加。与电荷相关的电磁能的流动在这张图和其他图中用一个清晰的箭头表示。

如果将磁感应能量通量的一维分析应用于具有旋转对称性的磁性元件,就可以实现对真实三维结构的相当好的描述。壶形磁芯类似于这样的磁组件,如图所示。为了简化几何结构,曲率被忽略了,并且在随后的讨论中剖析。如果与绕组终端相邻的磁肢具有无限大的磁导率,它将不储存能量。如果第二个磁肢有一个给定的磁导率,磁能将被储存在该磁肢中,我们得到一个导管。

图中的顶图显示了这种安排。磁感应能量通量是由每个绕组层逐步建立起来的,如邻图所示。最大值由公式(10)给出。磁感应能量通量对通过导体终端进入组件的电荷相关能量通量进行反馈。该能量被转换为储存的磁能,其数值为线性下降,最终达到零。图中的黑色箭头表示绕组和铁芯之间的磁感应电磁能的交换。从能量通量的角度说明了变压器的工作。初级绕组的作用与上面讨论的电感绕组相同。能量通量被逐步建立到一个最大值。二次绕组以同样的方式逐步吸收能量,将其送入二次回路。
在滤波器中,特别是在软开关转换器的谐振槽中,能量在电容和电感之间以高频率传输。由于封装所占用的体积,以及由于这些元件必须放置在拥挤的印刷电路板上,人们发现反应性元件之间的距离是很大的。除了明显的传导损失外,能量交换还产生了电磁干扰(EMI)问题。有可能在一个元件中集成一个以上的电磁储能功能,为改善无源元件的功能和性能创造可能。这方面的实际实现需要通过在双线绕组箔片导体之间放置合适的电介质,以及通过低磁导率的磁芯部分调整初级和次级绕组之间的磁阻,来增强绕组的层间电容,这在实际应用中已经得到了成功说明。

这样的安排如图所示,基本上是由单一功能部件组成。电能和磁能存储被带到了彼此接近的地方,能量通量路径的长度被最小化。
开关上的电磁瞬变
现代半导体功率开关在过去三十年中得到了持续的改进,这些开关的能力得到了提高,这也是近年来电力电子技术新发展背后的主要动力。在过去的三十年中,现代半导体功率开关得到了持续的改进,这些开关的能力得到了提高,这也是近年来电力电子技术发展的主要动力。芯片的性能一直在稳步提高,开关速度也在加快。因此,电路寄生物在电路中发挥着更大的作用,杂散电感和芯片及结构电容之间的振荡是开关模式转换器中射频EMI的一些主要来源。功率半导体芯片被安装在热扩散器上,在传统封装的情况下,电线键合被用来连接一些平行的电线到导体引线上。
在功率模块的情况下,采用混合集成,芯片用键合线直接连接到模块内的铜电路轨道。为了提高电流能力,经常使用一些平行的键合线,接近于一个离散的平面导体。与芯片的平面连接最近已经被引入,因为这导致了互连技术的优势。由于热扩散的考虑,模块中的功率半导体组件占据了相当多的表面。因此,芯片和电路中的其他元件之间存在一定的距离。

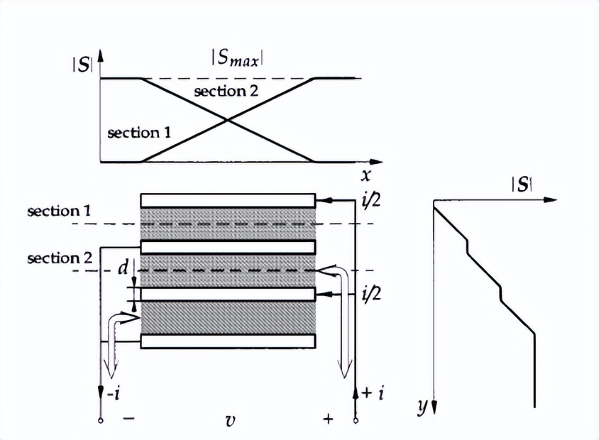
作为一个基本的构件,图中显示了与芯片的平面连接,允许有一个长度来连接芯片和电路的其他部分。平面夹层布置是未来一代低电感传输线封装技术的代表,并可能提出一种优选的封装方式。为了进行电磁分析,MOSFET作为器件被放置在导体引线之间,因为就目前而言,这允许进行更简单的分析。

假设是硬开关,理想化的教科书波形显示在图中。在关断期间,电压,线性上升到电源电压,然后二极管接管电流,晶体管,电流线性下降。在开启时,发生了相反的过程。晶体管必须在电压发生变化之前首先换出全部电流。因此,电压和电流永远不会同时变化,这意味着场能变化的速度总是涉及方程(1)中的任何一个项。
当电流被切换时,封装内部会产生一个电压,这样芯片远端的电压就与外部施加的电压不同。同样地,平面导体和芯片之间的电场的充电和放电导致位移电流,它与外部施加的电流相加或相减,得到流经MOSFET通道的电流。
研究总结
电力电子技术中尺寸的缩小和频率的增加使人们意识到电路理论的局限性和转换器电磁性质的重要性。已经提出了一种不使用电路元件、、和的概念的电-磁方法。作为第一种方法,通过使用坡印廷矢量概念来分析元件中的能量通量,描述了电磁能量在转换器中的传播情况。基于材料特性和几何方面的基本限制和频率缩放趋势已被确定和计算。这些都在一定程度上说明了电力转换的电磁方面在未来会给我们带来什么。它还说明,虽然半导体功率开关处理的能量流非常小,开关本身的电磁性质在内部瞬变方面是一个最终的限制现象。尽管电磁集成带来了改进未来高频高密度电子电力处理的可能性,但仍需要做很多工作来正式确定这种方法。