合 同 号:
施工组织设计名称:砌筑工程施工方案
类别编号:
编 制 人:
编制单位:
编制日期:年月日
目 录
第一章 编制依据 3
第二章 工程概述 3
一、总述 3
二、墙体概述 3
三、 材料强度等级: 3
第三章 施工部署 4
第四章 进度要求 4
第五章 施工准备 4
一、劳动力准备 4
二、材料准备 4
三、机具准备 4
四、技术准备 4
第六章 施工工艺 5
第七章 质量保证措施 8
一、质量通病 8
第八章 质量标准 8
一、主控项目 9
二、一般项目 9
第九章 安全要求 9
第十章 文明施工 10
第十一章 成品保护 10
第一章 编制依据
《预拌砂浆》GB/T25181-2010
《墙体材料应用统一技术规范》GB50574-2010
《建筑抗震设计规范》GB50011-2010(2016版)
《混凝土结构后锚固技术规程》JGJ145-2013
《砌体结构工程施工质量验收规范》GB50203-2011
《砌体填充墙体结构构造》12G614-1
施工图结构设计总说明(混凝土结构)12SG121-1
蒸压加气混凝土砌块、板材构造13J104
本工程结构图、建筑图
第二章 工程概述
一、总述
1、项目名称
。
2、项目性质
本项目为民建工程项目,主体结构为钢筋混凝土结构。
3、地理位置
项目位于。
4、建筑规模
总建筑面积约m2。
5、主要施工方法包括:人防工程、钢结构工程、钢筋混凝土现浇结构、预制叠合板技术等。
6、建设、勘察、设计、监理等相关单位的情况
建设单位:
勘察单位:
设计单位:
监理单位:
施工单位:
二、墙体概述
2.1材料及选型除特别注明外,本工程墙体选型及材料如下:
外墙:地上外墙采用200厚/400厚蒸压砂加气混凝土砌块。
内墙:地上内墙采用200厚蒸压砂加气混凝土砌块。
局部隔墙(卫生间、管井)等采用200厚或100厚混凝土空心砖砌筑。
车库内墙采用200厚混凝土空心砖砌筑。
暖沟采用蒸压混凝土实心砖砌筑;
防火墙采用混凝土空心砖砌筑
材料强度等级:
1、砌筑砂浆全部采用预拌砂浆。
第三章 施工部署
3.1.砌筑砂浆应采用符合要求的预拌砂浆。
3.2.砌筑材料运输:
地下部分材料运输由汽车坡道进入,自卸到指定地点,地上部分材料运输由塔吊、双龙施工电梯运输至各层。
3.3.砌筑用脚手架采用双排落地式脚手架及门式架相结合。
第四章 进度要求
砌筑工程计划从2022年8月20日开始,2022年9月30日结束。
施工准备
一、劳动力准备
瓦工:20人,力工:20人,放线工:3人,钢筋工5人,木工5人。
根据施工进度要求,施工人员应有计划、分阶段的进场,既要保证工程的进度要求,又要尽可能的避免窝工情况的发生。
二、材料准备
2.1、蒸压砂加气混凝土砌块规格:600*200*200;混凝土空心砌块规格:190*190*390,进场砌块、砖养护必须达到龄期方可进场。
2.2、砂浆:预拌砂浆,强度等级符合设计要求。
三、机具准备
3.1、机械设备
垂直运输机械:双龙门电梯2台,Q63塔吊2台。钢筋调直机两台,电钻十把。
3.2、主要工具
梯凳、手推车、铁抹子、灰铲、铁锹、橡皮桶、皮数杆、托线板等。
四、技术准备
4.1、墙体测量放线
砌筑前,放出墙身线、洞口线。在框架柱上放出建筑1000线,并对墙身线、洞口线作严格复核,如出现墙身线与梁位置偏差较大,应对墙身线做适当调整。
4.2、确定构造柱及圈梁具体位置,并绘制出位置图。
4.3、所有楼层内的预留洞位置、尺寸进行复核,如预留洞尺寸、位置有偏差立即整改,绘出位置图。
4.4、预埋管线的调整
砌筑前梁、楼板预埋的线管位置偏差较大时,必须及时调整,保证线管埋入砌体中。墙体砌筑前,砌体中预埋管、线盒必须安装完毕且线盒标高、位置正确,按建筑1000线检查线盒标高。线盒位置、标高在砌筑过程中严格控制。
4.5、砌筑与安装的交叉作业为:待墙体砌筑完成后,进行线管施工,线管施工禁止横向开槽,线管敷设完成后采用砂浆封堵、抹平,砌筑过程控制线盒出墙及高度。
4.6、与主体结构提前交接,并办理交接手续。
4.7、门、窗过梁的预制
门窗洞口过梁截面尺寸及配筋详见结施设计总说明。
4.8、脚手架搭设,并经验收合格方可使用。
施工工艺
一、施工准备
1.1施工测量:每层楼面要弹出轴线、墙身线、圈梁位置线、拉结筋位置线、门窗洞口位置线、管道预留洞位置及标高线(建筑1000mm控制线);所有测量施工线必须经复核符合设计图纸要求,并做好预检及验收手续。
1.2砌块、预拌砂浆要有产品合格证、产品性能检测报告,进场复检检验报告。不合格材料严禁用于本工程。
1.3砌筑用具:手推车、胶皮管、铁锹、灰桶、喷水壶、皮数杆、托线板、线坠、水平尺、小白线、瓦刀、大铲、铁锨工具袋等。
1.4材料准备:本项目采用蒸压砂加气混凝土砌块砌筑、混凝土空心砌块、混凝土实心砖。
二、施工操作工艺及主要施工方法
1、砌筑施工:
1.1工艺流程:
楼面测量放线→圈梁、拉结筋、构造柱植筋→加气块排砖→加气块砌筑(水电管预埋)→构造柱、圈梁钢筋、支模→浇筑混凝土→二次找补砌筑→拆模清理→质量验收。
1.2主要施工方法
1.2.1墙底基础处理:地下部分填充墙底部先砌筑三层混凝土砖,卫生间、水房间等有水房间浇筑C20混凝土导墙、高度300mm,弹线后对导墙需要浇筑混凝土部位进行凿毛,建议使用电动凿毛机进行凿毛,可以使凿毛质量及效率得到保障。
1.2.2墙体砌筑:
(1)蒸压砂加气混凝土块要将沾有油污的表面切掉,其切割面不要有切割附着屑。切锯砌块要采用专用工具,不得用斧子或瓦刀任意砍劈,洞口两侧要选用规格整齐的砌块砌筑。
(2)砌块砌筑采用预拌砂浆砌筑,要在砌筑当天对砌块砌筑面喷水湿润。
(3)砌块砌筑时,砌块间相互上下错缝,搭接长度不小于砌块长度的1/3。
(4)每层开始时从转角处或十字转角处开始,用专用铺灰器铺浆均匀,安装砌块时放平、放正,每层均拉线控制砌体标高和砌块平整度。
(5)后砌填充墙施工,砌体施工质量控制等级为B级。
(6)砂浆按照规范规定留置试块,每一楼层且不超过200立为一组;
2、构造柱、水平系梁等设置及施工:
2.1、构造柱位置设置
(1)、内外墙交界处和转角处设置;
(2)、当墙体长度超过5m或层高的2倍时,应在填充墙中部设置,且间距不宜大于4m;
(3)、当填充墙顶部未砌至上方的梁板时,应在墙内设置,间距不应大于2.5m;
(4)、当填充墙端部无主体结构或垂直墙体与之拉结时,应在端部设置;
(5)、当洞口宽度大于2.1m时应在洞口两侧设置;
(6)、当外围护墙砌筑在悬挑梁上时,应在墙中设置,间距不宜大于3.0m;
(7)、当电梯井道采用砌体时,应在电梯井道四角设置;
(8)、外窗间墙中无框架柱处设置;
(9)、构造柱纵筋搭设50d,搭接区域箍筋间距200mm,且不少于4根;
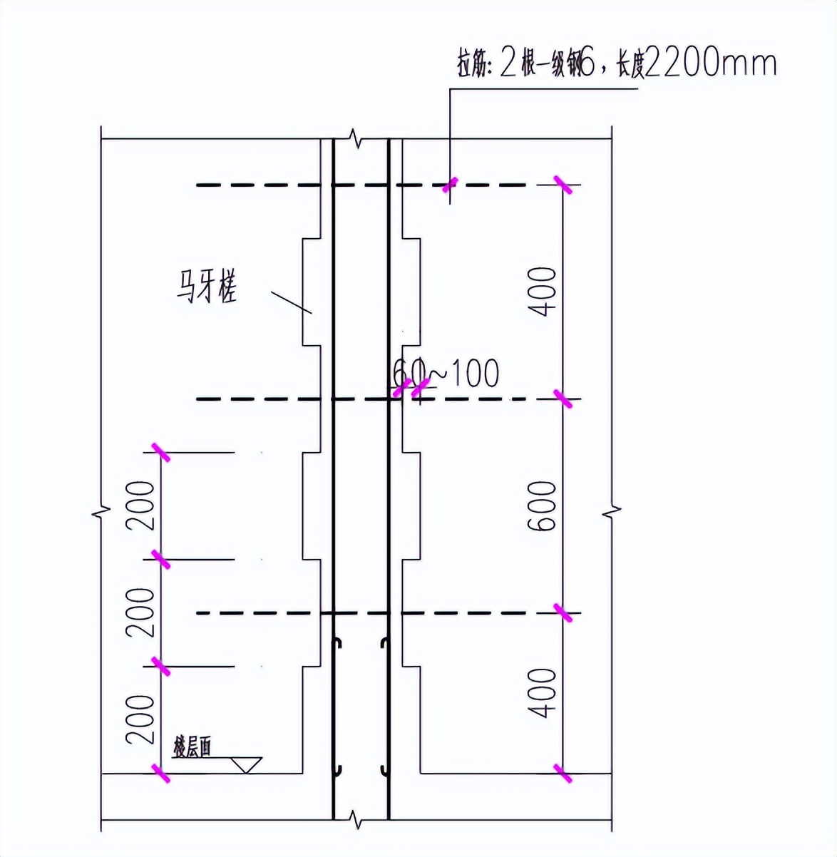
(10)、构造柱截面尺寸不小于填充墙厚×200mm,纵筋不宜小于4C12(墙厚>120mm),箍筋间距为A6@200(纵筋搭接区箍筋间距为A6@200且不少于4根)或纵筋不宜小于2C12(墙厚≤120mm),箍筋间距为A6@200(纵筋搭接区箍筋间距为A6@200且不少于4根)。植筋深度15d,直径孔径见下图。马牙槎先退后进,马牙槎高度为砌块高度的倍数,交错布置。

构造柱立面图
2.2、门、窗洞口构造
(1)、当洞口宽度≥2.1m时,洞口两边应设置抱框柱;
(2)、外墙窗洞下做法,截面尺寸为墙厚×60mm,纵筋3C8,拉筋A6@200。纵筋应锚入两侧包框柱或深入两层各125mm。
(3)、门窗洞口两侧采用预制混凝土砌块(100*200*200)与加气混凝土砌块隔一步一设置。
2.3、后砌填充墙中水平系梁的构造
(1)、当后砌填充墙高度超过4m时,应在墙高中部或洞口顶部设置一道与框架柱、混凝土墙及构造柱整浇,且沿墙贯通的水平系梁;
(2)、水平系梁截面高度不宜小于60mm与墙同宽,纵筋不宜小于2A10,拉筋为A6@300;
(3)、当水平系梁与门窗洞口顶过梁标高相近时,应与过梁合并设置,截面尺寸及配筋区水平系梁与过梁之大值。当水平系梁被门窗洞口切断时,水平系梁纵筋应锚入洞边构造柱或洞边抱框中;
(4)、当墙顶部未砌至上方的梁板时,应在墙顶部设置一道压顶圈梁或压顶现浇带。当墙厚>120mm时,压顶圈梁截面尺寸为墙厚×120mm,纵筋不宜小于4A10,箍筋为A6@200;当墙厚≤120mm时,压顶现浇带截面尺寸为墙厚×60mm,纵筋不宜小于2A10,拉筋为A6@200;
(5)、框架柱或混凝土墙预留压顶圈梁或压顶现浇带钢筋做法同水平系梁,预留水平系梁钢筋做法详见国标图集12G614-1第10页。预留压顶圈梁钢筋做法同水平系梁。
2.4、门窗过梁构造
(1)、后砌填充墙门窗口顶部应设置钢筋混凝土过梁,过梁按国标图集12SG121-1第29页“现浇钢筋混凝土过梁”图和“过梁选用表”选用。

.

2.5、构造柱、水平系梁混凝土型号
(1)、构造柱、过梁采用C20混凝土;
(2)、非人防部分,圈梁、构造柱、现浇过梁采用C20混凝土;
3、拉结筋设置及施工
(1)、工艺流程:施工准备→确定钻孔位置→钻孔→清孔→孔内填胶→插入钢筋→养护→进行下道工序。
(2)、各种施工准备工作做完后,即可进行钻孔,钻孔前在拟植筋的柱、剪力墙上画出植筋的位置,应保证位置准确,经质检人员检查无误后方可钻孔。钻孔采用冲击钻进行,钻孔时要垂直混凝土表面,确保钻孔垂直。在钻孔过程中,用力要适当,并随时检查孔的垂直度、深度和直径等。
(3)、柱与砌体连接应沿混凝土墙、柱高度方向每隔400mm、600mm设置2根一级钢6拉结筋(拉结筋第一道拉结筋距地面400mm,拉结筋间距400mm、600mm交错布置,同排拉结筋距墙边各20mm)。其钻孔深度为15d,钻孔直径为10mm;拉结筋长度1000mm,拉结筋末端设置180°弯钩。因砌筑墙体尺寸为200厚,在砌筑400厚墙是,每隔400设置一道横向300mm长拉结筋。
(4)、为保证锚固胶与混凝土的粘结,用气泵清除干净孔内的粉尘等异物,用毛刷对孔内粉尘进行清理干净。
(5)、植筋胶一次拌合的数量要根据工程量的大小而定,一般情况下一次拌合不超过1.5千克。拌合后,即可将胶用腻刀放入孔内,保证胶量应占体积的80%以上。
(6)、插入钢筋前先将钢筋表面的浮锈或污物清理干净。清理后,可将钢筋旋转插入孔内,注意插入前应在钢筋端头做好标记,以便控制插入深度。将钢筋固定后填补胶至孔满。
(7)、在锚固胶固化前严禁扰动钢筋,以免影响锚固效果。
(8)、水平系梁、构造柱钻孔植筋应根据需植入钢筋直径确认。
4、水电预留预埋
水电留槽、留洞时,在砌筑工程完成之后,抹灰之前,进行立管剔槽处理,剔槽深50㎜,宽60㎜,用切割机进行切割剔槽。管路安装完毕后,用干硬性混凝土填实,外侧用一层耐碱玻纤网格布防止开裂,最后进行饰面作业。
第七章 质量保证措施
一、质量通病
7.1.1砌体砖通缝
现 象:砌体各镶面砌块砌缝连通,尤其在转角及沉降处
原因分析:因忽视左右、上下、前后的砌块搭接,砌缝未错开。施工间歇留斜搓不正确,未按规定留有斜搓。
治理措施:拆除重新砌筑
7.1.2砌体砖粘结不牢。
现 象:砌体中的砌块和砌筑砂浆粘结不良,掀开砌块有时可发现卧缝砂浆砌得不严,砖块之间有瞎缝(即砖块直接接触)。
原因分析:
(1)砌体灰缝过大,砂浆收缩值也大,引起与砖块分离。
(2)砖块在砌筑前未洒水,尤其是在高温干燥季节,砖块吸水率大,吸收砂浆中的水分,造成砂浆过早失水,影响砌体的整体性,导致砌体强度降低。
(3)采用不正确的砌法,特别是在砌砖时,习惯采用铺砖灌浆法,造成砂浆极不饱满。
治理措施:
(1)砌砖作业前视砖质量和气候情况,适当洒水润湿,同时要保持灰缝一定的厚度:砖砌体的水平灰缝厚度和竖向灰缝宽度一般为10~15mm。且必须控制砌筑砂浆的稠度(空心砌体砂浆稠度为60~80),并根据不同的气候条件进行调整。
(2)砌砖体采用铺浆法砌筑,铺浆长度不得超过750cm。砖砌体水平灰缝的砂浆应饱满,砌体水平灰缝的砂浆饱满度不得低于80%;竖向灰缝宜采用挤浆法或加浆法砌筑,使其砂浆饱满,严禁用水冲浆灌缝,砖砌体应上下错缝,内外搭砌,采用一顺一丁、梅花丁或三顺一丁的砌筑形式。
7.1.3墙体垂直度、平整度偏差
平面及墙面放线验收。立皮数杆,加强砌筑过程的控制及质量检查。发现偏差立即纠正。
7.2雨季施工注意事项
(1)砌体的整体稳定性多取决于砂浆的等粘结剂以及砌体材料的含水量,应掌握以下要点;砖在雨期必须集中堆放,不宜浇水。砌墙时要求干湿砖块合理搭配。砖湿度较大时不可上墙。雨期遇大雨必须停工。砌砖收工时应在砖墙顶盖一层干砖,避免大雨冲刷灰浆。大雨过后受雨水冲刷过的新砌墙体应翻砌最上面两层砖;
第八章 质量标准
一、主控项目
实心砖、蒸压砂加气混凝土砌块、砌筑砂浆的强度等级必须符合设计要求。检验方法:检查实心砖、蒸压砂加气混凝土砌块的产品合格证书、产品性能检测报告和砂浆试块试验报告。
二、一般项目
9.2.1、水平灰缝的砂浆饱满度应按净面积不得低于80%,竖向灰缝饱满度不得低于80%,竖向凹槽部位应砌筑砂浆填实,不得出现透明缝、瞎缝。
9.2.2、砌体砂浆饱满度度及检验法
|
砌体分类 |
灰缝 |
饱满度及要求 |
检查方法 |
|
蒸压加气混凝土砌块、轻骨料混凝土小型空心砌块砌体 |
水平 |
≥80% |
采用百格网检查块体底面及侧面砂浆的粘结痕迹面积 |
|
垂直 |
≥80% |
9.2.3、砌体尺寸允许偏差及检验方法如下表:
砌体尺寸允许偏差及检验方法
|
项次 |
项 目 |
允许偏差(mm) |
检验方法 |
|
|
1 |
轴线位移 |
10 |
用钢尺检查 |
|
|
2 |
垂直度 |
小于或等于3m |
5 |
用2m托线板或吊线、钢尺检查 |
|
大于3m |
10 |
|||
|
3 |
表面平整度 |
8 |
用2m靠尺和楔形塞尺检查 |
|
|
4 |
门窗洞口高、宽 |
±5 |
用钢尺检查 |
|
|
5 |
外墙上、下窗口偏移 |
20 |
用经纬仪或吊线检查 |
|
第九章 安全要求
1、进入工地作业区必须佩带安全帽,穿着反光背心。
2、在操作前必须检查操作环境是否符合安全要求,道路是否通畅,机具是否完好牢固,安全设施和防护用具是否安全,经检查符合要求后方可施工。
3、严禁使用砖及砌块作脚手架的支撑;脚手架搭设后经检查合格后方可上人使用,施工用的脚手板不得少于两块,其探头伸出架的支撑横杆约200mm,但也不许伸过太长做成探头板;砌筑时不准随意拆改和移动脚手架,楼层屋盖上的盖板或防护栏杆不得随意挪动拆除。
4、脚手架站脚的高度应低于砌筑高度;每块脚手板上的操作人员不得超过两人;采用砖笼吊砖时,砖在架子上或楼板上要均匀分布,不应集中堆放;灰桶、灰斗应放置有序,使架子保持通畅。
5、在楼层施工时,堆放机具、砖块等物品不得超过使用荷载。如超过荷载时,必须经过验算采取有效加固措施后,方可进行堆放施工。
6、不得站在墙顶上做划线、吊线、清扫墙面工作;上下脚手架应走通道,严禁踏上窗台出入。
7、在架子上割砖时,操作人员应面现向里把碎砖打在脚手板上,严禁把砖头打向架外;挂线用的坠线应绑扎牢固,以防坠落上人;禁止用手向上抛掷运送砌块,人工传递时,应稳递稳接;两人禁止在同一垂直线上作业。
8、吊运时不得超载,并经常检查吊运设备,发现问题及时修理。
9、砌块、砖运输车辆辆车前后距离平道上不小于2米,坡道上不小于10米;装砌块、砖时要先取高处后去低处,以防砖垛倾倒伤人。
10、在同一垂直面上下交叉作业时,必须设置安全隔板。
11、使用的工具、材料应放在稳妥的地方,工作完毕后将脚手板和墙上的碎砖、灰浆等清扫干净,防止掉落伤人。
12、采用手推车运送砂浆时,不得争先抢道,装车不应过满;卸车时应有挡车措施,不得用力过猛或撒把,以防车把伤人。
第十章 文明施工
1、下班或停止施工时,必须做到工完场清,同时必须保持搅拌机附近残余砂浆日产日清。
2、墙根、小车运料通道落地砂浆要及时清理,回收利用;
3、要做到工完场清,每一施工段施工完成后,清理浮渣、破损砌块,脚手架拆除等,为下道工序做准备;
4、根据图纸、排砖图准确计算所需砌块规格、需用量,按施工部位摆放砌块,避免无序摆放带来的二次倒运;
第十一章 成品保护
1、砌体上的设备槽孔以预留为主,不因剔凿而损坏砌体的完整性。
2、拆除施工架子时,注意保护墙体及门窗洞口角。
3、手推车在行进过程中,不得碰撞墙体。
4、有施工人员通过的门洞要做护角。
5、水平运料小车不允许刮碰柱、墙成品;
6、成品、半成品:成品、半成品进场后,在保证质量、安全的前提下合理码放,内墙隔板进场后要立即搬运室内,分散到各楼层分规格靠墙侧立,码放整齐,不得在楼层内集中堆放,以防荷载超过设计要求。
7、在墙体上开洞、开槽时,应弹线切割,并保持块体完整,如有松动或损坏,应进行补强处理。