SolidWorks绘图知识点
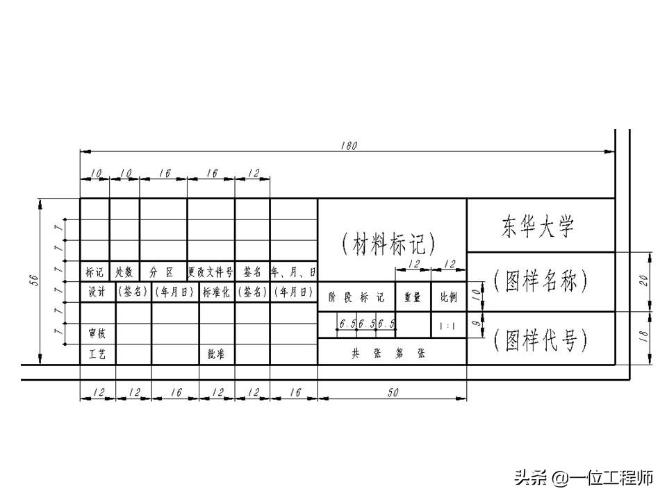
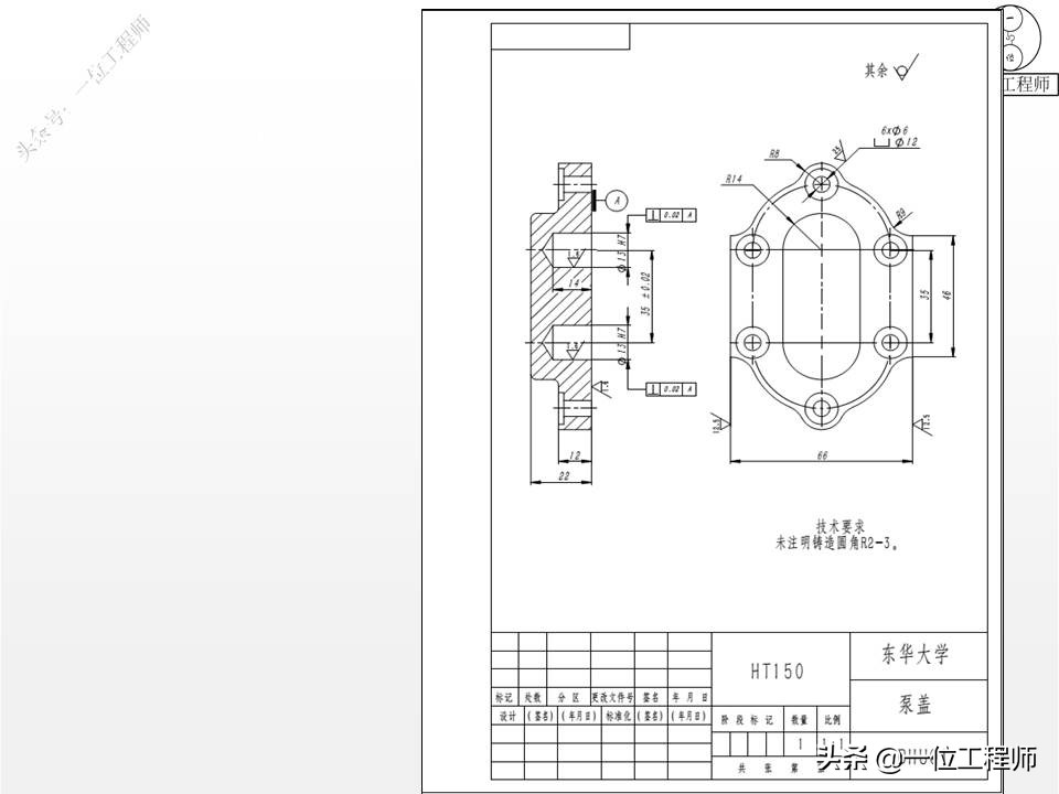
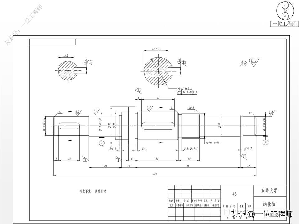
今天,一位给大家讲解SolidWorks工程图尺寸与注解。内容涉及到SolidWorks模板的设置、线型和图框的选用、尺寸标注注意事项等等内容,总共65页PPT内容进行介绍。
65页PPT介绍solidworks画零件图

































































1000G机械、液压、电气、非标等领域必备资料介绍
1000G机械相关领域全部资料涉及的面很广,具体来说内容涵盖传统机械行业、机械加工、材料类、材料成型、电气行业、液压行业、机电类、机械传动、一千多份非标设备三维模型和非标设计等等领域。
具体内容有:文档手册类(千余份工程师设计手册、机械设计手册、机电相关手册、液压类手册、自动化类手册、材料成型手册、非标设计手册等等,所有历史文章的PPT源文件等)。
常用的设计工具(500套自动计算表格,其中包括各类传动校核、选型设计表格、尺寸自动计算表格、轴承校核、齿轮校核与设计等等)。
视频教程类(十余款常用的机械设计软件的教程,其中包括UG各版本、SolidWorks、CATIA、proe、CAD、Adams等等基础知识)。
我相信这1000G全部资料对于提升你的能力一定会有很大的帮助。同时在工作中遇到相关问题的时候,这些资料也能提供很好的指导作用。






如需获取以上1000G机械领域相关资料的,可以后台留言咨询获取。