1、C51单片机内部时钟机制
CPU时序的有关知识
①振荡周期:为单片机提供定时信号的振荡源的周期(晶振周期或外加振荡周期)。
②状态周期:2 个振荡周期为 1 个状态周期,用 S 表示。振荡周期又称 S 周期或时钟周期。
③机器周期:1 个机器周期含 6 个状态周期,12 个振荡周期。
即机器周期=6个状态周期=12个震荡周期。
④指令周期:完成 1 条指令所占用的全部时间,它以机器周期为单位。
外接晶振为 12MHz 时,51 单片机相关周期的具体值为:
振荡周期=1/12us;
状态周期=1/6us;
机器周期=1us;
指令周期=1~4us;





2、NE555芯片原理
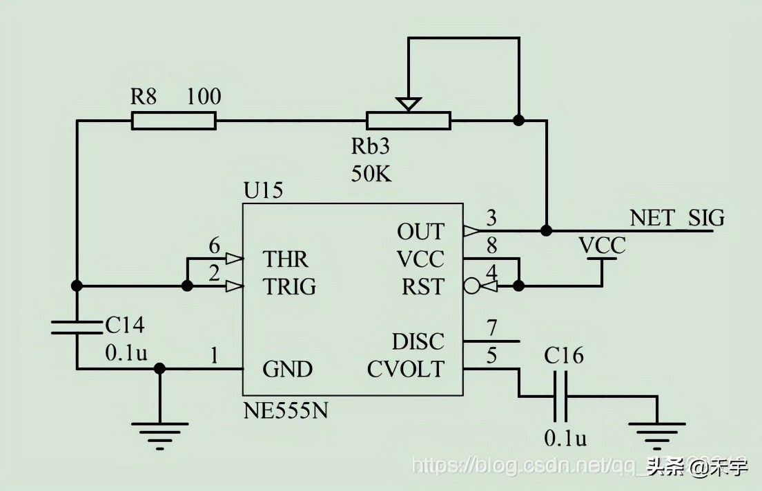
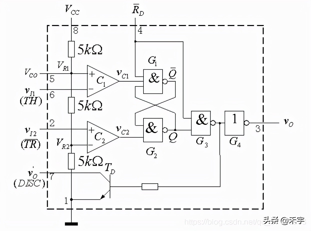
NE555是因为它内部三个电阻为5k的电阻而命名的,其实根据原理来说只要是三个电阻一样的都可以用,比如内部为三个6k的电阻,不过早期的设计出来的时候就用的是5k,所以名字也就没有变过。首先来看一下基本原理,蓝桥杯板子上,26脚相接,5脚接电容后接地,4脚和8脚接VCC,3脚接一个滑动变阻器后再加一个100Ω的电阻接到26脚上,7脚悬空。好了看了连接后,我们来看一下原理,(注意测量的时候是板子上右边排针SIGNAL和P34两个用跳帽相连)单片机启动后,3脚为高电平,通过滑动变阻器和固定电阻来给电容C14充电,当充电电压大于2/3VCC时,Vc1为0,Vc2为1,这时Q为0,G3为1,G4为0,输出V0也为0即低电平,这个时候C14通过滑动变阻器和固定电阻来放电,当其电压低于1/3VCC的时候,Vc1为1,Vc2位0,Q为1,G3为0,G4为1,输出V0为1即为高电平,这个时候C14又来进行充电,以此往复,形成脉冲,可以得出这是一个频率可变,而占空比不变的振荡信号。
那么可变频率的范围是多少呢?这个频率的改变是通过滑动变阻器Rb3来改变的,通过改变充电和放电的总时间而改变周期从而改变频率,最小频率对应为最大周期,是滑动变阻器和固定电阻和和最大的时候产生的即50100Ω,最大频率也就是为100Ω,


3、UART串口通信


4、C51的rs485通信
RS-485是美国电子工业协会(EIA)在1983年批准了一个新的平衡传输标准(balanced transmission standard),EIA一开始将RS(Recommended Standard)做为标准的前缀,不过后来为了便于识别标准的来源,已将RS改为EIA/TIA。目前标准名称为TIA-485,但工程师及应用指南仍继续使用RS-485来称呼此标准。
RS-485仅是一个电气标准,描述了接口的物理层,像协议、时序、串行或并行数据以及链路全部由设计者或更高层协议定义。 RS-485定义的是使用平衡(也称作差分)多点传输线的驱动器(driver)和接收器(receiver)的电气特性。
关键特性
- 差分传输增加噪声抗扰度,减少噪声辐射
- 长距离链路,最长可达4000英尺(约1219米)
- 数据速率高达10Mbps(40英寸内,约12.2米)
- 同一总线可以连接多个驱动器和接收器
- 宽共模范围允许驱动器和接收器之间存在地电位差异,允许最大共模电压-7-12V
信号电平
RS-485能够进行远距离传输主要得益于使用差分信号进行传输,当有噪声干扰时仍可以使用线路上两者差值进行判断,使传输数据不受噪声干扰。

RS-485差分线路包括以下2个信号:
- A:非反向(non-inverting)信号
- B:反向(inverting)信号
也可能会有第3个信号,为了平衡线路正常动作要求所有平衡线路上有一个共同参考点,称为SC或者G。该信号可以限制接收端收到的共模信号,收发器会以此信号作为基准值来测量AB线路上的电压。RS-485标准中提到:
- 若是MARK(逻辑1),线路B信号电压比线路A高
- 若是SPACE(逻辑0),线路A信号电压比线路B高
注:不同的IC使用的信号标示方式不同,不过EIA的标准中只使用A和B的名称。数据为1时,信号B会比信号A要高。不过因为标准其中也提到信号A是“非反向信号”,信号B是“反向信号”。因此信号A、B的定义就更容易混淆了,许多组件制造商(错误的)依循了这个A/B的命名原则,所以具体定义需要实际参考设计厂家芯片手册。
为了不引起分歧,一种常用的命名方式是:
TX+ / RX+ 或D+来代替B(信号1时为高电平)
TX- / RX- 或D-来代替A(信号0时为低电平)
下图列出在RS-485利用“异步开始-停止”方式发送一个字符(0xD3,最低比特先发送)时,U+端子及 U−端子上的电压变化。

阈值电压
如果发射器输入端收到逻辑高电平(DI=1),则线路A电压高于线路B(VOA>VOB);如果发射器输入端接收到逻辑低电平(DI=0),则线路B电压高于线路A(VOB>VOA)。如果接收器的输入端线路A电压高于线路B(VIA-VIB>200mV),则接收器输出为逻辑高电平(RO=1);如果接收器的输入端线路B电压高于线路A(VIB-VIA>200mV),则接收器输出逻辑低电平(RO=0)。

符合RS-485标准的驱动器能够提供不小于1.5V的差分输出(在54Ω负载下),符合RS-485标准的接收器能检测小到200mV的差分信号输入。 即便是在线缆和连接器严重降级的情况下,这两个值仍能为高可靠性的数据传输提供充足的余量。

单位负载(UL)
RS-485总线上的驱动器和接收器最大数量取决于它们的负载特性。驱动器和接收器的负载都是相对单位负载而衡量的。485标准规定一根传输总线上最多可以挂接32个单位负载。
单位负载定义为:在12V共模电压环境中,允许通过稳态负载1mA电流,或者是在-7V共模电压环境中,允许通过稳态负载0.8mA电流。将接收器输入阻抗看作12 kΩ并给收发器1mA电流,这可以代表一个单位负载。 部分RS-485接收器额定具有1/4或1/8UL,意味着可以挂载多数量的连接器。有关UL和接收器输入阻抗对应关系如下图所示:

工作模式 总线接口可以设计为如下两种方式:
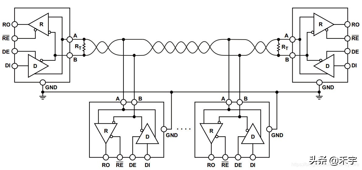
- 半双工(Half-Duplex)RS-485
- 全双工(Full-Duplex)RS-485
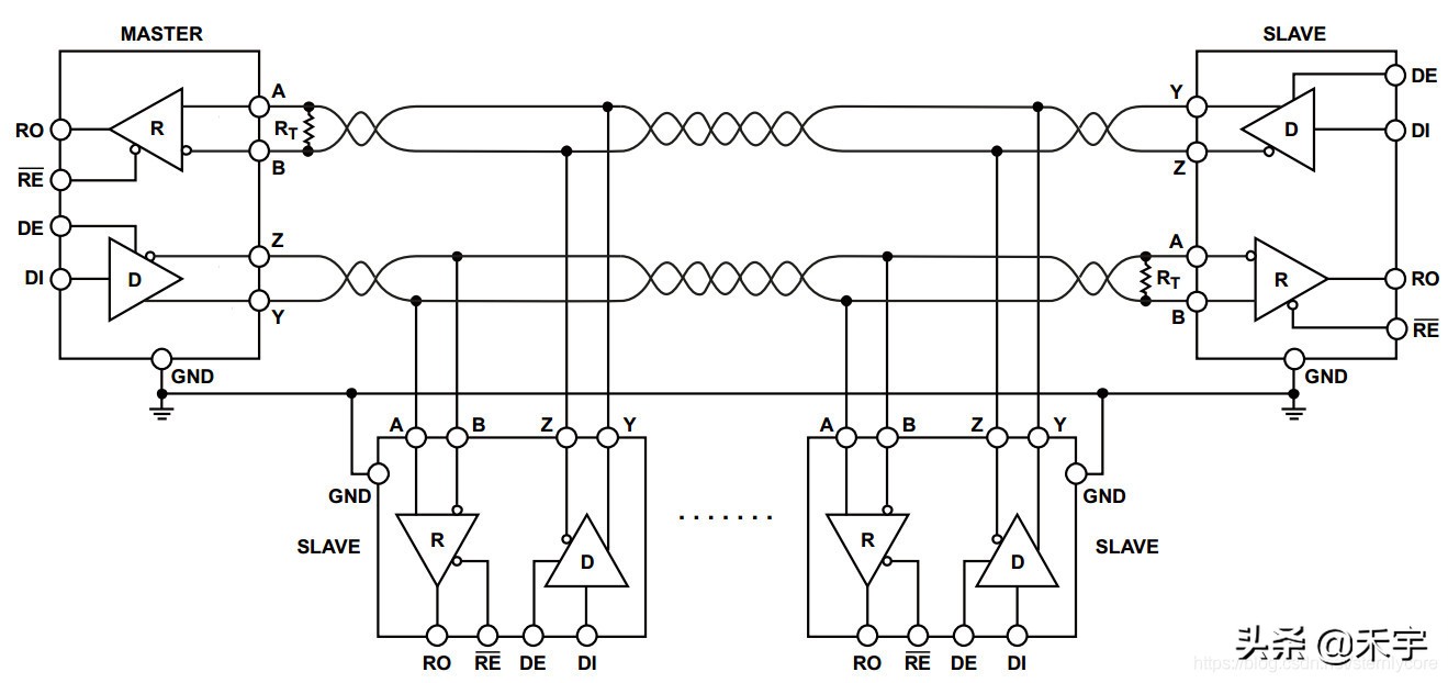
关于多个半双工总线配置如下图所示,一次只能在一个方向传输数据。

关于全双工总线配置如下图所示,允许主从节点之间双向同时通信。

总线终端和分支长度
为避免信号反射,当线缆长度很长时数据传输线必须有终点,并且分支长度尽可能的短。正确的终端需要终端电阻RT匹配,其值为传输线的特性阻抗Z0。RS-485标准建议线缆的Z0=120Ω。电缆干线通常终端匹配120Ω的电阻,线缆的末尾处各一个。见下图示意:

分支的电气长度(收发器和电缆干线的导线距离)应小于驱动器上升沿时间的十分之一:
LStub ≤ tr * v * c/10
LStub= 最大分支长度(单位英尺)tr= 驱动器(10/90)上升沿时间(单位ns)v = 信号在电缆上传输的速率相对于光速的比率c = 光速(9.8*10^8ft/s)太长的分支长度会导致信号发射反射影响阻抗,下图是长分支长度与短分支长度波形对比:

数据速率和电缆长度
使用高数据速率时,只能使用较短线缆。使用低数据速率时,可以使用较长的线缆。对应低速率应用,电缆的直流电阻通过在电缆压降增加了噪声裕量,限制了电缆长度。使用高速率应用时,电缆的交流效应限制了信号质量,限制电缆长度。下图提供了较为保守的电缆长度和数据速率变化曲线。
下面介绍RS485编程:RS485
本实验是C52试验总结:
编程接上文串口通信在上文串口通信基础上,编程RS485
P10是RS485的接收和发送状态:

RS485DIR初始为接收状态,

RS485接收发送数据程序部分:

测试部分:测试是一个是依法半导体的串口工具,在发送端用RS485转USB串口,接收端是*载下**的USB串口,形成一个闭合回路:接线电路,和串口工具测试结果如图:

我的RS485转串口是双路的,在接线时,对应的A接A,B接B即可。

