RS232转RS485/RS422双向通信协议转换器H105简介
双向通信协议转换器H105兼容RS-232C、RS-422、RS-485标准,能够将单端的RS-232信号转换为平衡差分RS-422或RS-485信号,内置快速的瞬态电压抑制保护器,此保护器被设计用来保护RS-422/RS-485接口,采用当今先进的TVS(TRANS IENNT VOLTAGE SUPPERSSOR)瞬态电压抑制器 ,正常情况下TVS管呈高阻状态,当TVS管两端经受瞬间的高能量冲击时,它能以极高的速度将其两端的阻抗降低,吸收一个大电流,从而把其两端的电压钳制在一个预定的数值上,保护后面的电路元件不因瞬态高压冲击而损坏。此保护器可以有效地抑制闪电(LIGHTNING),提供每线600W的雷击浪涌保护功率,以及各种原因在线路上产生的浪涌电压和瞬态过压。并且极小的极间电容保证了RS-422/RS-485接口的高速传输。RS-232接口端通过一个DB9母头的连接器与兼容RS-232C标准接口相连,RS-422、RS-485端口通过DB9公头的连接器连接。
双向通信协议转换器H105内部带有零延时自动收发转换,独有的I/O电路自动控制数据流方向,而不需任何握手信号(如RTS、DTR等),无需跳线设置实现全双工(RS-422)、半双工(RS-485)模式转换,即插即用,确保适合一切现有的通信软件和接口硬件,不需要对以前基于RS-232工作方式的任何软件进行修改

RS232转RS485/RS422双向通信协议转换器H105
双向通信协议转换器H105可以为点到点、点到多点的通信提供可靠的连接,点到多点每台转换器可允许连接32个RS-422或RS-485接口设备,数据通讯速率300-115,2KBPS,带有电源指示灯及数据流量指示灯可指示故障情况、支持的通讯方式有RS-232到RS-422、RS-232到RS-485转换
RS232转RS485/RS422双向通信协议转换器H105性能参数
01、接口特性:接口兼容EIA/TIA的RS-232C、RS-485/RS-422标准
02、电器接口:RS-232 接口输入DB9孔型的连接器,RS-422/RS-485接口输出DB9针型、RJ-45的连接器
03、保护等级:RS-422、RS-485接口每线600W的雷击浪涌保护
04、工作方式:异步半双工或异步全双工
05、信号指示:三个信号批示灯电源(PWR)、发送(TXD)、接收(RXD)
06、传输介质:双绞线或屏蔽线
07、传输速率:115.2K BPS到300M;38.4K BPS到2.4KM;9600 BPS到5KM
08、外形尺寸:97mmX65mmX26mm
09、使用环境:-25℃到70℃,相对湿度为5%到95%
10、传输距离:0~5000米(115200bps~9600bps)
RS232转RS485/RS422双向通信协议转换器H105接线信号说明

RS-232C引脚分配与RJ-45插座引脚分配图
RS-485/RS-422输出信号及接线端子引脚分配

RS-485/RS-422输出信号及接线端子引脚分配说明图
双向通信协议转换器H105采用DB-9/DB-9通用连接器为输入/输出接口,无需跳线设置自动实现RS-485或RS-422通信方式,可使用双绞线或屏蔽线,连接、拆卸非常方便。T/R+T/R-代表发射、接收A+/B-,RXD+/RXD-代表接收A+/B-,VCC代表输入或输出电源,GND代表公共地线,点到点,点到多点、半双工通信接两根线T/R+、T/R-,点到点、点到多点、全双工通信接四根线T/R+、T/R-、RXD+、RXD-
RS232转RS485/RS422双向通信协议转换器H105支持的四种通信方式
01、点到点/四线全双工
02、点到多点/四线全双工
03、点到点/两线半双工
04、点到多点/两线半双工
注意:转换器H105作为全双工或半双工接线时,为了防止信号的反射和干扰,需在线路的终端接一个匹配电阻(参数为120欧姆1/4W)
RS232转RS485/RS422双向通信协议转换器H105通信连接示意图
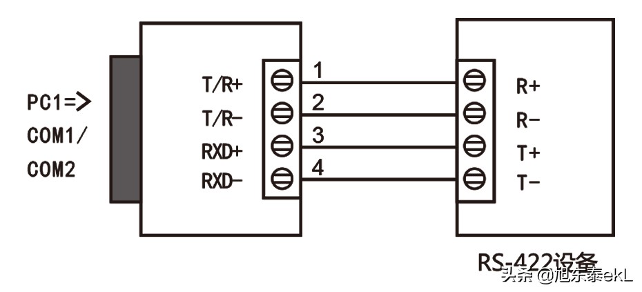
RS-422点到点/四线全双工通信

RS-422点到点/四线全双工通信连接使用示意图
RS-422点到多点/四线全双工通信

RS-422点到多点/四线全双工通信连接使用示意图
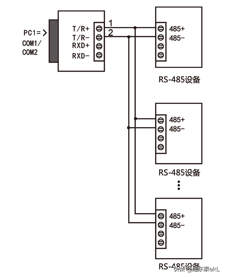
RS-485点对多点/两线半双工通信

RS-485点对多点/两线半双工通信连接使用示意图
转换器之间全双工通信连接

转换器之间全双工通信连接使用示意图
RS232转RS485/RS422双向通信协议转换器H105故障及排除方法
01、数据通信失败
A、检查RS-232接口接线是否正确
B、检查RS-485/RS-422输出接口接线是否正确
C、检查供电是否正常
D、检查接线端子是否连接良好
E、观查接收指示灯接收时是否会闪烁
F、观查发送指示灯发送时是否会闪烁
02、数据丢失或错误
A、检查数据通信设备两端数据速率、格式是否一致