数据中心安全防范系统综合布线设计
早安电气 阅读1062 评论5 收藏 0 举报 [复制转发]
版块: 电气工程 \ 供配电技术
。
1、安全防范系统设计
数据中心的安全防范系统是保障机房安全的重要措施。常规数据中心需要防范两类问题:
1)防设备损坏:机房内放置的都是精密的信息化设备(如路由器、交换机、服务器等硬件,不得随意挪动或更改位置。
2)防泄密:由于机房内存储内容涉及商业机密,一旦泄露会造成无法估计的影响,需要对进出人员进行管制。
安全防范子系统主要包括:视频监控系统、入侵报警系统、出入口控制系统、安全防范集成管理系统等。安防系统对数据中心的重点区域进行实时视频监控,对出入口实施门禁管控,对可能发生入侵的场所实施报警管理。各子系统之间实行联动管理控制及统一处理机制。安防系统对于安保运维人员及时发现警情和故障、快速处理并解决问题起着重要作用。
1.1 风险防范等级及安全防范策略
数据中心的安全防范系统应遵循如图2所示的四级安全防范策略进行规划设计。针对不同的风险防范级别,分别采用不同的技术防范措施和人员管理措施。

四级风险防范区域主要通过周界、道路防范措施对人员、车辆进行控制,并设置视频监控系统及周界报警系统。
三级风险防范区域(入口缓冲区、登记受理区、电梯厅、楼梯等)主要对人员出入进行控制,采用出入口控制、视频监控、防盗报警系统进行管理,并设置必要的安检与反恐装置。门禁系统以单向刷卡为主,特别的内部操作室设置严格的双向门禁认证系统。
二级风险防范区域(机房间、设备间走道、办公区)通过双向刷卡的门禁系统、视频监控、防盗报警系统经行管理,通过人员的权限设置来控制出入人员,设置防尾随的安检闸机,设置人员定位系统,并将监控与报警和门禁系统做联动,门禁系统刷卡时增加密码输入措施。
一级风险防范区域(机房核心区、动力保障区、ECC控制中心)一般在二级防范区技术控制措施的基础上进行强化,增加生物识别装置等;视频监控系统加强为无盲区配置,增加人物特征识别、重要物品移动识别等功能。
本工程在9#楼二层的ECC中控中心设置安防总控制中心,安防总控制中心能进行统一的监视、控制与管理,集中权限管理。
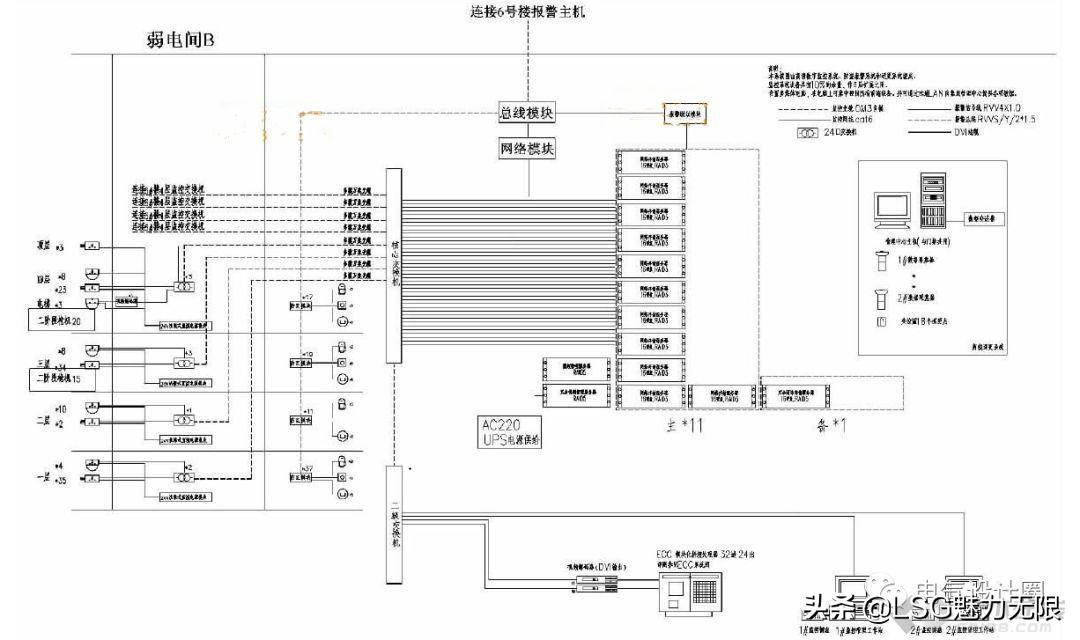
1.2 视频监控系统设计视频
监控系统采用全数字架构,由数字彩色摄像机、网络交换机、管理服务器、视频存储系统、磁盘阵列、编解码器、监视器、视频工作站及其他部件等组成。前端摄像机视频信号就近分区接入至弱电井的接入交换机,核心交换机按分区分别设置在核心网络机房A和核心网络机房B。系统采用集中供电至各层弱电间(强电预留不间断电源及市电回路),经由网络交换机POE供电模块为各摄像机供电。
四级风险防范区域采用室外低照度彩色枪式/全球摄像机进行监控。
三级风险防范区域采用双鉴探测器(出入口)+单向门禁(出入口)+室内彩色枪式或半球摄像机进行监控。
二级风险防范区域采用双向门禁+定点彩色摄像机进行监控。
一级安全防护区采用双向门禁(入口门禁设生物识别+读卡技术/出口读卡)+出入口及机柜前后定点彩色摄像机进行监控。
其中门禁、入侵报警系统与监控实时联动,发生异常时,安防控制中心的监控墙画面自动弹出对应视频画面。
1.3入侵报警系统设计
入侵报警系统主要由前端探测器、报警主机以及通讯路由三部分组成。负责建筑内外各个点、线、面和区域的侦测任务,通过总线方式连接防区模块,防区模块可以通过地址码将所有探测器一一区分出来,每个防护区应与此区域内的摄像机进行联动。
四级风险防范区域:在围墙上布设高压脉冲围栏子系统。
三级风险防范区域:在首层出入口、每层楼梯口、每层电梯前室设置双鉴探测器。
二级风险防范区域:在机房间、设备间走道、办公区的出入口设置双鉴探测器。
一级风险防范区域:在机房核心区、动力保障区的出入口设置双鉴探测器。

1.4 出入口控制与一卡通系统设
计
由门禁控制读卡器、出门按钮、机电一体锁、门磁、门禁管理主机等组成。管理主机设安防总控中心,各区域控制器采用TCP/IP与服务器通信,所有控制器均可自主工作,根据风险防范级别要求在不同的防护区之间设置相应的门禁点;出入口控制系统采用IC卡、生物识别等复合技术。
三级安全防护区:主要出入口设置单向IC读卡设备+电子门锁进行防范。
二级防护区:安装双向IC读卡器+机电一体锁,读卡设备设置在房间外,兼顾闯入报警功能。
一级防护区:数据机房人员入口设置双向门禁:安装生物识别+IC卡复合型设备+出口安装IC读卡器+机电一体锁设备。
门禁和附近的监控摄像机联动,当发生门被强行打开或打开超时报警时,安防控制中心的监控墙画会自动弹出对应视频画面。
门禁系统兼容数据中心的消费、停车、考勤等功能,建立统一的一卡通系统平台。

1.5 安全防范集成管理系统设计
安全防范集成管理系统通过标准、开放的通信接口和协议,将安全防范各个子系统联网,并集成到统一的管理平台中,实现安防总控中心对数据中心信息安全的系统集成和自动化管理。
系统集成平台具有实时、灵活的联动功能,能实现多种安全防范策略:视频图像分析、电子地图报警、历史图像查询、报警/事件与视频系统复核、应急指挥、远程管理等。系统留有与公安110报警中心联网的通信接口。

版权声明
本文资料来源于互联网,版权均归原作者所有,如有侵权,请联系我们删除。