重要提示
安规电容分为X电容和Y电容,它们用于EMI/RFI 抑制中。EMI(Electro Magnetic Interference)意为电磁干扰,RFI(Radio Frequency Interference)意为射频干扰。
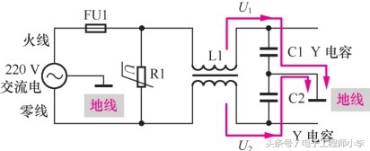
图2-89所示是X电容和Y电容应用电路,这是开关电源的220 V 交流输入电路,也称为瞬变滤波电路或称为EMI滤波器。电路中的R1为压敏电阻器,L1和L2是铁氧体线圈,FU1为熔断器。

图2-89 X 电容和Y 电容应用电路
图2-90是开关电源中的X电容器和Y电容器实物图。

图2-90 开关电源中的X 电容器和Y电容器实物图
EMI滤波器作用提示
EMI滤波器设置在220 V交流电进线与整流电路之间,用来滤除市电网中的电压瞬变和高频干扰,同时也防止开关电源中的开关管产生的高频干扰传输到市电网中,形成对其他用电器的高频干扰。
1.差模高频干扰信号与X电容电路分析
220 V 交流电进线为两根,一是火线,二是零线。这两根线上会产生两种高频干扰信号,即差模高频干扰信号和共模高频干扰信号,如图2-91所示。
从图中可以看出,高频干扰信号U1和U2方向相同,且它们大小相等,这样的两个信号称为共模信号;高频干扰信号U3和U4方向相反,且它们大小相等,这样的两个信号称为差模信号。

图2-91 差模高频干扰信号和共模高频干扰信号
在电路中接入X电容C3后,由于高频干扰信号频率比较高,C3对高频干扰信号的容抗小,这样差模高频干扰信号通过X电容C3成回路,如图2-92所示,而不能加到后面的整流电路中,达到消除差模高频干扰信号的目的。

图2-92 X 电容消除差模高频干扰信号示意图
2.共模高频干扰信号与Y电容电路分析
图2-93是Y电容消除共模高频干扰信号示意图,抑制共模高频干扰信号必须用两只Y电容,因为火线和零线上都有高频干扰信号。

图2-93 Y 电容消除共模高频干扰信号示意图
火线上的共模高频干扰信号通过Y电容C1到地线,零线上的共模高频干扰信号通过Y电容C2到地线,这样共模高频干扰信号就不能加到后面的电路中,达到抑制共模高频干扰信号的目的。
X电容器要求提示
对安规电容器的基本要求是,X或Y电容器失效后,不会导致电击,也不危及人身安全,为此X电容器和Y电容器都需要取得安全检测机构的认证,如 UL、CSA 等标识,并在电容器外壳上标出这些标记。图2-94所示是X电容器和Y电容器实物照片。

图2-94 X 电容器和Y电容器实物照片
X电容器通常是黄色的方形电容器,Y电容器则多为橙色或蓝色的圆形电容器。安规电容器上会标出耐 压 AC 250 V 或 AC 275 V, 但是它们真正的直流耐压高达 5 000 V以上,所以不得随意使用标称耐压AC 250 V 或 者 DC 400 V 之 类 的普通电容器代用。
由于火线与零线之间直接接X电容器,它主要受电压峰值的影响,为了避免短路,重点关心的参数是耐压等级,在电容值上没有定限制值。
在安规标准中,安规电容器分有安全等级,即应用中允许的峰值脉冲电压。X电容器按脉冲电压大小分为X1、X2 和 X3 三种安全等级。它们的区别主要在耐压参数上:
X1 >2.5 kV,X1≤4.0 kV;
X2 ≤2.5 kV;
X3 ≤1.2 kV。
Y电容器要求提示
火线与地线直接接Y电容器,这时主要涉及漏电安全的问题,因此Y电容器重点关注的参数是绝缘等级,按绝缘等级分,Y电容器有多种:Y1、Y2、Y3和Y4。
Y1电容器双重绝缘或加强绝缘≥250 V,耐高压大于8 kV;
Y2电容器基本绝缘或附加绝缘≥150 V、 ≤250 V,耐高压大于5 kV;
Y3电容器基本绝缘或附加绝缘≥150 V、 ≤250 V;
Y4电容器基本绝缘或附加绝缘<150 V,耐高压大于2.5 kV。
太大容量的Y电容器会在电源断电后对人和元器件产生不良影响,所以Y电容器的电容量必须受到限制。规定Y电容器的容量应不大于0.1 mF。Y电容器除符合相应的电网电压耐压外,还要求这种电容器在电气和机械性能方面有足够的安全余量,避免在极端恶劣环境条件下出现击穿短路现象,Y电容器的耐压性能对保护人身安全具有重要意义。
3.安规电容认证标记
表2-11所示是主要国家安规电容认证标记。

表2-11 主要国家安规电容认证标记