收到江苏同行发来的一台ThinkPad S3-S431笔记本电脑,说是客户在别家已经维修过了,没有维修好,发来让看下能不能维修。

主板板号:LA-9611P,接可调电源上电0.033掉电,有电压没出来。上家加焊过桥,没动显卡跟CPU。主板上维修过的地方也没有擦拭干净,满满的焊油!

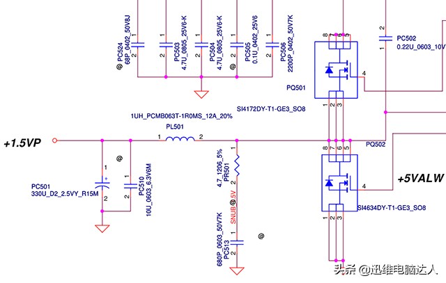
打开“鑫智造”, 查看图纸,经过测量发现PL401+3VALWP短路。

PL701 +1.05VS短路,PL501 +1.5VP短路。

一步一步排查!把PL401电感撬起,发现是后级短路,直接上3V 3A“烧机”,发现PCH很烫,再加上家动过桥,果断上BGA拆掉,拆掉后PL401和PL701已经不短路了,但PL501还是短路。
PL501是+1.5VP给内存供电的,果断拆掉内存,再次测量发现已经不短路了,直接上电发现电流上到0.6不开机。测量电压发现除了PL1002 +VCC_GFXCORE_AXG集显供电没出来外,所有电压均正常。

直接上示波器,查找内存总线SMB_CLK和SMB_DATA看波形信号,发现只有电压没有波形。不读内存的因素可大可小,本着“先易后难”的原则,刷了个原厂BIOS后,上电测试,电流已经上到0.8A,再次测量总线波形,已经出来了,接屏测试已经亮机。但开机显示报错无序列号,如图:

第一时间想到了“安全芯片”——EPOM 8脚的芯片的程序问题,但刷个程序上去结果后还是一样。

这个主板EC是KB9012QF,也是一个带程序的, 取下来刷写还是一样的故障,暂时先不管这个序列号的问题,直接找测试硬盘安装系统测试看看是否能正常使用,结果却连系统都进不去,开机显示windows启动管理器报错,如图:

把所有的外设,包括键盘触摸板、无线网卡、触摸屏的排线都拔了,开机再试还是一样的。怀疑这个报错和桥有关系,因为桥管理大部分外设。更换一个桥,再次上电显示已经开机故障依旧。仔细测试,发现32M晶振起振异常,找一个换上后,故障解除,维修结束。

本案例由迅维快修深圳旗舰店(王工)原创提供,未经允许不得转载!