郗洪涛 赵若楠 李 进 王 雄
0 引言
神华黄骅港务有限责任公司的翻车机承担着全公司的卸煤任务,是港务公司的关键生产设备之一。翻车机液压系统经常出现故障,对生产作业影响较大。由于翻车机液压系统较为复杂,液压系统一旦出现故障,故障诊断处理时间较长,严重影响翻车机的生产效率。因此对翻车机液压系统进行在线监控和故障诊断的研究,对提高翻车机液压系统故障诊断效率、缩短液压系统故障造成的停机时间、提高设备的有效利用率有重要意义。本课题通过翻车机液压系统故障仿真研发、翻车机液压系统数据采集系统研发、翻车机液压系统故障诊断系统研发,建立了翻车机液压系统在线故障诊断系统,大大提高了翻车机液压系统故障诊断效率,提高了黄骅港翻车机的生产效率。
1 翻车机液压系统组成及原理
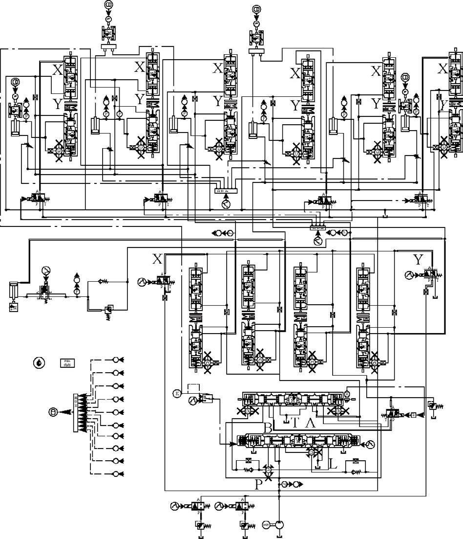
神华黄骅港翻车机是C 形转子翻车机,液压系统由闭端、开端两部分组成,闭端部分包括闭端压车机构、靠车机构、闭端控制阀块,其中压车机构由6 个液压缸组成,靠车机构由8 个液压缸组成,如图1、图2 所示。开端部分包括开端压车机构、开端控制阀块,其中压车机构由4 个液压缸组成,振打机构由4 个液压缸组成,如图3 所示。

图1 闭端压车液压原理
2 翻车机液压系统故障仿真研究
2.1 仿真思路
采用AMESim 建立翻车机液压系统仿真模型,在模型中添加压力观测点,具体位置、数量与翻车机液压系统预留压力监测点相同,采用变参数和改变控制变量的方法,对翻车机常见液压系统故障进行模拟仿真。查看仿真模型中设立的观察点处的压力,与正常系统运行下压力曲线进行对比,确定与仿真故障相关度最高、故障压力变化最明显的观测点为传感器安装点,从而拟定翻车机液压系统参数在线监测系统传感器布置方案,同时为故障诊断专家系统知识库的建立提供参考,为故障诊断提供样本。

图2 闭端靠车液压原理

图3 开端压车液压原理
2.2 系统建模
2.2.1 液压元件建模
AMESim 液压元件模型包含两个来源[1]:1)来源于AMESim 软件中Hydraulic 元件库包含的元件模型,主要包括常见的液压元件,根据需要自行改变其参数设置;2)来源于AMESim 软件中Hydraulic ComponentDesign 库,根据液压元件的基本组成结构,选取模块搭建液压元件模型,根据液压元件样本所提供的参数,对模型进行参数调整,使其满足元件的基本性能。由于液压元件较多,在此只列举部分仿真元件的建模方法,其余不再赘述[3]。
液控单向阀建模仿真:根据液控单向阀样本提供的液控单向阀结构如图4 所示,搭建液控单向阀模型如图5 所示。根据样本参数,对模型进行参数设置,结合液控单向阀流量—压差曲线,对液控单向阀模型参数进行调整,使其符合元件样本要求。

图4 液控单向阀结构图

图5 液控单向阀模型
验证液控单向阀建模正确性的主要性能指标包括:开启压力、正向开启压差—流量曲线、反向开启压差—流量曲线,对比图6 和图7,可以看出仿真曲线与样本曲线一致,液控单向阀模型搭建正确,参数设置符合基本情况,满足液压系统仿真的要求。

1. 正向 2. 反向
图6 液控单向阀样本压差曲线

图7 液控单向阀反向仿真压差曲线
电液换向阀建模仿真:根据电液换向阀样本提供的电液换向阀结构图如图8 所示,搭建电液换向阀模型如图9 所示。根据样本参数,对模型进行参数设置,结合电液换向阀流量—压差曲线,对液控单向阀模型参数进行调整,使其符合元件样本要求。

图8 电液换向阀结构图

图9 电液换向阀模型
验证电液换向阀建模正确性的主要性能指标为压差—流量曲线,对比图10 和图11,可见仿真曲线与样本曲线一致,电液换向阀模型搭建正确,参数设置符合基本情况,满足液压系统仿真的要求[2]。
2.2.2 液压系统建模
按照翻车机液压系统原理图,采用以上建立的液压元件模型及AMESim 元件库中的元件模型,搭建翻车机液压系统模型。对系统模型管路、节点等参数进行设置,综合调整各元件及节点参数,使其最大程度接近翻车机运行状态。结合AMESim 机械库、液压库、信号库搭建翻车机闭端压车系统模型、开端压车系统模型,如图12、图13 所示[4]。

图10 电液换向阀样本曲线

图11 电液换向阀仿真曲线

图12 闭端系统模型

图13 开端系统模型
2.3 模拟仿真
2.3.1 翻车机液压系统控制原理
1)电液换向阀201 左位工作,换向阀203.2 左位工作(液控单向阀204.1 ~ 204.4 的控制油口X 通压力油,液控单向阀正向打开),换向阀272.1 ~ 272.4 右位工作(液控单向阀262.1 ~ 262.6 控制油口X 通油箱,液控单向阀正向打开)。压车梁压紧后,液控单向阀204.1 ~ 204.4 锁紧(换向阀203.2 右位工作控制口X 接油箱,换向阀203.3 左位工作控制口Y 口通压力油确保液控单向阀的锁紧),液控单向阀262.1 ~ 262.6 控制口X 口接油箱,锁死液压缸。
2)翻车机翻转过程中,铁路车辆在重车时,承载弹簧呈压缩状态,卸为空车时,部分弹簧势能需要释放。翻车机压车梁压车完毕后,在翻卸过程中,弹簧的反作用力对翻车机会产生不利影响,为了克服此弹簧力,在5°~ 75°过程中,换向阀272.1 ~ 272.4 左位工作(液控单向阀262.1 ~ 262.6 控制口X 通压力油,单向阀反向开启),由于弹簧力的作用导致压车液压缸回退,有杠腔压力上升,当压力达到溢流阀206 设定值时,压车液压缸有杆腔液压油通过溢流阀206 进入平衡液压缸250 有杆腔,平衡液压缸活塞杆缩回。同时,平衡液压缸250 无杆腔液压油补充到压车液压缸无杆腔中,压车液压缸活塞杆伸出,压车梁松压,松压距离由溢流阀206 设定[2]。
3)翻车机在继续翻卸或回翻时,液控单向阀262.1 ~ 262.6 关闭,压车液压缸被锁紧,压车梁也处于安全不动状态;翻车机在零位时,压车梁松压,压车液压缸活塞杆伸出。同时平衡液压缸250 活塞杆伸出进行复位[2]。
2.3.2 仿真参数设置
根据翻车机液压系统实际工作原理及实际系统参数,设置每个液压元件的模型参数,并施加载荷曲线,通过origin 软件对翻车机的负载进行曲线拟合,如图14 所示。

1. 拟合前 2. 拟合后
图14 载荷曲线
2.3.3 仿真结果
参数设置完成后,进行整个闭端压车系统的仿真,验证仿真系统的正确性。仿真模型运行分三个阶段:第一阶段是0 ~ 9.296 s 压车缸的关闭阶段,在这个阶段补偿缸不起作用;第二个阶段是9.296 ~ 44.8 s 翻车机0 ~ 160°~ 0 翻转的过程,这个过程压车缸有个回退的过程,同时补偿缸需要给压车缸补偿回退过程所需的流量;第三个阶段是44.8 ~ 49.84 s 翻车机压车缸抬起的过程。整个过程的位移曲线如图15 所示,基本符合翻车机压车缸的实际位移曲线,压车缸的有杆腔的压力曲线如图16 所示,与实际翻车机运行时收集的压力曲线基本符合,所以整个系统模型搭建是正确的。其余仿真结果不再赘述。

图15 压车缸及补偿缸位移曲线

1. 仿真曲线 2. 实际曲线
图16 闭端压车缸有杆腔压力对比
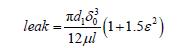
采用变参数的方法,得到液压元件常见故障模型,并在液压元件正常与故障状况下进行系统仿真,观察观测点处压力曲线变化趋势。将故障曲线与正常曲线进行对比,确定出能够准确反映该故障的压力监测点。通过该方法,最终确定出液压系统压力监测点的布置方案。由于仿真数据较多,在此只列举靠车缸280.1 内泄漏故障仿真一项仿真结果,其余不再赘述。液压缸内泄是由于翻车机工作时间过长、液压缸密封圈老化、以及靠车缸偏载使缸筒内壁和活塞磨损严重等原因造成的。由于液压缸内泄漏发生在液压缸内部,当内泄漏流量较小时很难被发觉,只有在内泄过于严重而影响活塞运动速度时才会被发现。本文中靠车缸内泄故障仿真是通过设置HY 库中的液压缸内泄系数实现的。在AMESim 软件中按式(1) 计算内泄漏流量[2]。

式中:q leak 为泄漏流量;p 1 为无杆腔压力;p 2 为有
杆腔压力;leak 为泄漏系数,L/(min·MPa),在正常
情况下leak = 0。
液压缸内泄漏流量理论计算

式中:d 1 为液压缸活塞直径;δ 0 为活塞与缸筒同心时的缝隙高度;μ 为油液动力粘度;l 为活塞密封长度;ε 为相对偏心距,ε =e /δ 0,e 为偏心距。比较式(1) 和式(2) 可得出内泄漏系统计算式

经计算内泄漏系数为52 L/(min·MPa)。在保压阶段,正常情况下是由4 个靠车缸共同承担货物和车皮重力。当一个液压缸发生内泄时无杆腔的压力难以建立,原来由4 个靠车缸承受的负载变为3 个缸承受,使这3 个缸压力增大。对靠车缸的内泄漏故障的注入,通过AMESim 软件的批处理功能设置靠车缸280.1 的leakage coefficient 参数的值为0、5、10,分别代表缸的三种状态,仿真结果如图17 所示[2]。

图17 靠车缸280.1 有杆内腔泄漏故障仿真结果
当发生内泄漏时如图所示,在关闭靠车板和翻转阶段,靠车缸280.1 的无杆腔的压力明显小于正常的压力,几乎接近零,靠车缸280.2 ~ 280.4 无杆腔压力在翻转的过程中有明显上升。这与实际系统运行情况相符,说明了仿真模型的正确性,其余仿真数据在此不再赘述。
3 翻车机液压系统数据采集系统研究
考虑翻车机现有控制器为美国AB 公司PLC5,方便通讯与扩展,本系统采用美国AB 公司CompactLogix 系列PLC 构建翻车机液压系统数据采集系统。根据仿真结果,以传感器、模拟量输入模块、工业控制器、交换机构成环形数据采集网络,完成液压系统数据采集系统的开发。数据采集系统最终实现数据实时采集与显示、单通道数据观测、历史数据查询和数据实时保存等功能[5]。
3.1 数据采集硬件系统
数据采集系统以PLC 为核心,结合传感器、模拟量输入模块、交换机构成环形数据采集网络。温度信号与压力信号均为模拟量信号,通过传感器输出后均为4 ~ 20mA 电流,通过模拟量传输模块进入环形以太网,考虑到数据传输较远,信号衰减较强,采用了光纤传输[6]。振动信号的传输是通过D 网实现的。振动传感器采集到振动信号后传输至6 通道通频振动监测器,6 通道通频振动监测器信号通过D 网网线将信号传输至挂接在PLC 控制器上的D 网模块,实现振动信号的采集。翻车机液压系统原有10 路压力信号的读取,是通过与PLC5 控制系统进行通讯获取的,PLC5 控制系统中的交换机用以太网网线连接至新建数据采集系统的交换机,通过MSG 指令实现数据与控制信号的读取。具体数据采集系统拓扑图如图18 所示。

图18 数据采集系统网络拓扑图
3.2 翻车机液压系统参数在线监测系统客户端
上位机监控界面拟采用Allen-Bradley 公司提供的组态软件Factory Talk View Studio 来开发。监控界面主要功能为:单通道数据实时观测、数据实时保存、历史数据查询、历史数据变化趋势图表分析以及事故报警等[7]。
4 翻车机液压系统故障诊断专家系统研究
翻车机液压系统故障诊断专家系统的目标是:了解关键液压设备当前的运行状况,判断被监测液压元件的状态变化趋势,诊断被监测液压系统故障的发生部位和故障的严重程度,实现对设备故障早知道、早预报、早诊断,把故障消灭在萌芽之中。目的是提高设备运行完好率、减少设备停机时间及降低维修成本[8]。翻车机液压故障诊断专家系统是一个基于数据和知识的智能推理系统,它将现场采集的压力信号进行处理,根据数据的变化特点,与诊断规则逐条匹配,如果匹配成功则输出诊断结果。翻车机液压系统故障诊断专家系统采用VB 语言进行研发,主要包括在线诊断和离线诊断。
4.1 在线诊断功能
在线诊断是专家系统的主要功能,它不需要人为参与,可以实现翻车机工作过程中的实时诊断,并将诊断结果保存到数据库中,方便以后查找。诊断结果图中包含故障原因、故障解决建议和故障推理分析三个文本框,如图19 所示。故障推理分析是对压力数据到诊断结果的推理,便于操作人员更好地理解诊断原理,并且列出发生故障时系统的关键参数。

图19 在线诊断结果图
4.2 离线诊断功能
离线诊断功能是针对翻车机压车缸和靠车缸打开和关闭动作进行分别检测的故障诊断程序,可以满足实际维修过程的检测目的。该程序是将一个翻车周期的所有压力数据保存下来,再点击开始诊断按钮,程序便将数据进行分类分析,如果液压系统存在故障则输出诊断结果。它满足闭端压车系统、闭端靠车系统和开端压车系统单独动作的诊断,但它需要操作人员进行适当操作,保证每次诊断只读取一个翻车周期的数据。窗口上部显示三个系统的工作状态,当系统出现故障时,将故障原因、解决建议和故障推理分析一并给出。
5 结论
本文通过翻车机液压系统故障仿真研究、翻车机液压系统数据采集系统研究、翻车机液压系统故障诊断系统研究,建立了翻车机液压系统在线故障诊断专家系统,使现场维保技术人员对翻车机液压系统运行状况、判断被监测液压元件的状态变化趋势、诊断被监测液压系统故障的发生部位和故障的严重程度起到了积极指导作用,实现了对液压故障的早知道、早预报、早诊断,大大提高了翻车机液压系统故障诊断的效率。