一、316(E30)(发动机号:18 4V D(M10))(1984-1988);316i(E30)(发动机号:18 4K A,18 4E B,18 4E A(M10))(1987-1989);318i(E30)(发动机号:18 4E W,18 4E B(M10))(1984-1989)
(一)气门正时调节步骤
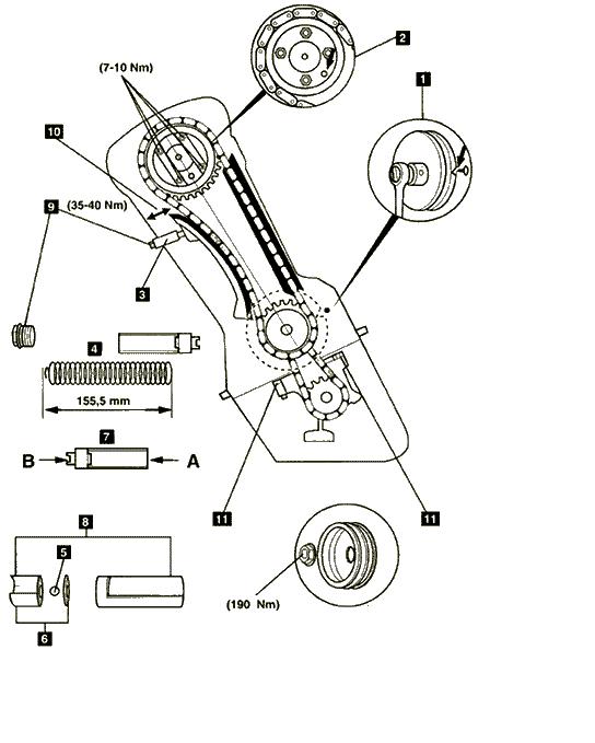
1.发动机在第一缸上止点位置1。
2.朝着曲轴对齐凸轮轴链轮定位销2。
注意:张紧器柱塞3由弹簧加载。
3.检查链条张紧器。
4.检查张紧器弹簧4的长度:155.5mm。
5.摇动张紧器,确保能听到滚珠5的声音。
6.通过向张紧器鼓入空气来检查阀门6的功能。
7.在“A”方向,阀门应该闭合(如图中7所示)。
8.在“B”方向,阀门应该打开(如图中7所示)。
.如果没有打开或闭合,清洗链条张紧器部件8。
10.链条张紧器放气顺序:
11.拧松张紧器塞9。
12.移动张紧器导轨直到机油从塞中流出(如图中10所示)。
13.用机油泵壳体与气缸体之间的垫片调整机油泵链条张力11。
注意:带绿色标记的机油泵链条比带红色标记的链条要长。
注意:曲轴皮带轮螺栓必须只使用一次。见下图:

二、316i(E36)(发动机号:16 4E 2)(1993-1999);316i Compact(E36)(发动机号:16 4E 2)(1994-2001);316i(E36)(发动机号:18 4E 2)(1993-1999)
(一)气门正时调节步骤
1.发动机在第一缸上止点位置。
2.插入飞轮正时销1。工具号11 2 300。
3.安装凸轮轴对准工具2。工具号11 3 190。
4.拆下凸轮轴链轮螺栓3。
5.朝着张紧器柱塞小心地压张紧器导轨4。
6.插入锁止销以固定张紧器柱塞5。工具号11 4 120。见下图:

三、318i(E46)(发动机号:19 4E 1(M43))(1998-2001);Z3 1.9I(发动机号:19 4E 1(M43))(1999-2001)
(一)气门正时调节步骤
1.发动机在第一缸上止点位置。
2.确保曲轴链轮键槽在12点钟位置1。
3.确保凸轮轴链轮箭头向上(如图中2所示)。
4.插入飞轮正时销3。
5.安装凸轮轴对准工具4。
6.向后压张紧器导轨5以减轻链条上的负荷。
7.朝着张紧器柱塞小心地压张紧器导轨6。
8.为固定张紧器柱塞,插入定位销7。
注意:不要拆卸链条张紧器。
9.如果已经拆下或活塞延伸太远:
·将张紧器装配工具8置于张紧器壳体上。
·压正时链张紧器且用销子9锁止。见下图:

四、318i S 16V(E30)(发动机号:25 6T 1)(1989-1991);318i S/Coupe(E36)(发动机号:25 6T 1)(1992-1998);318i Compact(E36)(发动机号:25 6T 1)(1994-1998)
(一)气门正时调节步骤
1.发动机在第一缸上止点位置。
2.插入飞轮正时销1。工具号11 2 300。
3.确保凸轮轴凸角相对(如图中2所示)且箭头向上(如图中3所示)。
4.安装凸轮轴对准工具4。工具号11 3 240。
注意:为防止发动机损坏,在重新安装之前必须拆开张紧器并重新锁止在安装位置。
5.确保柱塞总成5的长度大约为68.5mm。
6.将张紧器塞6拧紧到40牛·米。
7.暂时将张紧器导轨压向张紧器以释放张紧器活塞7。
8.使发动机在3500转时运转20秒钟以给张紧器注油。
9.将曲轴皮带轮螺栓8拧紧到22牛·米。见下图:

五、318i S/Coupe(E36)(发动机号:19 4S 1(M44))(1996-2000);318 ti Compact(E36)(发动机号:19 4S 1(M44))(1996-2001);Z3 1.9I(发动机号:19 4S 1(M44))(1996-1999)
(一)气门正时调节步骤
1.发动机在第一缸上止点位置。
2.确保凸轮轴凸角相对(如图中1所示)且箭头方向朝上(如图中2所示)。
3.确保凸轮轴定位孔3向上。
4.插入飞轮正时销4。
5.安装凸轮轴对准工具5。
6.确保曲轴链轮键槽在12点钟位置6。
7.在拧紧凸轮轴链轮螺栓之前,安装液压链轮张紧器。
8.在安装之前排干链条张紧器7。
9.将张紧器推进壳体直到锁紧垫圈8。
10.重复该步骤两次。
11.拧紧曲轴皮带轮螺栓。拧紧力矩:330牛·米。
注意:曲轴皮带轮螺栓必须只能使用一次。见下图:

六、320i(E36)(发动机号:20 6S 3)(1994-1998);323i/Compact(E36)(发动机号:25 6S 3)(1995-2001);328i(E36)(发动机号:28 6S 1)(1995-1999)
(一)气门正时调节步骤
1.转动曲轴到第一缸上止点位置。
2.插入飞轮正时销1。使用工具11 2 300。
3.确保凸轮轴凸角相对(如图中2所示)。
4.安装凸轮轴对准工具3。工具号11 3 240。
5.拧松排气凸轮轴链轮螺栓4。
6.压下副张紧器并用工具5锁止。工具号11 3 292。
7.顺时针转动排气凸轮轴链轮6时, 拆下VANOS单元7。使用工具11 5 490。
8.拆下进气凸轮轴链轮螺母8。
9.第一类:拆下止推垫圈9。
10.第二类:拆下止推垫圈与弹*片簧**10。
11.拆下装有链条的进排气凸轮轴链轮11和12。
12.拆下副张紧器13。
13.拆下链条导板14。
14.拆下张紧器总成15。
注意:张紧器装有强劲的弹簧。
15.拆下凸轮轴链轮与链条16。
16.安装凸轮轴链轮。确保箭头16向上。
17.确保螺纹孔位于凸轮轴链轮内槽17的左端。
18.安装链条预张紧工具18。工具号11 3 390。
19.拧入调整螺钉直到它与导轨接触。不要拧紧螺钉。
20.安装链条导板14。
21.安装副张紧器总成13。
22.安装装有链条的凸轮轴链轮11与12。确保螺纹孔位于槽的中央。
23.安装止推垫圈9或止推垫圈与弹*片簧**10。
24.将进气凸轮轴链轮螺母8拧紧至10N·m。
25.安装排气凸轮轴链轮螺栓4。不要拧紧螺栓。
26.第一类不带弹*片簧**9:顺时针转动链轮11与12直到转不动为止。
27.将VANOS装置花键轴压入装置内,直到碰到棘爪。
28.装配VANOS装置,转动花键轴直到装置接合(如图中7所示)。
29.第二类带弹*片簧**10:插入VANOS装置花键轴6时,逆时针转动链轮。使用工具11 5 490。
30.拧紧VANOS装置螺栓。
31.用张紧工具18给正时链预加载荷到1.3N·m。工具号11 3 390。
32.分两步将排气凸轮轴链轮螺栓4拧紧。第一步:5N·m;第二步:22N·m。
33.拆下正时销1和凸轮轴对准工具3。
34.顺时针转动曲轴两圈。
35.确保正时销1和凸轮轴对准工具3能被重新装配。
36.安装张紧器总成15。
37.将张紧器拧紧至70N·m。
38.将曲轴皮带轮螺栓19拧紧至22N·m。
39.检查VANOS装置的功能。见下图:

七、320i/323i/328i/Coupe(E46)(20/25/28 6S 4(M52))(1998-2001);523i,528i(E39)(25 6S 4,28 6S 2(M52))(1998-2001);728i(E38)(28 6S 2(M52))(1998-2001);Z3 2.8i(28 6S 2(M52))(1999-2001)
(一)气门正时调节步骤:
1.拆卸/安装正时链需要:
·如果装配两级曲轴皮带轮/减震器,拆下机油盘。
注意:关于拧紧力矩请查阅Autodata技术数据。
2.发动机在第一缸上止点位置。
3.确保凸轮轴凸角相对(如图中1所示)。
4.确保凸轮轴对准工具2能被安装。
5.如果不能安装,按下列顺序调整凸轮轴:
注意:张紧器柱塞由弹簧加载
·拆下张紧器3。
·使用工具4向正时链预加载荷至0.7N·m。
·拧下VANOS单元机油压力管。
·将压缩空气( 2-8 bar )导入VANOS单元。使用专用工具。
·转动曲轴两圈,直到凸轮轴凸缘彼此相对(如图中1所示)。
6.插入飞轮正时销5。
7.确保凸轮轴对准工具2能被重新装配。
8.拆下VANOS单元6。
注意:密封帽后面的螺钉7是左旋螺纹。
9.拆下正时链预张紧工具4。
10.压下副张紧器,并用工具8锁止。
11.拆下装有次级链条的进排气凸轮轴链轮9和10。
12.拆下副张紧器11。
13.拆下凸轮轴链轮与链条12。 l) B# F1 @) v+ `
14.按下列步骤安装带有链条的链轮:
·安装带链条的排气凸轮轴链轮。确保链轮上的箭头与气缸盖上边缘对正,见13。
·安装链条预张紧工具4。
·拧入调整螺钉直到与导轨接触(不要拧紧螺钉)。如有必要,再次对正凸轮轴链轮,见13。
·安装副张紧器11。
·用锁止销将带齿套筒14与带齿轴15安装到排气凸轮轴链轮上。确保齿槽相互对正,见16。
·推进带齿轴直到螺纹孔位于槽的中心,见17。
·将凸轮轴链轮与次级链条按图中18所示位置对正。使用专用工具。
·在凸轮轴链轮安装过程中,确保在进气侧齿槽相互对齐,见19。
15.用销将带齿轴装配到进气凸轮轴链轮上。推进齿形轴直到只有1mm的花键可见(如图中20所示)。
16.安装垫圈与螺母21。不要拧紧。
17.将标记“F”的板簧22与传感器机构23安装到排气凸轮轴。
18.确保传感器齿轮23上的箭头与气缸盖上缘对正。不要拧紧螺母。
19.拔出排气侧的齿形轴直到拔不动为止。
20.安装并释放次级张紧器8。
21.使用工具4给链条预加载荷至0.7N·m。
22.通过压传感器机构23,稍微给板簧施加预载荷。用手指拧紧螺母。
23.拧下列步骤用工具设定凸轮轴正时:
注意:在装配专用工具之前拆下垫圈24。工具号11 6 150。
·分两步拧紧螺钉和螺母(顺序如下)24:
第一步:5N·m。
第二步:“A”- 20N·m,“B”、“C”- 10N·m。
24.安装正时链张紧器3。
25.拆下对准工具并转动曲轴两圈。
26.检查发动机是否在第一缸上止点位置。使用专用工具。
27.拆下凸轮轴正时调整工具24。工具号11 6 150。
28.安装VANOS单元6。
注意:密封帽后面的螺钉7是左旋螺纹。
29.带整体式曲轴皮带轮/减震器25的发动机。
30.带两级式曲轴皮带轮/减震器26的发动机。
注意:曲轴皮带轮中心螺栓必须只能使用一次。见下图:

八、320i/325i 24V(E36)(发动机号:20 6S 2,25 6S 1,25 6S 2)(1991-1997)
(一)气门正时调节步骤
1.转动曲轴到第一缸上止点位置。
2.插入飞轮正时销1。工具号11 2 300。
3.确保凸轮轴凸角相对(如图中2所示)。
4.确保链轮标记朝上(如图中3所示)。
5.压下张紧器并用工具4锁止。工具号11 3 290。
6.拆下装有链条的链轮5。
7.拆下副张紧器6。
8.拆下链条导板7。
9.拆下张紧器总成8。
注意:张紧器装有强劲的弹簧。
10.拆下凸轮轴链轮9。
11.安装凸轮轴对准工具10。工具号11 3 240。
12.安装凸轮轴链轮。确保箭头9向上。
13.确保螺纹孔位于凸轮轴链轮上的槽11的左端。
14.重新安装张紧器以确保柱塞末端与导轨接合(如图中8所示)。
15.拧紧张紧器柱塞到50牛·米。
16.安装带有链条的链轮5。确保箭头向上。
17.不要拧紧螺栓12。
18.拆下张紧器锁止工具4。
19.分两步将凸轮轴链轮螺栓12拧紧。第一步:5N·m;第二步:22N·m。
20.拆下凸轮轴对准工具10。
21.将曲轴皮带轮螺栓13拧紧到22N·m。见下图:

九、320i/325i 24V(E36)(VANOS)(20 6S 2,25 6S 1,25 6S 2)(1991-1997)
(一)气门正时调节步骤
1.转动曲轴到第一缸上止点位置。
2.插入飞轮正时销1。使用工具11 2 300。
3.确保凸轮轴凸角相对(如图中2所示)。
4.安装凸轮轴对准工具3。工具号11 3 240。
5.拧松排气凸轮轴链轮螺栓4。
6.压下次级张紧器且用工具5锁止。工具号11 3 290。
7.顺时针转动排气凸轮轴链轮6时, 拆下VANOS单元7。使用工具11 5 490。
8.拆下进气凸轮轴链轮螺母8。
9.第一类:拆下止推垫圈9。
10.第二类:拆下止推垫圈与弹簧板10。
11.拆下装有链条的进气凸轮轴链轮11和排气凸轮轴链轮12。
12.拆下副张紧器13。
13.拆下链条导板14。
14.拆下张紧器总成15。
注意:张紧器装有强劲的弹簧。
15.拆下凸轮轴链轮与链条16。
16.安装凸轮轴链轮。确保箭头16向上。
17.确保螺纹孔位于凸轮轴链轮上槽的左端(如图中17所示)。
18.安装链条预张紧工具18。工具号11 3 390。
19.拧入调整螺钉直到它与导轨接触。不要拧紧螺钉。
20.安装链条导板14。
21.安装副张紧器总成13。
22.安装装有链条的凸轮轴链轮11和12。确保螺纹孔位于槽的中心。
23.安装止推垫圈9或止推垫圈与弹簧板10。
24.将进气凸轮轴链轮螺母8拧紧至10N·m。
25.安装排气凸轮轴链轮螺栓4。不要拧紧螺栓。
26.第一类不带弹簧板9:顺时针转动链轮11与12直到转不动为止。
27.将VANOS单元花键轴压入装置内,直到棘爪。
28.装配VANOS单元,转动花键轴直到装置接合(如图中7所示)。
29.第二类带弹簧板:插入VANOS单元花键轴6时,逆时针转动链轮。使用工具11 5 490。
30.用张紧工具18将正时链预紧到1.3N·m。工具号11 3 390。
31.分两步拧紧排气凸轮轴链轮螺栓4。第一步:5N·m;第二步:22N·m。
32.拆下正时销1和凸轮轴对准工具3。
33.顺时针转动曲轴两圈。
34.确保正时销1与凸轮轴对准工具3能被重新装配。
35.将曲轴皮带轮螺栓19拧紧至22N·m。见下图:

十、520i(E39)(发动机号:20 6S 3)(1995-1999);523i(E39)(发动机号:25 6S 3)(1995-1999);528i(E39)(发动机号:28 6S 1)(1995-2001)
(一)气门正时调节步骤
1.转动曲轴到第一缸上止点位置。
2.插入飞轮正时销1。使用工具11 2 300。
3.确保凸轮轴凸角相对,见2。
4.安装凸轮轴对准工具3。工具号11 3 240。
5.拧松排气凸轮轴链轮螺栓4。
6.压下次级张紧器并用工具5锁止。工具号11 3 292。
7.顺时针转动排气凸轮轴链轮6时, 拆下VANOS单元7。使用工具11 5 490。
8.拆下进气凸轮轴链轮螺母8。
9.第一类:拆下止推垫圈9。
10.第二类:拆下止推垫圈与弹*片簧**10。
11.拆下装有链条的进、排气凸轮轴链轮11和12。
12.拆下次级张紧器13。
13.拆下链条导板14。
14.拆下张紧器总成15。
注意:张紧器装有强劲的弹簧。
15.拆下凸轮轴链轮与链条16。
16.安装凸轮轴链轮。确保箭头16向上。
17.确保螺纹孔位于凸轮轴链轮内槽17的左端。
18.安装链条预张紧工具18。工具号11 3 390。
19.拧调整螺钉直到它与导轨接触。不要拧紧螺钉。
20.安装链条导板14。
21.安装次级张紧器总成13。
22.安装装有链条的凸轮轴链轮11与12。确保螺纹孔位于槽的中心。
23.安装止推垫圈9或止推垫圈与弹*片簧**10。
24.将进气凸轮轴链轮螺母8拧紧至10N·m。
25.安装排气凸轮轴链轮螺栓4。不要拧紧螺栓。
26.第一类不带弹*片簧**9:顺时针转动链轮11与12直到转不动为止。
27.将VANOS单元花键轴压入单元内,直到接触棘爪。
28.装配VANOS单元,转动花键轴直到装置7啮合。
29.第二类带弹*片簧**:插入VANOS单元花键轴6时,逆时针转动链轮。使用工具11 5 490。
30.拧紧VANOS单元螺栓。
31.用张紧工具18给正时链预加载荷到1.3N·m。工具号11 3 390。
32.分两步将排气凸轮轴链轮螺栓4拧紧。第一步:5N·m;第二步:22N·m。
33.拆下正时销1与凸轮轴对准工具3。
34.顺时针转动曲轴两圈。
35.确保正时销1与凸轮轴对准工具3能被重新装配。
36.安装张紧器总成15。
37.将张紧器拧紧至70N·m。
38.将曲轴皮带轮螺栓拧紧至22N·m。
39.检查VANOS单元的功能。见下图:

十一、520i/525i 24V(E34)(发动机号:20 6S 2,25 6S 1,25 6S 2)(1989-1996)
(一)气门正时调节步骤
1.转动曲轴到第一缸上止点位置。
2.插入飞轮正时销1。使用工具11 2 300。
3.确保凸轮轴凸角相对,见2。
4.安装凸轮轴对准工具3。工具号11 3 240。
5.拧松排气凸轮轴链轮螺栓4。
6.压下次级张紧器并用工具5锁止。工具号11 3 290。
7.顺时针转动排气凸轮轴链轮6时, 拆下VANOS单元7。使用工具11 5 490。
8.拆下进气凸轮轴链轮螺母8。
9.第一类:拆下止推垫圈9。
10.第二类:拆下止推垫圈与弹*片簧**10。
11.拆下装有链条的进排气凸轮轴链轮11和12。
12.拆下次级张紧器13。
13.拆下链条导板14。
14.拆下张紧器总成15。
注意:张紧器装有强劲的弹簧。
15.拆下凸轮轴链轮与链条16。
16.安装凸轮轴链轮。确保箭头16向上。)
17.确保螺纹孔位于凸轮轴链轮内槽17的左端。
18.安装链条预张紧工具18。工具号11 3 390。
19.拧调整螺钉直到它与导轨接触。不要拧紧螺钉。
20.安装链条导板14。
21.安装次级张紧器总成13。
22.安装装有链条的凸轮轴链轮11与12。确保螺纹孔位于槽的中心。
23.安装止推垫圈9或止推垫圈与弹*片簧**10。
24.将进气凸轮轴链轮螺母8拧紧至10N·m。
25.安装排气凸轮轴链轮螺栓4。不要拧紧螺栓。
26.第一类不带弹*片簧**9:顺时针转动链轮11和12直到转不动为止。
27.将VANOS单元花键轴压入单元内,直到接触棘爪。
28.装配VANOS单元,转动花键轴直到装置7接合。
29.第二类带弹*片簧**10:插入VANOS单元花键轴6时,逆时针转动链轮。使用工具11 5 490。
30.用张紧工具18给正时链预加载荷到1.3N·m。工具号11 3 390。
31.分两步将排气凸轮轴链轮螺栓4拧紧。第一步:5N·m;第二步:22N·m。
32.拆下正时销1和凸轮轴对准工具3。
33.顺时针转动曲轴两圈。
34.确保正时销1与凸轮轴对准工具3能被重新装配。
35.将曲轴皮带轮螺栓19拧紧至22N·m。见下图:

十二、525i/528i(E28)(发动机号:25 6E A,28 6E C)(1981-1987);530i/535i(E34)(发动机号:30 6K A,34 6E C,34 6K B)(1981-1993)
(一)气门正时调节步骤
1.发动机在第一缸上止点位置1。
2.凸轮轴链轮螺纹孔垂直对正(见图中2)。
3.凸轮轴链轮定位销在位置3。
4.拆下张紧器塞4。
注意:塞4由强劲的弹簧压紧。
5.拆下凸轮轴链轮。见下图:

十三、530i/540i V8(E34)(发动机号:30 8S 1,40 8S 1)(1992-1996);730i/740I(E32)(发动机号:30 8S 1,40 8S 1)(1992-1994)
(一)气门正时调节步骤
1.发动机在第一缸上止点位置。
2.插入飞轮正时销1。工具号11 2 300。
3.确保第一缸凸轮轴凸角2相对。
4.确保凸轮轴链轮箭头3向上。
5.安装凸轮轴对准工具4。工具号11 2 441/442/443/444/445。
6.在拧紧凸轮轴链轮螺栓之前,给正时链预加张力。使用工具11 3 390(见图中5)。见下图:

十四、535I(E39)(发动机号:35 8S 1(M62))(1996-2000);735I(E38)(发动机号:35 8S 1(M62))(1996-2000)
(一)气门正时调节步骤
1.拆卸/安装正时链需要:
I·拆下机油盘。
2.发动机在第一缸上止点位置。
3.插入飞轮正时销1。
4.确保第一缸凸轮轴凸角2相对。
5.确保传感器机构上标记在给出的位置3。
6.安装凸轮轴对准工具4。
7.在图示位置处使用扳手5能够防止凸轮轴转动。
8.次级张紧器能够用工具6锁止。
9.按下列顺序安装带有链条的排气凸轮轴链轮
·确保螺纹孔位于槽的中心。
·松开次级张紧器。
·安装排气凸轮轴链轮螺栓7(不要拧紧)。
10.按下列顺序安装带有链条的进气凸轮轴链轮8:
·确保螺纹孔位于槽的中心。
·在凸轮轴链轮上安装传感器机构。确保标记在图示位置3。
·安装进气凸轮轴链轮螺栓(不要拧紧)。
’ [0 m) c0 B% O/ g3 I, I·使用工具9给正时链预加载荷至0.7N·m。
·拧紧凸轮轴链轮螺栓。
·排干张紧器中的气体并安装正时链张紧器10。
注意:曲轴减震器/毂螺栓11必须只能使用一次。见下图:

十五、535I(E39)(发动机号:35 8S 2(M62))(1998-2001);735I(E38)(发动机号:35 8S 2(M62))(1998-2001)
(一)气门正时调节步骤
1.拆卸/安装正时链需要:
·拆下机油盘。
注意:有关拧紧力矩请查阅Autodata技术数据。
2.发动机在第一缸上止点位置。
3.插入飞轮正时销1。
4.确保第一缸凸轮轴凸角2相对。
5.安装凸轮轴对准工具3。
6.在图示位置使用扳手4可以防止凸轮轴转动。
7.用工具5可以锁止次级张紧器。
注意:凸轮轴螺母/螺钉是左旋螺纹。
8.安装装有链条的凸轮轴链轮。不要拧紧螺栓6和7。
9.按下列顺序调整VANOS单元:
·松开次级张紧器5。
·安装链条预张紧工具8。
·拧入调整螺钉直到它与导轨接触。不要拧紧螺钉。
·左侧气缸组:将万用表连接到VANOS单元触针以及气缸盖油管上的螺钉9。将万用表设定到声学连续测试。
·使用40N·m的扭力扳手和调整工具,逆时针向着左侧挡块转动VANOS单元(如图中9所示),直到可以听到声音信号。
·将凸轮轴链轮螺栓6 (左旋螺纹)拧紧至15N·m。拧松螺栓90°。
·右侧气缸组:重复VANOS单元的调整(如图中9所示)。使用万用表。
·将凸轮轴链轮螺栓7 (左旋螺纹)拧紧至15N·m。拧松螺栓90°。
·用工具给正时链8预加载荷至0.7N·m。
1·左侧气缸组:使用万用表重调VANOS单元(如图中9所示)。
·将凸轮轴链轮螺栓6(左旋螺纹)拧紧:进气凸轮轴-110N·m。排气凸轮轴-125N·m。
·右侧气缸组:使用万用表重调VANOS单元(如图中9所示)。
·拧紧凸轮轴链轮螺栓7(左旋螺纹)。拧紧力矩:进气凸轮轴-110N·m。排气凸轮轴-125N·m。
10.按下列顺序将传感器机构10安装到进气凸轮轴:
·安装传感器机构螺母(不要拧紧)。
·在图示位置对正右侧/左侧传感器机构上的孔,并用工具11锁止。
·拧紧传感器机构螺母10(左旋螺纹)。拧紧力矩:40N·m。
11.排干张紧器中的气体并安装正时链张紧器12。
注意:曲轴减震器/毂的螺栓必须只能使用一次。见下图:

十六、728i(E38)(发动机号:28 6S 1)(1995-1998);Z3 2.8i(发动机号:28 6S 1)(1997-1999)
(一)气门正时调节步骤
1.转动曲轴到第一缸上止点位置。
2.插入飞轮正时销1。使用工具11 2 300。
3.确保凸轮轴凸角2相对。
4.安装凸轮轴对准工具3。工具号11 3 240。
5.拧松排气凸轮轴链轮螺栓4。
6.压下次级张紧器并用工具5锁止。工具号11 3 292。
7.当顺时针转动排气凸轮轴链轮6时, 拆下VANOS单元7。使用工具11 5 490。
8.拆下进气凸轮轴链轮螺母8。
9.第一类:拆下止推垫圈9。
10.第二类:拆下止推垫圈与弹*片簧**10。
11.拆下装有链条的进、排气凸轮轴链轮11和12。
12.拆下次级张紧器13。
13.拆下链条导板14。
14.拆下张紧器总成15。
注意:张紧器装有强劲的弹簧。
15.拆下凸轮轴链轮与链条16。
16.安装凸轮轴链轮。确保箭头16向上。
17.确保螺纹孔位于凸轮轴链轮内槽17的左端。
18.安装链条预张紧工具18。工具号11 3 390。
19.拧入调整螺钉直到与导轨接触。不要拧紧螺钉。
20.安装链条导板14。
21.安装次级张紧器总成13。
22.安装装有链条的凸轮轴链轮11与12。确保螺纹孔位于槽的中心。
23.安装止推垫圈9或止推垫圈与弹*片簧**10。
24.将进气凸轮轴链轮螺母8拧紧至10N·m。
25.安装排气凸轮轴链轮螺栓4。不要拧紧螺栓。
26.第一类不带弹*片簧**9:顺时针转动链轮11与12直到转不动为止。
27.将VANOS单元花键轴压入单元内,直到接触棘爪。
28.装配VANOS单元,转动花键轴直到单元7啮合。
29.第二类带弹*片簧**10:插入VANOS单元花键轴6时,逆时针转动链轮。使用工具11 5 490。
30.拧紧VANOS单元螺栓。
31.用张紧工具18给正时链预加载荷到1.3N·m。工具号11 3 390。
32.分两步将排气凸轮轴链轮螺栓4拧紧。第一步:5N·m;第二步:22N·m。
33.拆下正时销1与凸轮轴对准工具3。
34.顺时针转动曲轴两圈。
35.确保正时销1与凸轮轴对准工具3能被重新装配。
36.安装张紧器总成15。
37.将张紧器拧紧至70N·m。
38.将曲轴皮带轮螺栓19拧紧至22N·m。
39.检查VANOS单元的功能。见下图:

十七、730i/740i(E38)(发动机号:30 8S 1,40 8S 1)(1994-1996);840 Ci(E31)(发动机号:40 8S 1)(1993-1999)
(一)气门正时调节步骤
1.发动机在第一缸上止点位置。
2.插入飞轮正时销1。工具号11 2 300。
3.确保第一缸凸轮轴凸角2相对。
4.确保凸轮轴链轮箭头3向上。
5.安装凸轮轴对准工具4。工具号11 2 441/442/443/444/445。
6.在拧紧凸轮轴链轮螺栓之前,给正时链预加张力。使用工具11 3 390(见图中5)。见下图:

十八、750i(E32)(发动机号:50 12 A(M70))(1987-1994);850i,850Csi(E31)(发动机号:50 12 A,56 12 1(M70/S70))(1990-1999)
(一)气门正时调节步骤
1.拆卸/安装正时链需要:
·拆下机油盘。
注意:有关拧紧力矩请查阅Autodata技术数据。
2.发动机在第一缸上止点位置。
3.插入飞轮正时销1。
4.确保凸轮轴上定位销互相对正(如图中2所示)。
5.安装凸轮轴对准工具3。
注意:张紧器柱塞由弹簧加载。
6.按下列顺序拆下张紧器4:
·拧松张紧器锁紧螺母5。
·将调整螺钉6拧松几圈。
·拧开塞子,拆下张紧器柱塞。
7.安装凸轮轴链轮(不要拧紧):
·确保链轮之间非张力侧的正时链是紧绷的。
·在拧紧凸轮轴链轮螺栓前张紧链条:
·拧紧力矩:M6-10N·m。
8.按下列顺序调节链条张紧器8:
·拧松调节螺钉6直到不再与张紧器导轨接触。
·在正常的转动方向转动发动机一次。
·测量距离“A”,见图中8。
·逆着张紧器导轨弹力推链条,直到推不动为止,见图中8。
·测量距离“B”,见图中8。
·用距离“A”减去距离“B”。
·用调整螺钉6调整距离“A”-“B”至:
·不带链轮时的张紧器导轨9: 6±0.5mm。
·带链轮时的张紧器导轨10:5±0.5mm。
·拧紧张紧器锁紧螺母5。
9.拧紧曲轴皮带轮中心螺栓11:
·拧紧力矩:M18-100N·m+60°+60°+30°。
·拧紧力矩:螺栓识别号为110-440N·m。
注意:曲轴皮带轮中心螺栓必须只能使用一次。见下图:

十九、750i(E38)(发动机号:54 12 1,54 12 2(M73))(1994-2001);850i(E31)(发动机号:54 12 1(M73))(1994-1999)
(一)气门正时调节步骤
1.拆卸/安装正时链需要:
·拆下机油盘。
注意:有关拧紧力矩请查阅Autodata技术数据。
2.发动机在第一缸上止点位置。
3.插入飞轮正时销1。
4.确保凸轮轴上凹槽与螺钉对正,见图中2。
5.安装凸轮轴对准工具3。
注意:张紧器柱塞由弹簧加载。
6.按下列顺序拆下张紧器4:
·拧松张紧器锁紧螺母5。
·将调整螺钉6拧松几圈。
·拧开旋塞7,拆下张紧器柱塞。
7.安装凸轮轴链轮(不要拧紧):
·确保链轮之间非张力侧的正时链是紧绷的。
·在拧紧凸轮轴链轮螺栓前张紧链条:
·拧紧力矩:M6-10N·m。M7-15N·m。
8.按下列顺序调整链条张紧器:
·暂时将张紧器导轨压向链条,测量距离“A”,见图中8。
·克服弹簧力推链条张紧器导轨,测量距离“B”,见图中8。
·用距离“A”减去距离“B”。
·用调整螺钉6调整距离“A”-“B”至:6±0.5mm。
·拧紧张紧器锁紧螺母5。
9.拧紧曲轴皮带轮中心螺栓9。拧紧力矩:100N·m+60°+60°。
注意:曲轴皮带轮中心螺栓必须只能使用一次。见下图:

二十、Z3 3.2i(发动机号:32 6S 1(S50))(1997-2001);M3(E36)(发动机号:32 6S 1(S50))(1995-2000)
(一)气门正时调节步骤
1.拆卸/安装正时链需要:
·拆下气缸盖。
·拆下机油盘。
注意:关于拧紧顺序与拧紧力矩,请查阅Autodata技术数据。
2.按下列顺序将发动机置于第一缸上止点位置:
·转动曲轴直到正时标记对正(如图中1所示)。
·插入曲轴锁止销(如图中1所示)。
·将专用工具连接到VANOS单元上,逆时针方向转动凸轮轴,直到两个凸轮轴上的凹槽与轴承盖上的凹槽对正(如图中2所示)。使用扳手在图中所示的位置3。
·确保凸轮轴凸角相对(如图中2所示)。" C2 n/ w& A% b9 F& d6 r
·安装凸轮轴对准工具4。工具号11 5 080。
注意:张紧器柱塞由弹簧加载。
3.按下列顺序安装带有链条的凸轮轴链轮:
·确保排气凸轮轴上的凹槽与凸轮轴轴承盖上的凹槽对正(如图中5所示)。
·确保进气凸轮轴上的凹槽与凸轮轴轴承盖上的凹槽相差10°(见图中6)。
·安装带有链条的排气凸轮轴链轮,如图中7所示。
·安装进气凸轮轴链轮,使其长孔的中心与气缸盖上缘对正(如图中8所示)。
·小心地将半环9和轮毂总成10安装到进气凸轮轴链轮。首先在“A”位置插入螺钉11(不要拧紧)。
注意:只能使用原来的防磁螺钉。
4.按下列顺序安装链条张紧器12:
注意:在安装前排干链条张紧器中的气体。
·小心地推链条张紧器13。
·重复这个步骤两次。
5.安装凸轮轴对准工具14。工具号11 7 341/2。
6.检查VANOS单元的功能。使用专用工具15。
7.在安装前及安装过程中,VANOS单元花键轴必须在“延迟”位置15。使用专用工具。
8.顺时针转动进气凸轮轴与排气凸轮轴上的花键毂,直到转不动为止(如图中16所示)
9.用两个螺钉安装VANOS单元并将其固定到气缸盖上。
10.拧紧进气凸轮轴17与排气凸轮轴上的两个可接近的螺钉。拧紧力矩:10N·m。
11.拆下曲轴锁止销1。
12.转动曲轴并拧紧进排气凸轮轴上的固定螺钉。拧紧力矩:10N·m。
13.检查发动机是否在第一缸上止点位置。使用工具11 2 300/11 5 080。
14.安装上链条导板18。
15.安装固定螺钉并拧紧VANOS单元。
16.拧紧曲轴减震器毂螺栓19。拧紧力矩:60N·m+50°+50°。
注意:曲轴减震器毂螺栓必须只使用一次。见下图:
