三相异步电动机具有结构简单,运行可靠,坚固耐用,价格便宜,维修方便等一系列优点。与同容量的直流电动机相比,异步电动机还具有体积小,重量轻,转动惯量小的特点。因此,在工矿企业中异步电动机得到了广泛的应用。三相异步电动机的控制线路大多由接触器、继电器、闸刀开关、按钮等有触点电器组合而成。三相异步电动机分为鼠笼式异步电动机和绕线式异步电动机,二者的构造不同,启动方法也不同,其启动控制线路差别很大。
一、鼠笼式异步电动机全压启动控制线路
在许多工矿企业中,鼠笼式异步电动机的数量占电力拖动设备总数的85%左右。在变压器容量允许的情况下,鼠笼式异步电动机应该尽可能采用全电压直接起动,既可以提高控制线路的可靠性,又可以减少电器的维修工作量。
电动机单向起动控制线路常用于只需要单方向运转的小功率电动机的控制。例如小型通风机、水泵以及皮带运输机等机械设备。图1是电动机单向起动控制线路的电气原理图。这是一种最常用、最简单的控制线路,能实现对电动机的起动、停止的自动控制、远距离控制、频繁操作等。

图1单向运行电气控制线路
在图1中,主电路由隔离开关QS、熔断器FU、接触器KM的常开主触点,热继电器FR的热元件和电动机M组成。控制电路由起动按钮SB2、停止按钮SB1、接触器KM线圈和常开辅助触点、热继电器FR的常闭触头构成。
控制线路工作原理为:
1、起动电动机 合上三相隔离开关QS,按起动按钮SB2,按触 器KM的吸引线圈得电,3对常开主触点闭合,将电动机M接入电源,电动机开始起动。同时,与SB2并联的KM的常开辅助触点闭合,即使松手断开SB2,吸引线圈KM通过其辅助触点可以继续保持通电,维持吸合状态。凡是接触器(或继电器)利用自己的辅助触点来保持其线圈带电的,称之为自锁(自保)。这个触点称为自锁(自保)触点。由于KM的自锁作用,当松开SB2后,电动机M仍能继续起动,最后达到稳定运转。
2、停止电动机 按停止按钮SB1,接触器KM的线圈失电,其主触点和辅助触点均断开,电动机脱离电源,停止运转。这时,即使松开停止按钮,由于自锁触点断开,接触器KM线圈不会再通电,电动机不会自行起动。只有再次按下起动按钮SB2时,电动机方能再次起动运转。
也可以用下述方式描述:
合上开关QS
起动→KM主触点闭点→电动机M得电起动、运行
按下SB2→KM线圈得电—→KM常开辅助触点闭合→实现自保
停车→KM主触点复位→电动机M断电停车
按下SB1→KM线圈失电—→ KM常开辅助触点复位→自保解除
3、线路保护环节
(1)短路保护
短路时通过熔断器FU的熔体熔断切开主电路。
(2)过载保护
通过热继电器FR实现。由于热继电器的热惯性比较大,即使热元件上流过几倍额定电流的电流,热继电器也不会立即动作。因此在电动机起动时间不太长的情况下,热继电器经得起电动机起动电流的冲击而不会动作。只有在电动机长期过载下FR才动作,断开控制电路,接触器KM失电,切断电动机主电路,电动机停转,实现过载保护。
(3)欠压和失压保护
当电动机正在运行时,如果电源电压由于某种原因消失,那么在电源电压恢复时,电动机就将自行起动,这就可能造成生产设备的损坏,甚至造成人身事故。对电网来说,同时有许多电动机及其他用电设备自行起动也会引起不允许的过电流及瞬间网络电压下降。为了防止电压恢复时电动机自行起动的保护叫失压保护或零压保护。
当电动机正常运转时,电源电压过分地降低将引起一些电器释放,造成控制线路不正常工作,可能产生事故;电源电压过分地降低也会引起电动机转速下降甚至停转。因此需要在电源电压降到一定允许值以下时将电源切断,这就是欠电压保护。
欠压和失压保护是通过接触器KM的自锁触点来实现的。在电动机正常运行中,由于某种原因使电网电压消失或降低,当电压低于接触器线圈的释放电压时,接触器释放,自锁触点断开,同时主触点断开,切断电动机电源,电动机停转。如果电源电压恢复正常,由于自锁解除,电动机不会自行起动,避免了意外事故发生。只有操作人员再次按下SB2后,电动机才能起动。控制线路具备了欠压和失压的保护能力以后,有如下三个方面优点:
- 防止电压严重下降时电动机在重负载情况下的低压运行;
- 避免电动机同时起动而造成电压的严重下降;
- 防止电源电压恢复时,电动机突然起动运转,造成设备和人身事故。
二、三相鼠笼式异步电动机降压起动线路
鼠笼式异步电动机采用全压直接起动时,控制线路简单,维修工作量较少。但是,并不是所有异步电动机在任何情况下都可以采用全压起动。这是因为异步电动机的全压起动电流一般可达额定电流的4-7倍。过大的起动电流会降低电动机寿命,致使变压器二次电压大幅度下降,减少电动机本身的起动转矩,甚至使电动机根本无法起动,还要影响同一供电网路中其它设备的正常工作。如何判断一台电动机能否全压起动呢?一般规定,电动机容量在10kW以下者,可直接起动。10kW以上的异步电动机是否允许直接起动,要根据电动机容量和电源变压器容量的比值来确定。对于给定容量的电动机,一般用下面的经验公式来估计。
Iq/Ie≤3/4+电源变压器容量(kVA)/[4×电动机容量(kVA)]
式中 Iq—电动机全电压起动电流(A);Ie—电动机额定电流(A)。
若计算结果满足上述经验公式,一般可以全压起动,否则不予全压起动,应考虑采用降压起动。有时,为了限制和减少起动转矩对机械设备的冲击作用,允许全压起动的电动机,也多采用降压起动方式。
鼠笼式异步电动机降压起动的方法有以下几种:定子电路串电阻(或电抗)降压起动、自耦变压器降压起动、Y-△降压起动、△-△降压起动等.使用这些方法都是为了限制起动电流,(一般降低电压后的起动电流为电动机额定电流的2-3倍),减小供电干线的电压降落,保障各个用户的电气设备正常运行。
1、串电阻(或电抗)降压起动控制线路
在电动机起动过程中,常在三相定子电路中串接电阻(或电抗)来降低定子绕组上的电压,使电动机在降低了的电压下起动,以达到限制起动电流的目的。一旦电动机转速接近额定值时,切除串联电阻(或电抗),使电动机进入全电压正常运行。这种线路的设计思想,通常都是采用时间原则按时切除起动时串入的电阻(或电抗)以完成起动过程。在具体线路中可采用人工手动控制或时间继电器自动控制来加以实现。

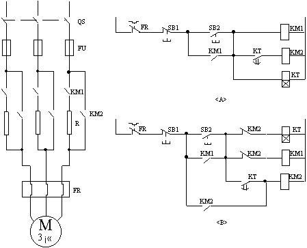
图2定子串电阻降压起动控制线路
图2是定子串电阻降压起动控制线路。电动机起动时在三相定子电路中串接电阻,使电动机定子绕组电压降低,起动后再将电阻短路,电动机仍然在正常电压下运行。这种起动方式由于不受电动机接线形式的限制,设备简单,因而在中小型机床中也有应用。机床中也常用这种串接电阻的方法限制点动调整时的起动电流。
图2(A)控制线路的工作过程如下:
按SB2 KM1得电(电动机串电阻启动)
KT 得电 (延时) KM2得电(短接电阻,电动机正常运行)
按SB1,KM2断电,其主触点断开,电动机停车。
只要KM2得电就能使电动机正常运行。但线路图(A)在电动机起动后KM1与KT一直得电动作,这是不必要的。线路图(B)就解决了这个问题,接触器KM2得电后,其动断触点将KM1及KT断电,KM2自锁。这样,在电动机起动后,只要KM2得电,电动机便能正常运行。
串电阻起动的优点是控制线路结构简单,成本低,动作可靠,提高了功率因数,有利于保证电网质量。但是,由于定子串电阻降压起动,起动电流随定子电压成正比下降,而起动转矩则按电压下降比例的平方倍下降。同时,每次起动都要消耗大量的电能。因此,三相鼠笼式异步电动机采用电阻降压的起动方法,仅适用于要求起动平稳的中小容量电动机以及起动不频繁的场合。大容量电动机多采用串电抗降压起动。
2、串自耦变压器降压起动控制线路
(1)线路设计思想
在自耦变压器降压起动的控制线路中,限制电动机起动电流是依靠自耦变压器的降压作用来实现的。自耦变压器的初级和电源相接,自耦变压器的次级与电动机相联。自耦变压器的次级一般有3个抽头,可得到3种数值不等的电压。使用时,可根据起动电流和起动转矩的要求灵活选择。电动机起动时,定子绕组得到的电压是自耦变压器的二次电压,一旦起动完毕,自耦变压器便被切除,电动机直接接至电源,即得到自耦变压器的一次电压,电动机进入全电压运行。通常称这种自耦变压器为起动补偿器。这一线路的设计思想和串电阻起动线路基本相同,都是按时间原则来完成电动机起动过程的。

图3定子串自耦变压器降压起动控制线路
线路工作原理:
- 闭合开关QS。
- 起动 按下按钮SB2,KM1和时间继电器KT同时得电,KM1常开主触点闭合,电动机经星形连接的自耦变压器接至电源降压起动。
- 时间继电器KT经一定时间到达延时值,其常开延时触点闭合,中间继电器KA得电并自锁,KA的常闭触点断开,使接触器KM1线圈失电,KM1主触点断开,将自耦变压器从电网切除,KM1常开辅助触点断开,KT线圈失电,KM1常闭触点恢复闭合,在KM1失电后,使接触器KM2线圈得电,KM2的主触点闭合,将电动机直接接入电源,使之在全电压下正常运行。
- 停止 按下按钮SB1,KM2线圈失电,电动机停止转动。
- 在自耦变压器降压起动过程中,起动电流与起动转矩的比值按变比平方倍降低。在获得同样起动转矩的情况下,采用自耦变压器降压起动从电网获取的电流,比采用电阻降压起动要小得多,对电网电流冲击小,功率损耗小。所以自耦变压器被称之为起动补偿器。换句话说,若从电网取得同样大小的起动电流,采用自耦变压器降压起动会产生较大的起动转矩。这种起动方法常用于容量较大、正常运行为星形接法的电动机。其缺点是自耦变压器价格较贵,相对电阻结构复杂,体积庞大,且是按照非连续工作制设计制造的,故不允许频繁操作。
3、Y—△降压起动控制线路
(1)线路设计思想
Y—△降压起动也称为星形—三角形降压起动,简称星三角降压起动。这一线路的设计思想仍是按时间原则控制起动过程。所不同的是,在起动时将电动机定子绕组接成星形,每相绕组承受的电压为电源的相电压(220V),减小了起动电流对电网的影响。而在其起动后期则按预先整定的时间换接成三角形接法,每相绕组承受的电压为电源的线电压(380V),电动机进入正常运行。凡是正常运行时定子绕组接成三角形的鼠笼式异步电动机,均可采用这种线路。
(2)典型线路介绍
定子绕组接成Y—△降压起动的自动控制线路如图4所示。

图4 Y—△降压起动控制线路
工作原理:
- 按下起动按钮SB2,接触器KM1线圈得电,电动机M接入电源。同时,时间继电器KT及接触器KM2线圈得电。
- 接触器KM2线圈得电,其常开主触点闭合,电动机M定子绕组在星形连接下运行。KM2的常闭辅助触点断开,保证了接触器KM3不得电。
- 时间继电器KT的常开触点延时闭合;常闭触点延时继开,切断KM2线圈电源,其主触点断开而常闭辅助触点闭合。
- 接触器KM3线圈得电,其主触点闭合,使电动机M由星形起动切换为三角形运行。
- 停车
- 按SB1 辅助电路断电 各接触器释放` 电动机断电停车
- 线路在KM2与KM3之间设有辅助触点联锁,防止它们同时动作造成短路;此外,线路转入三角接运行后,KM3的常闭触点分断,切除时间继电器KT、接触器KM2,避免KT、KM2线圈长时间运行而空耗电能,并延长其寿命。
- 三相鼠笼式异步电动机采用Y—△降压起动的优点在于:定子绕组星形接法时,起动电压为直接采用三角形接法时的1/3,起动电流为三角形接法时的1/3,因而起动电流特性好,线路较简单,投资少。其缺点是起动转矩也相应下降为三角形接法的1/3,转矩特性差。所以该线路适用于轻载或空载起动的场合。另外应注意,Y—△联接时要注意其旋转方向的一致性。
4、△—△降压起动控制线路
(1) 线路设计思想
如前所述,Y—△降压起动有很多优点,但美中不足的是起动转矩太小。能否设计一种新的降压起动方法,既具有星形接法起动电流小,又不需要专用起动设备,同时又具有三角形接法起动转矩大的优点,以期完成更为理想的起动过程呢?△—△降压起动便能满足这种要求。在起动时,将电动机定子绕组一部分接成星形,另一部分接成三角形。待起动结束后,再转换成三角形接法,转换过程仍按照时间原则来控制。从图5中的绕组接线看,就是一个三角形3条边的延长,故也称延边三角形。
图5为电动机定子绕组抽头连接方式。其中图(a)是原始状态。图(b)为起动时接成延边三角形的状态。图(c)为正常运行时状态。这种电动机共有9个抽线头,改变定子绕组抽头比(即N1与N2之比),就能改变起动时定子绕组上电压的大小,从而改变起动电流和起动转矩。但一般来说,电动机的抽头比已经固定,所以,仅在这些抽头比的范围内作有限的变动。例如,通过相量计算可知,若线电压为380V,当N1/N2=1/1时,相似于自耦变压器的抽头百分比71℅,则相电压为264V;当N1/N2=1/2时,相似于自耦变压器的抽头百分比78℅,则相电压为290V;当N1/N2=2/1时,相似于自耦变压器的抽头百分比66℅;Y—△接法,相似于自耦变压器的抽头百分比58℅。
(2) 典型线路介绍
定子绕组呈△—△接法的线路如图6所示。

线路工作原理:


更多内容请点击下方