①在闭合电路中,E=U内+U外,推出△E=△U内+△U外,得到: △U内+△U外=0
②对于定值电阻R=U/I=△U/△I
对于可变电阻R=U/I≠△U/△I
③U外与I的关系

1)图像:由U=E-Ir可知,U一I图像是一条斜向下的直线
2)纵坐标截距-电源电动势E
横坐标截距-短路电流I₀=E/r
3)U一I图像斜率绝对值等于电源的内阻r=E/I₀=|△U/△I|
4)U=IR的图像为过原点直线,斜率即外电阻R=U/I
例题:在如图所示

的电路中,电源电压保持不变,R为定值电阻.闭合开关时,电压表的示数为2V.当滑片向左移动一段距离时,电压表的示数变为5V,此过程中电流表的示数变化了0.6A.则定值电阻的电功率变化了()
A.1.2W
B.1.8W
C.3.0W
D.4.2W
【解析】R=△U/△I=5Ω
例题:在如图甲的电路中,R₁是可变电阻,R₂是定值电阻,电源内阻不计。实验时调节R₁的阻值,得到各组电压表和电流表数据,用这些数据在坐标纸上描点、拟合,作出的U-I图像如图乙中AB所示。

(1)图乙中a、b、AB的斜率各等于多少?
(2)结合图甲,说明a、b、AB的斜率各表示什么物理量。
例题:如图甲所示

电路中,电源电动势为E,内阻为r,R₁为滑动变阻器,R₂为定值电阻,闭合开关S,当滑动变阻器的滑动触头P滑动的过程中,四个理想电表的示数都发生变化,图乙中三条图线分别表示了三个电压表示数随电流表示数变化的情况,则说法正确的是()
A.图线a表示的是电压表V₁的示数随电流表示数变化的情况
B.图线b表示的是电压表V₂的示数随电流表示数变化的情况
C.图线c表示的是电压表V₂的示数随电流表示数变化的情况
D.此过程中电压表V₃示数的变化量△U₃和电流表示数变化量△I的比值绝对值变大

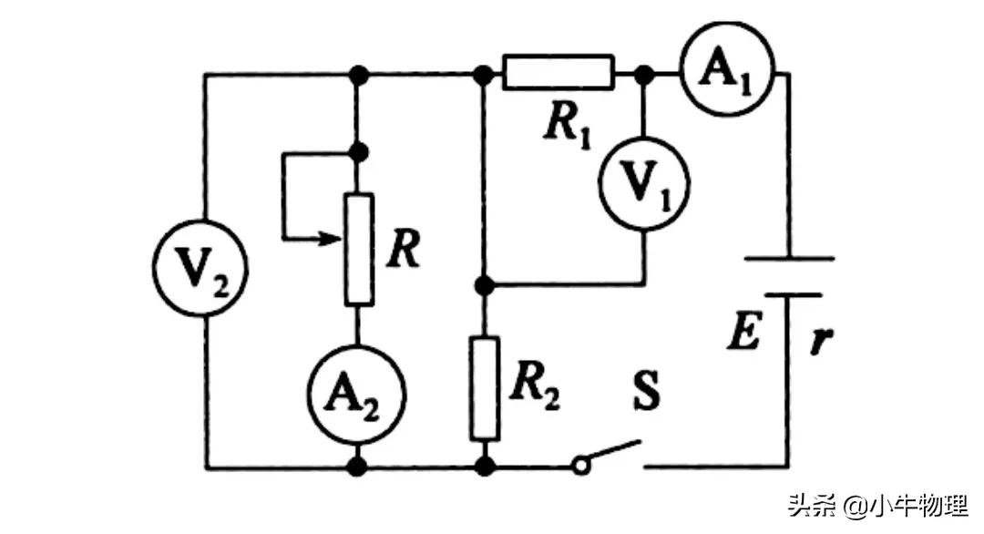
例题:如图所示

的电路中,电源电动势为E,内阻为r.开关S闭合后,将滑动变阻器的滑片向下滑动,理想电压表V₁、V₂示数分别为U₁、U₂,示数变化量的绝对值分别为△U₁、△U₂,理想电流表A₁、A₂示数分别为I₁、I₂,示数变化量的绝对值为△I₁、△I₂,则()
A.A₂的示数I₂增大
B.V₂的示数U₂增大
C.△U₁小于△U₂
D.U₂/I₁和△U₂/△I₁都变小
【解析】A、B选项可由“串反并同”法求解.由电路分析可知,电流表A₁、电流表A₂,与滑动变阻器为串联关系,而电压表V₁与电阻R₁并联测量其两端电压,从电路连接方式来看电压表V₁与滑动变阻器也为串联关系,由“串反”可知,滑片向下滑动,滑动变阻器接入电路中的阻值变小,电压表V₁、电流表A₁、电流表A₂的示数U₁、I₁、I₂都增大.
C选项:U₁+U₂+U内=E
得到△U₁+△U₂+△U内=0
R减小,U₂减小,△U₂<0;
而U₁增大,△U₁>0;
U内也增大,△U内>0.
因此△U₂小于△U₁.
D选项:U₂为R和R₂两端电压,I₁为R和R₂的电流之和。
把R和R₂看作一个整体,因此U₂/I₁为R和R₂的并联电阻。R减小,R和R₂的并联电阻减小。
△U₁/△I₁+△U₂/△I₁+△U内/△I₁=0
△U₁/△I₁=R₁(定值电阻)
△U内/△I₁=r(定值电阻)
所以△U₂/△I₁=r+R₁,不变。