1、电感器习惯上简称为电感,是常用的基本电子元件之一。电感器种类繁多,形状各异,较常见的有:单层平绕空芯电感线圈、间绕空芯电感线圈、脱胎空芯线圈、多层空芯电感线圈、蜂房式电感线圈、带磁芯电感线圈、磁罐电感线圈、高频阻流圈、低频阻流圈、固定电感器等。

2、电感器的文字符号为“L”,图形符号如图2所示。

3、固定电感器(图3)是一种通用性强的系列化产品,线圈(往往含有磁芯)被密封在外壳内,具有体积小、重量轻、结构牢固、电感量稳定和使用安装方便的特点。

4、电感器的主要参数是电感量和额定电流。电感量的基本单位是亨利,简称亨,用字母“H”表示。在实际应用中,一般常用毫亨(mH)或微亨(μH)作单位。它们之间的相互关系是:1H=1000 mH,1 mH=1000μH。电感量的标示方法有两种。一种是直标法,即将电感量直接用文字印在电感器上,如图4所示。

5、另一种是色标法,即用色环表示电感量,其单位为μH。第1、2环表示两位有效数字,第3环表示倍乘数,第4环表示允许偏差(图5)。各色环颜色的含义与色环电阻器相同,可参阅有关文章。额定电流是指电感器在正常工作时,所允许通过的最大电流。使用中,电感器的实际工作电流必须小于额定电流,否则电感线圈将会严重发热甚至烧毁。

6、电感器是利用自感应原理工作的。电感线圈在通过电流时会产生自感电动势,自感电动势的大小与通过电感线圈的电流的变化率成正比,并且总是反对原电流的变化(图6)。因此,电感器具有通直流、阻交流的功能。

7、电感器对交流电所呈现的阻力称之为感抗,用符号“XL”表示,单位为Ω。感抗等于电感器两端交流电压(有效值)与通过电感器的交流电流(有效值)的比值。感抗XL分别与交流电的频率f和电感器的电感量L成正比(图7),即XL=2 лfL(Ω)。

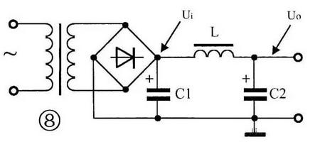
8、电感器的作用很多。图8所示为电感器用于整流电源滤波,L与C1、C2组成π型LC滤波器。由于L具有通直流阻交流的功能,因此,整流输出的脉动直流电Ui中的直流成分可以通过L,而交流成分绝大部分不能通过L,被C1、C2旁路到地,输出端U0便是纯净的直流电了。

9、电感器可以用于区分高、低频信号。图9所示为来复式收音机中高频阻流圈的应用实例,由于高频阻流圈L对高频电流感抗很大而对音频电流感抗很小,晶体管VT集电极输出的高频信号只能通过C进入检波电路。检波后的音频信号再经VT放大后则可以通过L到达耳机。

10、电感器可以用于谐振选频回路。图10所示为收音机高放级电路,可变电感器L与C1组成调谐回路,调节L即可改变谐振频率,起到选台的作用。

11、电感器的好坏可以用万用表进行检测(图11)。将万用表置于“R×1”挡,两表笔(不分正、负)与电感器的两引脚相接,表针指示应接近为“0Ω”,电感量较大的电感器应有一定的阻值。如果表针不动,说明该电感器内部断路;如果表针指示不稳定,说明内部接触不良。

12、变压器也是一种常用元器件,其种类繁多,大小形状千差万别。无线电与电子制作中较常用的有:电源变压器、音频输入变压器、输出变压器、中频变压器、高频变压器、脉冲变压器等(图12)。

13、变压器的文字符号为“T”,图形符号如图13所示。

14、变压器是利用互感应原理工作的,具有传交流隔直流、电压变换、阻抗变换和相位变换的作用。变压器由初级、次级两部分互不相通的线圈组成,它们之间由铁芯或磁芯作为耦合媒介(图14)。改变初、次级之间的圈数比,即可改变电压比和阻抗比。改变变压器线圈的接法,可以很方便地将信号电压倒相。

15、电源变压器是最常用的一类变压器。电源变压器的主要参数是功率和次级电压、电流。功率与铁芯截面的平方成正比,如图15(a)所示,铁芯截面越大,变压器功率越大。电源变压器的用途是电源电压变换,并可同时提供多种电源电压,以适应电子电路的需要,如图15(b)所示。制作时应根据需要选用具有符合要求的次级电压、电流的变压器。

16、电源变压器的另一用途是电源隔离。由于变压器的隔离作用,即使人体接触到电压U2,也不会与交流220V市电构成回路,保证了人身安全(图16)。这就是维修热底板家电时必须要用电源隔离变压器的道理。

17、音频变压器工作于音频范围,具有信号电压传输、分配和阻抗匹配的作用。图17所示为推挽功率放大器电路,输入变压器将信号电压传输、分配给晶体管VT1和VT2(送给VT2的信号还倒了相),使VT1和VT2交替放大正、负半周信号,然后再由输出变压器将信号合成输出。输出变压器同时还将扬声器的8Ω低阻变换为数百欧姆的高阻,与放大器的输出阻抗相匹配,使得放大器输出的音频功率最大而失真最小。

18、中频变压器习惯上简称为中周,应用于超外差收音机和电视机的中频放大电路中。中频变压器具有选频与耦合的作用。图18(a)所示为超外差收音机中放部分电路,中频变压器T1、T2的初级线圈分别与C1、C2谐振于465kHz,作为VT1、VT2的负载,因此,只有465kHz中频信号得到放大,起到了选频的作用。图18(b)为中频变压器幅频特性曲线,f0为谐振频率,Δf为通频带。

19、高频变压器通常是指工作于射频范围的变压器。收音机的磁性天线就是一个高频变压器,初级线圈与可变电容器C组成选频回路,选出的电台信号通过初、次级之间的耦合传输到高放或变频级VT1(图19)。

20、变压器可以用万用表进行检测(图20)。一是检测绕组线圈通断,二是检测绕组线圈之间的绝缘电阻,三是检测绕组线圈与铁芯之间的绝缘电阻。
