通过对国华宁海电厂4×600MW 机组的UPS系统电源接线方式介绍、运行方式的切换,以及在运行中出现的一些问题进行分析, 提出改进和防范技术措施。
随着现代大型发电机组采用了复杂的DCS、DEH等热工自动化控制系统、计算机监控和安全保护系统,其装置对电源质量和供电稳定可靠要求很高,该电源要求无论在机组厂用电中断还是电网故障时,这些系统都不应发生供电的中断,一旦失电,将会使机组失去必要的监视和调节手段,给机组的安全稳定运行造成严重的威胁,甚至造成巨大的经济损失。
应运而生的静态交流不停电电源(简称UPS),由于其具有很高的供电可靠性及供电质量,并且能够保证连续的供电,满足了这些负荷的苛刻要求,消除了电源故障对重要负荷的影响,从而保证了机组的安全可靠运行。
本文就宁电一期4×600MW机组UPS系统的电源接线和运行方式进行分析研究,并对UPS在运行中发生的一些问题进行分析以及所采取的相关措施,与同行交流切磋。
1 国华宁电4X600MW机组的UPS装置简介:
宁电一期4×600MW机组UPS系统的配置为:每台机组采用2×80kVA的UPS装置,两套UPS独立运行,没有并机柜,对于重要负荷互为备用。UPS系统是一个多路电源输入输出的低压多端网络,系统的核心设备——逆变器和静态开关等是一套电子元件自动控制的装置。
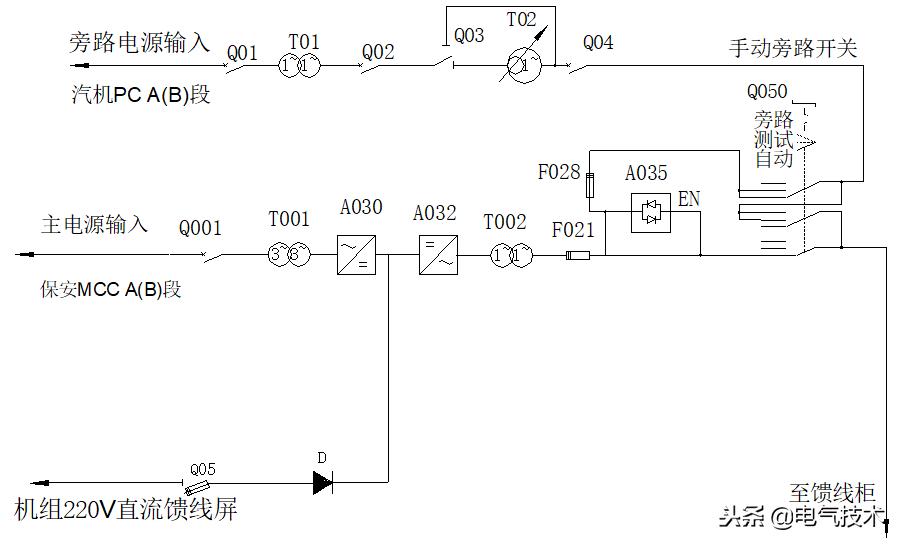
宁电采用的是瑞士GUTOR电力专用型UPS电源,其型号为:PEW 1080-220/230-EN。UPS的输入由主路交流电源输入、旁路交流电源输入、蓄电池组直流输入;UPS装置主路为三相输入、单相输出,旁路输入电源为单相,直流输入由机组的220V直流系统供电;UPS的输出为230V交流电压源。
正常运行时,负荷由主电源经整流器、逆变器供电(直流电源和旁路电源处于备用状态),逆变器控制单元保证电压输出波形和频率精确、稳定。UPS的工作原理为:主路交流电源输入后经整流器整流为直流,再经过逆变器变为交流,送至馈线柜提供给负载。
如是由220V直流系统供给,则不需经过整流器,直接由逆变器变为交流电源提供给负载。如是用旁路电源供给,则不需经整流器和逆变器,由静态开关自动由逆变器供电切换至旁路电源供电。并且考虑到当负荷由旁路电源供电时,需提高输出电压的稳定,UPS旁路电源上串接有调压变,其由接触调压器与补偿变压器组成,当输入电压变化时,经传动机构带动接触调压器的电刷滑动,改变补偿电压,实现自动保持输出电压稳定。
本UPS装置还设有一个3位置手动旁路开关,该开关具有在切换过程中先通后断的性能,利用该开关可隔离UPS的整流器、逆变器和静态开关以便进行维护工作而不使负载失电。宁电一期4×600MW机组UPS系统的具体接线方式见图一:

图1 UPS系统接线方式
考虑到大型机组中UPS电源的重要性,宁电在UPS电源的接线方式和选型上,都突出体现了UPS的可靠性:
1.1接线方式:
从图一中可看出UPS装置设置了三路输入电源:其中主路电源取至400V保安MCC A(B)段;旁路电源取至400V锅炉PC A(B)段;直流电源取至本机组的220V直流母线。通过不同的三路电源提高供电可靠性。
1.2选型上:
(1)交流输入电源额定电压380V,变化范围-15%~+15%,三相三线制,中性点不接地系统。
(2)交流旁路输入电源额定电压380V,变化范围-15%~+15%,AC相,中性点不接地系统。
(3)直流输入电源的工作电压范围为187V~264V。
(4)平均无故障间隔时间不小于280000小时。
(5)逆变器的直流输入电压应与输出电压相一致,当蓄电池组供电时,在其最高和最低电压范围内,逆变器均应正常工作。
(6)静态开关自动地将负荷切换到逆变器供电,或从逆变器切换到静态开关供电,切换时间<5ms。
(7) 装置过负荷能力:100%额定负荷长期;125%额定负荷10分钟;150%额定负荷1分钟;200%额定负荷10秒钟;500%额定负荷2秒。
(8) 逆止二极管能承担逆变器最大输入电流,且反向耐压不低于整流器直流输出脉冲电压峰值2倍。
(9) 手动旁路开关具有先合后分的性能。
2 UPS的运行方及注意事项:
2.1 机组的UPS运行方式:
运行方式有四种,分别为:正常运行方式,直流运行方式,静态开关运行方式,手动旁路开关运行方式。
(1)正常运行方式:400V保安MCC段(主电源)供电,交流电输入经过匹配的变压器供应给相角控制整流器,整流器补偿主线电压的波动,负载的偏差,以维持直流电压恒定。逆变器依靠最优正弦脉冲宽控制(PWM)转换直流电压至交流电压并直接为所连接的负载供电。图二中粗黑线为正常运行方式时的供电通道。

图2 正常运行方式
(2)直流运行方式:当400V保安MCC段(主电源)输入电压发生下降或整流器故障,接入直流中间电路的蓄电池(220V直流母线)将会自动无干扰的为整流器供电。蓄电池(220V直流母线)电压下降由逆变器控制从而使UPS 输出的电压保持恒定。图三中粗黑线为直流运行方式时的供电通道。

图3 直流运行方式
(3)静态开关运行方式:在直流运行方式下,当蓄电池放电达到限度,警报将会发出,如此时主电源未恢复而旁路输入电压正常,系统将自动切至静态开关运行方式;还有就是在逆变器发生故障时,旁路输入电压正常,系统也将自动切至静态开关运行方式。图四中粗黑线为静态开关运行方式时的供电通道。

图4 静态开关运行方式
(4)手动旁路开关运行方式:当整流器、逆变器或静态开关需要检修时,应手动将手动旁路开关切至“旁路”位,直接由旁路电源柜供电。图五中粗黑线为手动旁路开关运行方式时的供电通道。

图5 手动旁路运行方式
2.2 UPS运行时的注意事项:
(1)整流器无输出或电压下降,主厂房220V直流电源将会自动无干扰的为逆变器供电,逆变器不再由整流器供电。当整流器有输出时,UPS系统将会自动恢复到整流器供电。
(2)当逆变器过载(>150% 1分钟或>125% 10分钟)或者逆变器故障,UPS系统将自动切换到旁路。
(3)UPS系统正常运行时因故障自动切至旁路主线(经静态开关供电)运行,当交流电源恢复时UPS将自动返回整流器主线供电。
(4) 当由正常运行方式或直流运行方式切至静态开关运行方式时,必须检查同步灯亮,才能进行切换。
(5) 220V直流母线电压不能满足逆变器的输入要求,如果旁路电源在热备状态,UPS系统将自动转到旁路运行;如果旁路主线不可用,系统将会自动停机。
(6) UPS系统因故障或检修需要切至手动旁路供电前,必须检查UPS已由静态开关供电,才能切至手动旁路供电。
3 UPS运行中出现的问题
UPS装置在多次手动切换运行方式过程中均正常、切换可靠。但投用以来发生了几次异常情况,下面简要介绍一下:
3.1 UPS风扇故障报警(Fan fault)
自宁电4X600MW机组投产以来,每台机组的UPS都发生了风扇故障报警,报警出现以后,经与厂家深圳威克赛公司联系,共同研究探讨,确认风扇启动电容的电容值降低引发了风扇故障告警。此告警在UPS不停机的情况下,不会影响设备的稳定运行;但如果UPS停机启动则可能会造成风扇启动有问题,引起设备温度过高影响到UPS主机设备稳定运行,进而影响UPS的重要负荷。
3.2 2007年6月18日4B UPS装置“同步异常”报警。
2007年6月18日21:42 ,电气人员在检查中发现4B UPS装置面板无报警信号,但装置报警历史记录中,有两条报警记录,分别为:Bypass out of tolerance; sync error。其含义为:旁路电源异常,主机未检测到旁路同步信号。而UPS 4A无任何异常信号。
在查找原因时发现该报警是在机组跳闸时出现的,在对4B UPS旁路电源输入电压进行分析,发现在机组跳闸1S后,其输入电压有明显下降,电压为335V较正常385V下降了12.9%;但UPS装置输出电压曲线基本正常,电压变化范围为243.7V~243.8V,幅度在0.1V对负荷没有影响。
进一步检查机组故障录波器6KV 4B段母线电压在机组跳闸1S后,电压由6KV下降到5.2KV,说明UPS装置旁路电源输入电压波动是因上级电压波动引起,经询问运行人员,在机组跳闸1S时,电动给水泵发生自启动,引起6KV 4B段母线电压下降。
后在运行配合下启动电动给水泵进行验证,结果4B UPS装置发出“同步异常”报警。再查找发现4B UPS主电源的上一级电源为4B锅炉变,其旁路电源的上一级电源为4B汽机变,4B锅炉变和汽机变都接自6KV 4B母线(没有交叉接线),在6KV 4B母线上的电泵自启时,母线电压下降较大,旁路电源回路的电压调节缓慢使电压下降超过10%额定电压,而主路由于有逆变器控制、调节输出电压未发生变化,导致电压差太大而发出“同步异常”的报警。
4 防止异常的改进措施
(1)利用停机的机会对各台机组的UPS进行了运行方式的倒换后,对风扇启动电容进行更换,装置至此未发生UPS风扇故障报警。由于UPS风扇启动电容寿命有限,一般在使用12个月后,应及时进行更换,以保证风扇的正常工作,避免UPS主机设备超温影响重要负荷。并在UPS间内增加了温、湿度计,在巡检时进行查看,做好记录。
(2)由于每台机组的两套 UPS装置均存在主路电源和旁路电源的电源取向为同一6KV母线,在6KV单段母线故障失电时,使UPS的主路电源和旁路电源均失去,使UPS的可靠性降低,严重时可能因220V直流母线存在问题,而是UPS发生停电事故。目前生产技术部门已拟定好方案,在各台机组停运时,将主路电源和旁路电源的电源接线方式改为取向不同的6KV母线,真正起到互为备用。
(3)在正常运行中只能监视UPS的输出电压、电流的幅值,无法对其波形相位进行监视,不利于及早发现UPS的异常。同时当UPS输出异常影响热控DCS系统时,将无法保证对UPS输出的正常记录,影响事故分析,现已将机组UPS装置A、B套各自的输出电压和电流引入对应的机组故障录波器,UPS电压波动,故障录波器将启动录波。从而为及早发现异常情况和事故分析提供数据。
5 小结
由于UPS主路电源和旁路电源的接线方式目前还没有改变,因此在机组跳闸电泵自启时还会发出“同步异常”报警,作为运行人员不能麻痹,应及时至就地检查UPS的运行情况。对于在改变UPS运行方式时,应特别注意静态开关和同步灯的状态以及手动旁路开关的位置,避免发生非同步切换损坏设备和切换时的失电,故运行人员要进一步加强学习UPS的操作说明和系统存在的问题,以确保UPS的正常运行,为机组安全运行保驾护航。
(摘编自《电气技术》,原文标题为“国华宁海电厂600MW机组UPS系统的运行分析”,作者为章建平。)