即热式电热水器故障分析怎么解决 (ao史密斯电热水器报警故障分析)

电热水器的基础知识

一、电热水器的分类

电热水器有KCD和FCD两种。KCD热水器属于敞口式热水器,内胆不受混水阀控制,直接与出水管、混水阀、淋浴软管、淋浴喷头相通,出水口始终保持敞开,内胆无压力。FCD热水器属于闭口式热水器,内胆受混水阀控制,与外界隔离,而自来水与内胆保持常通,这样热水器的内胆至少要承受自来水的压力。

二、电热水器的构成

电热水器通常由箱体系统、控制系统、进出水系统、制热系统四部分构成,常见电热水器内部构成如图9-2所示。

1.箱体系统

箱体系统主要由内胆、保温层、外壳等构成。其中,储水式内胆多采用锰钛钢金属制成,其表面有搪瓷或环氧粉末高温绝缘涂层,以免内胆带电。同时,为了防止内胆被腐蚀,还设置了防腐蚀装置。

2.控制系统

控制系统的功能主要是对进水系统、制热系统进行控制。

3.进出水系统

进出水系统的功能就是为内胆加水和控制喷头出水。该系统主要由加水管、安全阀、混水阀、淋浴软管、淋浴喷头构成。

帅康3000w电热水器不加热故障分析,史密斯电热水器故障分析

图9-2 典型电热水器构成示意图

(a)卧式电热水器构成

帅康3000w电热水器不加热故障分析,史密斯电热水器故障分析

图9-2 典型电热水器构成示意图

(b)立式电热水器构成

4.制热系统

制热系统的功能就是为内胆水加热。它主要由加热管、温控器、漏电保护器构成。

三、特殊器件简介

1.安全阀

(1)安全阀的作用

安全阀的作用主要有三个:一是反向截止作用,也就是冷水只能进入内胆,而不能从内胆回流到自来水管路内;二是达到一定压力后自动泄压;三是热水烧开后排空。

(2)原理

如图9-3所示,当内胆的压力小于自来水的压力时,反向截止阀弹簧在自来水水压的作用下被压缩,反向阀芯上移,自来水经进水口进入内胆。当停水等原因使自来水管路的压力低于内胆的压力时,截止阀弹簧推动阀芯将截止阀胶垫堵在进水口上,于是内胆的水就不能回流到自来水的管路内。

帅康3000w电热水器不加热故障分析,史密斯电热水器故障分析

图9-3 典型的FCD安全阀构成示意图

当内胆压力过高并超过安全阀的规定压力后,则安全阀弹簧被压缩,使安全阀胶垫右移,过高的压力通过安全阀进行泄放,以免内胆被过高的压力损坏。

提示 安全阀上的压力调节盘就是调节泄压值的,该值在出厂时已调好,维修时轻易不要对其进行调整,以免发生危险。另外,通过掰动手柄也可以进行泄压。

2.混水阀

(1)种类

混水阀有KCD和FCD两种。KCD混水阀适用于敞口式热水器,FCD混水阀适用于闭口式热水器。

(2)工作原理

下面以FCD混水阀为例来介绍混水阀的工作原理。

混水阀内部采用陶瓷阀芯进行水温调节,混水阀有两个联动的阀门,一个控制内胆流出的热水量;另一个控制自来水冷水的流出量。通过调节混水阀的阀门加大喷头流出的热水量时,就会减小自来水冷水的通出量,水温就会升高;而加大自来水冷水的流出量,减小热水的流出量时,水温就会降低。

3.镁棒

镁棒是镁阳极、阳极镁块的简称。镁是一种化学性能较活泼的金属,能起到磁化水质的作用。镁棒不仅能够在恒温器内形成磁场,提高水的活性,可以让洗澡水也达到比较好的水质标准,而且可以修复内胆的陶瓷涂层裂痕。因此,镁棒需要定期更换。电热水器常用的镁棒如图9-4所示。

帅康3000w电热水器不加热故障分析,史密斯电热水器故障分析

图9-4 电热水器常用的镁棒

提示 由于镁棒的电流效率和利用率较高,长时间使用后,镁棒会变成“海绵棒”,重量减轻。当镁棒的重量不足原重量的1/3时,则需要更换镁棒了。一般情况下,镁棒可使用1年左右,属于易损件。

典型电热水器故障分析与检修

一、机械控制型电热水器

以澳柯玛机械控制型电热水器为例,其电气系统由温控器、过热保护器、加热器、加热指示灯构成如图9-5所示。

1.加热控制

插好电源线后,220V市电电压经温控器、过热保护器输入后不仅使加热器加热,而且使加热指示灯发光,表明该机处于加热状态。随着加热时间的延长,水的温度逐渐升高,当温度达到温控器设置的温度后,温控器的触点断开,加热器因没有供电停止加热,而且加热指示灯也会因没有供电熄灭,该机进入保温状态。当水温下降到比设置的温度低5℃左右后,温控器的触点闭合,再次接通电源,如此反复,使电热水器的温度控制在一定范围内。

帅康3000w电热水器不加热故障分析,史密斯电热水器故障分析

图9-5 澳柯玛机械控制电热水器电气原理图

2.过热保护

当水罐内无水或温控器异常,使加热器的温度过高时,过热保护器断开,切断整机供电,以免加热器烧断或产生其他故障,实现过热保护。

3.常见故障检修

(1)不加热

不加热说明加热器或其供电系统异常。该故障的检修流程如图9-6所示。

帅康3000w电热水器不加热故障分析,史密斯电热水器故障分析

图9-6 不加热故障检修流程

(2)加热不正常

加热不正常,说明温控器、加热器或线路接触不良。该故障的检修流程如图9-7所示。

二、电脑控制型电热水器

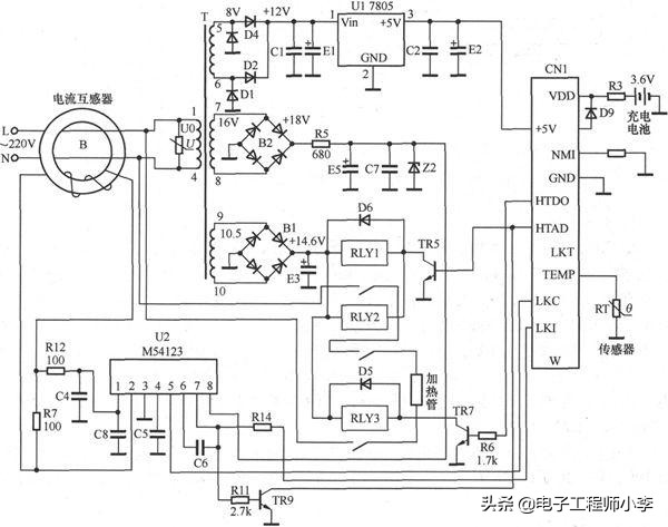
以比德斯电脑控制型电热水器为例,这是德国产的全自动型电热水器,采用双胆结构,冷热水隔离,提高了热水使用率,电路上采用了电脑控制和液晶显示功能,具有防漏电、过热、干烧保护。该机的电源电路如图9-8所示,控制电路如图9-9所示。

帅康3000w电热水器不加热故障分析,史密斯电热水器故障分析

图9-7 加热不正常故障检修流程

帅康3000w电热水器不加热故障分析,史密斯电热水器故障分析

图9-8 比德斯电脑控制型电热水器电源电路

帅康3000w电热水器不加热故障分析,史密斯电热水器故障分析

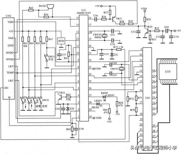
图9-9 比德斯电脑控制型电热水器控制电路

1.电源电路

如图9-8所示,该机通上市电电压后,220V市电电压经变压器T降压,产生8V、16V和10.5V(与市电高低成正比)三种电压。其中,8V交流电压通过D1~D4组成的桥式整流堆整流,C1、E1滤波产生12V直流电压,该电压再经5V稳压器U1(7805)稳压输出5V电压。5V电压一路通过隔离二极管D9为3.6V电池充电;另一路通过连接器CN1为U51等电路供电;16V交流电压通过整流堆B2桥式整流产生18V直流电压,再通过R5限流,Z2稳压产生12V直流电压,该电压经C7、E5滤波后加到芯片U2(M54123)的[8]脚,为它供电;10.5V交流电压通过整流堆B1桥式整流,E3滤波产生14.6V直流电压,该电压为继电器RLY1、RLY2、RLY3的线圈供电。

市电输入回路的R压是压敏电阻,它的作用是防止市电电压过高损坏变压器T等器件。市电升高时,R压击穿,使用户家的熔断器熔断或空气开关跳闸,切断市电输入,实现市电过压保护。

2.微处理器电路

如图9-9所示,该机的微处理器电路主要由微处理器U51(GMS81504T)及其外围元件组成。

(1)GMS81504T的主要引脚功能

GMS81504T的主要引脚功能如表9-1所示。

帅康3000w电热水器不加热故障分析,史密斯电热水器故障分析

表9-1 GMS81504T的主要引脚功能

(2)U51工作条件电路

5V供电:插好电热水器的电源线,待电源电路工作后,由其输出的5V电压经D9降压产生供电电压VDD,该电压加到U51的供电端[9]、[23]、[30]脚,为U51供电。

复位:该机的复位电路由微处理器U51和三极管TR50、电容E50、R50~R52等元件构成。开机瞬间,由于5V电源通过E50、R52、R51构成充电回路,充电电流在R51两端建立的电压超过0.6V,TR50导通,为U51的[17]脚提供低电平复位信号,使U51内的存储器、寄存器等电路清零复位。随着E50两端电压的逐渐升高,充电电流逐渐消失,TR50截止,5V电压通过R50为U51的[17]脚提供高电平电压,使U51内部电路复位结束,开始工作。

时钟:U51得到供电后,它内部的振荡器与[18]、[19]脚外接的晶振CRY50和移相电容C50、C51通过振荡产生4MHz的时钟信号。该信号经分频后协调各部位的工作,并作为U51输出各种控制信号的基准脉冲源。

(3)操作控制电路

微处理器U51的[5]~[8]及[11]脚外接操作键SW51~SW55。其中,SW51是开关键,用于控制电热水器工作和关闭;SW52是定时键,用来控制进入/退出定时状态,并选择定时时间;SW53是设置键,用于选择及确认设置参数;SW54是数据增加键;SW55是数据减小键。

(4)液晶显示电路

该机采用了LCD显示屏和驱动芯片U50、微处理器U51构成的液晶显示电路。进行操作时,U51从[13]、[22]、[24]~[26]脚输出屏显驱动信号。这些信号加到U50的[18]、[9]~[12]脚,被U50解码、放大后,从U50的[21]~[38]脚输出驱动信号,驱动LCD显示屏显示时间、温度等数值。

(5)蜂鸣器驱动电路

该机的蜂鸣器电路由蜂鸣器BUZZ、微处理器U51等构成。每次进行操作时,U51的[14]脚输出蜂鸣器驱动信号,驱动蜂鸣器BUZZ鸣叫,提醒用户电热水器已收到操作信号,并且此次控制有效。

3.加热控制电路

如图9-9、图9-8所示,当该机加水并需要加热时,微处理器U51,从[15]脚输出高电平控制信号,从[28]脚输出低电平控制信号,从[16]脚输出低电平脉冲信号。[28]脚输出的低电平控制信号使红色发光管LED51发光,表明该机处于加热状态;[15]脚输出的高电平控制信号经连接器CN2/CN1的HTDO端子输出到电源电路,再经R6限流使TR7导通,为继电器RLY3的线圈提供导通电流,使RLY3的触点吸合,接通加热管的一根供电线路;[16]脚输出的低电平脉冲信号通过C56、R56耦合,使TR5导通,为继电器RLY1、RLY2的线圈提供导通电流,使它们的触点吸合,接通加热管的另一根供电线路,加热管获得供电开始加热。罐内的水温随着加热管的不断加热而升高,当水温达到设置的温度后,传感器(负温度系数)RT的阻值减小,通过连接器CN1/CN2的TEMP端子进入控制电路,使U51的[10]脚电位下降,当U51的[10]脚输入的电压值与U51内部存储的某个电压值相同时,U51通过比较就可以算出传感器感应的实际温度,也就是内胆水的温度,控制[15]、[27]脚输出低电平控制信号,[28]脚输出高电平电压。[28]脚输出高电平控制信号后,LED51熄灭;[15]脚输出低电平控制信号,驱动管TR7截止,继电器RLY3的线圈无导通电流,它内部的触点释放,加热管停止加热;[27]脚输出低电平控制信号使保温指示灯LED50发光,表明该机进入保温状态。随着保温时间的延长,水的温度逐渐下降,当温度下降到一定值后,RT的阻值增大,使U51的[10]脚电位升高,被U51识别后,控制该电热水器再次进入加热状态。重复以上过程,电热水器就可以为用户提供热水。

4.漏电保护

如图9-8、图9-9所示,漏电保护电路由电流互感器B、芯片U2(M54123)、TR9、微处理器U51等构成。

当该机因加热管破裂等原因发生漏电时,B的初级电流矢量和不再为0,它的次级线圈中感应出电压,经R12、C4、R7整形后,加到U2的[1]、[2]脚,被U2处理后,[7]脚输出高电平控制信号。该信号一路通过R11使TR9导通,使TR5截止,继电器RLY1、RLY2的线圈无导通电流,它内部的触点释放,切断加热管的供电回路,加热管停止加热;另一路通过R14限流,再经连接器CN1/CN1的LKI端子进入控制电路,该信号通过R73限流,加到U51的[21]脚,被U51识别后,U51不仅控制[15]脚、[16]脚输出停止加热的信号,而且从[14]脚输出蜂鸣器驱动信号,使蜂鸣器发出12声的鸣叫报警,而且控制显示屏显示故障代码E3,提醒用户该机进入漏电保护状态。

5.过热、干烧保护

如图9-8、图9-9所示,过热、干烧保护电路由传感器RT、微处理器U51等元件构成。

当该机因内胆内的水不足,导致加热管的加热温度过高时,传感器RT的阻值大幅度减小,导致RT端电压大幅降低,该电压通过连接器CN1/CN2的TEMP端子进入控制电路,加到微处理器U51的[10]脚,被U51识别后,不仅控制[15]脚、[16]脚输出停止加热的信号,而且从[14]脚输出蜂鸣器驱动信号,使蜂鸣器发出12声的鸣叫报警,而且控制显示屏显示E4或E5的故障代码,提醒用户该机进入干烧或过热保护状态。显示E4说明进入防干烧保护状态,显示E5说明进入过热保护状态,此时微处理器U51识别出加热温度为91℃。

提示 该机为了防止传感器异常导致加热不正常,还设置了传感器异常保护功能,当传感器RT异常时为微处理器U51的[10]脚提供的电压也异常,U51判断RT异常后,会控制该机进入传感器异常保护状态,并通过显示屏显示故障代码E2,并通过蜂鸣器鸣叫12声,来提醒用户。

6.常见故障检修

(1)不加热,显示屏不亮

不加热,显示屏不亮说明该机没有市电输入、电源电路或微处理器电路异常。该故障的检修流程如图9-10所示。

帅康3000w电热水器不加热故障分析,史密斯电热水器故障分析

图9-10 不加热,显示屏不亮故障检修流程

(2)加热指示灯亮,但不加热

加热指示灯亮,但不加热说明加热管或其供电系统异常。该故障的检修流程如图9-11所示。

帅康3000w电热水器不加热故障分析,史密斯电热水器故障分析

图9-11 加热指示灯亮,但不加热故障检修流程

(3)显示屏显示E4的故障代码,蜂鸣器鸣叫

显示屏显示E4的故障代码,蜂鸣器鸣叫说明内胆内的水不足或检测电路异常。该故障的检修流程如图9-12所示。

帅康3000w电热水器不加热故障分析,史密斯电热水器故障分析

图9-12 显示屏显示E4的故障代码,蜂鸣器鸣叫故障检修流程