透射式电子显微镜(TEM)的工作原理与投射式光学显微镜很相似,图1画出了两者的简化光路图,尽管光源、透镜各不相同,但照放大及成像方式却完全一致。

图1 投射光镜与透射电镜的光路对照图
在实际情况下无论是光镜还是电镜,其内部结构都要比图示复杂得多,图中的聚光镜(condonser lens)、物镜(object lens)和投影镜(projection lens)为光路中的主要透镜,实际制作中它们往往各是一组(多块透镜构成),在设计电镜时为达到所需的放大率、减少畸变和降低像差,又常在投影镜之上增加一至两级中间镜(intemediate lens)。
透射式电子显微镜的总体结构包括镜体和辅助系统两大部分,镜体部分包含:
①照明系统(电子枪G,聚光镜C1、C2),
②成像系统(样品室,物镜O,中间镜I1、I2,投影 镜P1、P2),
③观察记录系统(观察室、照相室),
④调校系统(消像散器、束取向调 整器、光阑)。
辅助系统包含:
①真空系统(机械泵、扩散泵、真空阀、真空规),
②电路系统(电源变换、调整控制),
③水冷系统。图2(a)为典型透射电镜的电子光学系统构成及成像原理示意图,其中只包含了电镜镜体内的照明系统和成像系统两部分;图2(b)为透射电镜的镜体外形结构对照示意图。
透射电镜一般工作原理为:电子枪发出的电子束沿真空通道内镜体光轴穿过聚光镜并经聚光镜汇聚成尖细的光束、明亮均匀光斑照射到样品室中的试样;透过样品后的电子束携带有样品内部的结构信息,样品内致密处透过的电子量少,稀疏处透过的电子量多;经过物镜的会聚调焦和初级放大后,电子束进入下级的中间透镜和第1、第2投影镜进行综合放大成像,最终被放大了的电子影像投射在观察室内的荧光屏板上;荧光屏将电子影像转化为可见光影像以供使用者观察。本节将分别对各系统中的主要结构和原理予以介绍。
照明系统
照明系统由电子枪与聚光镜两大部分组成,其功用主要是为样品与成像系统提供具有足够亮度的光源——电子束流,其要求输出电子束具有波长单一而稳定、亮度均匀、易于调节、像散较小等特点。
1.电子枪(electronic gun)
由阴极(cathode)、阳极(anode)和栅极(grid)组成,图3为它的剖面结构示意图和实物分解图。
(1)阴极
阴极是产生自由电子的源头,一般有直热式和旁热式2种,旁热式阴极是将加热体和阴极分离,各自保持独立。在电镜中通常由加热灯丝(filament)兼做阴极称为直热式阴极,材料多用金属钨丝制成,其特点是成本低,但亮度低,寿命也较短。灯丝的直径约为0.10~0.12mm,当几安培的加热电流流过时,即可开始发射出自由电子,但灯丝四周一定要高度真空,不然就像漏气灯泡那样,受热后灯丝在倾刻之间氧化烧坏。灯丝最常用的造型为发叉式灯丝,还有箭斧式灯丝或点状式(图4)灯丝,后者发光亮度大,光束尖锐而集中,适于拍摄高分辨率电镜照片,但其寿命较短。

图2 透射电镜的镜体结构对照及成像原理
阴极灯丝被安装在高绝缘的陶瓷灯座上(图5),既能绝缘、耐受几千度的高温,还可以方便更换。灯丝的加热电流值是连续可调的。

图3电子枪的构成
在一定的界限内,灯丝发射出来的自由电子量与加热电流强度成正比,但在超越这个界限后,电流继续加大,只能降低灯丝的使用寿命,却不能增大自由电子的发射量,我们把这个临界点称做灯丝饱和点,意即自由电子的发射量已达“满额”,无以复加。正常使用常把灯丝的加热电流调整设定在接近饱和而不到的位置上,称做“欠饱和点”。这就可使灯丝寿命最大化,同时又确保可得到大自由电子发射量。钨制灯丝正常寿命约40h。现代电镜有时采用新型材料六硼化镧(LaB6)制造灯丝,价格昂贵,而发光效率高,亮度大(能提高一个数量级),且寿命远比钨丝长得多,可达1000h。

图4 电镜常见钨制阴极灯丝形状
(2)阳极
为金属圆筒,中心有孔洞,位于阴极之下,阳极加上几十千伏或几百千伏正高压加速电压后,会对阴极加热放出的自由电子有很强的引力作用,并使其由杂乱状态向有序定向运动转化, 同时把自由电子加速到一定的运动速度(与加速电压有关,前面已经讨论过), 形成一股束流射向阳极靶面。凡在轴心运动的电子束流,将穿过阳极中心的圆孔射出电子枪外,成为照射样品的光源。
(3)栅极
位于阴、阳极之间,靠近灯丝顶端,为形似帽状的金属物,中心亦有一小孔供电子束通过。栅极上加有0~1000V的负电压(对阴极而言),这个负电压称为栅偏压VG,它的高低不同,可由使用者根据需要调整,栅极偏压能使电子束产生向中心轴会聚的作用,同时对灯丝上自由电子的发射量也有一定的调控抑制作用。

图5 电子枪的工作原理
(4)工作原理
图4-17表明,在灯丝电源VF作用下,电流IF流过灯丝阴极,使之发热达2500℃以上时,则能生成自由电子,逸出灯丝表面。加速电压VA使得阳极表面积聚稠密的正电荷并产生强正电场,自由电子在此正电场作用下飞出电子枪。调整VF可使灯丝工作在欠饱和点,电镜使用过程中可根据对亮度的 需要调节栅偏压VG的大小来控制电子束流量的大小。
电镜中加速电压VA也是可调的,VA增大时,电子束的波长λ缩短,有利于电镜分辨力的提高。同时穿透能力增强,对样品的热损伤小,但是这时会因电子束撞击样品,使弹性散射的电子散射角也相应变大,成像反差也因之减小,因此,当没有寻求高分辨率的观测应用,选择低加速电压却能得到更大成像反差,特别是针对自身反差相对较小的生物样品而言,选择低加速电压时有优势。

图6 新型场发射式电子枪工作原理示意图
还有一种新型的电子枪场发射式电子枪(见图6),由1个阴极和2个阳极构成,第1阳极上施加一稍低(相对第2阳极)的吸附电压,用以将阴极上面的自由电子吸引出来,而第2阳极上面的极高电压,将自由电子加速到很高的速度发射出电子束流。这需要超高电压和超高真空为工作条件,它工作时要求真空度达到10-7Pa,热损耗极小,使用寿命可达2000 h;电子束斑的光点更为尖细,直径可达到10nm以下,较钨丝阴极(大于104nm)缩小了3个数量级;由于发光效率高,它发出光斑的亮度能达到109 A/cm2·s,较钨丝阴极(106 A/cm2·s )也提高了3个数量级。场发射式电子枪因技术先进、造价昂贵,目前只应用于高档高分辨电镜当中。
2.聚光镜(condonser lens)
聚光镜处在电子枪的下方,一般由2~3级组成,从上至下依次称为第1、第2聚光镜(以C1 和C2表示)。关于电磁透镜的结构和工作原理已经在上一节中介绍,电镜中设置聚光镜的用途是将电子枪发射出来的电子束流会聚成亮度均匀且照射范围可调的光斑,投射在下面的样品上。C1和C2的结构相似,但极靴形状和工作电流不同,所以形成的磁场强度和用也不相同。C1为强磁场透镜,C2为弱磁场透镜,各级聚光镜组合在一起使用,可以调节照明束斑的直径大小,从而改变了照明亮度的强弱,在电镜操纵面板上一般都设有对应的调节旋扭。C1、C2的工作原理是通过改变聚光透镜线圈中的电流,来达到改变透镜所形成的磁场强度的变化,磁场强度的变化(亦即折射率发生变化)能使电子束的会聚点上下移动,试样表面的电子束斑汇聚的程度越低,其能量就越集中、亮度就越高;相反,束斑扩散,照射区域增大则亮度降低。用调节聚光镜电流的办法改变照明亮度,其实是一种间接调节办法,最大亮度受电子束流量制约。如要照明亮度有较大程度的变化,唯有通调前文所述电子枪内栅极偏压才可使电子束流尺寸发生根本性变化。在C2上通常 装配有活动光阑,用以改变光束照明的孔径角,一方面可以限制投射在样品表面的照明区域,使样品上无需观察的部分免受电子束的轰击损伤;另一方面也能减少散射电子等不利信号带来的影响。
成像系统
1.样品室(specimen room )
样品室处在聚光镜之下,内有载放样品的样品台。样品台必须能做水平面上X、Y方向的移动,以选择、移动观察视野,相对应地配备了2个操纵杆或者旋转手轮,这是一个精密的调节机构,每一个操纵杆旋转10圈时,样品台才能沿着某个方向移动3mm左右。现代高档电镜可以配备一台用计算机控制马达作动力的试样台,追求试样在运动中准确、固定中平稳;并且可以通过计算机给样本进行标签式定位标记以使用户需进行回顾性对照时靠计算机进行定位查找,而这种定位查找在人工进行选区操作时难以实现。

图7 超薄切片与样品载放铜网
生物医学样品在做透射电镜观察时,基本上都是将原始样品以环氧树脂包埋,然后用非常精密的超薄切片机切成薄片,刀具为特制的玻璃刀或者是钻石刀。切割下来的生物医学标本厚度一般只有几十个纳米(nm),一般肉眼无法直接看到,如图7(a)所示,切片必须漂浮于水面之上,操作娴熟的技术人员要利用特殊照明光线和特殊角度来观察这样一张薄薄的切片。将切成片捞出置于铜网上,染色晾干后方可进行观测。透射电镜样品是个长期,复杂和精密的工艺过程,技术性很强。但是我们前面介绍过,要想获得优良的电镜影像,制做优良的样品标本乃是非常重要的第一步。
盛放样品的铜网根据需要可以是多种多样的,图7(b),直径一般均为3mm ,通常铜网上有多少个栅格,我们就把它称作多少目。之所以选择铜制作样品网,是由于它不会与电子束及电磁场发生作用,同理还可以选择其他导磁率低的金属材料(如镍)制作样品网,样品网属于易耗品,铜网加工容易、成本低,故使用十分普及。
透射电镜常见的样品台有2种:
①顶入式样品台,要求样品室空间大,一次可放入多个(常见为6个)样品网,样品网盛载杯呈环状排列。使用中可靠机械手装置顺序互换。有益效果在于:每次观测到多个试样之后,只需在换样过程中对试样室内真空进行破坏即可,较为便捷且省时省力;但是需要的空间过大,使样品远离下方物镜,不宜减小物镜焦距而影响电镜分辨力。
②侧插式样品台,样品台制成杆状,样品网载放在前端,只能盛放1~2个铜网。样品台的体积小,所占空间也小,可以设置在物镜内部的上半端,有利于电镜分辨率的提高。缺点是一次不能同时放入多个样品网,每次更换样品必须破坏一次样品室的真空,略嫌不便。
在更高性能的透射式电镜上,多使用上述侧插式试样台,以使电镜分辨能力达到最大化。高档次电镜可装有各种样式的侧插式样品,部分样品台采用金属联接可使样品网升温或致冷以满足各种使用要求。样品是先盛载在铜网上,然后固定在样品台上的,样品台与样品握持杆合为一体,是一个非常精巧的部件(图8)。样品杆的中部有一个“O”形橡胶密封圈,胶圈表面涂有真空脂,以隔离样品室与镜体外部的真空(两端的气压差极大,比值可达10-6~10-9)。

图8 样品握持杆示意
样品室上、下电子束通道各设置真空阀用于换样过程中电子束通道的截断,仅对样品室内部真空造成损害,不会对镜筒整体真空造成影响,这样换样后试样室重新抽真空就可以节约大量的时间。在样品室真空度和镜筒内部趋于平衡后,再次打开连通镜筒的真空阀。
2.物镜(object lens)
位于样品室之下、与样品台紧密贴合、作为电镜的第一个成像元件、对物镜造成即使很小误差也将被多级高倍率放大后显化,因此,电镜中最重要的组成部分之一,它决定着一部电镜分辨本领的高低,可以视为电镜的核心。
(1)特点
物镜是一块强磁透镜,焦距很短,对材料的质地纯度、加工精度、使用中污染的状况等工作条件都要求极高。致力于提高一台电镜的分辨率指标的核心问题,便是对物镜的性能设计和工艺制作的综合考核。尽可能地使之焦距短、像差小,又希望其空间大,便于样品操作,但这中间存在着不少相互矛盾的环节。
(2)作用
进行初步成像放大,改变物镜的工作电流,可以起到调节焦距的作用。电镜操作面板上粗、细调焦旋扭,即为改变物镜工作电流之用。
为了达到上述物镜要求,样品台不但应设计成位于物镜内,以便减小物镜焦距;还需配置好冷却水管减少物镜电流热飘移;另外安装了改善成像反差可调活动光阑和其所要实现高分辨率消像散器。对高性能电子显微镜均采用物镜安装防污染冷阱用液氮作媒质来冷却试样。
3.中间镜(intemediate lens)和投影镜(projection lens)
在物镜下方,依次设有中间镜和第1投影镜、第2投影镜,以共同完成对物镜成像的进一步放大任务。从结构上看,它们都是相类似的电磁透镜,但由于各自的位置和作用不尽相同,故其工作参数、励磁电流和焦距的长短也不相同。电镜总放大率:
M=MO·MI·MP1·MP2
也就是物镜,中间镜,投影镜各自放大率的乘积。电镜放大率使用过程中要进行转换时,其焦距长短必须随之作出改变,一般要通过改变依靠中间镜与第1投影镜线圈之间励磁工作电流才能实现。电镜操纵面板中放大率变换钮是用来控制中间镜及投影镜电流。
对中间镜和投影镜这类放大成像透镜的主要要求是: 当镜筒高度尽量减小时,获得了达到高分辨率要求的最大放大率和找到适当视野要求的最小放大率;可作电子衍射像分析、作选区衍射、小角度衍射及其他特殊观测;同是希望其像差,畸变及轴上像散尽量小。
观察、记录系统
1.观察室
透射电镜的最终成像结果,显现在观察室内的荧光屏上,观察室处于投影镜下,空间较大,开有1~3个铅玻璃窗,可供操作者从外部观察分析用。对铅玻璃的要求是既有良好的透光特性,又能阻断X线散射和其他有害射线的逸出,还要能可靠地耐受极高的压力差以隔离真空。
因电子束成像波长过短而无法用人眼直接观测,电镜利用涂敷荧光物质荧光屏板将接收电子影像变换为可见光。观察者需将电子显微影像从荧光屏中选区、聚焦及其他调整、观察分析出来,要求荧光屏发光高效、光谱及余辉合适、分辨力强。目前多用能发出黄绿色光线的硫化锌-镉类荧光粉作涂布材料,其直径15~20cm左右。
荧光屏的中心部分为一直径约10cm的圆形活动荧光屏板,平放时与外周荧屏吻合,可以进行大面积观察。使用外部操纵手柄可将活动荧屏拉起,斜放在45°角位置,此时可用电镜置配的双目放大镜,在观察室外部通过玻璃窗来精确聚焦或细致分析影像结构;而活动荧光屏完全直立竖起时能让电子影像通过,照射在下面的感光胶片上进行曝光。
2.照相室
在观察中电子束长时间轰击生物医学样品标本,必会使样品污染或损伤。所以对有诊断分析价值的区域,若想长久地观察分析和反复使用电镜成像结果,应该尽快把它保留下来,将因为电子束轰击生物医学样品造成的污染或损伤降低到最小。此外,荧光屏上的粉质颗粒的解像力还不够高,尚不能充分反映出电镜成像的分辨本领。将影像记录存储在胶片上照相,便解决了这些问题。
照相室处在镜筒的最下部,内有送片盒(用于储存未曝光底片)和接收盒(用于收存已曝光底片)及一套胶片传输机构。电镜生产的厂家、机型不同,片盒的储片数目也不相同,一般在20~50片/盒左右,底片尺寸日本多采用82.5mm×118mm,美国常用82.5mm×101.6mm,而欧州则用90mm×120mm。每片底片用专用一不锈钢底片夹夹着并叠置于片盒里。工作时,底片夹被输片机构先后有序推放至荧光屏下电子束成像位置。曝光控制采用手控与自控相结合的方式,快门启动装置一般与活动荧光屏板扳手柄平行。电子束流大小可以通过探测器探测并向操作者提供曝光指示;或应用全自动曝光模式,在计算机控制下,根据程序选定曝光亮度及最佳曝光时间,完成图像拍摄记录。
现代电镜都可以在底片上打印出每张照片拍摄时的工作参数,如:加速电压值、放大率 、微米标尺、简要文字说明、成像日期、底片序列号及操作者注解等备查的记录参数。观察室与照相室之间有真空隔离阀。以便在更换底片时,只打开照相室而不影响整个镜筒的真空。
3.阴极射线管(CRT)显示器
电镜在操作面板上设CRT显示器,主要用来显示电镜整体工作状态,操作键盘输入内容,计算机和操作者人机对话沟通提示及电镜维修调整时程序提示和故障警示。
调校系统
1.消像散器
像散(指轴上像散)出现除前文所述材质,加工精度原因外,实际应用时,由于零件疲劳损耗、真空油脂扩散沉积,和生物医学样品经电子束辐照后有机物热蒸发污染多种因素逐步累积使像散不断发生变化。因此,消除像散是电镜制造与应用中不可缺少的一项重要工艺。
早期电镜曾使用机械式消像散器和手动机械装置调节电磁透镜四周小磁铁构成消像散器以改变透镜磁场分布缺陷。但因其调节的精确性及使用方便性都难以让人满意,目前该方法已经退出历史舞台。目前的消像散器由围绕光轴对称环状均匀分布的8个小电磁线圈构成,见图4-21,用以消除(或减小)电磁透镜因材料、加工、污染等因素造成的像散。其中每4个互相垂直的线圈为1组,在任一直径方向上的2个线圈产生的磁场方向相反,用2组控制电路来分别调节这2组线圈中的直流电流的大小和方向,即能产生1个强度和方向可变的合成磁场(图9中的虚线椭圆),

图9 由电磁线圈构成的消像散器
以补偿透镜中所原有的不均匀磁场缺陷(图中椭圆形实线),以达到消除或降低轴上像散的效果。
一般电镜分别于第2聚光镜和物镜内安装两套消像器即聚光镜消像散器与物镜消像散器。通过电子束斑椭圆度可以看到聚光镜引起的像散,像散导致成像面亮度不均,制约了分辨率。调整聚光镜消像散器(镜体操作面板上装有对应可调旋钮),使椭圆形光斑恢复到最接近圆状即可基本上消除聚光镜中存在的像散。
物镜像散能在很大程度上影响成像质量,消除起来也比较困难。常用放大镜观察欠焦过程中试样支持膜小孔所形成的费涅尔圆环是否均匀,或用专用消像散特制标本进行调节剔除,这些都需一些经验及操作技巧。近年来在一些高档电镜机型之中,开始出现了自动消像散和自动聚焦等新功能,为电镜的使用和操作提供了极大的方便。
2.束取向调整器及合轴
最理想的电镜工作状态,应该是使电子枪、各级透镜与荧光屏中心的轴线绝对重合。但这是很难达到的,它们的空间几何位置多多少少会存在着一些偏差,轻者使电子束的运行发生偏离和倾斜,影响分辨力;稍微严重时会使电镜无法成像甚至不能出光(电子束严重偏离中轴,不能射及荧光屏面)。为此电镜采取的对应弥补调整方法为机械合轴加电气合轴的操作。
机械合轴作为整个合轴作业的先行环节,它通过对电子枪和每个透镜上定位螺丝的逐步调整以形成一个共同中心轴线。这种调节方法很难做到非常精细,只能进行较粗的调节,再辅以电气合轴补偿。
电气合轴是使用束取向调整器的作用来完成的,它能使照明系统产生的电子束做平行移动和倾斜移动,以对准成像系统的中心轴线。束取向调整器分枪(电子枪)平移、倾斜和束(电子束)平移、倾斜线圈两部分。前者用以调整电子枪发射出电子束的水平位置和倾斜角度;后者用以对聚光镜通道中电子束的调整。均为在照明光路中加装的小型电磁线圈,改变线圈产生的磁场强度和方向,可以推动电子束做细微的移位动作。
合轴的操作较为复杂,不过在合轴操作完成后,一般不需经常调整。只不过束平移调节是作为频繁调动旋钮置于电镜操作面板中,以便操作者改变一定工作状态(如放大率变换)之后使用,把偏移的电子束亮斑中央拉回到荧光屏中央,这种调节器旋钮又叫“亮度中等”按钮。
3.光阑
如前所述,为限制电子束的散射,更有效地利用近轴光线,消除球差、提高成像质量和反差 ,电镜光学通道上多处加有光阑,以遮挡旁轴光线及散射光,参见图10。

图10 TEM光学通道中的光阑
光阑有固定光阑和活动光阑2种,固定光阑为管状无磁金属物,嵌入透镜中心,操作者无法调整(如聚光镜固定光阑)。活动光阑由长条状无磁性金属钼薄片加工而成,其上纵向等距排列着若干个大小不等、直径在几十至几百微米的光阑孔供选用。所述活动光阑钼片安装于调节把手前端且位于光路中心位置,把手端位于镜体外。在活动光阑把手整体中间,镶嵌一个“O”型橡胶圈,隔绝镜体内外真空。可供调节用的手柄上标有1、2、3、4号定位标记,号数越大,所选的就孔径越小。光阑孔要求很圆而且光滑,并能在 X、Y方向上的平面里做几何位置移动,使光阑孔精确地处于光路轴心。因此,活动光阑的调节手柄,应能让操作者在镜体外部方便地选择光阑孔径,调整、移动活动光阑在光路上的空间几何位置。
电镜上常设3个活动光阑供操作者变换选用:
①聚光镜C2光阑, 孔径约在20~200μm左右,用于改变照射孔径角,避免大面积照射对样品产生不必要的热损伤。光阑孔的变换会影响光束斑点的大小和照明亮度;
②物镜光阑, 能显著改变成像反差。孔径约在10~100μm 左右,光阑孔越小,反差就越大,亮度和视场也越小(低倍观察时才能看到视场的变化)。若选择的物镜光阑孔径太小时,虽能提高影像反差,但会因电子线衍射增大而影响分辨能力,且易受到照射污染。若真空油脂及其它非导电杂质沉积于其上,则有可能受到电子束轰击而充放电,所产生的小电场可干扰电子束成像而造成像散,因此物镜光阑孔径也要适当选取;
③中间镜光阑, 也称选区衍射光阑,孔径约在50~400μm左右,应用于衍射成像等特殊的观察之中。
真空系统
电镜镜筒内的电子束通道对真空度要求很高,电镜工作必须保持在10-3~10-4Pa以上的真空度(高性能的电镜对真空度的要求更达10-7Pa以上),由于镜筒内残留气体分子若与高速电子相撞,会发生电离放电及散射电子等现象,使电子束失稳,像差增大而污染试样,并且残留气体将加速高热灯丝的氧化,缩短灯丝寿命。得到高真空采用多种真空泵协同提取。
1.机械泵(旋转泵)
机械泵因在其他场合使用非常广泛而比较常见,它工作时是靠泵体内的旋转叶轮刮片将空气吸入、压缩、排放到外界的。机械泵的抽气速度每分钟仅为160L左右 ,工作能力也只能达到0.1~0.01Pa,远不能满足电镜镜筒对真空度的要求,所以机械泵只做为真空系统的前级泵来使用。
2.油扩散泵
扩散泵的实物外形和内部结构见图11。它的工作原理是用电炉将特种扩散泵油加热至蒸汽
状态,高温油蒸汽膨涨向上升起,靠油蒸汽吸附电镜镜体内的气体,从喷嘴朝着扩散泵内壁射出,在环绕扩散泵外壁的冷却水的强制降温下,油蒸汽冷却成液体时析出气体排至泵外,由机械泵抽走气体,油蒸汽冷却成液体后靠重力回落到加热电炉上的油槽里循环使用,见图 11(c)。扩散泵的抽气速度很快,约为每秒钟570L左右,工作能力也较强,可达10-3~10-4Pa 。
但其只适用于气体分子比较稀的场合,当氧气成分比较多时,高温油蒸气容易被烧坏,因此扩散泵一般是和机械泵相串联的,当机械泵把镜筒内的真空度泵入到某一水平后,扩散泵才能开始工作。

图11 油泵扩散
近年电镜厂商制造时已达到超高压,超高分辨率并须达到超高真空度,因此电镜之真空系统也引进离子泵及涡轮分子泵等,将其与上述机械泵,油扩散泵配合使用,可实现10-7Pa超高真空度。
3.真空阀、真空规
真空阀是用于启闭真空通道各部分的关卡,使各部分能独立放气、抽空而不影响整个系统的真空度。
真空规用于镜筒各部位真空度的检测,向真空表和真空控制电路提供信号,根据检测目标的真空度不同,真空规分为“皮拉尼规”(pirani gauge )和“潘宁规”(penning gauge )2种。前者用于低真空检测,后者用于高真空检测,被安装在镜体的不同部位。
4.空气压缩机
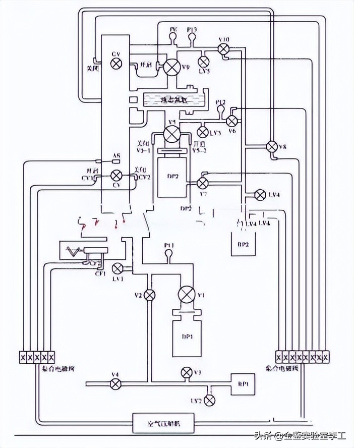
电镜用真空阀大多是气动式的,其功率来自空气压缩机,其原因是如果使用电磁动力真空阀,则容易产生干扰电磁场而影响电镜的运行。电镜外专配空气压缩机可频繁自动维持四个大气压或更高气体压力。由空气压缩机输出的高压气体经多根软塑细管送出,先经过在计算机程序控制下动作的“总操纵集合电磁阀”,然后联接到镜体内各部位安装的气动阀门处。这样,就可以通过固定程序(或人为)来操纵控制镜体外部的集合电磁阀,切断或联通任一路软塑细管,间接地启闭镜体内部的任一气动阀(图12)。

图12 真空系统和气动阀门装置
5.抽气过程
如图12所示,真空抽气系统由两套机械泵(RP)及扩散泵(DP)构成,它们分别与镜体上部镜筒段及下部照相室连接。抽气过程为:首先用机械泵把这部分(如镜筒)的真空抽到10-1Pa下,用“皮拉尼”真空规(P)来监视真空度是否达到此值,提供信号给中央微处理器并通过控制电路自动控制扩散泵开始工作;当(镜筒)真空度达10-4Pa后,“潘宁”规(PE)就会发出能与镜体电源电路连接的信号,若镜筒因故突然泄漏,当真空度一但低于设定值时,“潘宁”规(PE)会立即“通知”控制电路切断工作电源。电镜在工作时,镜筒内总或多或少地漏出一些气体(不可能绝对密封)。因此真空泵也就不断地运转,以保持镜体真空度处于较高值并处于平衡状态。工作过程中,若需换样时,控制电路对镜体外集合电磁阀进行自动操纵控制,为电子枪阀门(GV),镜筒阀门(CV)等提供气压动力并关断,仅在镜筒中间放气至换完试样后再次抽真空至原真空度,然后切断气压动力,让两个阀门打开,联通镜筒上、下真空及光路通道,其余均为这种推动方式。图中的V、LV、CV、GV均为真空阀,P(皮拉尼)、PE(潘宁)为真空规,AS为气动照相快门,CF为照相底片更换器。
电路系统
1.电源变换装置
镜体及辅助系统各回路均需工作电源,而且由于性能及使用场合的差异,其电压,电流及稳压度等要求亦不一样。例如电子枪阳极要求几十到几百千伏高电压,其稳定度每分钟不能漂移10-5(每分钟偏离量小于1/10),它由高压发生器和高压稳压电路(埋于油箱内)专门提供。在物镜电源中则要求电流的稳定度优于10-5~1 0-6。其他透镜电源、操纵控制等电路则要求工作电压从几伏到几百伏,电流从几毫 安到几安培不等,全部由相应的电源电路变换配给,其中包括变换电路、稳压电路、恒流电 路等,图13(a)为电源变换装置的示意图.

图13 电源变换装置和调整,控制电路
2.调整、控制电路
这部分电路最为复杂,操纵面板上的每一个变化,都对应到相应元、部件工作状态的变化,每一步骤都要由电路做出一系列相应的动作来实现。调整控制电路实质上是由许多形形色色的操纵、检测、自控、保护等电路交织而成,图13(b)为调整、控制电路的结构方框图。

图14 水冷系统流程图
水冷系统
水冷系统是由许多曲折迂迥、密布在镜筒中的各级电磁透镜、扩散泵、电路中大功率发热元件之中的管道组成。外接水制冷循环装置,为保证水冷充分(10~25℃之间,不可过高或过低)、充足(4~5L/min)、可靠(0.5~2kg/mm2),冷却水管道出口处,安装有水压探测器,当水压不够时,不仅可以发出报警,而且还可以通过控制电路断开镜体供电,确保电镜正常运行不会因温度过高而失效。水冷系统应在电镜打开前启动,电镜闭合20 min后终止。
高分辨率TEM影像的拍摄要点
1.样品制作:要求切片(或复型)样品的厚薄适宜,染色好。
2.合轴:保证机械合轴与电气合轴的精良。
3.消像散:细心消除聚光镜和物镜的像散。
4.聚焦:需一定经验,精心调正。
5.曝光:以重点观察部位密度为准,对测光结果略加补偿。
6.避免电压波动,外界磁场和震动的干扰。
7.拍摄倍率不宜太高,以刚能看清细节为界。
金鉴测试平台结语:如果您有任何透射电镜(TEM)测试的疑问和想要了解的内容,都可以咨询金鉴测试平台,我们拥有先进的检测设备和专业的检测技术团队,能够帮助您全方位的分析、解决各类问题。