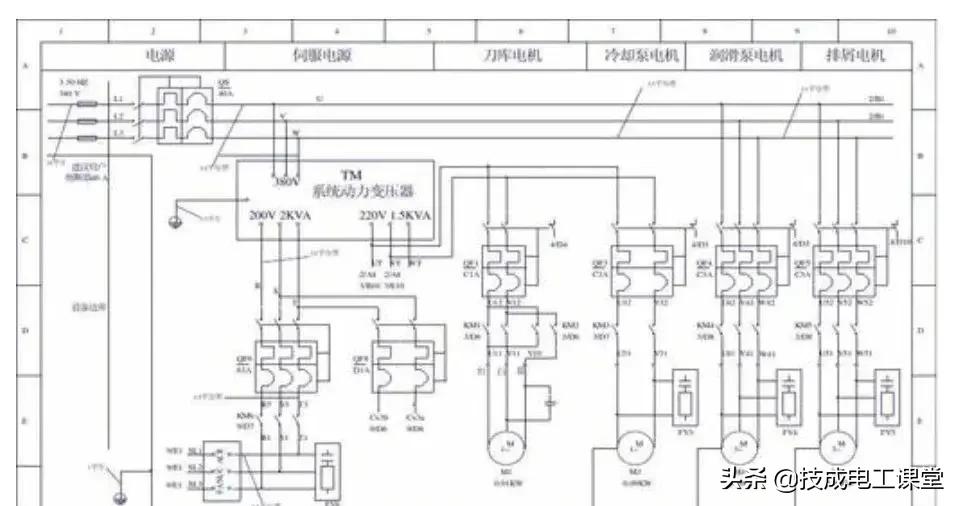
电气原理图是根据控制线图工作原理绘制,结构简单,层次分明。主要用于研究和分析电路工作原理。
要想看电气原理图要先清楚其中的电气原理及其符号所表示的含义。看原理图先看主电路,再看控制电路。

对于控制电路要熟悉典型控制电路。控制电路控制电路一般是由开关、按钮、信号指示、接触器、继电器的线圈和各种辅助触点构成,无论简单或复杂的控制电路,一般均是由各种典型电路(如延时电路、联锁电路、顺控电路等)组合而成,用以控制主电路中受控设备的“起动”、“运行”、“停止”使主电路中的设备按设计工艺的要求正常工作。
对于复杂的控制电路,分割成若干个局部控制电路,然后与典型电路相对照,逐步分析。
各种电气原理图都是由各种不同的电路,如主电路,辅助电路以及各种电气设备图形符号和文字组成的。图中的每个图形符号,文字符号都有着不同的含义,必须在看图前加以了解和掌握。
电气原理图一般分为主回路和辅助回路两大部分。辅助回路的是要作用就是控制主回路,而主回路中一般通过大电流,所以它主要是用来控制回路中大功率或主要用电设备。

主电路是供给某些电气设备电源的,它受辅助电路的控制,而辅助电路是供给控制电器电源用的,也是控制主电路动作的电路。图中每个图形和符号都标志着各种电气设备,组件的名称和作用,掌握了图中的设备和组件的名称及作用后,便可看图了。
通常,在熟记电气图形符号的基础上就可以阅读电气原理图。看图时,首先看主回路,其次看辅助回路,最后看照明、信号、保护等回路。
看主回路的步骤:
①、看这个主回路是为什么用电设备服务的 (如电动机、电炉等),它们的用途和工作特点。

例如:电动机的起动方式,有无正、反转,调速和制动等要求。
②、看主回路中的用电设备是用什么电器控制的;
③、看主回路中其它的电器,并且了解它们起什么作用。图中QS是电源开关,用以控制电源;FU是熔断器,作为短路保护装置。FR是热继电器,作为过载保护装置。
④、看电源,要了解主回路的电源电压是380伏还是220伏。
看辅助回路的步骤:
①、看电源。首先要看清电源是什么电源,是直流的还是交流的,其次要看清电源是从何处接来,电压有多大。通常,从主回路的两根相线上接来的电源,其电压为 380伏,从主回路的一根相线和一根零线上接来的电源,其电压为220伏。
此外,从变压器上接来的电源电压有127伏、36伏、24伏或6.3伏等几种。在图中,辅助回路的电源线从主回路的两根相线上接来,其电压为380伏。

②、根据辅助回路的回路研究主回路的动作情况。在回路图中,辅助回路不要胡子眉毛一把抓,先从小的回路看起,把每一个小回路的功能了解清楚。最后,再来看大的回路,你会发现之前稀里糊涂的原理你已经知道大半,剩下的就是把它们的功能组合起来,并了解其中制约的关系。
在图片中,辅助回路只有一条回路。按下起动按钮,接通断开的回路,电流进入接触器的线圈KM,主回路中的主触头闭合,于是电动机通电运转。按下停止按钮,回路断开,KM断电,接触器释放,主触头断开,于是电动机被断电而停止。这就是开关(或按钮)—接触器(或继电器)—电动机的控制方式,这也是"起保停"的基本形式。

③、研究电器之间的相互联系,回路中的所有电器都是相互联系、相互制约的。有时用甲电器去控制乙电器,甚至用乙电器再去控制丙电器,在阅读回路图时应仔细査明它们之间的相互联系。
看其他回路。其他回路是指照明、信号、保护等回路,这些回路-般比较简单,只要看清它们的线路走向、回路的来龙去脉即可。
通常,每一用电设备都有不同的电气控制回路,但任一控制回路都是由一些单元线路(即基本环节)组成的。

因此,阅图时,可以逐步分析各个基本环节,然后再综合起来,全面分析。如果回路比较复杂,可以先看简单的部分,后看复杂的部分。
来源:网络,侵删
小编今天整理了 电工识图基础手册、常见电路接线图大全、热门仿真软件、电工培训课件 。

内容一览
- 电气识图基础手册
1.电路图的构成
2.阅读电气原理图的方法
3.阅读电气接线图的方法
4.电气仪表及测量原理及接线图
……
电气识图基础 内容包括了电路图的构成、电气图阅读方法、供配电系统电路图等内容。

电气识图基础手册
- PLC控制系统

PLC控制系统
- 电动机控制电路图识读

电动机控制电路图识读
- 工业控制电路图识读

工业控制电路图识读
- 电工常见电路接线图大全
1.开关控制方式
2.开关接线图
3.接触器与断路器
4.电机运行控制及接线图
……
电工常见电路接线图 包括了开关如何控制灯泡的亮、灭。通过看懂了电路图的结构和原理,便可在实际连线的时候,对具体的器件进行操作。

电工常见电路接线图大全
- 电工技能与实训仿真系统
1.电工基本常识与操作
2.电工仪表
3.照明电路安装
4.电机与变压器
……
仿真软件 包括了电路安装、电机控制等内容,理论结合实操,上手更快速!

电工技能与实训仿真系统
- 电工基本常识与操作

电工基本常识与操作
- 电工仪表

电工仪表
- 照明电路安装

照明电路安装
- 电机与变压器

电机与变压器
- 电工培训课件
1.电工基础知识
2.电工专业知识
3.电工工具、电工仪表使用与维修保养
4.基本操作技能
……
电工培训课件 包括了电工基础知识、专业知识、电工工具、仪表的使用与维修保养及基本操作技能的综合性培训课件。

电工基础知识
在生产实践中,电工人员都需要接触到各种各样的电路图,这就需要电气技术人员和电工具有扎实的理论基础和丰富的实践经验。
今天分享的电工识图基础手册和仿真软件,将理论与实践相结合,极大程度地降低了电气图的识读难度,非常实用!
