上一篇老biu简单介绍了几种升级汽车卤素大灯的方案,也表达个人的偏好,我觉得替换型LED ( LED Retrofit简称LRF) 是比较合适的方案。
那么这篇文章,老biu来讲讲既然交了Retrofit,到底怎么做到了替换?
开始之前先说两个相关的法规 ECE R37, IEC 60061。ECE R37主要讲整灯的一些参数和要求。IEC 60061主要讲灯头/中心盘的一些要求。没有拿国标(GB)来说,主要是觉得,基本上GB就是沿用了ECE的一些东西,所以直接看源头的,比较不容易出错。
LED能不能替代卤素灯?
我们大体上从3个方面来看一下,包括光学,机械和电子。
光学
光学方面包含光通量,色温,光型等。我们主要看一下光型,光型是灯泡和灯具匹配出来的效果。
卤素灯匹配灯具,分为反射型和投射型。反射就是背后一只碗,灯泡冲在前,偶尔还有一个小帽子遮住了灯泡的头(不是绿色的),你一眼就能看见那种。投射型就是反射型前面再来一个透镜,基本上你从前面只能看见一个镜片。
下图是两种类型大致的情况:

反射型 投射型灯具
可以看出,卤素灯的光源和反射碗,还有透镜做了完美的匹配,得到了符合法律法规,对路上车辆和行人比较安全的的光型输出。
那么,LED大灯只要让它LED的位置、尺寸越接近卤素灯的灯丝规格,光型就会越接近原来的咯。
光源位置,尺寸的参数怎么定义呢?我们来看ECE R37,拿H7举例,下图:

左侧是中心盘,作为参考面。灯丝靠近中一盘一端到中心盘距离是e,灯丝长度是f:
理论上,我们的LED位置只要e.f值满足要求,然后不要太偏心,光型就差不到哪里去。
目前比较靠谱的LED大灯厂家还是对这个有追求的。
机械
机械主要看能不能装进去,能不能固定住。
1. 能不能装进去?
问题都不大,只要灯头部分,直径不要超过法规都行。还是要看ECE R37,还是拿H7举栗子:
因为是灯头先往里面塞,然后到中心盘顶住结束(天下大同,都是类似的顺序),所以可以理解只要灯头不超过直径20mm,应该都能塞进去。

1. 能不能固定住?
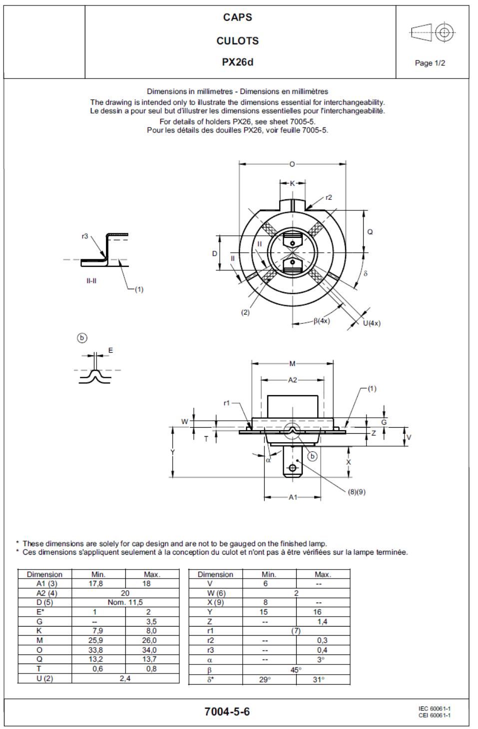
就看中心盘了,只要中心盘型号,尺寸一样,那就没有固定不住的LED灯…以H7的中心盘型号”PX26d”为例,看看它在IEC 60061里面的规定。
直径O: 33.8~34mm; 定位脚宽度K: 7.9~8.0mm 等等。

PX26d 灯头规格
所以综合来看,机械方面也是没啥问题的。有一些额外需要卡扣的情况,特殊情况,特殊处理。
电子
这个就相对来说,大家就有点概念了。
原来卤素灯,直流12V供电(商用车 24V就先不讨论了),功率在55W左右。实际工作中,如果车辆打着的话,供电基本在13~13.5V之间; 熄火的话就看缘分了,电瓶怎么样就怎么样了。按照法律法规呢,灯泡必须在9V~16V之间能正常工作。
以上要求,LED灯都能完美符合。吃粗粮:9~16V不在话下,甚至32V都可以。能耗低,一般主流的产品,20W左右一档,还有35~40W左右一档。功率不高于卤素灯,供电就没问题。
谈谈现在LED大灯主流遇到的电方面的问题: 报警和闪烁。
报警
是因为LED实在太省电了,基本上到了有些车厂设定的报警阈值,车辆会判定那个已经不存在的卤素灯泡失效了。解决方案按难易程度分,有如下:
1. 躺地上了。不管报警,反正灯亮着就好。这个机器不可取,万一灯泡真的有一天坏了,你也不知道,会有安全风险。
2. 加一个解码器。基本上就是电阻型解码器,原理大家都懂的
3. 调车辆控制器。有些车厂的控制器已经与时俱进,特别是本身高低配就有卤素和LED的。可以把控制器调成LED大灯的模式,这样就不会误判了。这个取决于你4S店或者外面的大神愿不愿意帮你调了。
闪烁
是因为某些车系(此处点名法系菱形标志的品牌)在供电电路上做了调整,上面有负脉冲,也就是说供电一会儿是13V一会儿是0V,他们用这个也是来检测灯泡会不会坏。
卤素灯在这种供电状态下,无所谓,就是平均输出比正常低一点。人的肉眼也看不见闪烁。
而LED在这种供电状态下就很有可能不能连续工作,人眼会看到闪烁。
解决方案,也是加一个解码器,电容型的…
综合光学,机械和电子方面,只要替换型LED大灯是用心设计的,都是能够较好的作为卤素灯的升级产品的。
后续老biu来讲讲LED一些参数是怎么理解,和背后的硬件是怎么个关系。