基本的标注类型为线性标注、径向标注、角度标注、同基准标注和弧长1注。使用 DIM 命令根据要标注的对象类型自动创建标注。
在特殊情况下,也可以通过设置标注样式或编辑各标注来控制标注的外观。标注样式使您可以快速指定束,并保持行业或工程标注标准。
提示: 若要简化图形组织和标注缩放,您可以在布局上而不是在模型空间中创建标注。
线性标注
线性标注可以水平、垂直或对齐放置。可根据放置文字时光A的移动方式,使用 DIM 命令创建对齐标注、水平标注或垂直标注。

在旋转的标注中,尺寸线与尺寸界线原点形成一定的角度。在此示例中,标注旋转的指定角度等于该槽的角度。

注: 还可以创建尺寸线与尺寸界线不垂直的线性标注。这些称为倾斜r注,它们最常用于等轴测草图。在本例中,尺寸线的角度将定向于 30 度和 60 度,具体取决于当前的等轴测平面。
半径标注
径向标注可测量圆弧和圆的半径或直径,具有可选的中心线或中心标记。下图中显示了多个选项。

注: 当标注的一部分位于已标注的圆弧或圆内时,将自动禁用非关联中心线或中心标记。
角度标注
角度标注测量两个选定几何对象或三个点之间的角度。从左到右,该示例分别演示了使用顶点和两个点、圆弧以及两条直线创建的角度标注

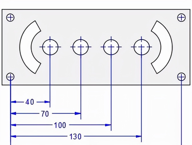
坐标标注
坐标标注测量与原点(称为基准)的垂直距离(例如部件上的一个孔)。这些标注通过保持特征与基准点之间的精确偏移量,来避免误差增大。
重要:基准根据 UCS 原点的当前位愣建立。

在此示例中,基准 (0,0) 表示为图示面板左下角的孔。
弧长标注
弧长标注用于测量圆弧或多段线圆弧上的距离。弧长标注的典型用法包括测量围绕凸轮F距离或表示电缆的长度。
为区别它们是线性标注还是角度标注,默认情况下,弧长标注将显示一个圆弧符号。圆弧符号(也称为“帽子”或“盖子”)显示在标注文字的上方或前方。

基线标注和连续标注
连续标注(也称为链式标注)是端对端放置的多个标注。

基线标注是多个具有从相同位置测量的偏移尺寸线的标注。
