
1.双日光灯接线方法(户外广告双灯管接法)
双日光灯接线线路见图1。一般在接线时应尽可能减少外部接头。安装日光灯时,镇流器、启辉器必须和电源电压、灯管功率相配合。这种线路一般用于厂矿和户外广告等要求照明度较高的场所。

图1 双日光灯接线方法(户外广告双灯管接法)
★
2.用直流电点燃日光灯线路
图2所示为直流电点燃日光灯线路,可用来直接点燃6~8W日光灯。实际上它是由一个晶体三极管VT组成的共发射极间歇振荡器,通过变压器在次级感应出间歇高压振荡波,点燃日光灯。
线路中R1和R2为0.25W电阻,电容C可在0.1~1μF范围内选用,改变C容量的大小,间歇振荡器的频率也会改变。变压器T的N1和N2为40匝,线径为0.35mm;N3为450匝,线径为0.21mm。

图2 用直流电点燃日光灯线路
★
3.日光灯电子快速启辉器
用一只二极管和一只电容器可组成一只电子启辉器,其启辉速度快,可大大减少日光灯管的预热时间,从而延长日光灯管的使用寿命,在冬天用此启辉器可达到一次性快速启动。

图3 日光灯电子快速启辉器
工作原理如图3所示。其中,二极管的反向击穿电压选定在190V左右。开灯时,闭合开关S,电流某一半周(零线为正时)经镇流器、灯丝、二极管给电容充电;另一半周时电源电压与电容电压叠加,击穿二极管(因时间短,电流不很大,一般不会造成二极管损坏),产生高压,点燃日光灯管。在灯管点燃后,因两端灯丝间的电压降到50~108V,低于二极管的击穿电压,这时日光灯管便正常工作。
★
4.具有无功功率补偿的日光灯
由于镇流器是一个电感性负载,它需要消耗一定的无功功率,致使整个日光灯装置的功率因数降低,影响了供电设备能力的充分发挥,并且降低了用电地点的电压,对节约用电不利。为了提高功率因数,在使用日光灯的地方,应在日光灯的电源侧并联一个电容器,这样,镇流器所需的无功功率可由电容器提供,如图24所示。电容器容量的大小与日光灯功率有关。日光灯功率为15~20W时,选配电容容量为2.5μF;日光灯功率为30W时,选配电容容量为3.75μF;日光灯功率为40W时,选配电容容量为4.75μF。所选配的电容耐压均为400V。

图4 具有无功功率补偿的日光灯
★
5.日光灯四线镇流器接法
四线镇流器有4根引线,分主、副线圈,主线圈的两引线和二线镇流器接法一样,串联在灯管与电源之间。副线圈的两引线串联在启辉器与灯管之间,帮助启动用。由于副线圈匝数少,交流阻抗亦小,如果误把它接入电源主电路中,就会烧毁灯管和镇流器。所以,把镇流器接入电路前,必须看清接线说明,分清主、副线圈。也可用万用表检测,阻值大的为主线圈。阻值小的为副线圈。正确接线法如图5所示。

图5 日光灯四线镇流器接法
★
6.日光灯调光器
当贵客临门、欢度节日、欣逢喜事时,希望灯光通亮;而在夏夜休息、观赏电视、照料婴儿时,则需要灯光微弱。为了实现这种要求,可使用调光器调节灯光的亮度。图6是日光灯调光器线路。启辉前应把亮度调至最大,以保证正常启辉,启辉后再把亮度调到需要的大小。VD1~VD4可选用5A/400V任何型号的整流二极管。

图6 日光灯调光器
★
7.日光灯兼做电视机交流稳压器线路
有些地方电网电压很不稳定,致使电视机不能正常收看。如果将40W或30W日光灯线路略微改装,就可以兼做电视机交流稳压器,且不影响日光灯正常使用,线路如图7所示。当需作为日光灯照明使用时,波段开关的两组触片S2、S3应处于接通位置,S4、S5处于断开位置。S1为灯控制开关。如果要收看电视节目时,拨动一下波段开关,使S2、S3断开,S4、S5闭合,日光灯的补偿电容器和镇流器就组成交流稳压电路。合上S1就可以使交流电压基本稳定在220V上。
该稳压器除可供12英寸(1英寸=2.54cm)或者14英寸黑白电视机使用外,也可供35W以下的其他用电设备(但不宜用于电抗性设备)使用。在使用中,如果网路上的电压低于180V,应加大日光灯的补偿电容器容量,一般在电容C上再并联一只2μF电容即可。电容器耐压应在350V以上。

图7 日光灯兼做电视机交流稳压器线路
★
8.简易的节能指示灯
在厨房、楼道或厕所里安装的照明灯常常会忘记关灭,白白浪费电能。如果买一只指示灯串联到电路中并安装在醒目的地方,这个问题就可以得到解决。如图8所示,指示灯与导线的连接采用锡焊,焊点与裸露的线头要用绝缘胶布包好。

图8 简易的节能指示灯
照明灯功率为15W时用12V、0.15A的指示灯,为25W时用6.3V、0.15A的指示灯,为40W时用3.8V、0.3A的指示灯。
★
9.电子日光灯镇流器线路

图9 电子日光灯镇流器线路
这种电子日光灯镇流器能启动8~40W类型的日光灯。用它组装的日光灯不仅克服了低温、低电压不能启动的弊端,而且亮度更高、省电,并提高了功率因数,延长了日光灯使用寿命。线路见图9。
交流电源220V经二极管VD1~VD4作桥式整流后,在电容器C1上得到约280V直流电压。直流电源一路经R2、L3、L4、灯管H的两端灯丝、C6对C7充电,在此充电过程中,灯丝经电流被加热;另一路经R1对C2充电。当C2上充电电压达到双向二极管VD6的转折电压(26~40V)时,VD6转折导通,给开关功率管VT2的基极一个正向触发脉冲,使VT2导通。VT2导通后,C7所充电压通过日光灯管的一端灯丝、L4、L3、VT2、R6、C2、R1、C6,在灯管另一端灯丝形成放电,同时VD6截止。由于L1~L4同绕在一个磁环上,并且从接线极上确保了VT2导通则VT1截止,所以在放电过程结束的瞬间,L1和L2感应电压极性会突然反向并形成正反馈,使电路翻转,即VT1由原来的截止状态变成导通,VT2则由导通变成截止。于是,直流电源就经VT1、R5、L3、L4、两端灯丝及C6对C7充电。与此同时,R1再次向C2充电。当C2两端电压达到VD6的转折电压时,VT2再次导通,如此周而复始,形成串联谐振。当启辉电压高达300~400V,灯管点燃后,由于串联谐振回路失谐,灯管两端电压则降为正常工作电压。
★
10.简易闪光指示灯
图10所示是一种简单的闪光指示灯线路。当合上开关S时,电容充电,开始有很大充电电流通过继电器KA线圈,KA吸合,这时电容继续充电,电流逐渐减小,使KA释放,各触点立即复位,这时电容通过灯泡放电,灯亮,电容放电完毕,另一个周期又重新开始。这种线路可作为家用节日闪光灯,线路中的电容容量可选用2000μF,继电器KA线圈直流电阻以700Ω为宜。

图10 简易闪光指示灯
★
11.路灯光电控制线路
这是一种简单的光控开关电路,工作原理如图11所示。当晚上(照度低)时,光敏电阻RH的电阻增大,VT1的基极电流减小直至截止,于是VT2也截止,VT2的集电极电压上升使VT3导通,继电器KA吸合,点亮路灯。早上天刚亮(照度高),RH的阻值减小,使VT1导通,于是与上述过程相反,关闭路灯。继电器KA为JRX-13F型。

图11 路灯光电控制线路
电源变压器采用次级输出为12V的小型电源变压器,功率约2VA即可。桥式整流器采用2CP10型整流管。
★
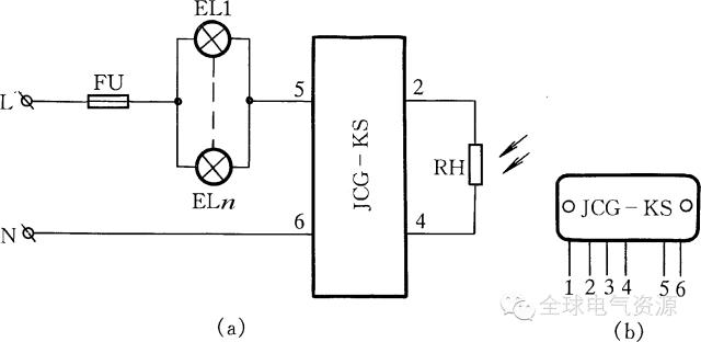
12.另一种光控路灯线路
JCG-KS是一个固态继电器和一只光敏电阻RH组成的路灯自动控制器。由于固态继电器的固有特性,照明灯泡能随着自然光线的亮暗逐渐点亮,线路如图12所示。
JCG-KS固态继电器具有通断速度快及寿命长等特性。当白天光敏电阻RH受到自然光线照射呈低电阻,JCG-KS输出端⑤、⑥脚相当于开路,路灯EL1~ELn不亮。黄昏时由于天色变暗,RH阻值逐渐增大,当到达某一定阻值时,JCG-KS迅速导通,但由于自然光线是逐渐变暗的,一旦自然光很暗时,RH呈高阻值,JCG-KS全导通,路灯也就全亮了。

图12 另一种光控路灯线路
元件选择:RH选用亮阻≤1kΩ、暗阻≥1MΩ的硫化镉光敏电阻器625A。JCG-KS可根据所接灯泡多少及功率大小来选择,如驱动10只60W灯泡,则应选用10A、220V。
★
13.汽车转弯闪光指示灯
当汽车转弯时,方向指示灯一闪一闪地发光,指示转弯的方向,以引起来往车辆及行人的注意。汽车转弯闪光指示灯电路如图13所示。电路的工作原理是三极管VT1、VT2组成无稳态电路,当开关S1合上后,无稳态电路开始工作,VT2不断导通与截止,从而使继电器KA不断吸合与释放,使指示灯电路接通和断开,灯发出一闪一闪的亮光;S2合在“1”上时汽车左灯发光,S2合到“2”上时汽车右边的指示灯发光。

图13 汽车转弯闪光指示灯
★
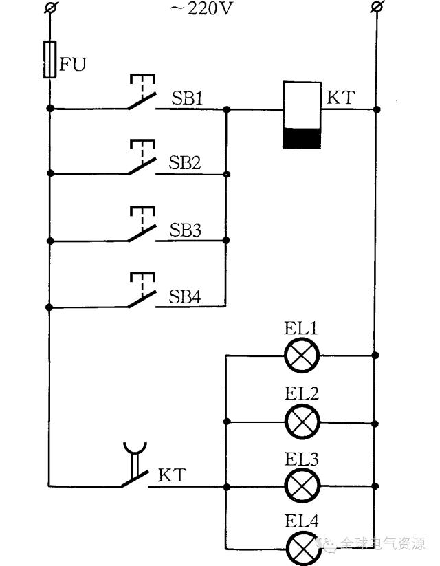
14.照明灯自动延时关灯线路
在走廊、门厅或楼梯口的照明灯开关旁边,我们常见到贴有“人走灯灭”或“随手关灯”字样的提示纸条,可实际上很难真正做到人走灯灭,常常还是让照明灯彻夜长明,既费了电,又缩短了灯泡寿命。图34所示的电路可以有效地解决“人走灯灭”的问题。
线路中的S1~S4分别是设在四层楼单元楼梯上的开关,EL1~EL4四盏灯分别装在四层楼的单元楼梯上。当人走进走廊里后,按下任何一个开关按钮,四盏照明灯全部接通电源发光,照明一段时间;当人走进房间后,照明灯就会自动熄灭。

线路中的继电器选用JRX-13F型,EL1~EL4灯泡选用15W为宜,调R1可改变延时时间。
★
15.楼房走廊照明灯自动延时关灯线路
图15所示为楼房走廊照明节电线路,当人走进楼房走廊时,按下任何一个按钮,KT时间继电器吸合,使KT延时常闭触点闭合,照明灯点亮。然后行人开始行走,待走到室内后,延时常闭触点经过了一段时间后打开,使走廊的灯自动熄灭。

图15 楼房走廊照明灯自动延时关灯线路
电路中的延时继电器选用JS7-3A或JS7-4A断电延时时间继电器,线圈电压为220V。这种延时时间继电器在线圈得电后延时触点立即转态动作,KT触点闭合,然后在线圈失电后延迟一段时间才断开。此方法简单易行,非常方便。
★
16.晶闸管自动延时照明开关
线路如图16所示。二极管VD2~VD5组成电桥,其中一个对角线上的两个接点接晶闸管VS,另一个对角线上的两个接点引出接在原来的照明开关接头上。当SB闭合时,在交流电源的一个半周时间,晶闸管VS导通,使电桥的对角线短接,因而照明灯亮;当SB打开时,电容C经R1、VD1向晶闸管控制极放电,使得通过晶闸管控制极的电流继续保持,这样照明灯在电容放电的一段时间内延时点亮,然后熄灭。

图16 晶闸管自动延时照明开关
在装试此电路时,若按下SB时,照明灯不亮,可重新选择电阻R1的阻值。线路中晶闸管与二极管的型号由负载电流大小决定。
★
17.简易流动闪光灯
图17所示是一种利用电容充放电来延时控制继电器吸合的闪光灯线路。
工作原理是:当按下按钮开关SB时,电容C1充电,继电器KA1吸合,触点KA1-2接通,所连灯组点亮,同时触点KA1-1将电容C2接通电源,电容C2充电。当松开SB后,由于C1放电,KA1仍保持吸合。过一段时间后,继电器KA1触点释放,电容C2对KA2放电,致使KA2吸合,其触点KA2-2接通,所连灯组点亮,同时触点KA2-1将电容C3接通电源,经过一段时间后,KA2释放。电容C3又通过KA2-1触点对KA3放电,使KA3吸合,触点KA3-2接通,所连灯组点亮,同时触点KA3-1又将电容C1接通电源,使C1充电。以下过程相同。这样继电器依次接通、释放,灯泡依次点亮、熄灭,就成了一种简易流动闪光灯。

图17 简易流动闪光灯
★
18.大功率“流水式”广告彩灯控制线路
大功率“流水式”广告彩灯可以在商场、剧院、舞厅或其他建筑物上使用,使夜景显得很美,特别是在节日使用时,更能增加节日的欢乐气氛。
这里介绍一种元器件少、功率大、可同时点亮60只20W彩灯的线路,其灯光呈追逐式跳动闪光。线路如图18所示,VS1~VS3组成相同的3个单元电路。当接通电源后,电源通过VD1、EL1、R1对C1充电,使A点电位升高。同理,B、C点电位也逐渐升高。由于电子元器件性能的差别,某一组双向晶闸管会首先触发导通。如C点电位升高使VS1首先触发导通,EL1灯亮,电容C3经电阻R6向VS1放电,C点电位下降,而电容C1继续充电,A点电位升高,一段时间后,VS2导通,EL2灯亮,VS1截止。这时电容C1经R2向VS2放电,A点电位下降,而C2继续充电,B点电位升高,一段时间后,VS3导通,EL3灯亮,VS2截止。以下过程相同。这样,灯泡按次序轮流发光,产生“流水式”广告彩灯效果。

图18 大功率“流水式”广告彩灯控制线路
若灯泡亮灭时间不符合追逐要求,可适当改变C1~C3容量。
★
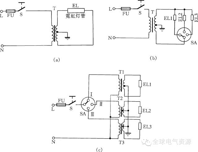
19.广告霓虹灯线路
霓虹灯在近年来的户外广告中应用相当广泛,它可发出五颜六色的光芒,可同时起到美化城镇夜景的作用。霓虹灯工作时,通过霓虹灯变压器提供辉光放电所需要的高压,并限制灯管回路中的电流。常用的霓虹灯变压器初级电压为220V,电流在2A以上;次级电压为15000V,电流为24mA。它一般能点亮长度为12m、直径为12mm的霓虹灯管。线路如图19(a)所示。
一般为了增加霓虹灯闪烁效果,常加有霓虹灯高压转动机或低压滚筒。而高压转动机大致由线圈感应板、主轴、接触片和固定触头组成。线圈通电后产生的磁感应带动感应板,从而带动接触片转动,依次接通各个霓虹灯管,使灯管EL1~EL3顺次明暗变化,如图39(b)所示。

图19 广告霓虹灯线路
还有一种低压滚筒,是由交流电动机、圆筒、活动导电片和固定触头等组成的。交流电动机通电带动圆筒转动时,安装在圆筒上的导电片依次与固定触头“Ⅰ”、“Ⅱ”、“Ⅲ”接触,接通对应的霓虹灯变压器T1~T3的电源,从而得到各种不同的明暗变化图案。此方法实际应用较多,它可以控制多台霓虹灯变压器实现复杂的图案。线路如图39(c)所示。
★
20.光控声控楼梯自动节电控制灯头的开关线路
光控声控楼梯自动节电控制灯头的开关线路如图20所示。在控制线路中采用了一片六反相器集成电路CD4069,它体积小,便于安装,调试也很方便。

图20 光控声控楼梯自动节电控制灯头的开关线路
在工作时,220V交流电经VD1~VD4桥式整流,再通过电阻R1降压和C1滤波,VD5稳压,得到+5V直流电供控制电路用,在白天光电管2CU受光照呈低阻,将IC端子13限定为低电平,音频信号不能通过,端子8为低电平,晶闸管得不到触发电压而被截止。灯泡不会亮。而到了晚上2CU因无光照而呈高阻,端子13的电平不再受2CU的限制。此时,当楼道有人走动通过响声使压电陶瓷片拾取声音信号,再经U1的线性放大,由C4耦合给13端子,U3、U4的进一步整形,使端子10瞬时输出高电平,经二极管VD6迅速对电容器C3充电,端子5高电平,端子6低电平,端子8高电平,晶闸管触发导通,而使灯点亮。而后IC靠C1上的电荷维持供电15s左右,晶闸管再关断,楼梯照明灯在夜间无声响情况下自动熄灭。
★
21.单路闪烁灯串控制器线路
这里介绍一种简单的单路闪烁灯串控制器线路,线路如图21所示。它可以使灯串间歇闪烁,非常适用于家庭装饰,店面开业等场所。
在电源接通电路后,当电容C2两端电压充至一定值时,电容C2就通过R2向晶闸管VS门极放电,使VS导通,灯串HL灯就会被点亮。当交流电过零时,VS关断,灯灭,电容C2又重新开始充电,周而复始,从而形成超低频振荡,灯串就会闪烁发光。
电路中闪烁频率主要由电阻R2与电容C2的时间常数决定,按图中线路连接,灯串HL大约亮3s、熄3s,若要加快闪烁频率可以减小电阻R2的阻值。

图21 单路闪烁灯串控制器线路
在选择元器件时,电容C1、C2选用CBB-160V型聚丙烯电容器。灯HL可采用市售灯串,总功率应控制在100W以下,如功率増大应使电路中选用电子元器件的承受工作电流值也相应增大。
★
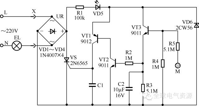
22.用晶体管单点触摸开关控制照明灯线路
用晶体管单点触摸开关控制照明灯线路如图22所示。

图22 用晶体管单点触摸开关控制照明灯线路
在平时工作时,三极管VT3的集电极被稳压二极管VD6钳位在8V左右,三极管VT1~VT3均处于截止状态,晶闸管VS因无触发电流而处于关断状态,照明灯泡EL不亮。
在需要开灯时,只要用手触摸电极触摸片M,人体感应电压会经电阻R5与电阻R4分压后加在三极管VT3的基极,三极管VT3立即导通,8V直流电压经三极管VT3向电容C2充电,晶体三极管VT2基极电位升高后导通,三极管VT1基极变为低电位而随之迅速导通,电压经三极管VT1向电容C1充电。当晶闸管VS的门极电压达到开通电压时,VS获得正向触发电流而开通,灯泡被点亮。
当人手离开电极触摸片M后,电容C2中储存的电荷通过R2向VT2的发射极放电,所以能维持VT2、VT1及VS的导通,电灯仍然点亮。直到电容C2上的电荷基本放完时,三极管VT2由导通转为截止,VT1随之截止。VS在交流电源波形过零时,因失去触发电流而关断,灯泡熄灭。
在线路中二极管VD5在电灯未点亮时可发出微弱的光,以指示开关位置,方便人们在暗处寻找开关。
★
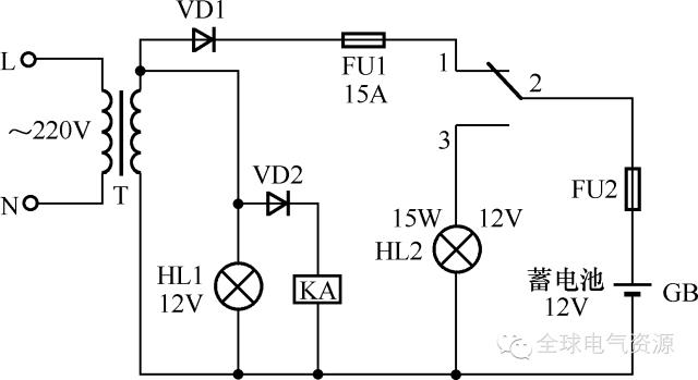
23.公共及重要场所应急照明灯自动投入线路
公共及重要场所应急照明灯自动投入线路如图23所示,在工作时,电力系统供电正常,二极管VD2单相半波整流,使电流继电器KA通电,常开触点1、2接通,二极管VD1半波整流电路经熔断器FU1、FU2给12V蓄电池充电。

图23 公共及重要场所应急照明灯自动投入线路
如在公共及重要场所一旦正常供电停止,继电器线圈断电释放,常闭触点2、3接通,12V/15W应急灯则由12V蓄电池供电并保障照明。待电力系统恢复正常供电后,电流继电器KA重新吸动,应急照明灯熄灭,蓄电池又恢复到充电待用状态。
★
24.LED广告牌装饰灯光线路
LED广告牌装饰灯光线路如图24所示,它主要由电源电路、光控电路和LED显示电路组成。电源电路由降压电容器C1、整流二极管VD、稳压二极管VZ和滤波电容器C2组成;光控电路由光敏电阻器RG、电阻器Rl、晶体管VT和晶闸管VS组成;LED显示电路由整流桥堆UR、电阻器R2、电容器C3和数百只发光二极管串并联组成的VL电路。当220V交流电压经电容C1降压、二极管VD整流、稳压管VZ稳压及电容C2滤波后,产生+7.5V电压,作为光控电路的工作电源;另一路经UR整流、电阻R2限流降压及电容C3滤波后,驱动LED发光。

图24 LED广告牌装饰灯光线路
在白天,光敏电阻器RG受光照射而呈低阻状态,VT因基极为低电平而处于截止状态,其发射极无触发电压输出,VS不导通,电容C3两端无电压,发光二极管串VL不发光。到了夜晩,RG的阻值变大,VT获得工作电压而导通,其发射极输出的触发电压使VS导通,发光二极管串VL点亮。电路如果需要LED广告牌白天也工作,则可将光敏电阻RG换成一只阻值为500kΩ以上的固定电阻即可。
★
25.冷库照明线路
这里介绍一种在冷库常采用的用时间继电器控制冷库照明的线路,线路如图25所示。

图25 冷库照明线路
通常情况下,库温一般在-18℃以下。而冷库照明多采用60W白炽灯,灯丝电阻会随温度而变化,在低温环境下启动电灯时,电流会大大增加,容易烧断灯丝,为解决冷库灯丝易烧断方法是,在回路内先串入一只电阻器,启动时使灯丝通过小电流预热,经40~50s后让启动限流电阻退出运行,使电源电压全部加在库房内照明灯泡上。
线路中,启动限流电阻用灯泡替代,ELl为启动用限流灯泡,其容量取库房照明灯容量的1/6或1/3,并且最大不超过150W。当库房开灯时,ELl与库房内所有的灯泡串联,经过每个灯泡的预热后,时间继电器KT延时结束时,其触点闭合,使启动灯炮短接而退出运行,从而使电源电压全部加在库房内各照明灯泡上,照明灯点亮库房。
★
来源于《电工实用线路300例》作者:王兰君, 由微信公众号:全球电气资源(ID:qqdqzy888)整理发布
版权归原作者所有,若有侵权,请联系删除
★
看完文章后,您可以:
1、分享到朋友圈,把正能量传递给更多的人!
2、关注微信公众号:全球电气资源(ID:qqdqzy888)或我们的官方网站(www.ourger.com)获取更多有用电气专业知识及资讯。

猜你喜欢:
20例灯具接线图,实用!
你知道点亮荧光灯的原理是什么吗?
各种电路图,太实用了!
17类开关接线图,拿走不谢!
遭疯转~实用电工机电控制电路精选