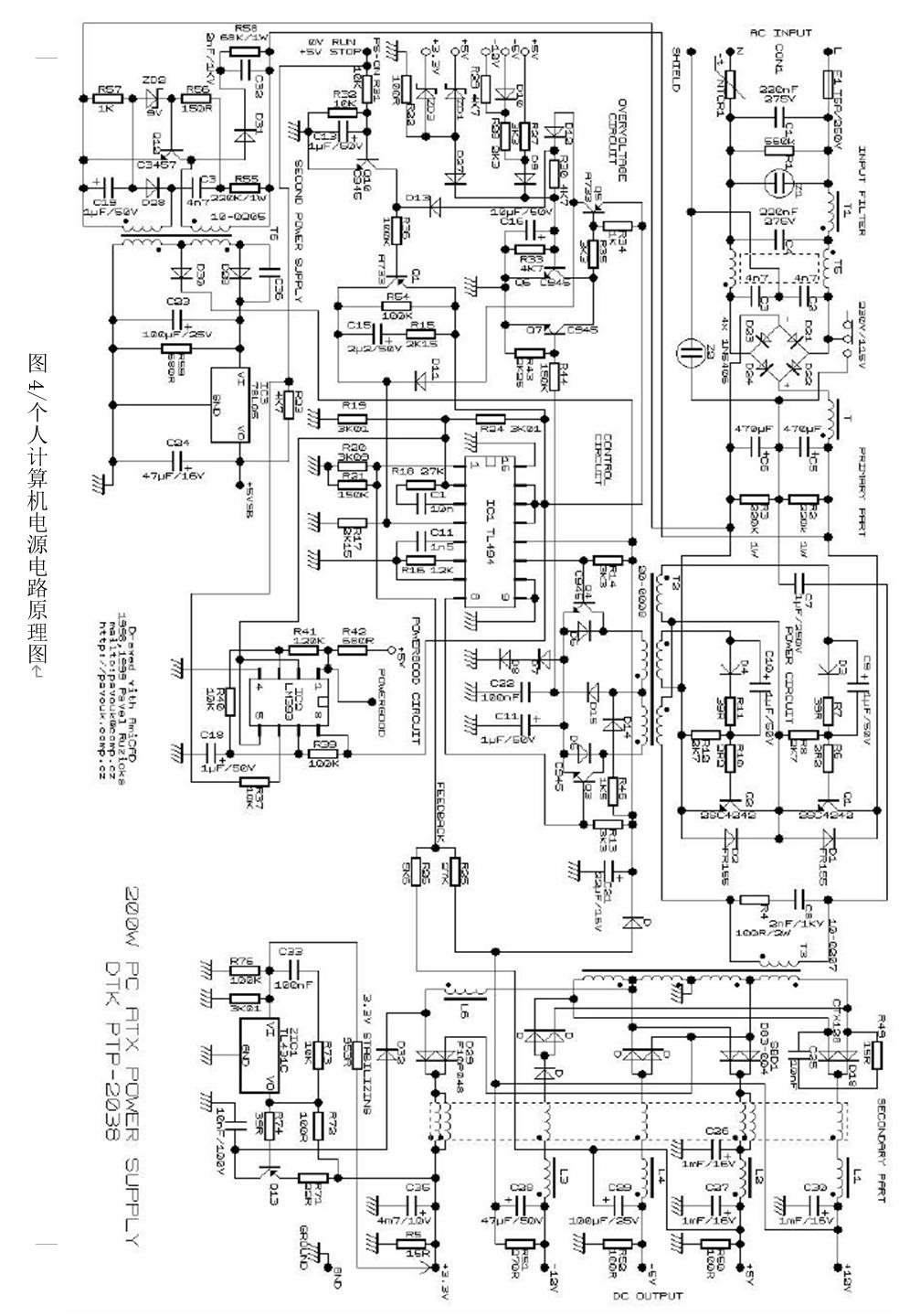
按:这是在职时,研究开关电源教学时的另一篇解析。第一篇对机器人电源的解析引起了不少朋友的兴趣,再把这篇发出来供同行参考。
研究个人PC电源,必须从开关电源芯片开始。这里是一个PTP-2038电源的实际应用的例子,其分析思路对电源的维修具有普遍意义。
第一部分:TL494芯片
这是一个应用极为广泛的控制器件,在个人PC电源中,很多使用的都是这个芯片。它是由TI公司生产的。
一.芯片管脚定义
TL494是16脚芯片。

图1:TL494管脚排列
1脚/同相输入:误差放大器1同相输入端。
2脚/反相输入:误差放大器1反相输入端。
3脚/补偿/PWM比较输入:接RC网络,以提高稳定性。
4脚/死区时间控制:输入0-4VDC电压,控制占空比在0-45%之间变化。同时该因脚也可以作为软启动端,使脉宽在启动时逐步上升到预定值。
5脚/CT:振荡器外接定时电阻。
6脚/RT:振荡器外接定时电容。振荡频率:f=1/RTCT。
7脚/GND:电源地。
8脚/C1:输出1集电极。
9脚/E1:输出1发射极。
10脚/E2:输出2发射极。
11脚/C2:输出2集电极。
12脚/Vcc:芯片电源正。7-40VDC。
13脚/输出控制:输出方式控制,该脚接地时,两个输出同步,用于驱动单端电路。接高电平时,两个输出管交替导通,可以用于驱动桥式、推挽式电路的两个开关管。
14脚/VREF:5VDC电压基准输出。
15脚/反相输入:误差放大器2反相输入端。
16脚/同相输入:误差放大器2同相输入端。
二.基本特性
1.具有两个完整的脉宽调制控制电路,是PWM芯片。
2.两个误差放大器。一个用于反馈控制,一个可以定义为过流保护等保护控制。
3.带5VDC基准电源。
4.死区时间可以调节。
5.输出级电流500mA。
6.输出控制可以用于推挽、半桥或单端控制。
7.具备欠压*锁封**功能。
三.结构原理
图2给出了TL494的内部原理框图。

图2:TL494内部原理框图
芯片内部电路包括振荡器、两个误差比较器、5VDC基准电源、死区时间比较器、欠压*锁封**电路、PWM比较器、输出电路等。
1.振荡器:
提供开关电源必须的振荡控制信号,频率由外部RT、CT决定。这两个元件接在对应端与地之间。取值范围:RT:5-100k,CT:0.001-0.1uF。
振荡频率:f=1/RTCT。
形成的信号为锯齿波。最大频率可以达到500kHz。
2.死区时间比较器:
这一部分用于通过0-4VDC电压来调整占空比。当4脚预加电压抬高时,与振荡锯齿波比较的结果,将使得D触发器CK端保持高电平的时间加宽。该电平同时经过反相,使输出晶体管基极为低,锁死输出。4脚电位越高,死区时间越宽,占空比越小。
由于预加了0.12VDC,所以,限制了死区时间最小不能小于4%,即单管工作时最大占空比96%,推挽输出时最大占空比为48%。

图3:死区时间比较器单独起作用时的波形
图3给出了死区时间比较器单独作用时的工作相关波形。
3.PWM比较器及其调节过程:
由两个误差放大器输出及3脚(PWM比较输入)控制。
当3端电压加到3.5VDC时,基本可以使占空比达到0,作用和4脚类似。但此脚真正的作用是外接RC网络,用做误差放大器的相位补偿。
常规情况下,在误差放大器输出抬高时,增加死区时间,缩小占空比;反之,占空比增加。作用过程和4脚的死区控制相同,从而实现反馈的PWM调节。0.7VDC的电压垫高了锯齿波,使得PWM调节后的死区时间相对变窄。
如果把3脚比做4脚,则PWM比较器的作用波形和图3类似。然而,该比较器的占空比调节,要在死区时间比较器的限制范围内起作用。
单管工作方式时,VCK直接控制输出,输出开关频率与振荡器相同。当13脚电位为高时,*锁封**被取消,触发器的Q、Q非端分别控制两个输出管轮流导通,频率是单管方式的一半。
4.5VDC基准电源:
这个5VDC基准电源用于提供芯片需要的偏置电流。如13脚接高电平时,及误差放大器等可以使用它。基准电源精度5%,电流能力10mA,温度范围0-70度。
5.误差放大器:
两个误差放大器用于电源电压反馈和过流保护。
这两个放大器以或的关系,同时接到PWM比较器同相输入端。反馈信号比较后的输出,送PWM比较器,以和锯齿波比较,进行PWM调节。
由于放大器是开环的,增益达到95dB。加之输出点3被引出,使用时,设计者可以根据需要灵活使用。
6.UC*锁封**电路:
用于欠压*锁封**,当Vcc低于4.9VDC,或者内部电源低于3.5VDC时,CK端被钳位为高电平,从而使输出*锁封**,达到保护作用。
7.输出电路:
输出电路有两个输出晶体管,单管电流500mA。其工作状态由13脚(输出控制)来决定。
当13脚接低电平时,通过与门*锁封**了D触发器翻转信号输出,此时两个晶体管状态由PWM比较器及死区时间比较器直接控制,二者完全同步,用于控制单管开关电源。当然,此时两个输出也允许并联使用,以获得较大的驱动电流。
当13脚接高电平时,D触发器起作用,两个晶体管轮流导通,用于驱动推挽或桥式变换器。
第二部分:个人计算机电源电路
与一般开关电源相同,个人计算机电源也分为输入电路、变换器、输出电路及控制电路四个主体部分。
传统的计算机电源电路使用两个GTR作为功率开关器件,构成半桥电路拓补。控制电路与变换器,变换器与输出电路都采用了变压器隔离。
图4是一个典型的计算机电源的原理图。

一.输入电路

图5:个人计算机电源的输入电路
输入电路从220VAC电源接入,经过C1、R1、T1、C4、T6、C2、C3等过滤环节,以抑制高频谐波干扰及浪涌。T1、T6还有降压作用。
4管全波桥进行整流,输出直流电压。经过T平波,送变换器电路。
C5、C6的中间引出线用于变换器半桥开关电路的公用主通路,C5、C6、R2、R3同时提供半桥开关交替工作时必须的电流通道。这一部分实际属于后面的变换器电路。
NTCR1为负温度系数热敏电阻,用于温度补偿。压敏电阻Z1、过流电阻Z2分别用于过压、过流保护。
上部开关230/115V用于230V和115V进口电源转换。
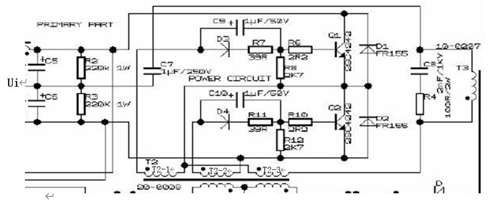
二.变换器电路

图6:计算机电源的变换器电路
上图是电源的变换器部分。参照原来我们介绍的半桥式拓补结构(如图7),我们发现,这实际上是个半桥式隔离变换器。

图7:半桥式隔离开关变换器
其轮换过程是:半周1为Ui—Q1—T2-3—T3—C7—C6—Ui,半周2为Ui—C5—C7—T3—T2-3—Q2—Ui。由这个过程可知,C5、C6、C7两个半周中,轮流处于充放电状态。R2、R3作为C5、C6的并联电阻,也参与换流过程。
两个管子的基极偏置由脉冲变压器T2-1、T2-2分别提供,这两个脉冲变压器是由控制电路控制的。脉冲变压器的电压脉冲经过整流,再经R6/R7、R10/R11分压,送晶体管基极。
C9、C10用于二极管两侧电压钳位,保护二极管不被损坏。D1、D2用于两管同时关断期间的续流,防止损坏晶体管。C8、R4用于变压器泄放通路,防止管子全部关断时过压。
三.输出电路
图8给出了电源的输出电路。
(一)、主输出通路及+5V、-5V、+12V、-12V
该电路T3为变压器原边,受半桥变换器电路控制。变压器中心抽头被接地,A、B、C、D依次提供+12V、+5V、-5V、-12V等的交流输入电源。通过不同变比的隔离变压器付边抽头,产生了+5V、-5V、+12V、-12V、3.3V等多等级电源输出。
这些电源全部采用*管双**全波整流。虚线内为平波电抗器,L1-C30、L2-C37、L3-C38、L4-C39、C36等用于滤波。
C25、R49用于变压器副边去耦。
+12VDC、+5VDC输出被引回,作为电压反馈信号,送回控制电路,构成负反馈,以实现PWM调节。
(二)、+3.3V电路
+3.3VDC电源依靠独立的反馈调节电路来实现稳压。
由于L6绕组是反激的,其整流桥前端交流输入电压为:
Ui3.3=UBC-UL6-Uf3.3
其中Uf3.3是来自于Q13集电极的反馈信号经隔离二极管D32后获得。
3.3V输出信号经过953R、R76分压,控制TL431基准电源输入。TL431输出用于基极电阻R74前的电平钳位,作为比较基准。R72提供基准电源及基极偏置电流。R73、C33用于431芯片的相位补偿。Q13集电极电位经过去耦电容(10nF)及隔离二极管D32,送回整流桥前端,正好形成负反馈,达到稳压的目的。

图8:计算机电源的输出电路
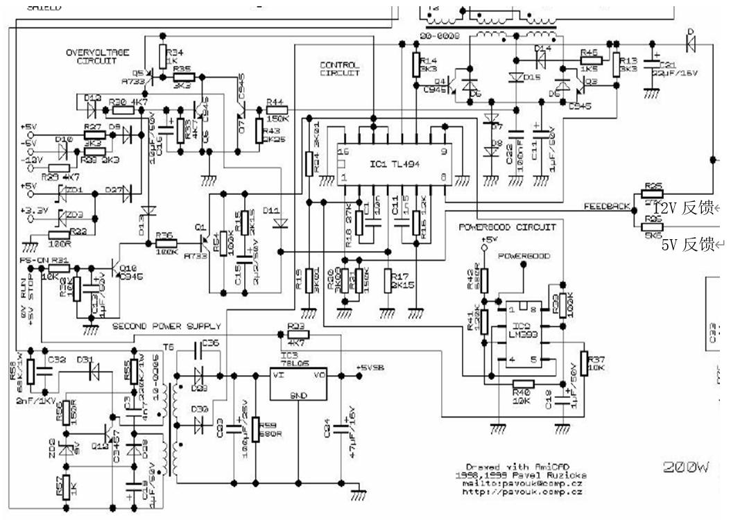
四.控制电路
这个电路(图9)使用了两个集成芯片,TL494和LM393。TL494是电源控制芯片,LM393为双比较器芯片。下面分解分析各单元的原理。

图9:计算机电源的控制电路
(一)启动电路
变压器T6的输入电源为输入电路的输出直流Ui,变压后,从中心抽头引出,经D30整流,送12脚Vcc。同时+12VDC输出经过隔离二极管D、电容C21去耦,送回12脚Vcc。
T6、D30仅能提供电源启动时的芯片偏置。一旦开始工作,电源将由+12VDC经D、C21供电。因此,这是一个自激型电源电路。
(二)振荡电路
通过芯片TL494的5脚外接电容C11(1.5nF)和6脚外接电阻R16(12k),确定了该电源的振荡频率为:
f=1/RTCT=1/(12x103x1.5x10-9)≈55.6KHz。
(三)电压反馈电路

图10:电压反馈电路
根据局部电路,加以整理,得到上面的电压反馈电路。可以看出,系统从+12V、+5V分别引回反馈信号,做加法运算后送比较器1的同相端,作为反馈。
补偿端3和反相端2之间外接了R18-C1,构成PI调节器。
输出反馈电压越高,上面电路的3脚输出越高,使得芯片输出死区越宽,从而降低占空比,进而降低电源电压;反之亦然。这样就实现了电源电压的负反馈调节过程。
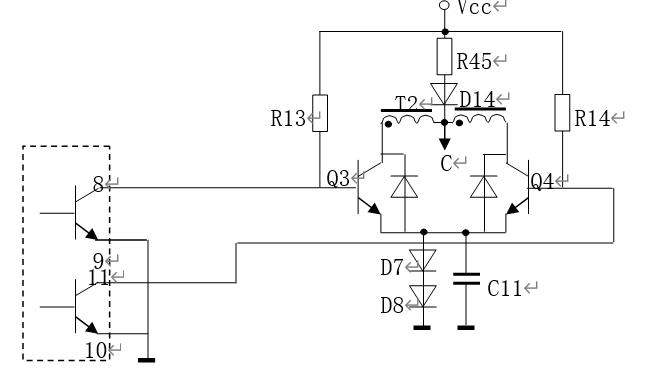
(四)输出控制电路

图11:输出控制电路
TL494的13脚输出控制被直接接到芯片+5VDC参考电源,输出电路工作在*管双**驱动方式。
8、11脚为芯片两个输出的集电极,接外部晶体管Q3、Q4的基极。R13、R14即作为Q3、Q4的基极偏置,也是芯片输出晶体管的上拉电阻。Q3、Q4分别驱动脉冲变压器T2的两个原边绕组,对应的两个副边绕组T2-1、T2-2驱动变换器的两个半桥晶体管。
Q3、Q4的两个并联二极管用于电路断电时的续流,防止高压损坏晶体管。
D7、D8构成直流通路,是偏置电路的一部分,并有电平移动作用;由于发射极被垫高,使得Q3、Q4可以可靠关断。C11用于构成交流通路,可提高交流增益,同时对二极管两端有电压钳位作用,避免损坏二极管。
(五)过压保护电路

图12:过压保护电路
图中,+5V、-5V、+3.3V、-12V在左侧构成加法电路结构,经D9、D27隔离后,送三极管Q6基极。ZD1、ZD3用来设置比较门槛。如果出现过压,Q6将饱和导通,把Q5基极拉到地电位,Q5饱和导通。此时,一个高电平(约4VDC)通过Q5管被送到TL494死区时间控制端(4脚),TL494输出因死去接近100%而被*锁封**。
+12V经过D、D15、R45、D14被送到Q7基极前端,当过压时,Q7饱和导通,促使Q5基极为低电平,Q5也饱和导通。这样,+5V电源就通过Q5送到TL494死区时间控制端(4脚),使芯片输出*锁封**。
D12、R30把Q5集电极电位引回Q6基极,有正反馈作用,可以加快晶体管的翻转速度,使电源在过压时快速反应。
D13被用于向PS-ON电路提供一个偏置。
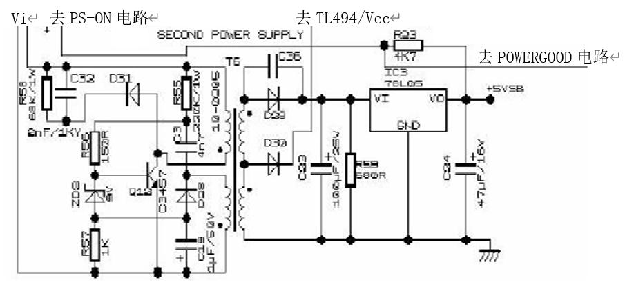
(六)第二电源电路

图13:第二电源电路
第二电源无论整个电源是否开启,只要市电有输入,就处于工作状态。T6的原边电路实际上是个振荡器,其振荡经T6变压器变压后输出。
当送电时,Q12集电极通过T6原边,基极通过R55、R56获得偏置,而进入导通状态。T6辅助绕组电动势上正、下负,电流(向下)逐步增加,并经C3、R56、Q12基极对C3反向充电。Q12进入饱和状态。随着T6的电流达到最大值,并开始减小,大多数开始反向。这时,T6电动势上负下正,和电容反向充电后的上负下正电压叠加,加到Q12基极,使其截止。接着,C3开始向T6辅助绕组放电,T6电流减小逐步过零,电动势又变成上正下负,Q12基极电位重新抬高直至饱和导通。
D28、C19、R57及D31、C32、R58用于变压器绕组的释放回路,稳压管用于抬高Q12基极翻转电压,以调节翻转周期。
输出分两路:一路经过D30整流后送TL494做Vcc电源,一旦T494启动,其本身5VDC开始工作,作为芯片所需要的5V偏置。另一路经D29送后面的三端电源器件78L05,生成5VDC电源。
C36用于保护二极管D29。其后是标准的三端电源电路。
辅助电源如果丢失,计算机休眠后主板将无法唤醒电源重新启动。
(七)PS-ON电路
这部分用于计算机的唤醒。当主板休眠时,PS-ON为3.6V,当主板唤醒时,该点被主板继电器接地。

图14:PS-ON电路
当计算机休眠时,PS-ON信号为3.6V,Q10、Q1饱和导通,TL494的4脚电位约为4.7V。此时,占空比接近于零,输出被禁止。
计算机要唤醒时,PS-ON被接地。Q10、Q1截止。TL494的死区时间控制端(4脚)为地电位,允许占空比接近最大值,电源输出被开放。
(八)POWERGOOD电路
LM393是一个双比较器电路。管脚排列:
1:比较器1输出。 2:比较器1反相端。 3:比较器1同相端。
4:接地Gnd。 5:比较器2同相端。 6:比较器2反相端。
7:比较器2输出。 8:电源Vcc。

图15:POWERGOOD电路
常规情况下,PS-ON接地,开环运放2的输出7被置为高电平。该高电平经R40被引回比例放大器1的同相输入端,使其输出PS-OK为高电平。这个高电平被送主板,表示电源系统正常。
在系统待机时,主板PS-ON断开,+5V信号使得放大器2输出低电平,该低电平送放大器1的同相端,放大器1也输出低电平。PS-OK为低,主机停止工作,并进入待命状态。
如果是刚唤醒计算机系统,C18的作用是使PS-OK的建立滞后于电源系统几百毫秒,这样保证计算机系统在电源系统先工作正常后,再接收到PS-OK信号,恢复工作。
(九)其它辅助控制电路
误差放大器2的同相输入端被接地,反相输入端接VREF(+5VDC),这样TL494的误差放大器2强制输出低电平。由于片内误差放大器输出端二极管的隔离作用,误差放大器2实际上不起作用。