-
什么是功率因素校正
在电路中存在感性或者容性负载时,会造成电路的电流和电压不同步,产生相位差。导致在电路中出现无功功率,而实际有效的功率(有功功率P)会减小。有功功率才是有用的功率,所以我们必须减小无功功率。有功功率和无功功率之和等于视在功率S。有功功率和视在功率的比值就是功率因素PF= P/S,功率因素校正PFC就是提高有功功率,减少无功功率。

-
开关电源的为什么要功率因数校正
电路呈现容性负载时,电压就会滞后电流,你可以想象电容成一个水罐,电流如同水流一样流进水罐,大小不变,电容像水罐,电压如同水罐中水位,慢慢升起来,相当于电压比电流慢。而电路呈现感性负载时,电感如同阀门一样,限制了电流,相当于电流比电压慢。开关电源(AC-DC)一般都有整流桥和大电容整流滤波,其电路一般呈现容性负载。当输入电压大于大电容的电压时,才有电流流过整流桥二极管,也就是电流导通时间小,电流波形畸形状态,不同电压同步,如果不进行功率因素校正(PFC),功率因素低,有功功率小。输入电流变大(相对于功率因素高的电路),增加电网损耗,其次电流是畸形波,不是正弦波,电网的谐波(THD)成分也会增大。为了保护电网,开关电源有功率因素要求。大功率开关电源必须要功率因素校正,一般来说大于75W,需要功率因素校正。

-
开关电源的功率因素校正技术有哪些
1. 无源PFC
也叫无源PFC,无源PFC,因为开关电源呈现容性,需要一个电感来校正或者采用其他阻容器件来降低容抗。使得电路接近纯阻抗。在这里我们主要说的无源电感,这个电感采用矽钢片做的,体积比较大,发热大,成本低。一般老式的台式机电源上用得比较多,主要为了节省成本,对电源的体积没有要求。

2. 有源PFC
什么是有源,就是采用了晶体开关管,产生了开关动作,其实这只是工程师们的一个称谓,也不太正确。有源PFC电路就是采用控制IC,MOS,电感等器件来做的一个升压电路。为什么要升压线路,不能降压线路吗,这个问题可以自行考虑和试验。有源PFC(APFC)的线路一个重要的特征是把低频转为高频。一般输入交流频率50Hz,而APFC的开关频率能达到50kHz,在一个交流周期内开关多次(没有APFC时,一个交流周期内,只有当整流桥二极管正向导通时才有电流流过,电流波形呈现尖峰畸形),使得电流跟随了电压,达到电流和电压同步,从而提高了功率因素和减少了谐波。有源PFC现在的成本应该说比无源PFC还要低了,功率因素高达99%,谐波在10%以下。现在的线路都比较简洁了。

-
有源PFC及其分类
1.按照电感电流模式不同分为:断续模式PFC(DCM),临界模式PFC(CRM),连续PFC(CCM)。
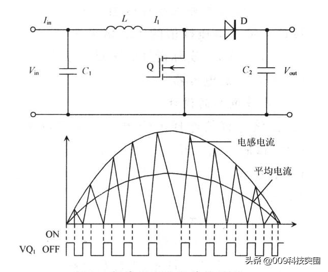
A. 断续模式PFC(DCM),指的是电感电流断续,一般在小功率,100-300W中使用,断续模式可以采用ZCD技术,开关管在波谷开通,减小开关损耗。PFC升压二极管采用快恢复管,可以选择Vf比较小的。很多厂家都有DCM控制IC,线路很简单,控制稳定,效率也较高,缺点是电感峰值电流大。电感要采用低磁导率的铁氧体较好,避免饱和,或者采用很大截面积的磁芯。相当于一个boost升压IC,控制IC的厂家很多:TI,ST,MPS,NXP,通嘉等。

B. 临界模式的(CRM),可以看做是DCM的一种,用临界模式的在轻载或进入DCM,一般在重载时CRM,但是功率也做不大,一般在300W左右。如果要做大,峰值电流会很大,电感容易饱和,必须要感量减小,气隙磨的很大,也需要采用低磁导率的铁氧体。在设计电感中,可以用DCM的电感设计。
C. 连续PFC(CCM),顾名思义,电感电流是连续的,适合用在300W以上的电源。电感的峰值电流就较小,CCM的电感可以采用磁导率高铁硅铝的,体积小和散热好。但是它要求PFC二极管反向恢复时间短,所以PFC二极管采用碳化硅的比较多,特别是为了提高效率,降低温度。碳化硅的反向恢复时间很短,Vf又小,适合用在CCM PFC线路中。控制IC厂家有infineon,ON等。

2.按照控制方式分:单个PFC和交错式PFC
A. 单个PFC就是一段PFC,一段PFC在功率大了之后,会出现功率器件和磁性器件都要选很大,这样在器件选择方面和电源空间设计方面有难度。
B. 交错式PFC,为了解决单个PFC控制的痛点,就出现了交错式PFC,用两段式PFC或者多段式PFC,把PFC的功率分摊到多个PFC上,这样功率器件和磁性器件都可以用小。适合于超薄大功率电源,想LED,电视机,教育会议机,服务器,通信电源等类型的电源。TI和ON的交错式PFC一般都是180°两段式交错,Shindengen交错式PFC的是可以多段式交错式。三段,四段都可以,,采用的控制方法是跟随错相。本身单个IC是临界模式的,效率相对于CCM的高,控制线路简单。适合于300-2000W的开关电源。

详细的PFC电路设计,在后续中会讲到,敬请期待。