液晶电视整机逻辑控制
在前面的章节中,对目前市场上销售的几种液晶电视的结构进行了介绍,下面将分别介绍CCFL背光源的液晶电视和LED背光源的液晶电视整机逻辑控制关系。
一、CCFL背光源的液晶电视整机逻辑控制
1.电源、逆变器为独立型的液晶电视整机逻辑控制
电源、逆变器为独立型的液晶电视整机逻辑控制框图如图3-1-1所示。

图3-1-1 电源、逆变器为独立型的液晶电视整机逻辑控制框图
当220V交流电供给电源板后,待机电源电路开始工作,电源板产生5VSTB电压供给主板相关电路,主板得到该工作电压后,CPU及相关电路开始工作;当接收到遥控或键控等指令时,主板发出二次开机指令(PS-ON)给电源板,电源板接收到二次开机指令后,内部主电源及PFC(功率因数校正)电路开始工作,电源板产生5V-1、+24V、+12V/+24V等电压供给主板相关电路(其中一路24V电压供逆变器)。
主板在得到5V-1、+24V或+12V电压后,输出逆变器开关(ON/OFF或ON-BACK)信号和亮度控制(BRI-ADJ或PWM-ADJ)信号给逆变器,逆变器在接收到主板送来的开关信号后,高频振荡器开始工作,产生基准的方波信号与主板送来的亮度控制信号一起在振荡器内进行比较,输出高频信号去控制高频升压电路,在高频变压器和电容的谐振下,产生1000V以上的电压,驱动液晶面板的CCFL背光灯或EEFL背光灯发光。
主板在发出逆变器开关(ON-BACK)信号后,输出上屏电压控制指令(ON-PANEL)控制DC/DC电路,产生适合屏工作的上屏电压(不同屏的上屏电压不相同)。上屏电压经过DC/DC变换成扫描驱动器(行驱动器或栅极驱动器)的开关电压VGH/VGL、数据驱动器(列驱动器或源极驱动器)的工作电压VDA及时序控制电路所需的工作电压VDD,从而驱动液晶屏正常工作而显像。同时,从主板送来的LVDS信号(包括数据信号、同步信号、时钟信号、使能信号)转换成数据驱动器和扫描驱动器所需要的时序信号和视频数据信号。
2.二合一电源(电源+逆变)液晶电视整机逻辑控制
二合一电源(电源+逆变)液晶电视整机逻辑控制框图如图3-1-2所示。二合一电源组件将AC/DC变换、DC/DC变换和逆变器整合在同一块电路板上,在经过对市电的整流、PFC和滤波并获得400V直流电压后,将直接采用400V作为逆变器的输入电压,通过DC/AC升压转换为背光灯管所需的1000V甚至高达2000V的电压。

图3-1-2 二合一电源(电源+逆变)液晶电视整机逻辑控制框图
二合一电源组件有两种典型的架构:一是IPS架构,逆变电路由PFC电路产生的400V供电,采用单个升压变压器,以驱动EEFL,被LG和AU等厂家采用;二是LIPS架构,逆变电路由PFC电路产生的400V供电,经多个升压变压器给灯管提供电流,与传统的逆变器相类似,以驱动CCFL,被奇美、三星等厂家采用。
当220V交流电供给二合一电源组件后,待机电源电路开始工作,产生5VSTB电压供给主板相关电路,主板得到该工作电压后,CPU及相关电路开始工作;当接收到遥控或键控等指令时,主板发出二次开机指令(PS-ON)给二合一电源组件。二合一电源组件接收到二次开机指令后,内部主电源及PFC电路开始工作,电源板产生5V-1、+24V、+12V等电压供给主板相关电路,PFC电路产生的400V电压供逆变器高压变换电路。
主板在得到5V-1、+24V、+12V电压后,输出逆变器开关(ON-BACK)信号和亮度控制(PWM-ADJ)信号给二合一电源组件,二合一电源组件逆变部分的高频振荡器开始工作,产生基准的方波信号与主板送来的亮度控制信号一起在振荡器内进行比较,输出高频信号去控制高压变换电路,在高频变压器和电容的谐振下,产生1000V以上的电压驱动液晶面板的CCFL背光灯或EEFL背光灯发光。
主板在输出逆变器开关(ON-BACK)信号后,输出上屏电压控制指令(ON-PANEL)控制DC/DC电路,产生适合屏工作的上屏电压(不同屏的上屏电压不相同)。上屏电压经过DC/DC变换成扫描驱动器(行驱动器或栅极驱动器)的开关电压VGH/VGL、数据驱动器(列驱动器或源极驱动器)的工作电压VDA及时序控制电路所需的工作电压VDD,从而驱动液晶屏正常工作而显像。同时,从主板送来的LVDS信号(包括数据信号、同步信号、时钟信号、使能信号)转换成数据驱动器和扫描驱动器所需要的时序信号和视频数据信号。
二、LED背光源的液晶电视整机逻辑控制
电源、LED驱动板为独立型的液晶电视整机逻辑控制框图如图3-1-3所示。二合一电源(电源+LED驱动)的液晶电视整机逻辑控制框图如图3-1-4所示。以上两款LED液晶电视的控制关系大致相同,下面以电源、LED驱动板为独立型的液晶电视整机逻辑控制为例进行介绍。

图3-1-3 电源、LED驱动板为独立型的液晶电视整机逻辑控制框图

图3-1-4 二合一电源(电源+LED驱动)的液晶电视整机逻辑控制框图
当220V交流电供给电源板后,待机电源电路开始工作,电源板产生5VSTB电压供给主板相关电路,主板得到该工作电压后,CPU及相关电路开始工作;当接收到遥控或键控等指令时,主板发出二次开机指令(PS-ON)给电源板,电源板接收到二次开机指令后,内部主电源及PFC电路开始工作,电源板产生5V-1(小信号处理部分)、+24V(上屏控制)、+12V/+24V(伴音部分)等电压供给主板相关电路。
主板在得到5V-1、+24V或+12V电压后,输出LED驱动开关(BL-ON/OFF)信号和亮度控制(BL-ADJ)信号通过电源板供给LED驱动板。LED驱动板在接收到主板送来的开关(BL-ON/OFF)信号后开始工作,振荡器设定的PWM调光信号去控制升压电路,在电感和电容的谐振下,产生140V左右的电压驱动LED灯串。亮度控制(BL-ADJ)信号输入振荡器PWM调光端,与从LED灯串负极反馈回芯片内部的电流信息进行比较,进行全局调光,从而控制每一根灯条的光都进行相同的明暗变化。STATUS为LED状态输出脚,正常工作时为高电平(约5V),反馈回主板,主板获得该控制信号后,便认为LED驱动板工作正常。当任一LED灯串开路、发生短路保护、发生过压保护、发生过温保护时,该状态控制信号将变为低电平输出,主板将停止工作。
主板在发出LED驱动开关(BL-ON/OFF)信号后,输出上屏电压控制指令(ON-PANEL)控制DC/DC电路,产生适合屏工作的上屏电压(不同屏的上屏电压不相同)。上屏电压经过DC/DC变换成扫描驱动器(行驱动器或栅极驱动器)的开关电压VGH/VGL、数据驱动器(列驱动器或源极驱动器)的工作电压VDA及时序控制电路所需的工作电压VDD,从而驱动液晶屏正常工作而显像。同时,从主板送来的LVDS信号(包括数据信号、同步信号、时钟信号、使能信号)转换成数据驱动器和扫描驱动器所需要的时序信号和视频数据信号。
液晶电视整机故障判定
一、电源板故障速判
1.单电源故障速判
电源板的作用主要是提供给整机相关电路工作电压,一般有24V、12V、5V-S和5V-1等。液晶电视内置电源板组件均可断开负载进行检修,只需用数字万用表检测输出插座上的相关电压或对地阻值是否正常,就能准确判定出电源板组件是否存在故障。用在26英寸(1英寸=2.54cm)以上的不同型号电源板组件,电压输出插座排列基本相似,但输出的几组供电电压和电流与匹配的整机尺寸存在区别。
下面以FSP241-4F01电源模块(见图3-2-1)为例,介绍其故障判定步骤。

图3-2-1 FSP241-4F01电源模块图解
① 接上交流电于电源板组件,检测其插座CNS1的⑥脚5V-S,若有5.2V左右电压输出,其他几组电压处于关断状态,说明电源板待机部分工作正常;反之,该电源板待机部分存在故障。
② 给电源板组件CNS1的①脚强行施加一个高电平(5V)模拟二次开机(直接将5V-S短接到CNS1的①脚即可),其他几组电压输出正常,说明电源板是好的;反之,该电源板的主电源部分和PFC电路存在故障。(备注:GP系列电源板组件需要在CNS1或JP804的④、⑤脚与地间加一个5W/2~10Ω电阻作为假负载才有输出。)
2.二合一电源板(电源+逆变)故障速判
二合一电源板的作用一方面是提供给整机相关电路工作电压(24V/12V、5V-S和5V-1等);另一方面是在主板的背光灯开关控制信号作用下控制逆变部分的高频振荡器,使之产生基准的方波信号与主板送来的亮度控制信号一起在振荡器内进行比较,输出高频信号去控制高压变换电路,在高频变压器和电容的谐振下,产生1000V以上的电压,驱动液晶面板的CCFL背光灯或EEFL背光灯发光。
液晶电视内置二合一电源板组件也可断开负载进行检修,电源部分的故障判定方法与单独电源板的故障判定方法相同。逆变部分的故障判定需要断开保护电路或接上负载(假负载),不能用数字万用表直接检测逆变器输出的电压或对地阻值,否则将烧毁万用表(万用表是低阻的)。可采用3种方法来测试高压变压器是否有驱动电压输出:一是用一个螺丝刀接近高压变压器输出端,看是否有拉弧现象;二是将示波器的表笔靠在灯管的供电线路上,观察开机瞬间是否有波形;三是将指针万用表的表笔靠在灯管的供电线路上,看表针是否来回摆动。
下面以FSP160-3PI01二合一电源组件(见图3-2-2)为例,介绍其故障判定步骤。

图3-2-2 FSP160-3PI01二合一电源组件图解
① 接上交流电于电源板组件,检测CN201插座的⑥脚(+5VSTB),正常的话,有5V电压输出。CN201的⑨、⑩和④、⑤脚+24V和+5V-1处于关断状态,说明二合一电源待机电源部分是好的;通电后插座CN201的⑥脚(+5VSTB)无电压输出,说明二合一电源待机电源部分存在故障。
② 给二合一电源组件CN201的①脚强行施加一个高电平5V模拟二次开机(将电源板上三极管Q2的基极、发射极短路或将CN201的①脚和⑥脚短接),此时二合一电源组件就应输出正常的+5V-1、+24V电压,但逆变部分电路不工作,灯管未被点亮;若不输出+24V电压,说明二合一电源组件的主电源部分存在故障。
③ +5VSTB、+24V电压正常后,先将二合一电源组件CN202的11脚(VIPWM)与CN201的⑥脚短接,再将二合一电源组件CN202的⑨脚(BL-ON)与CN201的⑤脚短接(注:本机先加亮度控制信号,若先加逆变器开关信号,则背光灯闪亮一下后熄灭)。若背光灯管点亮,说明二合一电源组件是好的,反之二合一电源组件存在故障。
上述操作步骤总结如下。
将CN201的⑥脚+5VSTB与①脚短接(模拟主板发出的PS-ON信号),再将CN202的11脚与CN201的⑥脚短接(模拟主板发出的背光灯亮度控制信号),最后将CN202的⑨脚与CN201的⑤脚短接(模拟主板发出的背光灯开关控制信号),若电源板组件正常,背光灯被点亮。
二、主板故障速判
主信号处理板在电源板提供正常的工作供电后,系统控制电路进入待机工作状态,当接收到开机指令时,将二次开机进入正常工作状态,接收TV或外部视频信号输入,经过信号解码、数字处理和格式变换等,转变成统一的液晶屏所需的LVDS数字差分信号,最终在液晶屏上显示出正常的画面。
1.LS20A机芯主板故障判定
(1)开/待机(STB)控制
开/待机(STB)控制电路如图3-2-3所示。当U39(MST6M69LF-FL)通过遥控或键控得到二次开机指令后,指示灯开始闪烁;当U39内电路和外部程序、DDR工作正常后,就从U39的124脚输出STBY低电平,Q30截止,5VSTB经R450、J901①脚给电源板提供开机高电平,实现电源二次开机,输出+24V、+5V给整机相应各电路。如果没有开/待机高电平控制,电源组件将无法正常输出整机工作所需的各路电压。

图3-2-3 开/待机(STB)控制电路
(2)上屏电压控制
上屏电压控制电路如图3-2-4所示。二次开机后,电源板工作正常后,从主板U39(MST6M69LF-FL)的164脚输出低电平(上屏指令),经Q2、Q1倒相后加到U2(上屏电压开关)内部MOS管的G极,Vgs为负压时导通,从漏极⑤~⑧脚输出供屏驱动工作的电压(本机上屏电压12V)。如果上屏供电不正常,过高就会烧坏驱动板,过低或没有会出现图异或黑屏的现象。

图3-2-4 上屏电压控制电路
(3)逆变器背光灯开关控制电路
逆变器背光灯开关控制电路由U39的165脚内外部电路构成,如图3-2-5所示。当电视机开机后,U39的165脚输出0V低电平,Q3截止,Q3的集电极电压(高电平)分别经J908的④脚、J909的④脚送到左右逆变器组件,左右逆变器组件被开启,背光灯被点亮;反之,当电视机关闭时,U39的165脚输出5V高电平,Q3导通,左右逆变器组件关闭,背光灯熄灭。背光灯电路要正常工作此电压必须正常。

图3-2-5 逆变器背光灯开关和亮度控制电路
(4)逆变器亮度控制
逆变器的亮度控制电路由U39的125脚、Q4及外围元器件构成,如图3-2-5所示。由U39的125脚输出PWM信号经Q4后送至插座J908的②脚、J909的②脚,经插座至逆变器,从而达到控制背光灯亮度的目的。有的液晶显示屏是将该信号通过分压电阻接固定电压或地,使背光灯的亮度不受主芯片U39的控制。
(5)LVDS信号上屏电路
上屏线传输的LVDS信号为数字差分脉冲信号,检测中若使用示波器就能直观判定是否有正常的信号到逻辑板。但上门服务时,只能使用万用表对其直流电平进行检测,不能准确地判定故障部位。检测中,只有对比在有信号输出和无信号输出时电压的差异,再结合故障现象判断故障点部位。
上屏线传输的LVDS信号为数字差分脉冲信号,其主要传输的LVDS信号的差分信号电压在1.20V左右。高清屏的上屏信号和普通屏的上屏信号直流电压基本一致,高清屏的上屏是双路LVDS信号。
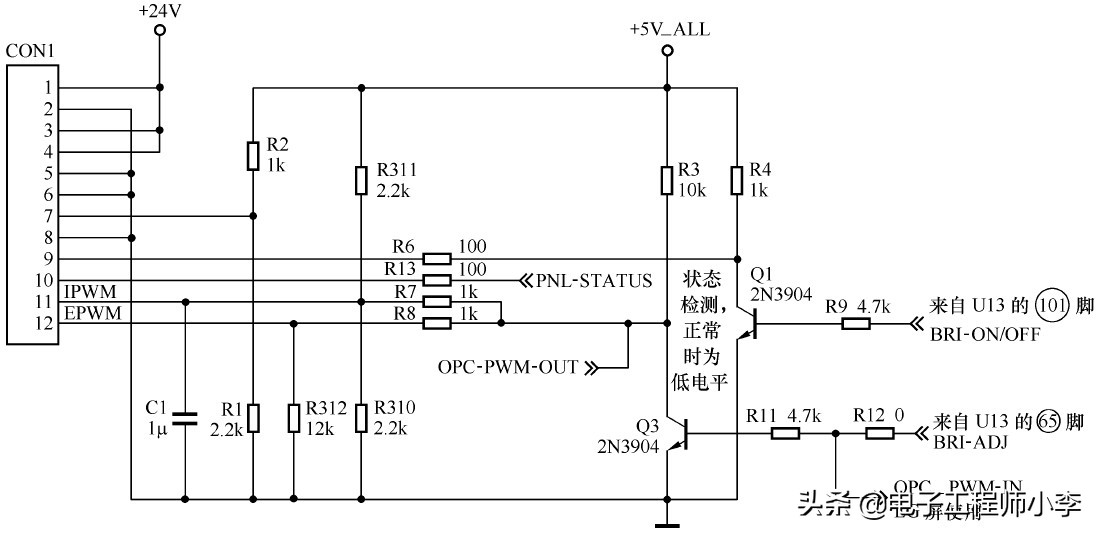
2.LS23机芯主板故障判定
(1)开/待机(STB)控制
开/待机(STB)控制电路如图3-2-6所示。当U13(MST721DU)通过遥控或键控得到二次开机指令后,指示灯开始闪烁;当U13内电路工作正常后,就从152脚输出STBY低电平,Q2截止,5V经R5给电源板提供开机高电平,实现电源二次开机,输出+12V、+5V给整机相应各电路。

图3-2-6 开/待机(STB)控制电路
(2)上屏电压控制
上屏电压控制电路如图3-2-7所示。在U13的152脚输出STB二次开机指令后,紧跟着从151脚输出低电平0V上屏电压控制信号,打开供上屏电压通道的MOS管,为屏驱动电路提供12V工作电压。

图3-2-7 上屏电压控制电路
PANEL-ON/OFF指令经Q5和Q4两级倒相后加到U4内部MOS管的G极,该MOS管为P沟道增强型,Vgs为负压时便导通,从漏极⑤~⑧脚输出供屏驱动工作的电压。
(3)背光灯开关和亮度控制电路
背光灯开关和亮度控制电路如图3-2-8所示。开机时,从U13的101脚输出逆变器开关控制信号,Q1截止,在C极得到约5V的高电平,通过CON1的③脚输往逆变器,打开逆变振荡器,逆变器正常工作。另一路由软件对图像信号处理后,从65脚输出PWM亮度控制信号,Q3截止,通过CON1的①脚输往逆变器实现自动调光。OPC功能在LG屏使用,作用是进行亮度调节,该信号与上屏接口相连。

图3-2-8 背光灯开关和亮度控制电路
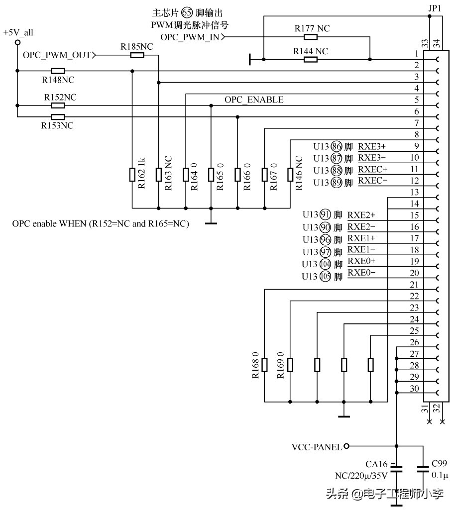
(4)LVDS信号上屏控制
LVDS信号上屏接口电路如图3-2-9所示,上屏接口在有信号时各接口电压参考数据见表3-2-1。上屏线传输的LVDS信号为数字差分信号,检测中若使用示波器就能很好判定是否有正常信号到逻辑板。但上门服务时,只能用万用表对其直流电平进行检测,不能准确地判定故障部位。检测中,只有对比在有信号输出和无信号输出时电压的差异,再结合故障现象,判断故障点部位。

图3-2-9 LVDS信号上屏接口电路示意图
表3-2-1 LVDS上屏接口功能及维修参考数据(单位:V)

综上所述,结合电原理图分析,若出现“不开机”、“图声光”异常等,再检查上述条件,若异常,或检查相关电路电压及波形或输出至上屏插座的相应电压和波形异常时,可判断故障原因属主信号处理板出现问题。
三、逻辑板故障速判
逻辑板主要由时序控制器、TFT偏压电路、伽马电路组成。时序控制器将主板送来的LVDS信号转换成数据驱动器和扫描驱动器所需要的时序信号和视频数据信号。TFT偏压电路主要产生扫描驱动器(行驱动器或栅极驱动器)的开关电压VGH、VGL和数据驱动器的工作电压VDA,以及TFT时序控制电路所需的工作电压VDD。伽马电路主要作用是配合液晶的特性,调整数据驱动器中D/A转换器参考电压的设定,通常输出12~18路D/A转换器参考电压。
逻辑板出现故障时,通常会出现花屏、白屏、图暗、负像等故障现象,有些故障可能出在主板,也有可能出在逻辑板。如屏幕出现花屏故障时,故障可能出在主板或逻辑板。逻辑板上DC/DC变换电路产生的VGH、VGL等电压不正常,屏幕上将显示各种不同现象的花屏;主板输出的LVDS信号不正常,图像上常表现有红色或绿色噪波点。由于相关厂家对资料的控制,如何快速掌握逻辑板的故障判断已显得相当重要。
1.故障判定方法
(1)电阻检测法
① 检查逻辑板上的保险电阻是否开路。
② 检查逻辑板上相关集成电路的电源脚和地间是否击穿。
③ 检查逻辑板上三极管是否漏电或不良。
电阻检测法基本上是在逻辑板不通电的情况下进行电阻检测。
(2)对照法
因上游厂家对屏上组件资料的控制,没有电路图可参考,又对PCB(Printed Circuit Board)图不太熟悉时,我们可拿一块好的逻辑板与坏逻辑板进行对比测试,用此方法可获得一手维修资料,迅速地排除故障。
(3)上电测试法
① 检查上屏电压是否正常(不同型号的屏,上屏电压存在差异,上屏电压主要有5V和12V两种)。
② 检查逻辑板上DC/DC变换电路产生的3.3V、2.5V或1.8V供电是否正常(不同屏厂家的标注不相同,如AU T420HW04屏逻辑板上3.3V用V3D3标注)。
③ 检查逻辑板上DC/DC变换电路产生的VDA电压是否正常,该电压通常在15.8V左右(不同屏厂家的标注不相同,电压也有些差异,如AU T420HW04屏逻辑板上用AVDD标注,电压为15.81V)。
④ 检查逻辑板上DC/DC变换电路产生的VGH、VGL电压是否正常,VGH电压通常在18~27V之间,VGL电压通常在−5.3~−6.3V之间(不同屏厂家的标注不相同,电压也有些差异,如AU T420HW04屏逻辑板上用VGHC、VGL标注,VGHC电压为26.58V,VGL电压为−6.11V)。
⑤ 检查逻辑板上伽马电路产生的伽马电压是否正常,伽马电压通常是以VDA电压为基准,逐渐递减(不同屏的伽马电压各不相同)。
⑥ 检查逻辑板上时序控制芯片产生的各控制信号(POL、OE、TP1、STH、STH-R、STV、STV-R、CKV、VSCM)是否正常。
(4)替换法
如遇到逻辑板上各检测点电压正常,屏幕出现很多无规则的竖线、灰屏或只有一半图像,则需要代换逻辑板来判断是屏的问题还是逻辑板的问题。
2.故障判定示意
(1)LG公司屏逻辑板故障判定
下面以LG公司生产的LC370WXN-SBC1屏所配逻辑板为例进行举例,该逻辑板各测试点正常工作电压如图3-2-10所示。

图3-2-10 LG屏所配逻辑板故障判定示意
(2)奇美公司屏逻辑板故障判定
下面以奇美公司生产的V420H1-C12屏所配逻辑板为例进行举例,该逻辑板各测试点正常工作电压如图3-2-11所示。

图3-2-11 奇美屏所配逻辑板故障判定示意
(3)AU公司屏逻辑板故障判定
下面以AU公司生产的T420HW04-V0屏所配逻辑板进行举例,该逻辑板各测试点正常工作电压如图3-2-12所示。

图3-2-12 AU公司屏所配逻辑板故障判定示意
四、逆变器故障速判
在液晶电视中,逆变器的故障率相对较高,如何快速掌握各屏的逆变器原理及维修已显得相当重要。逆变器的常见故障有黑屏、闪烁、干扰以及烧逆变器熔丝等。
1.故障检测方法
(1)外观检查法
① 检查逆变器上是否有元器件或集成电路烧黑、炸裂。
② 检查逆变器上的贴片元器件是否掉落。
③ 检查逆变器上高压变压器(又称升压变压器)的外观是否有损坏,高压变压器磁芯是否破碎,其引脚附近是否有打火现象。
④ 检查逆变器上相关插座、变压器引脚是否有虚焊。
(2)电阻检测法
① 检查逆变器上的保险电阻是否开路。
② 检查逆变器上相关集成电路的电源脚和地间是否击穿。
③ 检查逆变器上变压器次级绕组阻值是否异常。
④ 检查逆变器上三极管是否漏电或不良。
电路检测法基本上是电阻检测,是在逆变器不通电的情况下进行检测。对于逆变器上变压器的次级绕组阻值,在不知道正确值的情况下,可直接测原板上其他变压器次级绕组阻值。因逆变器上有多个高压变压器,不可能全坏,用此方法可获得一手维修资料。
(3)短接法
一般情况下,脉宽调制集成电路中有一脚是控制或强制输出的,对地短路该脚则其将不受取样电路的影响,强制输出脉冲波,此时逆变器一般均能点亮,并进行电路测试。但要注意:由于具体故障位置未找到,短路过久可能会导致一些意想不到的后果,如高压线路接触不良时,强制输出可能会导致线路打火而烧板。
(4)上电测试法
上电测试法适合不知道逆变器是否有故障的检测。由于逆变器装在整机上,工作状态受主板控制,如果主板存在异常,则会影响逆变器的正常工作,因此在上电检测中,有时还必须断开主板对逆变器的控制。
实际维修中,可将逆变器和主板的连接线断开,将电源板输出的24V电压加到逆变器插座的供电引脚,再将电源板的5V输出端串接一个电阻(4.7kΩ)加到逆变器的背光ON/OFF控制端,如果该板是好的,则液晶屏的背光灯就应点亮。
若检测逆变器供电、开关控制信号等正常,出现背光灯管不亮的情况,可采用3种方法来测试高压变压器是否有驱动电压输出。第一种方法是用一个螺丝刀接近高压变压器输出端,看是否有拉弧现象;第二种方法是将示波器的表笔靠在灯管的供电线路上,观察开机瞬间是否有波形;第三种方法是将指针万用表的表笔靠在灯管的供电线路上,看表针是否来回摆动。
2.常见故障检修
(1)黑屏,有声音
检修这种故障时首先观察背光灯是否点亮,若背光灯没有点亮,则检查逆变器的供电是否正常,逆变器开关控制信号是否正常,若正常,则检查CCFL控制器的控制信号输出端是否有激励脉冲信号输出(可用万用表测电压,通常该电压都在2V左右),若电压正常,则检查直流变换电路、MOS管驱动及高压变压器部分,出现故障较多的是高压变压器损坏。
(2)开机瞬间能见光但瞬间就黑屏
检修这种故障时首先检修电源输出的24V电压带负载能力是否减弱,可通过在开机瞬间测24V供电是否有变化来判定。如果开机瞬间电压正常,逆变器打开后电压马上下降或很低,说明故障是由电源带负载能力弱引起。其次是检测逆变器输出是否过流或过压,导致逆变器内部保护电路动作,引起该故障的原因主要有以下两个。
① 灯管异常损坏或者老化,可暂时断开电流保护检测电路来观察屏幕是否黑屏,或在逆变器的输出端接一只10W/150kΩ的水泥电阻作为假负载来进行判定。
② 逆变器输出端的高压变压器某一组开路或短路,通常是采用对比法测变压器的阻值来判定高压变压器是否开路或短路;或暂时断开过压保护检测电路,观察灯管是否有某一根或几根未点亮来进行判定。
(3)工作一段时间后黑屏,关机后再开能重新点亮
这种故障主要由高压驱动电路末级或供电部分元器件发热量大,长期工作造成虚焊所致。可以通过轻轻敲击逆变器的高压变压器(多发故障部位)等来辅助判断,找出故障点后补焊即可。
(4)亮度偏暗
这种故障主要由逆变器上的亮度控制线路不正常、24V供电偏低、脉宽调制集成电路输出驱动脉冲偏低、高压电路不正常等引起。部分可能伴随着加热几十秒后保护,产生无显示,主要是高压变压器绕组存在匝间短路或高压输出电容失效所致。
(5)干扰
主要有水波纹干扰、画面抖动/跳动、星点闪烁等现象,主要是逆变器的工作频率导致干扰图像所致。
3.维修技巧
在大屏幕液晶电视中,逆变器是一个耗电量大、发生故障部位较多的组件,在检修过程中,可以采用测电压、测波形或断保护等方法来判定故障部位。
① 检修逆变器的主要工具是万用表和示波器。因为逆变器的工作频率高,所以可采用示波器测量。万用表可用普通的高内阻机械表(500型)和数字万用表测量。需注意的是,不要用万用表去测试高压输出端,高压输出端是交流电,同时电压较高,容易对万用表造成损坏。更不能用低内阻的万用表去检修逆变器,以避免对被测电路的影响。
逆变器高压端输出的为50~80kHz、600V左右的高频交变电压,若采用普通万用表去测量,由于普通万用表内阻低、分流大,会造成电视机保护关机,最好使用高内阻数字万用表测量,其峰值为320V左右,也可以采用示波器测量及万用表笔(1只)触碰放电法。
② 要使液晶屏整个屏幕亮度均匀、稳定,逆变器高压驱动电路的供电电压和电流必须稳定。所以,为了避免因液晶屏中某只背光灯管异常损坏或出现性能不良,造成液晶屏亮度不均匀,甚至出现暗区,严重影响收看的效果,可专门在电路上设计CCFL高压驱动电路自动保护性关机电路。
逆变器电路上采用了几组完全相同的驱动电路,分别为各个灯管供电,检修时可相互对照,几组同时损坏的可能性较小。
③ 逆变器上设有电流保护检测电路,通过对高压输出电流的检测,判断高压输出或灯管是否正常。
电流保护检测电路的作用是稳定背光灯管工作电流和稳定电压。当某只灯管异常或性能不良出现暗区,有故障的灯管会无电流或电流很小,电流保护检测电路一旦检测到灯管电流异常,就会向CCFL高压驱动电路送出停止工作的信号,使整个CCFL高压驱动电路停止工作(出现屏幕闪烁一下就黑屏),等待检修或更换。
④ 逆变器还有一个亮度控制信号,这个信号受主板MCU发出的亮度调节信号控制,此信号电压值改变,会改变CCFL振荡器输出的PWM激励脉冲的占空比,进而改变了高压输出变压器输出的信号幅度,也就改变了CCFL的亮度,实现了电视的亮度调节。用万用表测试,该电压为一固定电平(3.3V)或有平滑的高低变化,这取决于主板的调光方式。