今天分享一些接触器的常用接线电路图和实物图,从简单到复杂。老规矩,看不懂的底部留言。

简单的点动

这是实物,切勿用于正反转线路
点动是最基础的,两个接触器的点动是不能用于电机的正反转线路的。

这个是接触器的互锁

互锁常用于控制电机的正反转
这个常用在接触器的正反转线路中,但是不够完美,因为未知的一些因素偶尔还是会发生短路故障。
接续看下面的图解。

这个是按钮的互锁

接触器还是正常接线,按钮接成互锁

两个接触器互锁,每个接触器可以自锁
这个用到控制电机正反转很适合,因为每个接触器都有自锁。而且两个接触器和按钮又是互锁状态,非常安全。

这个也是两个接触器互锁
我们再分析下这个图:两个接触器是互锁的,当按钮A按下,接触器A自锁,同时接触器A的辅助常闭触点断开,所以再按下按钮B是没有反应的,只能有一个自锁,很适合用于电机正反转线路。同时正反转启动各有两组开关,可以实现异地控制。

这个是个简单的异地控制
我们再讲下异地控制的技巧:停止按钮串联,启动按钮并联。

这个是顺序启动
我们看图:接触器A自锁以后,接触器A的常开点变成了闭合状态,这样接触器B才可以启动。这个应用也很广泛,有的设备需要先润滑以后才能启动,就需要这种顺序启动控制。

同上,三个顺序启动控制

这是三个简单的自锁
这三个自锁电路里,停止按钮的位置是不同的,但是无论怎么变换位置,记住,停止按钮肯定是串到接触器线圈上的。

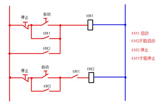
顺序启动停止

星三角启动的控制线路

往返小车,很经典的电路
我发布的顺序大体是从简单到复杂,我会最近抽时间把其中一些复杂的拍摄成实物接线,视频发布。谢谢大家的支持。(图片采集自网络)