导向机构和定位机构的特征、设计和应用。
注塑模具的导向机构,其主要功能是导向,保证动、定模正常闭合、分开,避免动、定 模相互碰撞。由于导柱与导套的配合是间隙配合,因此,不能作为动、定模的定位机构使 用。因为模具在成型时会产生侧向压力,会使动、定模产生错位。特别是在注塑成型精度要 求高的大型、薄壁塑件或塑件形状不对称的模具,型腔、型芯的侧面要承受较大的压力时, 易引起型腔或型芯产生偏移。为了保证动、定模在注塑成型时的相对位置的精度,防止动、 定模及成型零件产生侧向移位;为了提高成型塑件形状的精度、模具的刚度和配合精度,每 一副模具的动、定模都必须要有定位结构。
6. 1. 1导向机构的作用和要求
导向机构分有动模、定模的导向机构和顶板的导向机构两类。
模具合模时,由安装在动、定模板四角的四个导柱与四个导套首先接触(一般导柱高于 型芯、斜导柱15〜25mm),导柱引导动模芯与定模准确对合,避免动、定模相互碰撞而 损伤。
顶板的导向机构是为了在顶出过程中避免推出板歪斜,防止推出过程中顶杆折断、变形 或磨损擦伤而设置的,如图6-5 (a)所示,其结构形式见“第5章5.7模架的其他要求” 及表5-10所7K内容。
6. 1.2导柱的结构类型
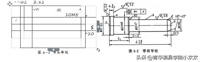
① 导柱的基本结构形式有两种。一种是带有轴向定位台阶,固定段与导向段具有同一 公称尺寸、不同公差带的导柱,称为带头导柱(GB/T 4169. 4—2006),如图6-1所示。另 一种是带有轴向定位台阶,固定段公称尺寸大于导向段的导柱,称为带肩寻柱(GB/T
4169. 5—2006),如图6-2所示。

定位机构
6.2.1定位机构类型和应用场合
注塑模的定位机构较多,类型有定位销,圆锥面,长键,正定位,模具动、定模的锥面 等定位机构。设计师要根据塑件形状、特征、模具的分型面形状特征和模具结构,合理正确 选用定位机构。现在把定位结构及如何应用描述如下。以下描述的有十六种,序号(2)至
(7) 的定位结构适用于中小型模具,序号(8)至(16)的定位结构适用于中大型模具。
file:///C:\Users\pc3\AppData\Local\Temp\ksohtml\wps4612.tmp.png
第6章注塑模的导向与定位结构>►兑?
(1) 模板用定位销定位
定模盖板与定模,动模板或动模垫板与垫铁、动模固定板,每副模具都必须要有定位销 定位。有的模具没有定位销,模板移位,会提前失效。
(2) 用标准键定位
动、定模采用四个标准键(双锥面)定位,适用于中小型模具,如图6-9所示。
(3) 动、定模用标准圆锥柱定位 适用于小型模具,如图6-10所示。
