随着90DB值以上的高效率书架型喇叭越来越多,且素质也越来越好...搭配上R2R DAC 浓厚的人声与泛音...
让我燃起了我重新规划了 FU32(832A)的PCB想法 --- 使PCB一样拥有厚实的低频与良好的透明度表现
音场、深度与定位~在良好完美的R2R DAC讯源再生配套下;让我自己小感动...哈哈!
先放几张供做点的线路图,之后再陆续增加说明;有兴趣Diy的网友不妨也可以试试


经过试做测试及重新修改零件与PCB铜箔布线,目前94DB喇叭上也不会有底噪!

测试一下,约1.8W为最大不失真功率(5%)输出功率---与之前手绘的图纸计算起来几乎一致

1k hz

10K hz

100 hz

20k hz

经过修正实测工作点如下,很理想! (绿线标示处)

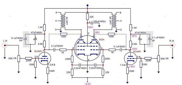
主线路图:

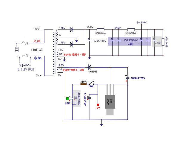
电源线路图:

这整套搭配包含小数盘+R2R DAC+管机+6.5吋高效率喇叭 !
此PCB经过一周的重新调整与线路布局,目前在94DB的Fostex FE166en 听不到底噪声~
这是重新做的PCB 改为黄色漆料,板厚2mm 铜箔为2 OZ 沉金板

PCB的正反面,PCB上都有标示零件值,照着数值焊接就可以制做成功,灯丝地及前管、后管接地的回路处理
都已经在PCB上连结好了,所以不用再为会有地回路错误导制噪声而担心!

零件套件包如下:

电阻焊接时离PCB一点距离


3W的金属皮膜对照PCB的阻值数先都焊上

再来焊电容,稳压IC 7909要注意和接方向是否正确,7909 IC原输入与输出的滤波电容为1000uF及470uF
现材料改为1000uF/25V 两颗,以防自动变色的LED产生杂音干扰(焊接时注意正负极方向)
其余电容也依标示注意级性焊上

有2颗蓝色BC 47uF/450V的电容如下图焊在此处...
有一边标示是150uF/450V但 一样焊上47

uF/450V的蓝色BC电容
这边标示47uF/400V是正确的...这

2颗是6C45Pi的退交连电容,反复测试后决定还是改为47uF 声音较活
当然你要改用150uF尝试听听声音的变化也是可以的~

下图没和上的100K 这两颗电阻是负回授用的,我装机都没有装这两颗(就是线路图中虚线的那两颗100K电阻),
装上此2颗负回授电阻时来测试,当然失真会小很多,方波也较完美很多,可惜实际试听时的我个人感觉反而较
差!嗯~所以我还是认为仪器是要辅助参考用的,不必用太完美的测试报告来吓唬人~哈哈! 实际状况还是要用自己
耳朵来验收~不是仪器...当然待测试OK后,您可以加装上回授电阻听听看声音喜不喜欢~毕竟每人的感受是不同的!

在PCB的正面也有3颗电阻,分别是FU32 G2用的22K/3W

以及150R/5W 稳压用电组 及 22.5K/10W 黑DALE的泄放电阻(可防新手安装时被电击)

原本此泄放电阻在板上标示为25K/10W,我这改用22.5K/10W,请把接脚折弯一下,才好焊接到焊盘上


绿色日本KOA 150R/5W电阻焊在原本标示50R/10W的位置,会有更佳的滤波效果

在PCB正面(TOP)上我们还要焊上FU32的七脚管座 及2个6C45Pi的小9脚管座
先把FU32的大七脚镀金管脚点上些焊锡,以助于待会能顺利的焊接

取出固定7脚方型座的螺丝包

先把铜柱锁上PCB...

锁上螺丝时要注意不要短路到焊盘,下图我是加了一些胶水固定在螺丝上,可以防止日久后松滑开来

转回正面就是如下图...我们要先固定一下方型7脚座才好焊接~继续往下看啰!

先把方型7脚座锁上,且调整一下与要焊接的7个焊点是否都对整齐了!
然后用斜刀型的烙铁头进行焊接...注意焊接一定要确实牢靠,不要空焊了!

焊接小9脚管座比较容易,这里红黄绞线是6C45Pi的灯丝线,要焊接在4、5脚上

然后拉到到另一支6C45Pi 的4、5脚灯丝上并联,假如是第4脚用黄线 ; 那两管要一致,第4脚都要对应是黄线
另外这边的6C45Pi灯丝上有多留2个孔洞,也要先焊上一段约15~20CM的灯丝线 ; 这段线是之后要连结到电
源变压器的AC 6.3V输出处。

再来是FU32 的灯丝线,如下图是在1、7脚一样先焊上一段约15~20公分的线...这段线是之后要连结到电源
变压器的AC 12.6V 输出处。

再来下图的灰色军规线是从方形7脚座上面的两个小孔穿去会对应到PCB的OPT P点焊盘,也要焊接上去
另一端先焊上2颗白色屏帽(这里是高压电,通电测试时要小心!等都没问题后,要将他用热缩套包起来绝缘)

焊上LED显示电压表,由于我们是使用固定偏压-9.2V...
所以电压表的黑色要焊在-9.2V标示的LV-焊点上,而红线要焊在LV+(这里其实是Gnd)

闪烁的LED灯测试时先将他短路,就是PCB上标示LED SW1 跟 LED SW2 将他短路

在装机箱前,我是如下图...先暂时做了一个VR(音量电位器)的输出入线来试听音乐

通过VR后的左声道讯源焊在 in L

右声道就是焊在R in 及VR的GND是焊在PCB的VR Gnd焊点上(PCB上的VR Gnd印刷字没注意,印反了)

如此就OK了...准备测试!

因为常DIY,所以我都会先做一条简单的电源线,带有一个保险丝座来提供装机时的测试用

市电的220V 我是接在电源变压器的1及3脚,就是0-220V处

8、9脚是FU32的灯丝电压所以是12.6V

10、11接脚是6C45P的灯丝电压,所以是6.3V

这不要接错了...因为6C45P 只能承受6.3V的灯丝电压


下面这图要注意看的是 AC GND 双AC 175V的焊点,这3点要接上PT(电源变压器)的175V-0-175V

灰色这条线是175V-0-175V 的 "0" 处,是要接到PCB 的AC GND焊点


再来下面的镀银线是接AC 175V

对应焊在PCB的 175V 2焊点上

OPT方面...由于我用8奥姆喇叭测试,所以暂时只焊了0与8的两条蓝皮铜线
OPT的另一端是 B 跟 P,我是先用2条灰色镀银线焊上


OPT的B 及 P 点焊到PCB的 P+ 与 B+,两颗左右声道的OPT焊接方式相同

OK~要来试音了...也量一下个点电压

通过测试后,全部在解焊,正式装入机箱了
这里我在实际安装时,发现铜柱长度不能使上下螺丝都锁紧...所以加了个垫片

把这面的4颗M4螺丝都上胶水固定死~这样在锁另一面机箱上的螺丝时财部会打滑空转



加上LED 电压表,注意不要装反了!有8.8.8.的"点点"是朝下

LED电压表的红线焊在PCB标示 LV+,黑线在焊在 LV-

左右声道的输入为Rin及Lin,先焊上质量较好的引线
另外...蓝色方框的220R 电阻要拆下,改焊在PCB的正面


如下图这样~改为焊在PCB管座这面,这是因为这2颗220R挡住了摇头开关...所以改在这面就OK了!

拆除后底面的 PCB上的220R电阻的位置就空出来了

这样2颗大型摇头开关材装的进去(咖啡色那2颗)

这两颗摇头开关~一个是给FU32下七彩LED用,一个是2组输入讯号切换用

白色这颗3段式波段是拿来当电源开关,设定状态为OFF-ON-OFF

VR是使用50K阻值的,我把金属挡榫质接剪掉了

焊在转接板上以便等一下的输出入讯号焊接

那2颗黑色电容有点肥..哈哈!所以这两棵黑电容和接时要尽量往外侧靠...50K VR才好放入
嗯...下次这要选择瘦高型的电容就刚好了!

前面板的零件都放入了如下图

这张照片是要表达甚么...不知ㄟ~跳过! XDDD

对了~电源波段开关跟电阻100K离很进,要注意不要短路了...所以我在上面涂了些胶水固定及当绝缘

这里是 175V-0-175V 及 12.6V灯丝(FU32用)、6.3V灯丝(6C45P用)

PCB上的Rin 及 Lin 焊在 VR转换板上

PCB上这里有个印反的VR-Gnd 焊点,要将这点焊在VR转换板的中间焊点上

就是这样用条引线焊上去...如此等一下VR才有参考的"地点" Gnd

OPT 也都先焊上引线

再把电源母座、保险丝座、香蕉座 、RCA座都先锁上

我是这样安排香蕉头的 0-4-8奥姆...
CMC的香蕉母座铁氟龙垫片上也有个挡榫,我如下图蓝色圈圈质接反过来安装了!

我整机几乎都用此灰色军规镀银线来配制--- 拨线皮卷上焊脚确实的焊牢


另一边一样的方式配线

这里要注意一下! 香蕉端子座的黑色母座要将它与机壳共地
所以,我将2颗母座先用引线短路在一起,再用条引线锁上变压器的大螺丝上与机箱短路

电表用欧母挡量一下...黑色环的香蕉座与机箱确实的短路了

靠进电源波段的那颗摇头开关是七彩LED的开关...焊在PCB的LED SW1 跟 LED SW2上来做开与关控制

电源母座上我把FUSE跟开关设定在L端(火在线)
N端(中性线)直接焊上变压器的0-220v的"0" ---看图较清楚!



用电表照出3段式波段第二段(就是中间挡)是那两的焊脚短路...把蓝色的机内电源线焊上这两脚
另外焊上一个防火花电容(蓝色那棵)来保护电源开关

焊好沿着机箱边藏起来

齁!...终于接近尾声了!剩下RCA接头的配线

先将4棵RCA的负极短路在一起

这头VR转换板上的in端是焊在摇头开关的中间2只脚上
要注意的是...转换板上的GND用条引线拉回至上图刚焊好的RCA负极处

就是如下图绿色的两个小圈圈所示

弟一组输入我用红色线,第二组我用黑色线配~这样大家比较看的清楚配置方法

蓝色正极芯我当是右声道,白色正极线当左声道...2组RCA的输入来看图说故事




配好后固定好,一样沿着机箱边藏好


最后!!! 要注意~~~我们配制到此 PCB上是以规划好单点共地了!但是尚未与机箱机箱共地
所以只要如下图~把RCA输入的负极在用条引线跟刚才喇叭母座的黑色端子搭在一起就完成整机的制作了!




收尾~把FU32的高压屏帽焊脚绝缘


完工---装机箱后整机由于机箱的屏蔽作用,比裸机测试时底噪还低!
用94db的Fostex 166en 喇叭,耳朵贴上鼓纸听不到任何的电流噪讯及哼声~自己DIY的优阿! 呵呵...



RUN 一下找时间来录音....