1.热电偶的概述
1.1 热电偶的工作原理
热电偶和热电阻一样,都是用来测量温度的。
热电偶是将两种不同金属或合金金属焊接起来,构成一个闭合回路,利用温差电势原理来测量温度的,当热电偶两种金属的两端有温度差,回路就会产生热电动势,温差越大,热电动势越大,利用测量热电动势这个原理来测量温度。
结构示意图如下:

图1 热电偶测量结构示意图
注意:如上图所示,热电偶是有正负极性的,所以需要确保这些导线连接到正确的极性,否则将会造成明显的测量误差
为了保证热电偶可靠、稳定地工作,安装要求如下:
① 组成热电偶的两个热电极的焊接必须牢固;
② 两个热电极彼此之间应很好地绝缘,以防短路;
③ 补偿导线与热电偶自由端的连接要方便可靠;
④ 保护套管应能保证热电极与有害介质充分隔离;
⑤ 热电偶对于外界的干扰比较敏感,因此安装还需要考虑屏蔽的问题。
1.2 热电偶与热电阻的区别

表1 热电偶与热电阻的比较
2. 热电偶的类型和可用模板
2.1热电偶类型
根据使用材料的不同,分不同类型的热电偶,以分度号区分,分度号代表温度范围,且代表每种分度号的热电偶具体多少温度输出多少毫伏的电压,热电偶的分度号有主要有以下几种。

表2 分度号对照表
2.2可用的模板CPU类型模板类型支持热电偶类型

表3 S7 300/400 支持热电偶的模板及对应热电偶类型
3. 热电偶的补偿接线
3.1 补偿方式
热电偶测量温度时要求冷端的温度保持不变,这样产生的热电势大小才与测量温度呈一定的比例关系。若测量时冷端的环境温度变化,将严重影响测量的准确性,所以需要对冷端温度变化造成的影响采取一定补偿的措施。
由于热电偶的材料一般都比较贵重(特别是采用贵金属时),而测温点到控制仪表的距离都很远,为了节省热电偶材料,降低成本可以用补偿导线延伸冷端到温度比较稳定的控制室内,但补偿导线的材质要和热电偶的导线材质相同。热电偶补偿导线的作用只起延伸热电极,使热电偶的冷端移动到控制室的仪表端子上,它本身并不能消除冷端温度变化对测温的影响,不起补偿作用。因此,还需采用其他修正方法来补偿冷端温度变化造成的影响,补偿方式见下表。

表4 各类补偿方式
3.2各补偿方式接线
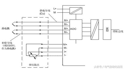
3.2.1内部补偿
内部补偿是在输入模板的端子上建立参比接点,所以需要将热电偶直接连接到模板的输入端,或通过补偿导线间接的连接到输入端。每个通道组必须接相同类型的热电偶,连接示意图如下。

表5 支持内部补偿的模板及可接热电偶个数

图2 内部补偿接线
注1:模板6ES7 331-7KF02-0AB0和6ES7 331-7KB02-0AB0需要短接补偿端COMP+(10)和Mana(11),其它模板无。
3.2.2 外部补偿—补偿盒
补偿盒方式是通过补偿盒获取热电偶的参比接点的温度,但补偿盒必须安装在热电偶的参比接点处。
补偿盒必须单独供电,电源模块必须具有充分的噪声滤波功能,例如使用接地电缆屏蔽。
补偿盒包含一个桥接电路,固定参比接点温度标定,如果实际温度与补偿温度有偏差,桥接热敏电阻会发生变化,产生正的或者负的补偿电压叠加到测量电势差信号上,从而达到补偿调节的目的。
补偿盒采用参比接点温度为0℃的补偿盒,推荐使用西门子带集成电源装置的补偿盒,订货号如下表。

表6 西门子参比接点的补偿盒订货数据

图3 S7-300模板支持接线方式
图3 类型:热电偶通过补偿导线连接到参比接点,再用铜质导线连接参比接点和模板的输入端子构成回路,同时由一个补偿盒对模板连接的所有热电偶进行公共补偿,补偿盒的9,8端子连接到模板的补偿端COMP+(10)和Mana(11),所以模板的所有通道必须连接同类型的热电偶。

图4 S7-400模板支持接线方式
图4 类型:模板的各个通道单独连接一个补偿盒,补偿盒通过热电偶的补偿导线直接连接到模板的输入端子构成回路,所以模板的每个通道都可以使用模板支持类型的热电偶,但是每个通道都需要补偿盒。

表7 支持外部补偿盒补偿的模板及可接热电偶个数
3.2.3 外部补偿—热电阻
热电阻方式是通过外接电阻温度计获取热电偶的参比接点的温度,再由模板处理然后进行温度补偿,同样热电阻必须安装在热电偶的参比接点处。

图5 S7-300模板支持方式
图5类型:参比接点电阻温度计pt100的四根线接到模板的35,36,37,38端子,对应(M+,M-,I+,I-),可测参比接点出温度范围为-25℃到85℃,

图6 S7-400模板支持方式
图6类型:参比接点电阻温度计的四根线接到模板的通道0,占用通道。
以上这两种方式,参比接点到模板的线可以用铜质导线,由于做公共补偿,只能接同类型的热电偶。

表8 支持热电阻补偿的模板及可接热电偶个数
3.2.4外部补偿—固定温度
如果外部参比接点的温度已知且固定,可以通过选择相应的补偿方式由模板内部处理补偿,组态设置详见下章节。 表9支持固定温度补偿的模板及可接热电偶个数
从上表可以看出,300的模板只支持参比接点的温度为0℃或50℃两种,而400的模板支持可变温度范围,且范围大。
3.2.4混合补偿—热电阻和固定温度补偿
另外,除单独补偿方式外,可以使用相同参比接点给多个模板,通过电阻温度计进行外部补偿,S7-400的模板支持这种方式,补偿示意图如下。

图7 混合外部补偿
补偿过程:如图所示,模板2和1 有公共的参比接点,模板1进行外部电阻温度计补偿方式,由CPU读取RTD的温度,然后使用系统功能SFC55(WR_PARM)将温度值写入到模板2中,模板2选择固定温度补偿的方式。
SFC55只能对模板的动态参数进行修改,模拟量输入模板的静态参数(数据记录0)和动态参数(数据记录1)的参数及数据记录1的结构如下:

表10 S7-400模拟量输入模板的参数

图8 S7-400模拟量输入模板的数据记录1的结构
以6ES7 431-7QH00-0AB0 模拟量输入模板为例,程序块SFC55调用:

图9 SFC55系统块调用
当M0.0上升沿使能时,将写入的参数从MB100~MB166传递到输入地址为100开始的模板,修改其数据记录1的参数,同时也将参比接点的温度也写入模板的设定位置。

表11 各参数的说明
4. 热电偶的信号处理方式
4.1 硬件组态设置
首先要在硬件组态选择与外部补偿接线一致的measuring type(测量类型),measuring range(测量范围),reference junction(参比接点类型)和reference temperature(参比接点温度)的参数,如下各图所示。

图10 S7-300模板测量方式示意图

图11 S7-300模板测量范围示意图
对于S7-300的模板,组态如图10和11所示,只需要选择测量类型和测量范围(分度类型),补偿方式包含在测量类型中。比如: 参比接点固定温度补偿方式,测量类型选择 TC-L00C(参比接点温度固定为0℃) 或 TC-L50C(参比接点温度固定为50℃),再选择分度类型,组态就完成。

图12 S7-400模板组态图1

图13 S7-400模板组态图2

表13 测量方式各参数的说明及处理
注:测量方式中:I :内部补偿,E:外部补偿,L:线性处理。
对于S7-400的模板,组态如图12和13所示,测量类型中选择TC-L方式,测量范围中选择与实际热电偶类型一致的分度号,参比接点的选择。比如:参比接点固定温度的方式,测量类型和测量范围选择完后,在参比接点选择ref.temp(参考温度),然后在reference temperature框(参考温度)内填写参比接点的固定,组态就完成,或者是共享补偿方式,可以用SFC55动态传输温度参数。

表12 参比接点参数说明
4.2 测量方式和转换处理

表13 测量方式各参数的说明及处理
注:测量方式中:I :内部补偿,E:外部补偿,L:线性处理。