液压基本回路——由某些液压元件和附件所构成的能完成某种特定功能的回路。
一、方向控制回路
在液压系统中,控制执行元件的启动、停止(包括锁紧)及换向的回路。
1.换向回路
(1)采用二位四通电磁换向阀的换向回路

(2)采用三位四通手动换向阀的换向回路

2.锁紧回路
(1)采用O型中位机能的三位四通电磁换向阀的锁紧回路

(2)采用液控单向阀的锁紧回路

二、压力控制回路
利用压力控制阀来调节系统或系统某一部分压力的回路。压力控制回路可以实现调压、减压、增压、卸荷等功能。
1.调压回路:
功用:使液压系统整体或某一部分的压力保持恒定或不超过某个数值。调压功能主要由溢流阀完成。

2.减压回路 :使系统中的某一部分油路具有较低的稳定压力。减压功能主要由减压阀完成。

3.增压回路 :使系统中局部油路或个别执行元件的压力得到比主系统压力高得多的压力。

4.卸荷回路 :避免使驱动液压泵的电动机频繁启闭,让液压泵在接近零压的情况下运转,以减少功率损失和系统发热,延长泵和电动机的使用寿命。

三、速度控制回路
控制执行元件运动速度的回路,一般是采用改变进入执行元件的流量来实现的。

1.调速回路 :用于调节工作行程速度的回路。
(1)进油节流调速回路:将节流阀串联在液压泵与液压缸之间。

泵输出的油液一部分经节流阀进入液压缸的工作腔,泵多余的油液经溢流阀流回油箱。由于溢流阀有溢流,泵的出口压力pB保持恒定。调节节流阀通流截面积,即可改变通过节流阀的流量,从而调节液压缸的运动速度。
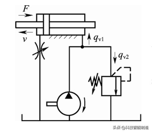
(2)回油节流调速回路 :将节流阀串接在液压缸与油箱之间。

调节节流阀流通截面积,可以改变从液压缸流回油箱的流量,从而调节液压缸运动速度。
(3)变量泵的容积调速回路 :依靠改变液压泵的流量来调节液压缸速度的回路。

液压泵输出的压力油全部进入液压缸,推动活塞运动。改变液压泵输出油量的大小,从而调节液压缸运动速度。
溢流阀起安全保护作用。该阀平时不打开,在系统过载时才打开, 从而限定系统的最高压力。
2.速度换接回路 :使不同速度相互转换的回路。
(1)液压缸差动连接速度换接回路 :利用液压缸差动连接获得快速运动的回路。

液压缸差动连接时,当相同流量进入液压缸时,其速度提高。图示用一个二位三通电磁换向阀来控制快慢速度的转换。
(2)短接流量阀速度换接回路 :采用短接流量阀获得快慢速运动的回路。

图示为二位二通电磁换向阀左位工作,回路回油节流,液压缸慢速向左运动。当二位二通电磁 换向阀油位工作时(电磁铁通电),流量阀(调速阀)被短接,回油直接流回油箱,速度由慢速转换为快速。二位四通电磁换向阀用于实现液压缸运动方向的转换。
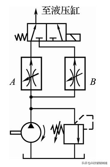
(3)串联调速阀速度换接回路 :采用串联调速阀获得速度换接的回路。

图示为二位二通电磁换向阀左位工作,液压泵输出的压力油经调速阀 A 后,通过二位二通电磁换向阀进入液压缸,液压缸工作速度由调速阀 A 调节;当二位二通电磁换向阀右位工作时(电磁铁通电),液压泵输出的压力油通过调速阀 A,须再经调速阀 B 后进入液压缸,液压缸工作速度由调速阀 B 调节。
并联调速阀速度换接回路 :
(4)采用并联调速阀获得速度换接的回路。
两工作进给速度分别由调速阀 A 和调速阀 B 调节。速度转换由二位三通电磁换向阀控制。

四、顺序动作控制回路
实现系统中执行元件动作先后次序的回路。

采用两个单向顺序阀的压力控制顺序动作回路