用胶盖瓷底的刀开关进行手动正转控制电路

利用铁壳开关手动正转控制电路

采用转换开关的控制电路

用倒顺开关的正反转控制电路

具有自锁的正转控制电路

具有过载保护的正转控制电路

点动与连续运行控制电路

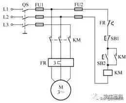
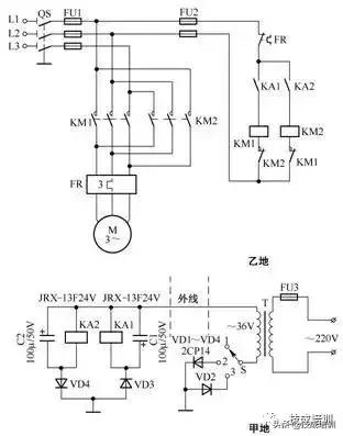
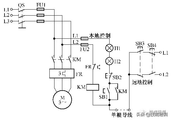
避免误操作的两地控制电路

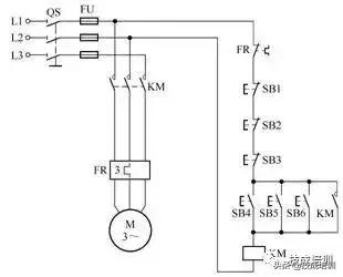
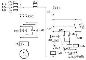
三地(多地点)控制电路

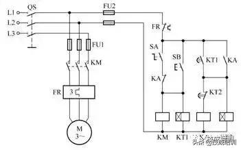
电动机间歇运行电路

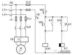
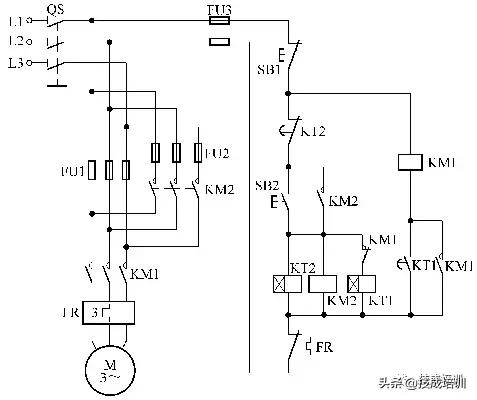
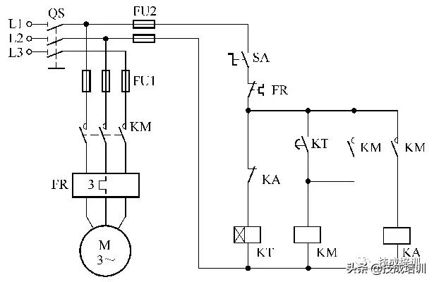
电动机短时间停电来电后自动快速再起动电路

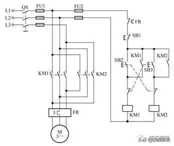
按钮连锁的正反转控制电路

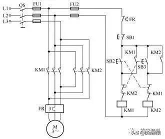
接触器连锁的正反转控制电路

按钮、接触器复合连锁的正反转控制电路

用按钮点动控制电动机启停电路

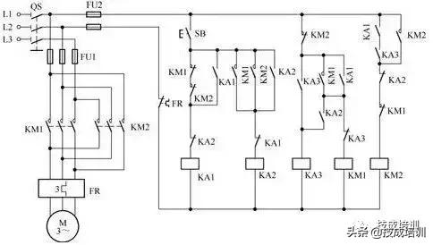
具有三重互锁保护的正反转控制电路

接触器连锁的点动和长动正反转控制电路

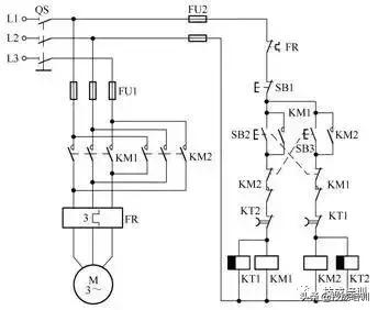
防止正反转转换期间相间短接的三接触器控制电路

用连锁继电器防止正反转转换相间短接的控制电路

单线远程正反转控制电路

仅用一个按钮控制电动机正反转的电路

直流电动机正反转控制电路

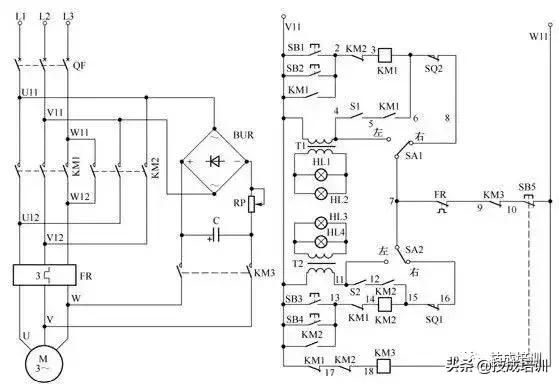
用转换开关预选的正反转启停控制电路

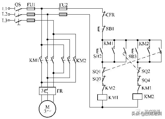
自动往返控制电路

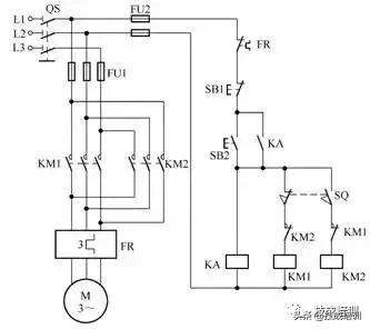
仅用一个行程开关实现自动往返控制电路

带有起动熔丝的起动电路

仅用一个按钮控制电动机启停电路

单线远程控制电动机启停电路

能发出启停信号的控制电路

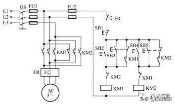
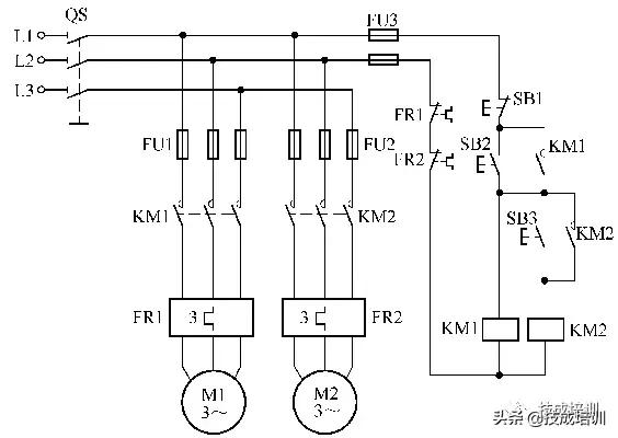
两台电动机按顺序起动同时停止的控制电路

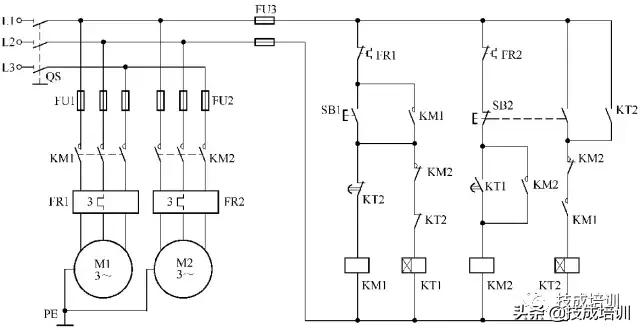
两台电动机按顺序起动分开停止的控制电路

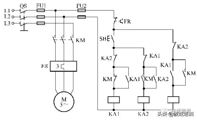
自动切换的两台电动机按顺序起动逆序停止电路

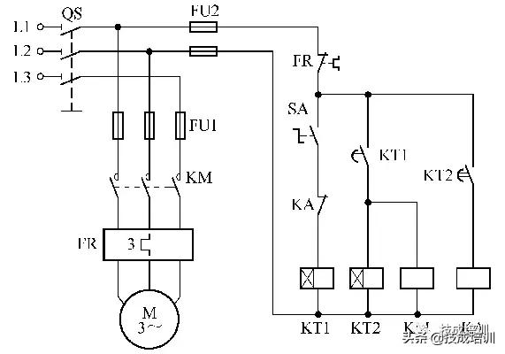
电动机延时开机的间歇运行电路

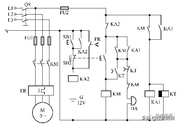
带有报警装置的电动机短暂停电来电后自动再起动电路

电动机长时间停电来电后自动再起动电路

两条运输原料传送带的电气控制电路

多台电动机可同时起动又可有选择起动的控制电路

低速脉动控制电路

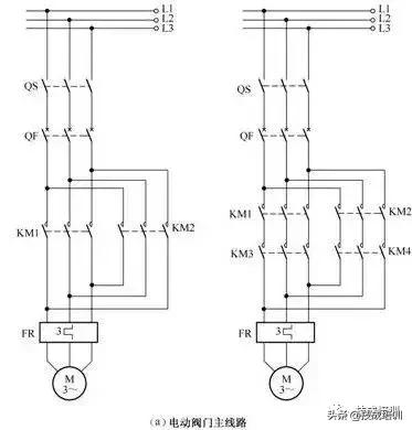
电动阀门控制电路(之一)

电动阀门控制电路(之二)


串励直流电动机刀开关可逆控制电路

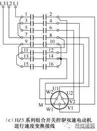
HZ5系列组合开关应用电路




用GYD-16/C型气压开关控制电动机电路

电动葫芦的电气控制电路

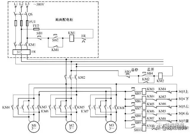
用八挡按钮操作的行车控制电路

来源:网络,版权归原作者,侵删
往期优秀文章回顾:
「RS-485通讯」两个中断的使用,电气PLC必备,通俗易懂!系列8