通过以下各种各样的实用电路,大家可以了解元器件的结构、特性、动作原理及电路的基本控制方式,掌握一些控制规律,这样的话,在日后的电路识图中就能融会贯通,一通百通。
文章中的电路图有难有易,有些图现在可能看不懂,说不定以后就能看懂了,建议大家收藏备用哦!
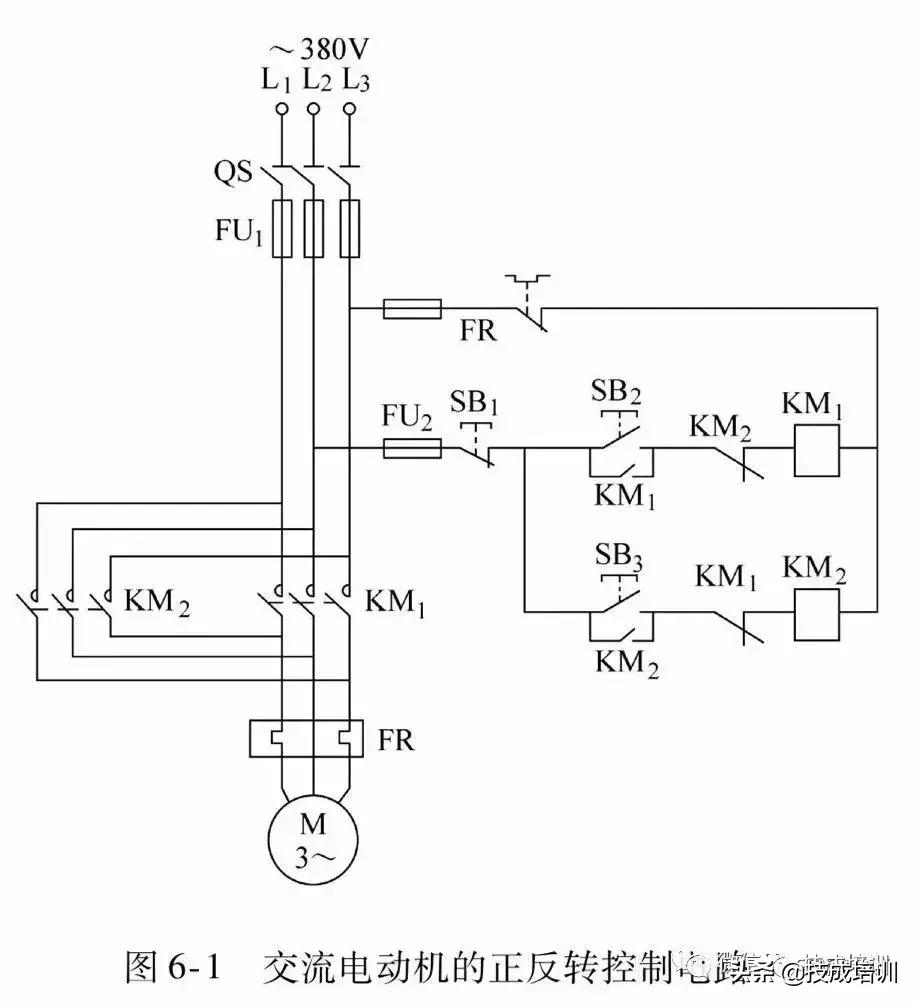
1.三相异步电动机正反转控制电路

2.双重互锁控制电路

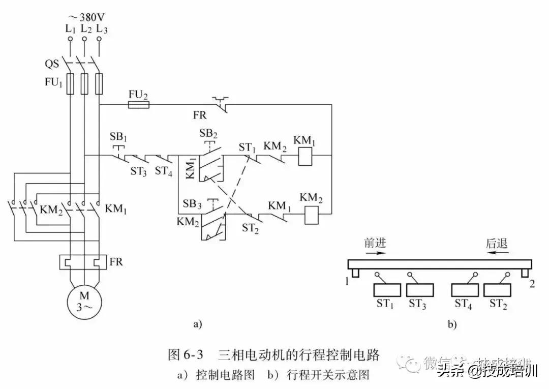
3.三相电动机行程控制电路

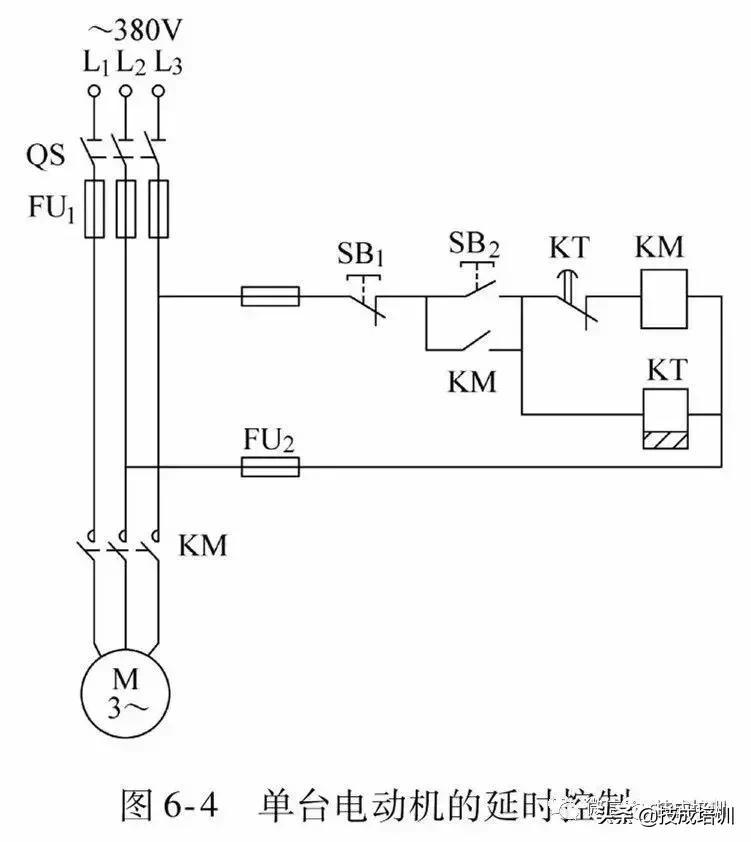
4.三相异步电动机的时间控制电路(延时控制电路)

5.三相异步电动机的制动控制电路(电磁抱闸制动电路、反接制动控制电路、能耗制动控制电路)



6.并联型直流稳压电源电路

7.串联型直流稳压电源电路

8.三端可调式直流稳压电源电路

9.正、负直流稳压电源电路

10.短路全保护声光报警直流稳压电源电路

11.电流测量电路(测量交流大电流)

12.电压测量电路(测量交流高电压)

13.单相有功电能表测量电路


14.三相有功电能表直入式接线图

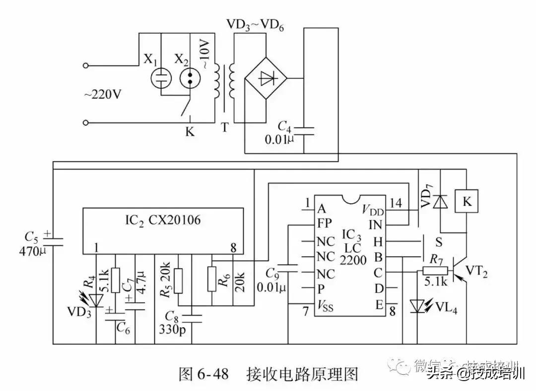
15.信号发生器电路原理图

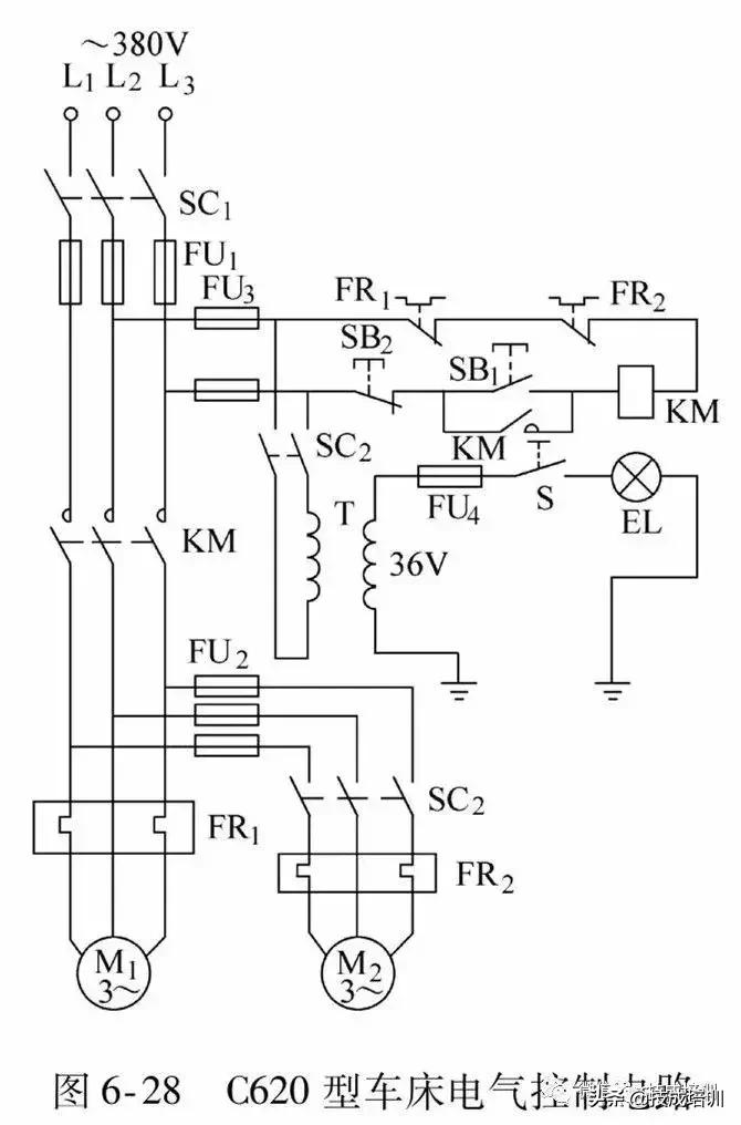
16.C620型车床电气控制电路

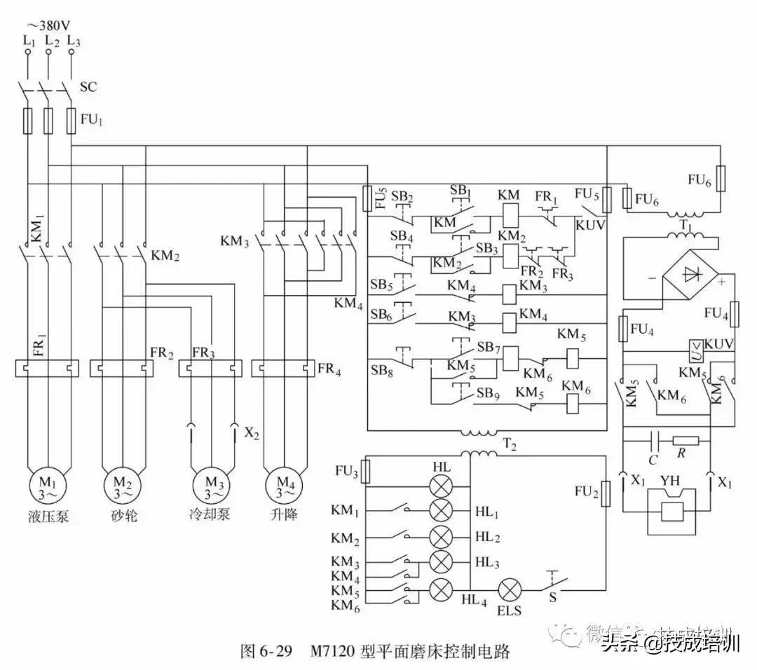
17.M7120型平面磨床控制电路

18.Z35型摇臂钻床控制电路

19.X62W型万能铣床控制电路

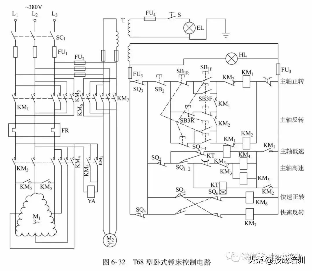
20.T68型卧式镗床控制电路

21.电力传输过程示意图

22.企业变配电一次电路图

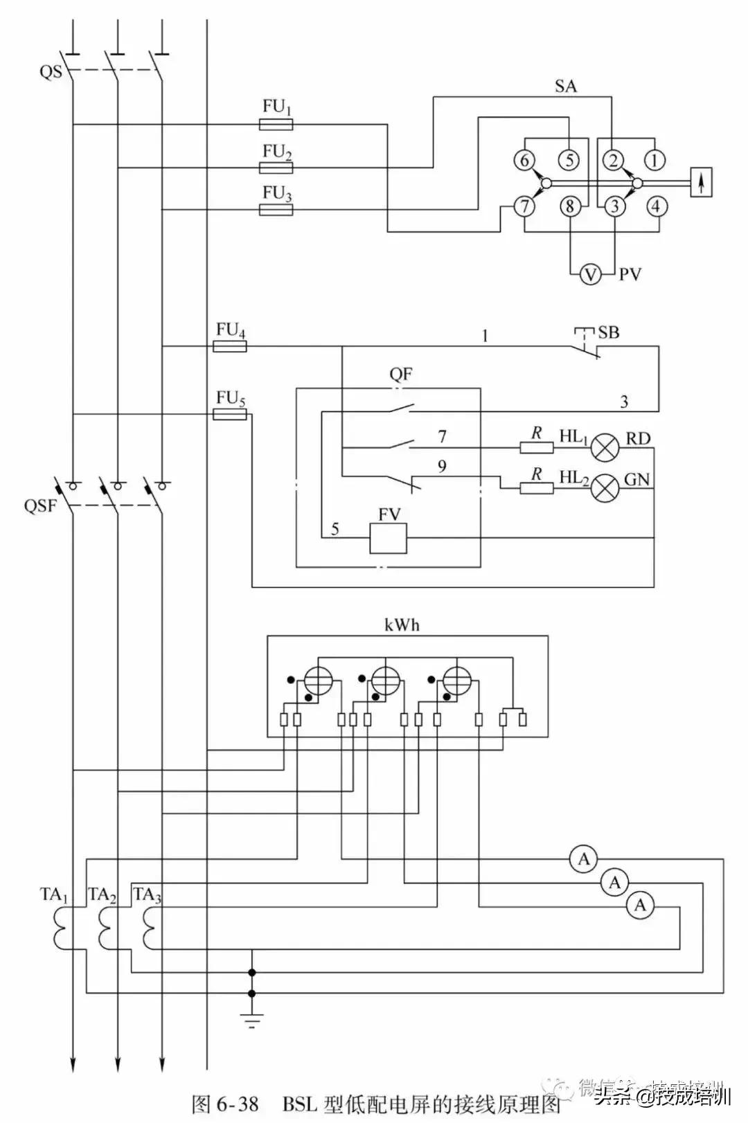
23.低压二次接线原理图(BSL型低压配电屏接线原理图)

24.单相电源三相交流电动机无级调速电路

25.超声波遥控电动机调速电路

26.直流电动机电枢电压调速电路

27.定时调光微光控制照明节电电路

28.喷漆机械手的定位控制电路(步进顺序控制器)


29.家用多路红外遥控电路


30.超声波遥控电路


31.无线电遥控报警电路


32.超声波检测电路

33.人体红外探测器电路

34.六管超外差式晶体管收音机电路原理图



35.光控电灯节电电路

36.声控节电开关电路

37.集光、磁、触摸为一体的节电控制电路(照明开关控制电路)

38.气体烟雾检测报警器电路图

39.湿度测量报警器电路图

40.汽车防盗报警器电路图

41.机器人自动控制系统

42.机器人无线遥控电路(以遥控距离为1000m的三通道IC型无线遥控器为例)


43.传输自动线堵料监视电路

44.自动生产线断料监视电路(光电断料监视电路)

来源:《学习电路图的方法与技巧》
往期优秀文章展示:
西门子软件提示Please restart Windows before installing咋办?