LED手电筒以其发光效率高、耗电量小、寿命长,受到千家万户的青睐。这里介绍一种只用一节1.5V干电池供电的超高亮度LED发光电路,把它安装到普通两节5号干电池供电的手电筒内,可将普通手电筒改造升级为高效省电的LED手电筒。
由于电路所采用的自激振荡反激式直流变换器,其原理与照相机电子闪光灯、荧光灯电子镇流器等电路的原理有一定的相通之处,读者通过完成这一制作,对于上述电路的学习也会有一定的帮助。
弄懂工作原理
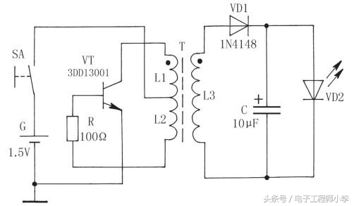
高效省电的LED手电筒电路如图8-1所示。整个电路仅用了一节1.5V干电池G供电,由于白色发光二极管VD2的导通电压通常为2.8~3.6V,要想用一节1.5V干电池G直接去点亮是根本不可能的事情,所以必须得采用中间环节——直流升压电路,只有将1.5V电压升高到3V以上,才能点亮白色发光二极管VD2。

图8-1 高效省电的LED手电筒电路图
升压电路具体由高频脉冲振荡器和整流电路两部分组成。晶体三极管VT、电阻器R、高频脉冲变压器T的线圈L1及L2等构成了高频脉冲振荡器,将干电池G提供的1.5V直流电逆变成为高频脉冲交流电,并经脉冲变压器T升压后从其线圈L3两端输出高频脉冲交流电。该高频脉冲交流电经晶体二极管VD1整流、电容器C滤波后,输出≥2.8V的直流电压,驱动白色发光二极管VD2发光。
实际上,这里的高频脉冲振荡器和整流电路组成了一个典型的自激振荡反激式直流变换器。其具体的工作过程是:闭合电源开关SA,干电池G通过线圈L2和电阻器R向晶体三极管VT提供基极电流Ib,VT开始导通,集电极电流IC增大。由于线圈L1(注意:线圈旁边的黑点表示同名端)串接在VT的集电极回路中,电感中电流不能突变,所以IC开始按指数规律上升,线圈L1上的电压极性为上负下正。随着线圈L1中的电流逐渐增大,脉冲变压器T的磁通亦增大,这会在线圈L2中感应出上负下正的电压,这个电压使得VT的Ib进一步增大,导致IC又进一步增大。如此形成强烈正反馈,引起“雪崩”过程,VT会迅速进入饱和导通状态(饱和条件:β×Ib>IC)。这时线圈L3中亦会感应出上负下正的电压,因整流二极管VD1不能导通,电源能量将转变成为电磁能,而暂时存储在脉冲变压器T中。
VT进入饱和状态后,由于线圈L1中的电感电流不能突变,IC仍将按指数规律上升(接近线性上升),虽然线圈L2上的感应电压亦有所增加,但此时的IC已不受Ib控制。这时会出现两种情况:一种是VT的IC达到最大值后开始减小,线圈L2上的感应电压亦开始减小,导致Ib由增大逆变减小;另一种是当VT的IC上升到一定值后,脉冲变压器T的磁通趋向饱和,磁通增大减慢,导致线圈L2上的感应电压开始减小,使得VT的Ib亦开始减小。其结果,都会导致β×Ib≤IC。于是,VT开始退出饱和,IC减小,T中磁通也减小,线圈L2会感应出上正下负的电压(正好与前面相反)。这个电压反而使VT的Ib进一步减小,导致IC又进一步减小,如此又形成强烈正反馈,引起“雪崩”过程,导致VT迅速进入截止状态。VT截止后,T中存储的磁能只能通过线圈L3释放,在L3两端感应出较高的上正下负电压,使整流二极管VD导通,向电容器C充电,并在其充电电压超过发光二极管VD2的正向压降时,驱动VD2点亮发光。显然,电磁能又被变换成为电能。
由上可知,脉冲变压器T还具有储能作用。当脉冲变压器T中存储的磁能释放后,电路工作状态又回到初始状态,如此周而复始,便完成了升压任务。由于晶体三极管VT始终工作在高速开关状态下,其本身基本不消耗电源能量,所以这个升压电路的效率较高。
准备好元器件
本制作仅用了8个元器件,采购清单见表8。
表8 元器件清单

续表

晶体管VT选用小功率电子镇流器中常用的3DD13001(集电极最大允许电流ICM=0.2A,集电极最大允许功耗PCM=0.75W)或MJE13001(ICM=0.3A,PCM=0.7W)、DK50 (ICM=0.2A,PCM=0.75W)型硅NPN小功率高压高速开关三极管,其外形(均为TO-92封装)及引脚排列如图8-2所示,要求电流放大系数β>20。读者如果一时购买不到这种三极管,也可从小瓦数(7~13W)废旧荧光灯电子镇流器中拆取,但要注意检查好坏。

图8-2 小功率电子镇流器常用三极管
VD1用1N4148型硅开关二极管,如果选用FR101~FR107型快速恢复整流二极管,则效果更好;VD2宜用φ5~10mm、最大工作电流≥60mA的散射型超高亮度白色发光二极管,其正向工作电压为2.8~3.6V,额定功耗≥0.2W,外形和引脚极性识别方法跟普通发光二极管完全一致。
脉冲变压器T需自行绕制:首先,按照如图8-3左边所示,准备一个尺寸约为φ10mm×6mm×5mm、PC40材质(TDK)的磁环,或者是R2KB1、JP4等相当于PC40材质的磁环。如果不容易购买到,可从废旧荧光灯电子镇流器(节能灯)、废旧电脑开关电源或者废旧电脑主板上拆取高导磁率的磁环直接代替,一般均可满足要求。但应注意,所选磁环一定是高导磁率材质的,并且不可太小,否则线圈不容易绕下。然后,按照如图8-3右所示,取单股铜芯塑皮电线绕10匝,在6匝处抽头,分别作为线圈L1(6匝)和L2(4匝),另用同样电线绕10~12匝,作为线圈L3。单股塑皮电线若不好绕,也可用φ0.5mm左右的高强度漆包线绕制,则效果更佳。

图8-3 脉冲变压器的制作
R用RTX-1/8W型碳膜电阻器,标称阻值为100Ω。C用CD11-25V型电解电容器,标称容量为10μF。SA直接使用欲改造手电筒上原有的手动开关,不再另外配置。G用一节5号干电池,电压1.5V。
制作与使用
图8-4所示为该LED手电筒的印制电路板接线图。印制电路板实际尺寸约为50mm×14mm,可用刀刻法制作。注意:印制电路板上所焊元器件的高度不得超过12mm,以便于下一步的安装。

图8-4 LED手电筒印制电路板接线图
焊接好的电路板,装入欲改造的两节5号干电池供电的普通3V小电珠型手电筒内。由于印制电路板的长、宽尺寸,有意取了5号干电池的高、直径尺寸,所以焊接好元器件的电路板,可直接安装到手电筒内省去一节5号干电池的腾空位置处。注意:电源开关SA直接使用手电筒原有的手动开关。发光二极管VD2安装到手电筒原有小电珠的位置,要求其发光芯正好处于原小电珠的灯丝位置(即反光罩的聚光中点)处,以确保聚光性能良好。发光二极管VD2在调整好固定位置后,可用热熔胶进行粘固,以防止使用中位置发生变动。图8-5所示是一种典型塑料外壳手电筒的具体改造安装方案。由于所改造手电筒并不完全一致,所以读者在改造时应具体问题具体对待,灵活设计最佳方案,切忌生搬硬套。

图8-5 一种LED手电筒的装配图
装配好的LED手电筒,只要元器件质量有保证、焊接没有问题,一般不需任何调试,便可投入使用。接通电源开关SA,发光二极管VD2即会发光。这时,如果将一台便携式AM收音机靠近电路板旁边,就会听到“吱……”的干扰啸叫声,说明振荡电路工作正常。在闭合电源开关SA的条件下,将指针式万用表(如MF50型)拨至直流250mA电流挡,红、黑表笔分别接在打开后盖的手电筒弹簧和干电池G的负极(两者暂时分离),测出电路总电流在100mA左右,即属于正常。如果电流读数偏大,有可能是晶体三极管VT的电流放大系数β太小,或者是脉冲变压器T的磁环选择不合格,可通过替换法予以排除。如果发现手电筒射出的聚光亮点有偏差或聚光效果不佳,可通过适当调节发光二极管VD2的位置加以改善。
电路调试时注意,不可在没有接通发光二极管VD2的情况下贸然接通电源,因为晶体三极管VT截止时能在线圈L3两端产生较高的电压,使电容器C两端的空载电压高达40~50V,会造成电容器C的击穿。
由于该LED手电筒在正常工作时总电流为100mA左右,所以用电比较节省。通常情况下,每换一节5号干电池,可供电照明达3(普通干电池)~12h(碱性干电池)。