目前工程常用的微机保护装置针对不同一次设备可以灵活配置不同的保护功能,可以实现 35kV 及以下电压等级变配电站保护测控功能,适用于线路、母联、配电变压器、高压电动机、高压电容器等设备的保护和自动控制功能。不同的微机保护测控装置集保护、测量、控制于一体,应用领域覆盖电 力、水利、交通、石油、化工、煤炭、冶金等行业。厂家均采用先进成熟可靠的保护原理和算法,抗干扰性能强,可靠性高,保护实现方式灵活,通讯采用冗余设计。装置具备独立的高精度电流测量回路,开关量采集和继电器输出,而且能与电力监控软件配合,可以实现无人值班的终端用户变电站配电自动化系统。

接下来,我们就以安可瑞的AM5系列产品为模板,仔细了解它。

AM5
一、微机保护测控装置如何选型和注意要点

10kV一次系统图
上图是10kV双电源变电所单母线分段一次系统图,系统平时母联断路器常合,由1#进线供电;当1#进线失电,备自投检测到1#进线无流,1#进线无压,2#进线有压,备自投跳开1#进线,合2#进线,由2#进线带全部一级、二级和部分三级负荷。1AH2、1AH1与2AH2柜三个断路器只允许同时合二个。系统根据需要选择开启或关闭自投功能,自动投入装置保证只动作一次。自动投入装置动作,如电源投入到故障时,应使其保护加速动作。事故跳闸与手动断开电源时,自动投入装置不动作。本图中进线柜、出线柜、计量柜、母联柜、提升柜按上触头、下触头、母排、电缆接头等处共计12点测温点配置,PT柜按母排处共3点测温点配置。无线测温传感器选用电池式传感器。

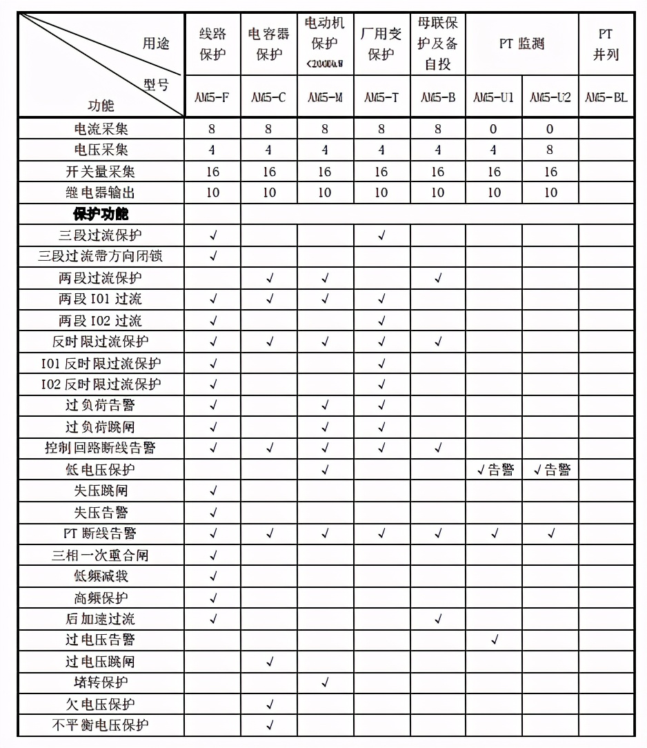
微机配置图
上图就是其中几个柜体要求配置的微机保护装置的功能;

选型表
选型的备注:
1、“*”表示可选附件,需要另外增加费用。
2、操作电源如果选择DC48V,防跳盒不可选,须断路器自带防跳功能;如果选用交流防跳,请备注交直流通用防跳。
AM5订货范例 例1:用途:本段PT保护 操作电源:DC220V 防跳盒:不配防跳盒根据选型表,确定型号为:AM5-U1 552221
例2:馈线用途:10kV变压器保护 电流输入:5A 零序电流输入:1A操作电源:DC220V 防跳盒:需配置 根据选型表,确定型号为:AM5-T 512211
不同的厂家微机选型都会有注意要点,厂家也会和用户以及设计单元去确认技术参数。下表就是不同装置的功能配置表。其中选型时的要点:
1)工作电源额定电压:AC/DC 220V,或 AC/DC 110V,或 DC 48V
范 围:额定电压×(1±20%),功 耗:≤10W (直流)
我们需要确认好微机保护装置的工作电源是哪种?常用高压系统由直流屏DC220V供电,所以选型按DC220V电源;
2)输入激励电压: 额 定 值:AC 100V 或 100/ 3 V ,测量范围:1~120V ,准 确 度:±0.5% ,过载能力:1.2 倍额定电压,连续工作等;
我们需要确认好系统PT电压互感器二次输出电压是否为AC100V,剩余电压监测值为AC57V,一般常用输入都为AC100V。
3) 输入激励电流(保护电流):额 定 值:AC 5A 或 1A ,测量范围:0.04In~15In ,过载能力:2 倍额定电流,连续工作等;
我们需要确认好系统电流互感器二次输出电流是否为5A,110kV变电站二次电流是1A,一般常用10千伏的系统输入都为5A。
4)开关量输入 :额定电压:AC/DC 220V,或 AC/DC 110V,或 DC 48V
电压范围:额定电压×(1±20%)
开关量的输入电压就和工作电源保持一致DC220V,但是有些特殊的应用过有DC48V的,这个是注意的要点。以变压器保护为例,微机AM5-T它除了采集常规的断路器的状态点,手车点以外,还需要变压器轻瓦斯,重瓦斯,高温超高温等开入量。

保护功能配置

开入量配置
5) 开出就是继电器输出口,通过微机实现跳闸保护。执行保护跳断路器,功能是标准配出。

开出量配置
二、微机保护装置的接线方式和应用
1、微机保护装置电气接线图及端子简介

变压器保护电气接线图
电气接线图如图所示,包括交流量接线、开入开出接线、通讯接线和辅助 电源接线等。 端子 X1 为交流量接线,Ia、Ib、Ic 为保护相电流,IA、IB、IC 为测量相电流,I01、 I02 为两路零序电流接入。U1、U2、U3 为三路电压接入,U4 为外接零序电压接入。交流回路一般都采用三相四线制接线。X5 为标配的开入接线端子,共有 16 路输入,分为 4 组,每组有一公共端。X6 为标配的开出接线端子,共有 10 路电磁式继电器无极性接点。X2 为通信端子,共有 2 路 RS485 通信端子和一路 IRIG-B 对时输入端子。X4 为辅助电源端子,交直流均可接入,X4.3 为辅助电源保护地,必须可靠连接大地。
2、微机保护装置在具体工程中的电气原理应用图示
以变压器保护装置AM5-T为例
1)交流电流回路接入

电流回路
2)交流电压回路接入

电压回路
3)微机控制回路
断路器通过微机实现防跳功能,分合闸线圈回路通过微机接入控制回路。

防跳回路
4)开入量回路
断路器的分合闸状态点,手车工作位置和试验位置,变压器的温度信号接入,轻重瓦斯信号输入等。

开入量回路
5)开出量回路

输出回路
6)其他通信及信号输出回路

信号异常报警等回路

通信回路
三、微机保护装置的调试
所有保护功能在调试过程中,当保护跳闸时,装置面板上“保护动作”指示灯点亮,对应继电器和跳闸信号继电器出口,液晶上显示相应事件记录信息;当保护告警时,装置面板上“告警”指示灯亮,告警信号继电器出口,液晶上显示相应事件记录信息。
微机保护在发展到现在,微机保护无论从产品的质量上和技术上都有了一定的提高。微机保护装置在电站的二次设备中占有非常重要的位置。对变配电所的一次设备,如变压器、电容器、开关柜等一次设备的安全运行起到了安全保障作用。微机保护厂家很多,但是微机保护的大概结构都相似。对于微机保护来讲在现场中除了按照要求做实验之外,还需要设置保护定值。这是非常关键的。也是微机保护投运前的最后一个步骤。

定值调试表
至于在现场的实际应用中的调试和试验等,大家可以参照厂家的产品手册等。也可以咨询厂家的技术支持。
感谢支持,欢迎关注我!