施工升降机(人货电梯)安装专项施工方案
一、编制说明、依据
1.1编制说明
施工升降机(人货电梯)安装专项施工方案应用于滁州市和顺·东方花园一期工程,在编制过程中,充分考虑本工程的施工特点及相应的施工规范要求。按照国家现行的有关规范、规程、规定及标准进行编写。
1.2编制依据
1、《建筑施工升降机安装使用拆卸安全技术规程》JGJ215-2010
2、《建筑机械使用安全技术规程》JGJ33-2012
3、《起重机械安全规程》GB6067-2014
4、《建筑施工高处作业安全技术规范》(JGJ80-2016)
5、《建筑施工安全检查标准》(JGJ59-2011)
6、《高空作业机械安全规则》JG5099-1998
7、《建筑施工扣件式钢管脚手架安全技术规范》JGJ130-2011
8、《施工现场临时用电安全技术规范》JGJ46-2005
9、《建筑起重机械安全监督管理规定》 建设部令第166号
10、《建筑施工特种作业人员管理规定》 建质[2008]75号
11、中联重科股份有限公司关于SC200/200施工升降机的说明书
12、施工图纸
二、工程概况
2.1工程情况、特点
本工程位于滁州市南谯区东坡路与仁和路交叉口东北侧,共12个单体,包括:住宅楼D1#、D2#、D5#-D7#、D10#-D12#、9#、10#楼,商业楼S2#楼及地下车库,总建筑面积为105168.69m2,基础形式:独立基础、筏板基础、桩基础;桩采用高强预应力管桩。
9#、10#楼计划各使用1台SC200/200施工升降机(位置详见平面位置图),其他单体因高度较低,拟采用井架作为垂直运输工具。
9#楼基础在室外回填土上、10#楼安装在地下车库顶板上,车库顶板为250mm厚C35钢筋砼,经计算,顶板自身不能承受电梯的荷载,采取在顶板下设钢管支承体系,以使荷载通过钢管支承体系传至车库底板上。
2.2有关施工环境、地质、水文、气候
1、滁州市地处及之间丘陵地带,为北亚热带湿润季风气候,四季分明,温暖湿润,气候特征可概括为:冬季寒冷少雨,春季冷暖多变,夏季炎热多雨,秋季晴朗气爽。全市年平均气温15.4℃,年平均最高气温20.1℃,年平均最低气温11.4℃,年平均降水量1035.5毫米。长23天。年日照总时数2073.4小时。初霜为11月4日,终霜为3月30日,年无霜期210天。
2、岩土勘察报告,施工场地地层自上而下依次可分为:
①层杂填土(Qml)--灰色、灰褐色,湿~饱和,松散。以粘性土为主,局部含建筑垃圾。水塘底部含0.4~0.8m的淤泥质土。该层层厚0.50~11.60m,层底标高为16.17~26.45m。
②1层粉质黏土(Q3al+pl)--褐黄色,可塑状,含铁锰结核、铁锰氧化物,局部含高岭土。该层层厚0.50~5.70m,层底标高为14.83~21.76m。
②层黏土(Q3al+pl)--褐黄色、灰褐色,硬塑~坚硬状,含铁锰结核、铁锰氧化物。该层层厚2.10~10.70m,层底标高为10.87~17.14m。
③层黏土夹卵石(Q3al+pl)--褐黄色,硬塑~坚硬状,局部夹有卵石,该层层厚0.30~3.10m,层底标高为9.77~15.41m。
④层强风化泥质砂岩(K2)--浅红色、砖红色,揭露层厚0.50~8.50m。
⑤层中风化泥质砂岩(K2)--浅红色、砖红色,揭露层厚0.70~12.40m。
3、场地地下水分布及类型
上层滞水赋存于①层素填土中,该层地下水主要由大气降水渗入及地表径流补给,受大气降水、季节、气候及地形的影响变化较大,以蒸发的方式排泄,该层地下水水量较小。稳定地下水位埋深为0.60~3.20m,相应的稳定地下水位标高为22.61~25.82m。地下水水位年变化幅度约1.0~2.0m。
微承压水赋存于③层黏土夹卵石、④层强风化泥质砂岩及⑤层中风化泥质砂岩中,主要接受其它含水层的侧向补给。该层地下水稳定水位埋深为4.60m,相应的稳定地下水位标高为19.34m。地下水水位年变化幅度约1.0~2.0m。
三、施工总体布置
3.1组织体系与责任分工
3.1.1组织体系
项 目 组 织 机 构 图
3.2施工安排及主要施工方法
根据工程结构布置形式和现场场地情况,计划9#楼将施工升降机布置在南侧,10#楼布置在北侧。中线离建筑物距离为3.3米。一至二层采用室外落地式接料平台,二层以上采用悬挑式接料平台(详见附件)。悬挑架采用16#槽钢,并采用φ14钢丝绳把悬挑槽钢与建筑物拉结。。
3.3资源安排与保证
因本工程工期紧,因此计划提前浇筑混凝土基础,做好养护工作。在施工至11层时,浇筑混凝土基础,混凝土强度满足要求即开始安装。
3.3.1人员投入计划
1)、专职安全员2名
2)、吊车司机1名,指挥1名,电工1名,安装工6名。
3.3.2施工电梯装设备、工具、辅助材料计划
3.4施工进度计划
本工程计划安装时间为2017年4月。主体施工至12层以后时安装。
四、施工技术方案
4.1有关技术参数
SC200/200性能参数表
本施工升降机为中联重科股份有限公司生产的SC200/200型施工升降机,是一种靠齿轮齿条驱动的垂直运输机构。适用于高层建筑、电视塔、桥梁等工程的施工,是垂直运送建筑材料和人员上下的高效率施工机械。该机械性能稳定,安全可靠,不用另设机房、井道,拆装方便,搬运灵活,提升高度大,运载能力强等特点。
该施工升降机的传动机构主要是由电动机、联轴器、减速轮、齿轮、背轮装置在传动底板上组成。传动机构安装在吊笼的减震支架上,齿轮与导架上的齿条相啮合,齿轮与涡轮减速器的输出轴用花键联接,由鼠笼式感应电动机驱动。电机内装有电磁圆盘式制动器。
当吊笼以正常运行速度的1.5倍下坠时,防坠安全器动作而将吊笼停住,保证施工安全。
防坠板上还装有上、下限位开关和三相极限开关,可安全可靠地防止吊笼出现撞底、冲顶危险。
本施工升降机无对重系统,其额定载重量为1000公斤。但载人时为安全起见不得超过9人。
4.2实施步骤、流程与关键点施工方法
4.2.1施工前准备工作
1、根据工程场地及周围环境的实际情况,确定好施工升降机安装位置。
2、根据施工升降机基础图,按要求做好基础,详见设计方案,做好接地装置,提供砼强度报告和隐蔽资料及基础验收资料。
3、准备好吊装设备。根据工程的实际情况,选择适当的起重设备进行吊装。安装人员负责机械设备的装卸车,带好电焊机等安装工具。
4、安装前检查基础是否符合要求,检查必要的安装工具、安全防护用具和施工升降机个部件是否齐全。
5、组织有关人员做安装前的安全技术交底,使参与安装工作的有关人员熟悉该工程的慨况、安装方案及安装工程中应注意的事项。
6、划出安装警戒区域,并派专人监护。
4.2.2实施步骤
1、基础施工
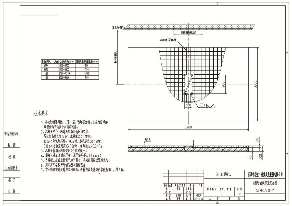
9#楼的人货电梯基础基层为基坑回填土。回填土分层夯实后,经触探检测承载力满足设计要求≥0.1MPa后,浇筑C15混凝土垫层。如基坑回填土承载力不符合要求,可按500mm一道设置杉木桩,梅花型布置。杉木桩长6米,桩底标高低于9#楼基础垫层标高,进入持力层,满足承载力要求。人货电梯基础为钢筋混凝土平台,上置支承导轨架的外笼,按照"SCD200/200施工电梯基础图"的要求在安装现场浇注而成,基础平面尺寸为3.8m×6.2m,基础配筋为直径12mm的双层双向三级螺纹钢筋,使用C35混凝土浇筑。
10#楼的人货电梯基础在地下室顶板上,基础设计及施工方法同9#楼。
2、底笼安装
(1)将底架调运到准备好的混凝土基础上,穿上四支M24的地脚螺栓并旋上螺母,但暂不拧紧。
(2)吊装四个标准节(包括一个底节)到底架上,在装好相应的缓冲弹簧座后用螺栓将标准节与底架紧固。
(3)用钢垫片垫实底架与基础之间的间隙,以调整底架的水平度,并注意底架两立管与建筑物墙面保持平衡,用经纬仪或铅垂线检查导轨架的垂直度,保证导轨架立管在两相邻方向上的垂直度≤1/1500。
(4)实施二次浇灌。待二次浇灌的混凝土达到一定强度后,用350左右N.m的力矩拧紧地脚螺栓。
(5)在底架周围安装左右护栏、后护栏、门框和门等。
3、吊笼、驱动系统、笼顶护栏及吊杆的安装
(1)在围栏底架上放一枕木或其它钢材(高度大于弹簧缓冲装置的高度)。
(2)导轨架顶部站一安装工作人员,指挥和引导吊笼及驱动系统的对准,用起重设备将吊笼从导轨架顶部缓慢放下使吊笼停放在先前的准备的枕木或钢材上,用同样方法吊装另一吊笼。
(3)松开驱动系统上3个电机的制动器,旋紧制动器上的两个螺母,直至制动器松开可随意拔栋制动盘为止;用起重设备将驱动系统从吊笼顶顶部缓慢放下,当驱动系统上连接耳板距离吊笼的连接耳板400mm时,松开驱动系统上3个电机的螺母使其复位,用相同方法将另一个驱动系统吊装就位。
(4)将笼顶护栏的长护栏、短护栏、两端护栏插入到相应插管中,用螺栓将各护栏连接紧固,注意各护栏安装时,有挡板的一端安装在吊笼内侧。
(5)变频调速施工升降机应把电控箱和电阻箱吊装到笼顶,并用螺栓固定在笼顶护栏上。
(6)在地面上将吊杆组装好,用起重设备把吊杆吊装到为并插入吊杆孔;装好后吊杆转动轴应灵活。
4、电气设备和控制系统安装
(1)用接地电阻测试仪测量升降机钢结构及电气设备金属外壳的接地电阻不得大于4Ω;用500V兆欧表测量电动机及电器元件的对地绝缘电阻应不小于1MΩ。为保证接地电阻小于4Ω,建议用户从建筑物的基础钢筋玩中引出角钢(或圆钢)焊接到升降机的基础上,亦可使用原有的合格接地装置。
(2)在升降机完成上述安装过程后,方可进行电力驱动升降试车。接通电源,有专职驾驶员谨慎的操作操纵手柄,使空载吊笼沿着导轨架上下运行数次,行程高度不得大于5m。要求吊笼运行平稳,无跳动,无异响等故障,制动器工作正常,同时,进一步检查各导向滚轮与导轨架的接触情况,齿轮齿条的啮合情况,应分别符合前述要求。空载试车正常后,在吊笼内装入额定载荷,进行带载运行试车,操作方法同上,并检查电动机、减速器的发热情况。
注意:试车时,因为导轨架顶部还没有装上限位碰块,所以操作时必须千万谨慎,且在吊笼顶部有人监视指挥,一面吊笼冒顶。在检查时,必须按下紧急停机按钮或将电锁关闭,以防误动作。
5、附墙架的安装
(1)附墙架的安装应与导轨架的加高安装同步进行,附墙架的吊运方法参照标准节的调运方法。
(2)附墙架间距8.7(三层楼高度)和导轨架最大自由端高度≤7.5M。
(3)墙架与建筑墙面的连接通常,附墙架一端用螺栓与标准节的框架固定,另一端的附墙座用螺栓或焊接方法固定在预先浇注与建筑物内的预埋件上,或者用穿墙螺栓紧固到墙体上。
(4)两附墙点的水平间距1.43m,两附墙垂直间距为8.7m,附墙架的最大水平倾角不得大于±8°,即144:1000。
(5)梯笼中心与附着点的间距为3.5米。
(6)附墙架与建筑物固定采用M24高强度螺栓穿梁固定:
6、导轨架的加高
(1)安装前,将待安装的标准节,以及随同安装的附墙架和电缆导向装置部件置放至围栏旁的地面上。
(2)将吊杆的插头插入安装司机室的插座上,将吊杆的吊钩放下,并钩住标准节吊具。
(3)用标准节吊具钩住一节标准节,带锥套的一端向下,起吊标准节,将标准节吊吊至吊笼顶部并放稳(每次在吊笼顶部最多允许放置三个标准节)。
(4)启动升降机,当驱动系统最顶端接近导轨架顶部时,应点动升降机直至驱动系统最顶端导轨架顶端约300mm左右时停止。
(5)按下紧急停机按钮,防止意外。
(6)吊起一节标准节,在该标准节主弦管接口锥面涂上润滑脂,将标准节吊运至导轨架顶端,对准下面一节标准节的接头孔放下插入,用350N·m的拧紧力矩紧固全部螺栓;重复上述过程,直至导轨架达到所要求的安装高度为止。
(7)导架每加高10m左右,应用经纬仪或其它检测仪器在二个垂直方向上检查一次导轨架整体的垂直度,导轨架安装垂直度偏差要入下表所示,一旦发现超差应及时加以调整。
(8)导轨架安装垂直偏差
轨架安装垂直偏差
注:标准节对接时,确保上、下标准节立柱管对接处的错位阶差≤0.5mm。
7、电动升降试车
(1)电气控制系统接通,并按线号固定好连接螺栓,检查无误后,方可电动升降试车(此时注意线号与线色)。
(2)检查工地进入此设备电源是否正常,用电安全装置是否合理、完善、安全。
(3)在确定符合通电试用条件下打开电源,试用各保护装置是否灵敏有效,同时确定进电源是否错相(根据错相保护器显视),如有错相现场先断开进电源总电源,并派专人看守,把进电源动力线对换一相序。
(4)接通电源,由专职驾驶员谨慎的操作升降机,使吊笼上下运行数次,每次行程高度不得超过3米。
(5)查运行是否平稳,有无跳动、异响,制动器工作是否正常。停机后,对齿轮齿条啮合情况、滚轮与轨道架立柱管的接触情况重新检查、调整。
(6)检查吊笼顶部是否有悬挂物,零部件是否放置平稳,不得露出安全栏外,吊笼启动前再次全面检查,确保升降机运行通道无障碍,消除所有不安全隐患。
(7)空笼试车完成后,再进行安装载重试验。在空笼中装入额定安装载荷,按电机所用工作制,工作1小时,减速器温升不超过60K。
(8)吊笼启动试运行必须在笼顶操作。
(9)运行前,首先保证接地装置与升降机金属结构联通,接地电阻≤4Ω。
(10)坠落试验
施工电梯在全部安装试运转完毕后,立即进行满载坠落试验,在进行坠落试验时,吊笼内不允许有人,要确保试验开始前,电动机所带的制动器工作正常,如吊笼带有对重坠落试验时必须要用上对重。
8、卸料平台搭设(后附计算书)
(1)基础:必须夯实后浇筑C15砼,立杆下应垫50厚200宽垫木。采用Ф4.8×2.8钢管
(2)立杆纵距1.8米,横距1.5米,步距1.8米。
(3)卸料平台垂直偏差不大于0.15‰。
(4)卸料平台操作层采用50厚板铺设,铺设3层,并固定牢固,铺板下小横杆间距300mm。
(5)卸料平台两侧设置防护栏杆,其中1.2米高一道。栏杆下设18cm高踢脚板、并用1.8米高模板封闭。接料口处设置防护门,平台板满铺不留空洞,
(6)搭设前,立杆对接位置要相互错开,不在同一断面上搭设。立杆上的对接扣件应交错布置,严禁搭接。接头错开距离:两根相邻立杆的接头不应设置在同步内,同步内隔一根立杆的两个相隔接头在高度方向错开的距离不宜小于500mm。各接头中心至主节点的距离不宜大于步距的1/3。
(7)卸料平台架的连墙点设置拉撑使牢固可靠,从底层第一步纵向水平杆处开始设置,呈水平设置,当不能水平设置时,向脚手架一端下斜连接。当该处设置有困难时,采用其它可靠措施固定。并层层设置,连墙件与每根靠近楼层的立杆连接。楼层埋留Ф4.8钢管与平台做钢性连接,拉结架体确保平台架整体的稳定性。
(8)卸料平台安装与拆除时,应先划出警示区域用明显标志围护,指定专人负责监护,提醒他人勿入。
(9)安装人员高空作业人员要戴安全帽、系好安全带,逐段安装牢固,并检查无误后方可进行上段架的安装,拆除时应临时脚手架搭设牢固后,才可在其上操作。不得事先拆除连墙点,拆除应与井架拆除同步进行。
(10)高空作业时,严禁将拆除卸下的材料以及工具从高空处往下抛。
(11)卸料平台架搭设完毕后,必须经项目部验收合格后,方可交付使用。
9、悬挑卸料平台搭设
3F~24F搭设悬挑式人货施工升降级卸料平台,第一次在3层悬挑,以后每隔6层(17.4m)已搭设搭设尺寸如下:立杆纵距为1.8m,立杆横距为1.5m,搭设两排,大横杆步距1.8m,采用钢管Ф48×2.8;卸料平台内立杆距离墙体0.1m;连墙件选用钢管Ф48×2.8预埋于混凝土梁预埋;一步一跨布置;布置方式采用:竖向间距3.60m,水平间距2.80m;同时施工2层,脚手板共铺设5层,采用16#工字钢做悬挑梁,悬挑尺寸为1.5m,锚固距离为4.5m。
(1)悬挑梁
①悬挑卸料平台处架体底部与悬挑结构应连接牢靠,不得滑动或窜动。在16#工字钢上翼缘距外挑端100mm和900mm处分别居中焊接两根长度150mm,直径20mm的钢筋作为立杆内胆,然后将立杆钢管套在其上。
②联梁与主梁交接处进行焊接,焊缝应饱满、牢靠。
③悬挑梁尾端在两处及以上固定于钢筋混凝土梁板结构上。在楼面上采用HPB235Φ20 U型钢筋压环进行悬挑梁锚固。
④悬挑梁部位托架端部设1根Φ14mm(6×19)钢丝绳锚固点绕过型钢悬挑梁,钢丝绳斜拉到上一楼层预埋环固定。钢丝绳卡扣不少于3个。
(2)立杆
①两侧施工电梯门位置立杆的纵距为1.8m,中间位置立杆间距为0.8m,横向立杆的间距为1.5m,步距为1.8m;内排立杆距结构边0.2m,外排立杆距施工电梯梯笼0.1m。
②起步立杆长为4.5m和6m(将接头错开),以后均用6m杆。采用对接扣件连接立杆接头,两个相邻立杆接头不能设在同步同跨内;各接头中心距主节点≤600mm。
③最高处立杆顶端高出顶层操作层大于1.5m。
(3)大横杆
大横杆长度为4.5m,布置在立杆内侧,与立杆交接处用直角扣件连接,不得遗漏。
(4)小横杆
贴近立杆布置,用直角扣件扣紧挂于大横杆之上,在任何情况下不得拆除作为基本构架结构杆件的小横杆。每一立杆与大横杆相交处都必须设置一根小横杆,并采用直角扣件扣紧在大横杆上。
(5)剪刀撑
由于架体使用功能的特殊性,为不阻碍施工电梯平台的通行,本方案在楼层正对面两侧不设剪刀撑,通道口两侧的立杆上沿架体通高设置"之"型剪刀撑。
(6)脚手板
作业层满铺九层胶合板,木胶板两端与方木钉牢固。
(7)连墙件
每层靠近立杆位置均需设置连墙件,采用小横杆与预埋在楼层上的钢管用扣件连接(具体详节点图)。
(8)防护
①平台两侧0.6m 和1.2m 处设两道防护栏杆。底部侧面设20cm 高的挡脚板,挡脚板采用冲压钢板,其它部位均用密目安全网进行封闭。
②将防护门安装在靠近施工电梯或井字架侧的立柱上。
悬挑式卸料平台侧面图
4.2.3 10#楼地下车库顶板加固方案
10#施工升降机基础置于地下车库顶板之上,需对地下车库部位进行加固,加固范围4.8m×7.2m。地下车库用φ48×2.8钢管搭设满堂脚手架支撑体系作为加固手段对地下室顶板进行加固,让加固支撑直接对应升降机导轨架位置,加固区域立杆纵距0.6m,立杆横距0.6m,步距1.4m。搭设高度3.15m。顶板下设45mm×95mm方木,用立杆和可调顶托支撑,可调托撑螺杆伸出长度不超过200mm,插入立杆内的长度不小于150mm。脚手架基础为300mm厚C35砼,立杆下铺设50厚木板垫板。架体水平方向设纵横向扫地杆,离地间距200mm,各杆件端头伸出扣件盖板边缘的长度不小于100mm。
剪刀撑设置:架体外侧周边及内部纵横向每5~8m,由底至顶设置连续竖向剪刀撑,剪刀撑宽度为5~8m,剪刀撑杆件的底部应与地面顶紧,夹角为45-60度。(;在竖向剪刀撑顶部交点平面设置连续水平剪刀撑。

顶板加固立面图

顶板加固平面图
4.3检查验收方案
1、施工升降机在安装作业前,应对升降机的各部件作如下的检查:
(1)导轨架、吊笼等金属结构的成套性和完好性。
(2)传动系统的齿轮、限速器的装配精密度及其接触长度。
(3)电气设备主电路和控制电路是否符合国家规定的产品标准。
(4)基础位置和做法是否符合产品的设计要求。
(5)附墙架设置处的混凝土强度和螺栓孔是否符合安装条件。
(6)各安全装置是否齐全,安装位置是否正确牢固,各限位开关动作灵敏、可靠,升降机安装作业环境有无影响作业安全的因素。
(7)安装作业应严格按照预先制定装拆方案和施工工艺要求实施,安装过程中有专人统一指挥,划出警戒区域,并有专人监控。
(8)安装在白天进行,遇恶劣天气应停止作业。
(9)作业人员应按高处作业要求,系好安全带。
2、调试
(1)检查各部连接是否可靠。
(2)传动小齿轮与传动齿间隙是否合符使用标准。
(3)导轮间隙是否合符运行要求。
(4)限速器齿距是否合符运行条件,无异常。
3、运行前班组自检
(1)检查各部螺栓的紧固程度。
(2)根据"润滑部位表"灌注润滑脂、润滑油。
(3)进行试运行工作,调整各限位行程相关及联锁装置。
(4)进行坠落试验。
(5)限速防坠器复位。
3、安全限位安装及试运行
(1)导轨架、附墙架按规定要求,安全逐节提升至施工楼层所需高度。
(2)在吊笼底部安装好下限位碰铁,使其在操作失效情况下能自动切断电源。
(3)在所需导轨架高度上安装防冲顶装置,防止意外发生,同时必须保证上限位开关和极限开关同时有效。
(4)安装好各门限位、外笼门及吊笼的机械联锁装置,并确保所有装置工作可靠。
(5)复查升降机的所有性能是否符合试运行要求,并且按使用说明书批示各润滑部位进行润滑。
(6)在吊笼顶部用上操作盒进行试运行,并逐层检查附墙联接是否可靠,电缆装置是否运行正常,上、下限位控制是否可靠,合理消除所有不安全隐患。
4、验收
施工升降机安装完毕且经调试后,按JGJ215-2010附录了及使用说明书的要求对安装质量进行自检,并向使用单位进行安全使用说明。
安装自检合格后,经有相应资质的检验检测机构监督检验,检验合格后,使用单位应组织租赁单位、安装单位和监理单位等进行共同验收。
自安装检验合格之日起30内,向滁州市建设行政主管部门办理使用登记备案。
(1)资料核查
包括制造单位资料证明(包括总图、主要受力结构件图、机械传动图和电气、液压系统原理图)、产品质量合格证明、型式试验合格证明、制造监督检验证书和主要安全部件的合格证明和型式试验证明以及安装使用维护说明书(包括安装、使用、日常维护和应急救援等方面操作说明的内容)等是否齐全、安装单位资料证明核查(安装资质和许可证明、备案证明、安装许可证明和告知书、安装作业指导书等技术文件和事故应急预案等相关资料)、安装自检报告并检查设备现场安装人员和司机的相应资质证明,是否具有相应的安装防护措施。
(2)作业环境及外观检查
①核查设备外观和结构组成与设备悬挂的产品铭牌是否与该设备的出厂合格证和设计文件相符。
②检查施工升降机运动部分与各层站层门、周围建筑物、设施、输电线路的安全距离是否符合相关标准要求,若现场设备作业条件达不到相应的安装要求,应根据现场实际情况要求安装单位和设备使用单位采取相应的监护使用和防护措施。
③检查安全通道、地面防护围栏是否搭建完善,各层站层门及楼层标识是否符合相关要求。当施工升降机基础下有人能进入的空间或通道时,应设置防护防止人员进入。
④核查施工升降机基础安装。主要包括:隐蔽工程验收记录和基础混凝土的抗压强度检测报告。
(3)金属结构及连接件检验
①检查主要受力部件(标准节、吊笼、导轨架、附墙架等)是否有塑性变形、严重锈蚀和明显裂纹,若存在上述缺陷应要求安装单位进行更换。
②检查金属结构连接焊缝是否有明显焊接缺陷,重点检查标准节、传动系统、吊笼立柱和上下承载梁等重要部件的焊缝连接;检查螺栓联接是否松动,是否有缺件、损坏等缺陷,高强度螺栓是否有足够的预紧力矩;检验销轴联接,着重检查销轴轴端挡片的磨损情况和销轴开口销的安装固定状况。
③导轨架的高度超过最大独立高度时应设有附着装置,检查附墙架金属结构是否完好无损、固定可靠,附墙架间距、附着距离以及安装方式是否符合说明书或设计要求;导轨架轴心线对底座水平基准面的安装垂直度偏差是否符合设计要求(一般用经纬仪测量)。注意检查导轨架自由端高度是否符合设计要求。
④当一台施工升降机的标准节有不同的立管壁厚时,检查标准节是否有标识,标准节安装是否正确;标准节立管壁厚壁厚最大减少量为出厂厚度的25%时,此标准节应报废或按立管壁厚规格降级使用。
(4)传动系统检验
①传动系统应设有工作可靠的常闭式制动器,具有人工紧急下降装置的应符合:如果吊笼装有人工紧急下降装置,则驱动系统的制动器应可人工打开,维持制动器打开所需的作用力不应大于400N;人力移动带有额定载重量的吊笼所需的作用力不大于400N。
②检查传动系统箱体有无可见裂纹等损坏现象,固定是否牢靠,运行有无异常。
③检查齿条固定是否牢靠,齿侧间隙是否符合要求,齿条与齿轮啮合是否良好,相邻两齿条对接是否符合要求。
④检查传动系统有无漏油现象,不允许出现滴油(15min内有油珠滴落为滴油)。
⑤检查滑轮。所有滑轮、滑轮组均应有钢丝绳防脱装置,该装置与滑轮外缘的间隙不应大于钢丝绳直径的20%,且不大于3mm;滑轮应转动良好,无破损、缺陷。滑轮不应有:明显可见的裂纹、轮槽不均匀磨损达3mm、轮槽壁厚磨损达20%、轮槽直径磨损达钢丝绳直径的50%;滑轮表面光滑,无损伤钢丝绳的缺陷。
(5)电气控制系统检验
①电气设备及电器元件检查
②检查施工升降机的接地形式是否为TN-S接地系统,注意金属结构和电气设备上的金属外壳等均应可靠接地。
③绝缘电阻检查。施工升降机的控制、照明、信号回路的对地绝缘电阻不应小于0.5MΩ,动力电路的对地绝缘电阻不应小于1MΩ。
④短路保护检查。检查电路中是否装有保险丝或断路器。
⑤失压保护检查。检查当供电电源中断时,应能自动断开总电源回路;恢复供电时,不经手动启动操作,总电源不能自行接通。
⑥零位保护检查。检查失压后恢复供电时,是否必须先将控制手柄置于零位后,设备各机构方能启动(自动回零的不用)。
⑦过流(过载)保护检查。注意施工升降机上的每个机构均应单独设置过流(过载)保护。
⑧供电电源断错相保护检查。主要检查断错相保护装置是否被短接或缺失。
⑨检查设有检修或拆装时在吊笼顶部使用的控制盒
对多速升降机只允许吊笼以低速运行,在使用吊笼顶部控制盒时,其它操作装置是否不起作用,但吊笼的安全装置仍起保护作用,控制盒上是否设有非自动复位的急停开关
(6)安全保护装置检验
①检查制动器制动轮有无影响制动性能的缺陷,制动片磨损量是否达到报废标准。
②检查运行机构行程限位器上、下限位开关应灵敏可靠且安装位置应符合规范要求;极限开关应为非自动复位型并应灵敏可靠,上极限开关与上限位开关之间的安全越程不应小于0.15m;极限开关、限位开关应设置独立的触发元件。 ③观察应急断电开关是否设在方便操作的位置,能否切断设备总电源供电,且应为非自动复位。
④检查缓冲器。在吊笼和对重运行通道的最下方安装缓冲器。
⑤检查超载保护装置。超载保护装置应在载荷达到额定起重量的90%时给出清晰的报警信号,并在载荷达到额定起重量的110%前中止吊笼起动。
⑥检查楼层联络装置。
⑦检查报警装置。
⑧检查联锁保护装置。检查施工升降机围栏门、吊笼门、各楼层层门以及紧急出口门的机械连锁和电气连锁保护装置是否动作灵活、可靠。
⑨检查安全钩。应能防止吊笼脱离导轨架和防坠安全器输出端齿轮脱条,安全钩与导轨间隙应合理,不影响设备的正常运行。
⑩检查防坠安全器
检查防坠安全器的铭牌是否与合格证相对应;检查防坠安全器连接有无松动,固定是否可靠;防坠安全器只能在有效的标定期限内使用,安全器的有效标定期限不应超过一年;安全器无论使用与否,在有效检验期满后都必须重新进行检验标定,且其使用寿命为五年;注意当对重质量大于吊笼质量时应加设对重的防坠安全器。
4.4监测监控方案
1、性能试验
(1)空载试验
两吊笼分别进行全行程的空载试验,在升、降过程中应进行不少于2次制动,观察有无制动瞬时滑移现象,每个吊笼运行是否平稳,起、制动是否正常,有无异响,操纵是否灵活、可靠。
(2)额定载荷试验
两吊笼分别装有额定载荷,载荷重心按内偏和外偏布置,各做全行程连续运行30min的试验,每一工作循环的升降过程中进行不少于1次的制动。吊笼应运行平稳、起动、制动正常,无异常响声,吊笼停止时,不应出现下滑现象,在中途再启动上升时,不允许出现瞬时下滑现象。
(3)动载荷试验
两吊笼内均匀布置1.25倍额定载荷,工作行程为全行程,工作循环不得少于3次,每一工作循环的升、降过程中应进行不少于一次的制动,吊笼应运行平稳,起动、制动正常,无异常响声,吊笼停止时不应出现下滑现象。
(4)吊笼坠落试验
进行坠落试验时,通过操作按钮盒驱动吊笼以额定提升速度上升约3~10m。按坠落试验按钮,电磁制动器松闸,吊笼将呈自由状态下落,直至达到试验速度时,安全器动作,测量制停距离并记录。试验结束后重新将安全器复位,对于安全器不能制停吊笼的升降机,应立即停机检修。升降机坠落试验后检查:
①升降机的结构及联接应无任何损坏及永久变形。
②钢丝绳式施工升降机,在载荷均匀分布的情况下,吊笼底板在各个方向的水平度偏差改
变值不应大于50mm/m;
③防坠安全器的制动距离须符合相关要求。
2、检查是否按拆装方案进行作业,安全措施是否到位。如:确定专人统一指挥,划出警戒区域,实施专人监护等。拆卸作业时,严禁将物件从高处向下抛掷。
3、安装作业应在白天进行,若一定要安排在晚间进行的,必须要有足够的照明和相应的安全防护措施。
4、登高作业时,是否按高处作业要求,正确、合理的配备和使用安全防护用品。
5、升降机导轨架提升加节和附壁连接,是安全监控重点之一。导轨架加节安装时,吊笼内只可载两名安装工人和必要的使用工具,因此时尚未安装上限保险,所以必须控制吊笼的上滚轮升至离齿条顶端50cm处;随导轨架的接高,必须按规定进行附壁连接,第一道附壁杆距地面应为4.5-6m左右,以后每隔8.7m(按说明书规定)做一道附壁连接,连接件必须紧固。要随紧固随时调整导轨架的垂直度,每10m偏差不大于5mm。
五、安全管理措施
5.1技术、组织、管理要求与控制措施
1、组织措施
针对工程施工任务重的特点,我部成立了以项目经理为组长,安全科长为副组长的安全生产专项领导小组,确保对各工序施工安全进行有效地控制。施工现场配备专职安全员3人,负责处理安全生产工作。项目部技术人员、各工区负责人、施工班长为兼职安全员,协助专职安全员做好安全生产工作。
专职安全员职责
(1)负责对项目所有施工人员的安全教育工作并作好记录。
(2)对施工现场安全负有认真检查、严格把关、及时上报的责任,对违章指挥、违章作业的行为有权制止,停止其工作并及时向上级报告。
(3)参加分部工程的安全技术措施交底,并检查、督促措施的落实。
(4)作好安全报表、资料的整理上报工作。
(5)协助项目经理贯彻执行国家的安全生产保护方针、政策、法规、标准和企业有关规章制度。
(6)协助项目经理组织开展安全生产目标管理、安全达标等竞赛评比活动,贯彻落实安全措施和计划。
(7)参与对现场临建设施、及施工设备、线路的检查验收工作以及安全防护设施装置的鉴定、推广工作。
(8)监督检查安全设施与劳动保护用品的正确使用与管理。
2、技术措施
(1)安装作业之前,应对作业人员按不同的工种和作业内容进行详细的技术、安全交底。参与装拆作业的人员必须持有专门的资格证书。
(2)升降机的安装作业必须是经当地建设行政主管部门认可、持有相应的装拆资质证书的专业单位实施。
(3)升降机安装后,组织有关部门和专业人员对升降机进行必要的试验和验收。确认合格后应向当地有关行政主管部门认定的检测机构申报,经专业检测机构检测合格后,才能正式投入使用。
3、管理措施
(1)操作者必须持主管部门颁发的操作证上岗,应熟悉本设备技术性能,能熟悉掌握升降机操作,注意及时停机,拉断总闸,严禁冲顶和冲底事故。
(2)安全装置—停层控制必须由专人管理,并进行设试检查,保持灵敏可靠,不能带病运行,一般情况下,每月及暴雨后,需对架体基础、钢丝绳的磨损程度、楔体抱闸、所有锁轴、滚动轮、紧固件、抱闸等易损件和关键部件及立柱倾斜度等进行一次全面检查,发现问题及时维修,不带通病运行。
(3)司机酒后或患病时不得操作。司机禁止与他人闲谈或做其它动作,专心操作,注意周围突发性事物和联络信号,并注意机器各部运行状况。
(4)乘员必须听从司机的调度和指挥,乘员和载物应均匀分布于吊笼内,防止偏载,严禁超载运行。
(5)首次满载时,应进行小距离运行试验,确定满载制动合格后才能正常运行。司机应随时注意呼叫信号,遇有紧急呼叫,不论其呼叫内容和来自何方均应立即停车,查清原因后妥善处理。
(7)检查楼层运料通道两侧的防护是否完好,楼层门是否处于常闭状态。楼层门的设置要使楼层内的人员无法打开。要求司机随时注意楼层门的开闭情况,当楼层门未关闭时,不应使吊笼上下运行。对楼层门的闭合控制,明确司机为第一责任人,以确保各楼层始终处于安全状态。
(8)司机因故离开吊笼时,应将吊笼降至地面,切断总电源并锁好电箱门,防止无证人员擅自开动吊笼。
(9)当升降机运行中发现有异常情况时,应立即停机并采取有效措施将吊笼降到底层,排除故障后方可继续运行。
5.2安全控制措施
1、一般注意事项
(1)施工升降机安装完毕后,必须检测合格后,方可投入使用。
(2)施工升降机周围5M范围之内,不得堆放易燃、易爆物品及其它杂物,不得在此范围内挖沟、开槽,在底座围栏防护门2.5M范围内需搭紧固的防护棚,并保持进入吊笼的运输道路的畅通。
(3)司机必须经考试合格后持证上岗操作。
(4)遇到下列情况之一时,不得使用电梯:天气情况恶劣,当遇大雨、大雪、大雾或风速大于13m/s等恶劣天气时,应停止安装作业;出现机械、电气方面故障或不明情况的漏电现象;对重钢丝绳断丝、断股超出有关规定时。
2、操作前注意事项
(1)认真做好班前保养工作,按照"调整,紧固、润滑、清洁"的原则进行,并且应仔细观察、判断试车过程中机器有无异响,制动是否平稳,安全装置是否齐全可靠,试车时,应先将吊笼运行到1m高处停车,检查吊笼有无下滑现象,雷雨天气后应检查机器的绝缘状况。
(2)仔细阅读上一班的运行记录,并检查上一班司机采取的维修手段和所更新的零件,确认无遗留问题后继续下面工作。
(3)检查吊笼运行空间是否畅通无阻,发现有突出物影响吊笼运行应及时排除,检查各楼层停靠口的防护门是否安全牢固,不合要求者及时处理。
(4)检查导轨架和导轨附着架的各部联接件有无松动,检查各焊口有无开焊情况,及时排除事故隐患。检查电源电压是否符合要求。
3、停止运行后注意事项:
(1)吊笼降到底层后,进行班后保养工作,做好交接班记录,并将机器或存在事故隐患的情况详细汇报有关人员 。
(2)将所有控制开关扳到停止点上(零位)。
(3)切断电源,将电源控制箱锁好。
5.3分包情况及要求
施工升降机由安徽水利顺安起重设备安装有限公司安拆,该公司具有营业执照、安拆资质、安全生产许可证,技术操作人员具有多年施工经验,特种作业人员均有特种作业操作证。
5.4应急预案
5.3.1危险源辨识
施工升降机机在架体搭设及使用过程中,易发生高空坠落、触电等事故。
5.3.2预防与预警措施
1、按规定办理验收手续,使用有生产许可证的产品。
2、导轨架的稳定是靠与建筑结构进行附着连接来实现的,所以在安装施工升降机时随着导轨架的搭设,按该机的技术说明书规定的距离及时进行附着连接。
3、施工升降机笼是施工升降机运载人和物料的构件,含有传动机构、限速器及电器箱等,外侧附有驾驶室,设置了保险开关与门联锁,只有当施工升降机吊笼前后两道门均关好后,施工升降机才能运行。
4、各停层应设独立层门并保证楼层内的人员无法开启。
5、限速器是施工升降机的主要安全装置,它可以限制施工升降机笼的运行速度,防止坠落。
6、安装单位必须有专业资质证,作业人员必须持特种作业人员操作证上岗。
7、安装前必须履行安全技术交底,过程中有专人统一指挥,装、拆的人员必须熟悉图纸和装、拆程序及检查要点。
8、调试施工升降机笼时,导向滚轮与导轨间隙以施工升降机不能自动下滑为限,在离地面10m高度之内,作上下运行试验。
9、随导轨的升高,必须按规定进行附着连接,第一道附着杆距地面应为10m左右,以后每隔9m(或按说明书规定)做一道附着连接。
10、安装完毕进行整机运行调试,荷载试验按照产品说明书进行,检验合格,领取准用证后方能投入使用。
11、安装附着杆,以及各层通道架设铺板时,施工升降机笼应随之停置在作业层的高度,不得在安装过程中同时上下运行。装拆人员必须按规定系安全带。
12、施工升降机按规定单独安装接地保护和避雷装置。底笼周围2.5m范围内,必须设置稳固防护栏杆。做好运行记录,定期检查记录,特别要检查制动器灵敏性。当施工升降机未切断电源开关前,司机不能离开操纵岗位。操纵室应有灭火设备。
5.3.3信息报告程序、应急处置与联系方式
1、信息报告程序:
事故报告后,现场人员应在15分钟内电话向应急指挥部进行汇报,应急指挥部按照职责向上级部门和地方安监部门进行汇报、抢救情况以快报形式逐级报告。
1)、事故的类型、发生时间、发生地点;
2)、事故的原因、性质、范围、经初步判断的严重程度;
3)、事故对工程运行的影响程度。
4)、已采取的控制措施及其它应对措施。
5)、报告单位、联系人员及通信方式等。
2.应急处置:
应急组织体系及信息通讯
3、应急抢险领导小组联系方式:
急救电话:120 火警电话:119 匪警电话:110
5.3.4应急物资与装备保障
应急资源的准备是应急救援工作的重要保障,项目部根据潜在事故的性质和后果分析,配备应急救援中所需救援机械和设备、交通工具、医疗设备和药品、生活保障物资。安全事故应急常用物资和设备有:
(1)常备药品:消毒药品、急救物品(创可贴、绷带、无菌敷料、仁丹等)及各种常用小夹板、担架、止血袋、氧气袋等。
(2)抢险工具:铁锹、撬棍、气割工具、消防器材、小型金属切割机、电工常用工具等。
(3)应急器材:架子管、安全帽、安全带、防毒面具、应急灯、对讲机、电焊机、水泵、灭火器等。
(4)设备:小轿车1辆。
工地到附近医院路线图及医院联系电话
滁州市中西医结合医院 急诊电话:0550-3510811
地址:安徽省滁州市琅琊区会峰东路100号
六、其他要求与措施
6.1环保施工措施
1、施工过程中,应注意节约、安全使用电、气、水,避免造成资源、能源浪费。
2、集中妥善处理废弃物(费油、废水、固废物等),不得随意排放而造成坏境污染。
3、应注意控制设备工作噪音对周围环境的污染和危害。车辆进入施工现场应减速,严禁使用尾气和噪音超标的起重设备。未经项目部的同意,施工人员不得在现场随意走动,不得做与本工程无关的事。
4、严格按照国家有关环境管理的要求施工作业,并在保证工程质量、安全生产和工期的前提下,不给环境造成超标影响。
6.2特殊季节施工措施
1、雨期期间施工升降电梯也是雨季施工的重点控制项目,其基础要及时观测有无变化。
(2)安装避雷装置,接地电阻值不得大于10Ω;
(3)所有机身上不得悬挂标志牌,防止风载荷过大,附着装置采取加强措施;
(4)遇到5级以上大风,立即停止作业,停止作业前应使塔物料提升机吊笼下放到地面,并切断电源。
七、附件
7.1 9#楼施工升降机计算书(回填土)
一、参数信息
一、参数信息
1.施工升降机基本参数
2.地基参数
3.基础参数
二、基础承载计算
导轨架重(共需54节标准节,标准节重145kg):145kg×54=7830kg,
施工升降机自重标准值:Pk=((2000×2+1480+0×2+200+7830)+2000×2)×10/1000=175.1kN;
施工升降机自重:P=(1.2×(2000×2+1480+0×2+200+7830)+1.4×2000×2)×10/1000=218.12kN;
P=n×P=1×218.12=218.12kN
三、地基承载力验算
承台自重标准值:Gk=25×6.20×3.80×0.30=176.70kN
承台自重设计值: G=176.70×1.2=212.04kN
作用在地基上的竖向力设计值:F=218.12+212.04=430.16kN
基础下地基承载力为:fa= 100.00×6.20×3.80×0.80=1884.80kN > F=430.16kN
该基础符合施工升降机的要求。
四、基础承台验算
1、承台底面积验算
轴心受压基础基底面积应满足
S=6.2×3.8=23.56m2≥(Pk+Gk)/fc=(175.1+176.7)/(16.7×103)=0.021m2。
承台底面积满足要求。
2、承台抗冲切验算
由于导轨架直接与基础相连,故只考虑导轨架对基础的冲切作用。
计算简图如下:



F1 ≤ 0.7βhpftamho am = (at+ab)/2 F1 = pj×Al
式中 Pj --扣除基础自重后相应于荷载效应基本组合时的地基土单位面积净反力,Pj=P/S=218.12/23.56=9.258kN/m2;
βhp --受冲切承载力截面高度影响系数,βhp=1;
h0 --基础冲切破坏锥体的有效高度,h0=300-35=265mm;
Al --冲切验算时取用的部分基底面积,Al=3.8×2.575=9.785m2;
am --冲切破坏锥体最不利一侧计算长度;
at --冲切破坏锥体最不利一侧斜截面的上边长,取导轨架宽a;
ab --冲切破坏锥体最不利一侧斜截面在基础底面积范围内的下边长;
ab=a+2h0=0.45+2×0.265=0.98m
am=(at+ab)/2=(0.45+0.98)/2=0.715m
Fl=Pj×Al=9.258×9.785=90.59kN
0.7βhpftamh0=0.7×1×1.57×715×265/1000=208.233kN≥90.59kN。
承台抗冲切满足要求。
3、承台底部弯矩计算
属于轴心受压,在承台底部两个方向的弯矩:
M1 = (a12/12)[(2l+a’)(pmax+p-2G/A)+(pmax-p)l]
M2 = (1/48)(l-a’)2(2b+b’)(pmax+pmin-2G/A)
式中 M1,M2 --任意截面1-1、2-2处相应于荷载效应基本组合时的弯矩设计值;
a1 --任意截面1-1至基底边缘最大反力处的距离,a1=2.875m;
l,b --基础底面的长和宽;
pmax,pmin --相应于荷载效应基本组合时的基础底面边缘最大和最小地基反力设计值,pmax=pmin=(218.12+212.04)/23.56=18.258kN/m2;
p --相应于荷载效应基本组合时在任意截面1-1处基础底面地基反力设计值,p=pmax=18.258kN/m2;
G --考虑荷载分项系数的基础自重,当组合值由永久荷载控制时,G=1.35Gk ,Gk为基础标准自重,G=1.35×176.7=238.545kN;
M1=2.8752/12×[(2×3.8+0.45)×(18.258+18.258-2×238.545/23.56)+(18.258-18.258)×6.2]=90.193kN·m;
M2=(3.8-0.45)2/48×(2×6.2+0.45)×(18.258+18.258-2×238.545/23.56)=48.869kN·m;
4、承台底部配筋计算
αs = M/(α1fcbh02)
ξ = 1-(1-2αs)1/2
γs = 1-ξ/2
As = M/(γsh0fy)
式中 α1 --当混凝土强度不超过C50时,α1取为1.0,当混凝土强度等级为C80时,α1取为0.94,期间按线性内插法,α1=1;
1-1截面:αs=|M|/(α1fcbh02)=90.19×106/(1.00×16.70×3.80×103×265.002)=0.020;
ξ=1-(1-2×αs)1/2=1-(1-2×0.020)0.5=0.020;
γs=1-ξ/2=1-0.020/2=0.990;
As=|M|/(γsfyh0)=90.19×106/(0.990×360.00×265.00)=955.19mm2。
2-2截面:αs=|M|/(α1fcbh02)=48.87×106/(1.00×16.70×6.20×103×265.002)=0.007;
ξ=1-(1-2×αs)1/2=1-(1-2×0.007)0.5=0.007;
γs=1-ξ/2=1-0.007/2=0.997;
As=|M|/(γsfyh0)=48.87×106/(0.997×360.00×265.00)=513.99mm2。
截面1-1配筋:As1=2148.849 mm2 > 955.189 mm2
截面2-2配筋:As2=3619.115 mm2 > 513.989 mm2
承台配筋满足要求!
7.2 10#楼施工升降机计算书(车库顶板加固)
一、参数信息
1.施工升降机基本参数
2.楼板参数
3.荷载参数:
二、基础承载计算
导轨架重(共需54节标准节,标准节重145kg):145kg×54=7830kg,
施工升降机自重标准值:Pk=((2000×2+1480+0×2+200+7830)+2000×2)×10/1000=175.1kN;
施工升降机自重:P=(1.2×(2000×2+1480+0×2+200+7830)+1.4×2000×2)×10/1000=218.12kN;
施工升降机基础自重:
Pj=1.2×l×d×h×25=1.2×6.2×3.8×0.3×25=212.04KN
P=n×(P+ Pj)=1×(218.12+212.04)=430.16kN
三、梁板下钢管结构验算
楼板均布荷载:q=P/(l ×d )=430.16/(6.2×3.8)=18.258kN/m2
设梁板下Ф48×2.8mm钢管@0.6m×0.6m 支承上部施工升降机荷重,混凝土结构自重由结构自身承担,则:
N=(NGK+1.4×NQK)×la×lb=(18.258+1.4×1)×0.6×0.6=7.077kN
1、可调托座承载力验算
【N】=30 ≥N=7.077kN
满足要求!
2、立杆稳定性验算
顶部立杆段:λ=l0/i=kμ1(h+2a)/i= 1×2.5×(0.2+2×0.2)/0.0159 =94.34 ≤[λ]=210
满足要求!
非顶部立杆段:λ=l0/i=kμ2h/i= 1×2.1×1.4/0.0159 =184.906 ≤[λ]=210
满足要求!
顶部立杆段:λ1=l0/i=kμ1(h+2a)/i= 1.155×2.5×(0.2+2×0.2)/0.0159 =108.962
非顶部立杆段:λ2=l0/i=kμ2h/i= 1.155×2.1×1.4/0.0159 =213.566
取λ=213.566 ,查规范JGJ130-2011附表A.0.6,取φ=0.16
f= N/(φA)= 7077/(0.16×424)=104.319N/mm2≤ [f]=205N/mm2
满足要求!
梁板下的钢管结构满足要求!
配筋如下图所示:

支撑如下图所示:

7.3 悬挑卸料平台计算书
一、构造参数
二、荷载参数
三、设计简图



四、面板验算
面板受力简图如下:

计算简图
取单位宽度1m进行验算
q=1.2×Gk1×1+1.4×(1.3×Qk1+Pk/S)×1=1.2×0.39×1+1.4×(1.3×2+5/2)×1=7.608kN/m
q静=1.2×Gk1×1=1.2×0.39×1=0.468kN/m
q活=1.4×(1.3×Qk1+Pk/S)×1=1.4×(1.3×2+5/2)×1=7.14kN/m
抗弯验算:
Mmax=0.1×q静×s2+0.117×q活×s2=0.1×0.468×1.22+0.117×7.14×1.22=1.27kN·m
σ=Mmax/ W=1.27×106/(37.5×103)=33.876N/mm2<[f]=205N/mm2
面板强度满足要求!
五、次梁验算
次梁内力按以两侧主梁为支承点的简支梁计算:
承载能力极限状态:
q1=(1.2×Gk1+1.4×1.3 ×Qk1)×s+1.2×Gk2=(1.2×0.39+1.4×1.3×2)×1.2+1.2×0.205=5.176kN/m
p1=1.4×Pk=1.4×5=7kN
正常使用极限状态:
q2=(Gk1+Qk1)×s+Gk2=(0.39+2)×1.2+0.205=3.073kN/m
p2=Pk=5kN
1、抗弯强度

计算简图
Mmax=q1(L12/8-m2/2)+p1×L1/4=5.176(1.52/8-02/2)+7×1.5/4=4.081kN.m
σ=Mmax/(γxWX)=4.081×106/(1.05×141×103)=27.563N/mm2<[f]=205N/mm2
次梁强度满足要求!
2、挠度验算

计算简图
νmax=q2L14/(384EIx)(5-24(m/L1)2)+p2L13/(48EIx)=3.073×15004/(384×206000×1130×104)×(5-24(0/1.5)2)+5×15003/(48×206000×1130×104)=0.087mm<[ν]=L1/250=1500/250=6mm
次梁挠度满足要求!
3、支座反力计算
承载能力极限状态:
R1=q1×B/2=5.176×1.5/2=3.882kN
正常使用极限状态:
R2=q2×B/2=3.073×1.5/2=2.305kN
六、主梁验算
根据《建筑施工高处作业安全技术规范》(JGJ80-2016),主梁内力按照外侧钢丝绳吊点和建筑物上支承点为支座的悬臂简支梁计算(不考虑内侧钢丝绳支点作用):
承载能力极限状态:
q1=1.2×(Gk3+Gk4+Gk5)=1.2×(0.205+0.150+0.010)=0.438kN/m
p1=1.4×Pk/2=1.4×5/2=3.5kN
R1=3.882kN
正常使用极限状态:
q2=Gk3+Gk4+Gk5=0.205+0.150+0.010=0.365kN/m
p2=Pk/2=2.5kN
R2=2.305kN
1、强度验算

计算简图

弯矩图(kN·m)

剪力图(kN)
R外=4.221kN
Mmax=1.468kN·m
N=R外/tanα=R外/(h1/s1)= 4.221/(2.900/1.800)=2.620kN
σ=Mmax/(γxWX)+N/A=1.468×106/(1.05×141.000×103)+2.620×103/(26.10×102)=10.922 N/mm2<[f]=205.000 N/mm2
主梁强度满足要求!
2、挠度验算

计算简图

变形图(mm)
νmax=0.307mm<[ν]=(a1+c)/250.00=(1500.00+200)/250.00=6.800mm
主梁挠度满足要求!
3、支座反力计算

剪力图(kN)
R外=4.221kN
七、钢丝绳验算

外侧钢丝绳与主梁夹角α=arctan(h1/s1)=58.173°
sinα=sin58.173°=0.85
T=R外/sinα=4.221/0.850=4.969kN
[Fg]=aFg/K=0.820×61.300/8.000=6.283kN>T外=4.969kN
钢丝绳强度满足要求!
八、拉环验算

σ=T/(2A)=4.969×103/[2×3.14×(20/2)2]=7.912 N/mm2 < [f]= 65N/mm2
拉环强度满足要求!
九、焊缝验算

外侧钢筋拉环焊缝:σf=R外/(he×lw)=4.221×103/(6.000×120.000)=5.863N/mm2≤βfffw=1.22×160=195.2N/mm2
拉环焊缝正应力强度满足要求!
τf= R外/tanα/(he×lw)=4.221×103/1.933/(6×120)=3.033N/mm2≤160N/mm2
拉环焊缝剪应力强度满足要求!
[(σf/βf)2+τf2]0.5=[(5.863/1.22)2+3.0332]0.5=5.683≤ffw=160N/mm2
拉环焊缝强度满足要求!
7.4平面位置图
