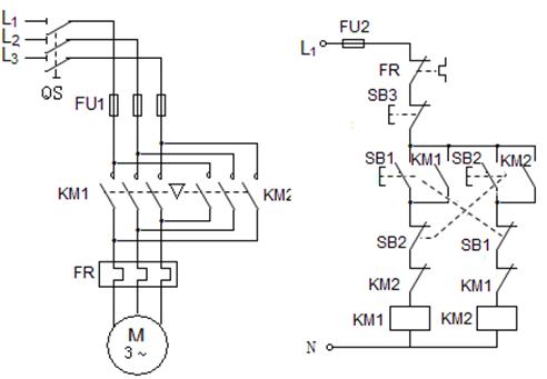
通过正反转的继电-接触器控制线路今天向初学PLC的小伙伴们介绍一下如何用PLC控制三相异步电动机实现正反转。我们先上大家比较熟悉的一幅电路原理图。

双重联锁正反转电气电路
在实现用PLC控制三相异步电机正反转的同时,我们先了解一下FX3U系列PLC的几个软元件。
一、FX3U系列PLC的辅助继电器
(一)、我们知道FX3U系列PLC的辅助继电器有三种类型,第一是通用辅助继电器第二是掉电保持功能辅助继电器第三是特殊辅助继电器。
1、第一种通用型辅助继电器:编号范围:M0~M499(共计500点),这种软继电器和继电接触控制线路中的中间继电器相似,用于实现中间状态的存储及信号转换。不能像输出继电器一样直接驱动外部负载,其状态只能由程序设置。
2、第二种是具有掉电保持功能辅助继电器:掉电保持指在PLC的外部工作电源异常断电情况下,PLC内部某些特殊的工作单元依靠机器内部电池的作用,将掉电时相关单元的状态信息保留下来。编号范围M500~M3071,通用掉电保持辅助继电器编号范围M500~M1023(共计524点)。专用断电保持辅助继电器M1024~M3071共计2048点。
3、第三种是特殊辅助继电器:这种继电器是指具有某些特定功能的辅助继电器,主要用于反映或设定PLC的运行状态。编号范围:M8000~M8255。
(二)、另外还有触点型和线圈型特殊辅助继电器
①、第一种是触点型特殊辅助继电器:只读型,由 PLC厂商或者是程序执行的影响状态位,用户只能在PLC程序以触点形式加以引用,不能实施控制的特殊辅助继电器。例如M8000:运行标志继电器,用于反映PLC的运行状态。 M8002:初始脉冲继电器,用于PLC运行的第一个扫描周期 产生一个扫描周期宽度脉冲。 M8011~M8014:分别产生周期为10mS、100mS、1S、1min的时钟脉冲,输出脉冲的占空比均为0.5。
②、第二种是线圈型特殊辅助继电器:可读可写、由用户视需要进行设置以实现某种特定功能M8030:用于设置机内锂电池欠压时,指示灯发光或熄灭。M8033:用于实现PLC停止时的状态保持。M8034:禁止全部输出,M8034=ON:PLC的全部输出继电器被强迫停止输 。M8039:用于实现定时扫描方式。

FX3U 48MR PLC
二、FX3U系列PLC的定时器:
定时器功能作用是在程序中完成时间控制实现延时作用。FX3U系列PLC定时器,编号范围T0~T255,共计256个。可分为通用定时器和积算定时器两类。
①通用型定时器 是指在失电时定时器状态被清除并恢复到初始零值。100ms定时器编号范围T0~T199,共200点,计时范围在0.1~3276.7s。10ms定时器编号范围T200~T245,共46点计时范围:0.01~327.67s。
②积算定时器它的含义是具有掉电保持功能,对通电时间具有累积功能即计时条件不满足或掉电:当前计时值被保留,触点状态被保持,在原值上恢复计时。FX3U系列积算定时器,1ms积算定时器。编号范围:T246~T249共计4点计时范围在0.001~32.767。100ms积算定时器,编号范围:T250~T255共计6点计时的范围在0.1~3276.7s。
三、双重联锁正反转PLC控制电路的梯形图设计
结合继电-接触控制线路典型电路之一的三相异步电动机正反转控制的PLC控制方式的实现,首先我们可先采用等效逻辑转换方法实现继电-接触控制线路向PLC控制的梯形图过渡,并结合PLC控制特点、要求完成该控制任务的电气设备的安装与调试。先设置一下I/O口,
I端口 O端口
SB1 X000 (正转按钮) KM1 Y000 (正转控制继电器)
SB2 X001(反转按钮) KM2 Y001 (反转控制继电器)
SB3 X002(停止按钮 )
FR X003(热保护继电器)
1、基本控制方式继电接触控制线路实现PLC控制梯形图的转化 我们采用等效逻辑转换方法实现继电-接触控制线路向PLC控制的梯形图过渡,并结合PLC控制特点、来实现正反转电路梯形图的转化。


通过电路转化“翻译”出的PLC梯形图
2、用置、复位指令实现正反转控制

置位和复位指令实现正反转控制
其工作过程是,正转启动,当按下X0正转按钮,Y0置位、Y1复位实现对正转控制继电器KM1的控制吸合、对反转控制继电器KM2的互锁。此时电机会正转运行;反转启动,当按下X1正传按钮,Y1置位、Y0复位实现对正转控制继电器KM2的控制吸合、对反转控制继电器KM1的互锁。此时电机会反转运行;按下X2按钮,此时Y0和Y1都复位。此时电机会停止运行。
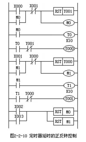
3、利用辅助继电器、定时器切换延时实现正反转PLC控制
利用定时器实现正反转“断”与“合”的足够切换延时可达到预防短路的功能,该方法可用于不方便实现外部电气联锁的场合。

利用定时器实现电机正反转控制
PLC梯形图的编写是一个实践性很强的技术,需要在实践中摸索,孰能生巧,通过一定量的练习,一定会编写出质量高的梯形图!