梯形图语言
梯形图程序设计
1. 梯形图编程原则与 PLC 程序设计方法
(1) 输入 / 输出继电器、内部辅助继电器、定时器、计数器等器件的触点可以多次重复使 用,无需复杂的程序结构来减少触点的使用次数。
(2) 梯形图每一行都是从左母线开始,线圈终止于右母线。触点不能放在线圈的右边,如下图所示

正确的电路 错误的电路
(3) 除步进程序外,任何线圈、定时器、计数器、高级指令等不能直接与左母线相连。
(4) 在程序中,不允许同一编号的线圈两次输出(双线圈输出)。下面的梯形图是不允许的。

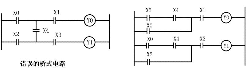
(5) 不允许出现桥式电路。

(6) 程序的编写顺序应按自上而下、从左至右的方式编写。为了减少程序的执行步数,程序应为左大右小,上大下小。如:

符合上大下小的电路,共 4 步

符 合左大右小的电路,共 4 步
(7) 输入设备尽可能用常开触点
(8) PLC 程序设计常用的经验设计法
在传统继电器-接触器控制图和 PLC 典型控制电路的基础上,依据积累的经验进行翻译、修改和完善,得到最终的控制程序。
(9) 常用的 PLC 典型控制电路
2. 梯形图程序设计的常用方法 —— 逻辑法。
逻辑法:就是应用逻辑代数以逻辑组合的方法和形式设计程序。逻辑法的理论基础是逻辑函数,逻辑函数就是逻辑运算与、或、非的逻辑组合。因此,从本质上来说, PLC 梯形图程序就是与、或、非的逻辑组合,也可以用逻辑函数表达式来表示。
(1) 基本方法: 用逻辑法设计梯形图,必须在逻辑函数表达式与梯形图之间 建立一种一一对应关系,即梯形图中常开触点用原变量(元件)表示,常闭触点用反变量(元件上加一小横线)表示。触点(变量)和线圈(函数)只有两个取值“ 1 ” 与“ 0 ” , 1 表示触点接通或线圈有电, 0 表示触点断开或线圈无电。触点串联用逻辑“与”表示,触点并联用逻辑“或”表示,其他 复杂的触点组合可用组合逻辑表示,他们的对应关系如下表所示。
|
逻辑函数表达式 |
梯形图 |
逻辑函数表达式 |
梯形图 |
|
逻辑“与” M0=X1.X2 |
|
“与”运算式 M0=X1.X2---Xn |
|
|
逻辑“或” M0=X1+X2 |
|
“或 / 与”运算式
|
|
|
逻辑“非”
|
|
“与 / 或”运算式 M0=(X1.X2)+(X3.X4) |
|
(2) 设计步骤:
1) 通过分析控制要求,明确控制任务和控制内容;
2) 确定 PLC 的软元件(输入信号、输出信号、辅助继电器 M 和定时器 T ),画出 PLC 的外部接线图;
3) 将控制任务、要求转换为逻辑函数(线圈)和逻辑变量(触点),分析触点与线圈的逻辑关系,列出真值表;
4) 写出逻辑函数表达式;
5) 根据逻辑函数表达式画出梯形图;
6) 优化梯形图
(3) 逻辑法的应用
用逻辑法设计三相异步电动机 Y/ △降压起动控制的梯形图。
1) 明确控制任务和控制内容
按下起动按钮 SB1 ,时间继电器 KT 和起动用接触器 KMY 线圈得电,之后主接触器 KM 线圈得电并自锁,进行 Y 形起动。当 KT 的延时到达, KMY 线圈失电,同时 KM △线圈得电,电动机完成 Y 形起动,进入△形正常运行。在此过程中,按下停止按钮 SB 或热继电器 FR 动作,电动机无条件停止。
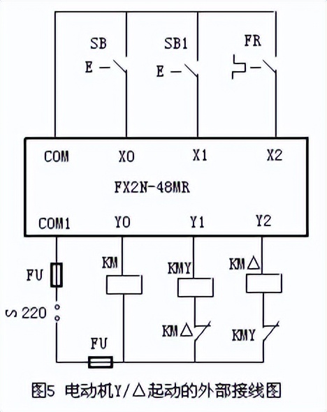
2) 确定 PLC 的软元件,画出 PLC 的外部接线图
PLC 的输入信号:起动按钮 SB1(X1) ,停止按钮 SB(X0) ,热继电器常开触点 FR(X2) 。 PLC 的输出信号:主接触器 KM(Y0) ,起动接触器 KMY(Y1) ,运行接触器 KM △ (Y2) 。定时器 (T0) 。根据上述 I/O 信号,可画出 PLC 的外部接线图,如图 5 所示。

3) 列出真值表
真值表就是根据控制要求,列出的线圈函数和触点变量的取值,即当线圈函数为 1 时,必须使哪些触点变量为 1 ,当线圈函数为 0 时,必须使哪些触点变量为 0 。例如,当起动用接触器为 1 时,就必须使起动按钮为 1 或起动接触器为 1 ;当起动用接触器为 0 时,就必须使停止按钮或热继电器或运行或定时器为 0 。根据控制要求,可列出其真值表,如图 6 所示。
|
触点 |
线圈 |
|||||||||
|
X0 |
X1 |
X2 |
Y0 |
Y1 |
Y2 |
T0 |
Y1 |
Y0 |
Y2 |
T0 |
|
1 |
1 |
1 |
||||||||
|
0 |
0 |
0 |
0 |
0 |
||||||
|
1 |
1 |
1 |
||||||||
|
0 |
0 |
0 |
||||||||
|
1 |
1 |
1 |
||||||||
|
0 |
0 |
0 |
0 |
|||||||
|
1 |
0 |
1 |
1 |
|||||||
|
0 |
0 |
0 |
||||||||
图 6 电动机 Y/ △降压起动真值表
4) 列出逻辑函数表达式
将真值表中线圈函数为 1 的触点变量的逻辑式与上线圈函数为 0 的各触点变量的反变量,即为线圈函数的逻辑表达式,因此,可列出如下的逻辑函数表达式:

5) 画出梯形图
根据上述逻辑函数表达式以及逻辑函数表达式与梯形图的对应关系,可画出图 7 所示的梯形图。








