目 录
4一、设计原理
41.1防雷系统的设计应满足原则
41.2 防护措施
51.3 防雷工程设计依据
5二、监控室防雷部分:
52.1、 防雷设备选型和应用原则
72.2、 防雷保护设计方案
72.2.1、电源的防雷
82.2.2、信号防雷部分
82.2.3、传输线路的防雷
92.2.4、终端设备的防雷
9三、室外防雷部分
11四、等电位工程
12五、地网工程
13六、安装施工说明
13七、工程质量保证体系及质量标准
前 言
雷击灾害具有随机性,地域性的特点,防雷工程是为了最大程度的降低雷击灾害的损失.但雷击风险是不可避免的,只能尽可能的降低.随着通信技术、计算机技术、信息技术的飞速发展, 如今已是电子化时代.日益繁忙庞杂的事务通过高速电脑、自动化设备及通讯的发展变得井然有序.但这些敏感电子设备的工作电压却在不断降低,其数量和规模不断扩大,因而它们受到过电压,特别是雷电袭击而受到损坏的可能性就大大增加.这是由于以雷击中心1.5km-2km范围内都可能产生危险过电压,损坏线路上设备.其后果可能使整个系统的运行中断, 并造成难以估算的经济损失,雷电和浪涌电压成了电子化时代的一大公害。防雷器就是在最短时间(纳秒级)内将被保护线路连入等电位系统中,使设备各端口等电位,同时释放电路上因雷击而产生的大量脉冲能量,将其短路泄放到大地,降低设备各接口端的电位差,从而保护线路上的用户设备。

雷击途径:
⑴ 雷电沿市电回路进入配电线路并最终进入终端设备,造成设备损坏。
⑵雷电沿信号线路而进入信号设备,造成信号设备损坏。
⑶雷电流引起的强电磁感应造成耐压值较低的信号端口损坏
(4)地电位反击造成设备损坏。
因此本方案将以整个供电系统、信号系统为保护对象,将以上几种途径进入的雷电过电压进行泄放和拦截,并以等电位连接为保证,加上良好的接地,从而形成一个全面完整的防护体系。 一、设计原理
1.1防雷系统的设计应满足原则
1、 首先考虑人身安全;
2、 保护器不影响被保护设备的正常工作;
3、 雷击产生冲击波时,所采用的防护器件应有低阻抗,将冲击电流直接导入大地而不产生危险的冲击对地电位差;
4、 防护器件应有较高的承受冲击能量的能力,并有规范的接地系统。
按照IEC1312-1~3规范,为保护你监控系统的设备,将需要保护的空间划分为不同的防雷区(LPZ),根据各部分空间不同的LEMP(雷闪电磁脉冲)的严重程度和实际情况确立相应的防护等级,合理使用相应的防雷器。
1.2 防护措施
概括的说,当今电子设备的防雷手段,主要采用分流、接地、屏蔽、等电位和过电压保护五种方法。
分流:用避雷针、避雷带和避雷网等将雷电流沿引下线安全地流入大地,防止雷电直接击在建筑物和设备上。
屏蔽:系统所有的金属导线,包括电力电缆、通信电缆和信号线均采用屏蔽线或穿金属管屏蔽,在机房建设中,利用建筑物钢筋网和其他金属材料,使机房形成一个屏蔽笼。用以防止外来电磁波(含雷电的电磁波和静电感应)干扰机房内设备。
等电位连接:机房内所有金属物体,包括电缆屏蔽层、金属管道、金属门窗、设备外壳等金属构件进行电气连接,以均衡电位。
接地:在系统中,为保证其稳定可靠的工作、保护设备和人身安全,解决环境电磁干扰及静电危害,需要一个良好的接地系统。
过电压保护:电子设备的信号线、电源线上安装相应的过电压保护器,利用其非线性效应,将线路上过高的脉冲电压滤除,保护设备不被过电压破坏。主要的保护器件为氧化锌压敏电阻、二极或三极放电管、快速箝位二极管等,根据需要进行组合,形成完整的防雷保护器。
1.3 防雷工程设计依据
· 国标《建筑物防雷设计规范》GB50057-94
· 国标《电子计算机机房设计规范》GB50174-93
· 国标《民用电气设计规范》JGJ/T16-92
· 国标《计算机场地安全要求》GB9361-88
· 《通信局(站)接地设计暂行技术规定》YDJ26-89
· 《通信工程电源系统防雷技术规定》YD5078-1998
· 国际电信联盟ITU-T(原CCITT)相关建议及标准
K.31 Bonding Configurations and Earthing of Telecommunication Installation inside a subscriber’s Building.
K.41 电信中心内部通信设备接口抗雷击能力
IEC61644-1-1999 接至电信网络的信号接口保护器
· 建设单位提供的资料。
二、监控室防雷部分:
2.1、 防雷设备选型和应用原则
防雷设备的正确选择和应用,将直接关系到整个系统防雷的质量。如果选择不当,不但难以起到防雷的作用,甚至还会对设备造成不必要的影响,因此,防雷设备的选型及其应用至关重要。
考虑到电源负荷电流容量较大,为了安全起见及使用和维护方便,电源系统的多级防雷,原则上均选用并联型电源避雷器。
电源避雷器的保护模式有共模和差模两方式。共模保护指相线-地线(L-PE)、零线-地线(N-PE)间的保护;差模保护指相线-零线(L-N)、相线-相线(L-L)间的保护。对于低压侧各级保护除选择共模的保护方式外,还应尽量选择包括差模在内的保护。
残压特性是电源避雷器的最重要特性,残压越低,保护效果就越好。但考虑到我国电网电压普遍不稳定、波动范围大的实际情况,在尽量选择残压较低的电源避雷器的同时,还必须考虑避雷器有足够高的最大连续工作电压,选择耐压值较高的防雷器。如果最大连续工作电压偏低,则易造成避雷器自毁。
电源低压侧有不同的保护级别统低,应根据保护级别的不同,选择合适通流量和电压保护水平的电源避雷器,并保证避雷器有足够的耐雷电冲击能力。原则上,每一级的交流电源之间连接导线超过25m以上,都应做该级相应的保护。
电源低压侧保护用的电源避雷器,应该选择有失效警告指示,并能提供遥测端口功能的电源避雷器,以方便监控、管理和日后维护。
电源避雷器必须具有阻燃功能,在失效、或自毁时不能起火;且必须具有失效分离装置,在失效时,能自动与电源系统断开,而不影响通信电源系统的正常供电。
电源避雷器的连接端子,必须至少能适应25mm²的导线连接。安装避雷器时的引线应采用截面积不小于10mm²的多股铜导线,建议使用25mm²的多股铜导线,并尽可能短(引线长度不宜超过1.0m)。当引线长度超过1.0m时,应加大引线的截面积。引线应紧凑并排或绑扎布放。
电源避雷器的接地:接地线应使用不小于10~35mm²的多股铜导线,并尽可能就近与交流保护地汇流排、或总汇流排、接地网直接可靠连接。
根据防雷区的划分和实际情况合理的设计各级电源防雷体系,并选择适当的防雷器。
附注:防雷区的划分
根据IEC1312-1雷电电磁脉冲的防护标准,计算机系统的防雷保护区分为四个区域,各区交界处应作相应的防雷处理。各区划分如下:
LPZ0A区:直击雷作用区,处于建筑物避雷针系统保护区以外的区域,由于本区内所有物体均有可能遭受直接雷击,并可能导走全部雷电流;另外本区能所有物体均处于雷电电磁场最强处,故对于雷电的感应最强。
LPZ0B区:感应雷主作用区,处于建筑物避雷针系统保护区内,但未经空间电磁屏蔽,雷电作用电磁场并不衰减,处于此空间的所用可导电物体均可感应较强雷电流的区域。
LPZ1区:建筑物屏蔽区,本区内各物体不可能遭受直击雷,流往各导体的雷电流比0B区进一步减小,本区内电磁场也可能会衰减,取决于建筑物的屏蔽措施。
LPZ2区:房间屏蔽区,对于监控主机房所处空间,应采用屏蔽措施,以进一步减小空间电磁场的干扰。
当金属导线(电源线、信号线等)穿越不同的保护分区时,因电磁感应的作用,会产生较高的过电压,影响室内设备的安全。因此,需安装相应的过电压保护器,对设备进行保护。在不同的保护分区,所采用的防雷器级别是不同的。同时,需要作相应的等电位处理。
2.2、 防雷保护设计方案
针对监控系统的情况,以及前面分析的雷电侵入途径我们提出防雷方案如下。并请参考下图:

2.2.1、电源的防雷
(1)电源防雷箱:监控室总配电箱进线(三相四线),为防止沿市电回路侵入的雷电流,在监控室配电盘空开前安装电源防雷箱……作为电源系统的第一级防雷,起初级保护作用,将大部分的雷击能量泄放。防雷箱配备电源指示、防雷指示、声光报警指示、雷击计数器等,当线路遭到雷击时能够及时报警并显示雷击次数,及时将雷电流泻入大地,对整个防雷系统进行有效的管理。
(2)电源防雷器:在机房UPS前端安装电源防雷器,防雷器选用……….作为电源系统的二级防雷模块,降低防雷器响应速度。这样,既能保证第一级防雷箱没有泄放完的残电压损坏设备,又能将残压将到设备的承受范围以内。
(3)电源防雷器:在机房UPS后端、监控幕墙、硬盘录像机、矩阵等设备前端设备前端安装电源防雷器,作为电源系统的三级防雷模块,降低残压,抑制冲击,提高设备寿命。
2.2.2、信号防雷部分
监控系统由分布在室内外各处的监控摄像机通过视频信号、控制信号传输至中心控制主机进行集中监控。为了防止雷电产生的感应过电压和过电流,在所有监控设备的电源线入口、信号线连接的设备两端均安装相应的避雷器。值得一提的是监控系统中的前端摄像机分为室外安装型和室内安装型,室内型摄像机信号传输线缆和电源供给线缆均通过"地埋"或金属屏蔽方式布线,遭受雷击的机会较少,如果在工程资金有限的情况下,室内部分摄像机可以不考虑防雷保护,但在每根信号线和控制线进入监控室之前必须安装相应的防雷器以免将雷电能量引入监控室。从室外进入监控室的视频线及数据控制线路,大都暴露户外,而且走线较长,最容易遭受雷电感应发生强大的感应电流,从而会通过线路损害连接设备及其后接设备。选择这类避雷器型号时要注意参照下述技术参数,避雷器的工作限制电压小于5—8伏,防雷最大通流量为10KA。
(1)信号防雷器:在矩阵的视频接口处安装视频信号电涌保护器,在监控主机的连接云台控制处安装控制信号防雷器对设备进行保护。
2.2.3、传输线路的防雷
a) 全球眼系统主要是传输信号线和电源线。室外摄像机的电源可从终端设备处引入,也可从监视点附近的电源引入。b) 控制信号传输线和报警信号传输线一般选用芯屏蔽软线,架设(或敷设)在前端与终端之间。c) GB50198-1994规定,传输部分的线路在城市郊区、乡村敷设时,可采用直埋敷设方式。当条件不允许时,可采用通信管道或架空方式,此时规定了传输线缆与其它线路的最小间距和与其它线路共杆架设的最小垂直间距。d) 从防雷角看,直埋敷设方式防雷效果最佳,架空线最容易遭受雷击,并且破坏性大,波及范围广,为避免首尾端设备损坏,架空线传输时应在每一电杆上做接地处理,架空线缆的吊线和架空线缆线路中的金属管道均应接地。中间放大器输入端的信号源和电源均应分别接入合适的避雷器。e) 传输线埋地敷设并不能阻止雷击设备的发生,大量的事实显示,雷击造成埋地线缆故障,大约占总故障的30%左右,即使雷击比较远的地方,也仍然会有部分雷电流流入电缆。所以采用带屏蔽层的线缆或线缆穿钢管埋地敷设,保持钢管的电气连通。对防护电磁干扰和电磁感应非常有效,这主要是由于金属管的屏蔽作用和雷电流的集肤效应。如电缆全程穿金属管有困难时,可在电缆进入终端和前端设备前穿金属管埋地引入,但埋地长度不得小于15米,在入户端将电缆金属外皮、钢管同防雷接地装置相连。
2.2.4、终端设备的防雷
a) 在全球眼系统中,监控室的防雷最为重要,应从直击雷防护、雷电波侵入、等电位连接和电涌保护多方面进行。b) 监控室所在建筑物应有防直击雷的避雷针、避雷带或避雷网。其防直击雷措施应符合GB50057-94中有关直击雷保护的规定。c) 进入监控室的各种金属管线应接到防感应雷的接地装置上。架空电缆线直接引入时,在入户处应加装避雷器,并将线缆金属外护层及自承钢索接到接地装置上。d) 监控室内应设置一等电位连接母线(或金属板),该等电位连接母线应与建筑物防雷接地、PE线、设备保护地、防静电地等连接到一起防止危险的电位差。各种电涌保护器(避雷器)的接地线应以最直和最短的距离与等电位连接母排进行电气连接。e) 由于有80%雷击高电位是从电源线侵入的,为保证设备安全,一般电源上应设置三级避雷保护。在视频传输线、信号控制线,入侵报警信号线进入前端设备之前或进入中心控制台前应加装相应的避雷保护器。f) 良好的接地是防雷中至关重要的一环。接地电阻值越小过电压值越低。监控中心采用专用接地装置时,其接地电阻不得大于4Ω。采用综合接地网时,其接地电阻不得大于1Ω。
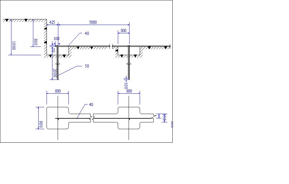
三、室外防雷部分
室外监控设备保护原理图如下:

a) 前端设备有室外和室内安装两种情况,安装在室内的设备一般不会遭受直击雷击,但需考虑防止雷电过电压对设备的侵害,而室外的设备则同时需考虑防止直击雷击。b) 前端设备如摄像头应置于接闪器(避雷针或其它接闪导体)有效保护范围之内。当摄像机独立架设时,避雷针最好距摄像机3-4米的距离。如有困难避雷针也可以架设在摄像机的支撑杆上,引下线可直接利用金属杆本身或选用Φ 8的镀锌圆钢。为防止电磁感应,沿杆引上摄像机的电源线和信号线应穿金属管屏蔽。c) 为防止雷电波沿线路侵入前端设备,应在设备前的每条线路上加装合适的避雷器,如电源线(220V或DC12V)、视频线、信号线和云台控制线等。d) 摄像机的电源一般使用AC220V或DC12V。摄像机由直流变压器供电的,单相电源避雷器应串联或并联在直流变压器前端,如直流电源传输距离大于15米,则摄像机端还应串接低压直流避雷器。e) 信号线传输距离长,耐压水平低,极易感应雷电流而损坏设备,为了将雷电流从信号传输线传导入地,信号过电压保护器须快速响应,在设计信号传输线的保护时必须考虑信号的传输速率、信号电平,启动电压以及雷电通量等参数。f) 室外的前端设备应有良好的接地,接地电阻小于4Ω,高土壤电阻率地区可放宽至 <10Ω。
四、等电位工程
等电位连接,就是把建筑物内、附近的所有金属物以及其它大型埋地金属物、电缆金属屏蔽层、电力系统的地线和建筑物的接地、设备外壳地,计算机信号工作地等全部用电气连接的方法连接起来,使整个建筑物及其内部设备形成一个良好的等电位体,从而避免了当雷电流泄放不及时电源地、信号地、外壳地之间的电位差,使设备免于遭受高电位反击和雷击伤人事故。并且,避雷器地需与建筑物地相连,使之成为等电位。
接地和等电位连接方式,可参看下图:

等电位的工程实施如下:
沿监控室的四面墙角铺设一条30×3MM的铜带(汇集排);
把铜带与建筑物的主钢筋或地网相连;
把监控室设备的电源PE线、设备地线、等电位接地线等与汇集排连接
五、地网工程
地阻不合标准(>4Ω或无),须进行地网施工,在大楼外做一环形状地网,地沟开挖深度0.8-1.0米,埋地极深度2-2.5米,水平接地极距地表距离0.8米,垂直接地极与高效接地模块间距3-5米,在地沟内均匀敷降阻剂,起到防腐、降低地电阻,使地阻不大于4欧姆;将地网线通过管井引入监控室内,在合适的地方作铜汇集排(如下图所示):

六、安装施工说明
⑴ 电源防雷设备的引线应采用截面积不小于16mm²的多股铜导线,并尽可能短(引线长度不宜超过1.0m)。当引线长度超过1.0m时,应加大引线的截面积。引线应紧凑并排或绑扎布放。信号防雷设备接地线截面积不小于2.5 mm²(不长于1.0m),并且不能与信号线绑扎布放。
⑵ 电源防雷箱的接地线应使用不小于25~35mm²的多股铜导线,并尽可能就近与交流保护地汇流排、或总汇流排、接地网直接可靠连接,且不能折弯或盘绕。
⑶ 防雷箱正常工作的条件必须满足: 电网供电电压必须不超出防雷箱的最大工作电压,对于电压变化较大的电网,应该选用最大工作电压更高的防雷箱。
⑷ 安装前应做好充分的准备,如连接导线的长度、接线端子和螺丝的大小等应先根据现场情况确定好。严禁带电安装电源防雷箱。
⑸ 在中断市电来安装电源防雷箱的同时,应确保备用电源供电正常。
⑹ 防雷设备安装时应该合理走线,避免二次感应现象的产生。;
⑺ 安装防雷设备时,应与有关部门密切配合,商讨最佳时机和制订最佳应急方案,保证对正常工作的影响降到最小。安装时应在尽量短的时间内完成。
⑻ 地网引线截面积不小于25mm2,并就近与等电位排相连接。
七、工程质量保证体系及质量标准
为了确保工程质量,应从工程方案设计,到产品的选用、安装全过程都遵照中华人民共和国国家标准GB50057-94(2000年版)建筑物防雷设计规范去设计安装的。并设立由专业技术人员承担的工程项目负责人技术责任制,现场施工设立质量监督员。在施工过程中,严格按照合同内容、工期和安装质量要求进行施工安装,工程质量符合标准要求。
1、工程设计:工程合同签订后,工程部即派工程技术人员到现场实地勘察,根据用户要求和现场考察的实际情况进行工程设计并制定施工方案。
2、产品制造:符合国家、行业与企业标准
《建筑物防雷设计规范》 GB50057-94
3、工程验收:严格按照国家标准 GB50057-94《建筑物防雷设计规范》及武汉维京电气有限责任公司企业标准GCB-JOO1《防雷工程施工安装及验收技术要求》(参照国家标准征求意见稿制定)、GCB-J002《防雷工程施工条例》的要求进行验收。
PAGE
11