谷老师2020中考物理专用复习系列资料
2019全国中考物理经典题目汇总

第二部分:电学部分
结合2012年至2019年云南省中考省考试卷分析,电学部分必然为今年中考物理考察重点,所占分值也极大,预测最大能达到占分50%,精电学赢中考。
针对2020年中考物理考点预测:
1. 电荷以及其相互间的关系。
2. 串联分压并联分流的深入掌握及扩展运用。
3. 动态电路及故障电路分析。
4. 利用二元方程求解电学问题。
5. I-U和I-R实验中的细节处理,以及特殊阻值法测电阻实验。
6. 家用电路知识点掌握以及家用电路故障处理。
7. 关于灯泡正常发光及发光亮暗问题处理。
8. 电功率各公式在题目中的具体运用。
9. 滑动变阻器取值范围及其引起的电功率极值问题。
10. 利用二次函数解决滑动变阻器最大阻值问题。
11. 电流的热效应引出的电动机电能转换效率问题。
12. 家用电路档位问题。
13. 常见电学物理量辨析。
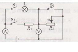
(2019北京)11. 图6所示的电路中,电源两端电压保持不变,当开关S闭合时,灯L正常发光,如果将滑动变阻器的滑片P向右滑动,则下列说法中正确的是

A. 电流表的示数变大,灯L变亮
B. 电流表的示数变大灯L变暗
C. 电流表的示数变小,灯L变亮
D. 电流表的示数变小,灯L变暗
(2019天津)8.利用图5所示的装置,可以进行的实验是
A.探究通电螺线管外部磁场的方向
B.探究通电导体在磁场中受力情况
C.探究电磁铁磁性强弱与哪些因素有关
D.探究导体在磁场中运动产生感应电流的条件

(2019天津)19.如图13所示的电路,电源电压保持不变,闭合开关S,滑动变阻器滑片P从a端移
动到b端的整个过程中,电流表示数I与电压表示数U的关系图象如图14所示。则
电阻R1的阻值为________Ω;当变阻器滑片P处于a端时,电阻R1消耗的电功率为________W。


(2019天津)20.(7分)某电热水壶铭牌的部分信息如下表所示。该电热水壶正常工作时,把1kg水从20℃加热到100℃用时7min。已知c水=4.2×103J(kg℃),求:
(1)水吸收的热量;

(2)电热水壶的热效率。
(2019重庆A)8.具有防雾除露、化霜功能的汽车智能后视镜能保障行车安全,车主可通过旋钮开关实现功能切换。图5是模拟加热原理图,其中测试电源的电压为10V,四段电热丝电阻均为10Ω,防雾、除露、化霜所需加热功率依次增大。下列说法正确的是 ( )
A.开关旋至"1"档,开启化霜功能 B.开启防雾功能,电路总电阻为5N
C.化霜与防雾电路的总功率之差为15W D.从防雾到除露,电路总电流变化1A

(2019重庆A)12.图8的电路中,电源电压可调,灯L上标有"6V 6 W"的字样,R1的阻值为10Ω,滑动变阻器R2上标有"50Ω 2 A"的字样,两表的量程分别是0~3 A和0~15 V。闭合S1S2S3,调节电源电压使灯L正常发光,则此时通过灯L的电流为______ A。 当只闭合开关S2时,移动滑片P,保证电路安全前提下,要求至少有一个电表示数不低于量程的一半,则电源可调的最高电压与最低电压的差值为_________V。

(2019重庆A)19.图16甲的储水容器底有质量0.5 kg,底面积100 cm2的长方体浮桶,桶上端通过轻质弹簧与紧贴力敏电阻的轻质绝缘片A相连,距容器底0.4 m处的侧壁有排水双控阀门。控制电路如图16乙所示,其电源电压U=12 V,R,=10Ω,当电流表示数为0.6 A,且桶底升至阀门所处高度时,阀门才感应排水。力敏电阻R与它所受压力F的对应关系如下表所示(弹簧均在弹性限度内)。求:

图16
(1)浮桶的重力是多少牛?
(2)未加水时,力敏电阻所受压力为2N,电流表的示数是多少安?
(3)当容器内的水深达到多少米时,双控阀门才打开排水?
(2019重庆B)12.(1分)如图,电源电压保持不变,滑动变阻器的滑片P移动到某一位置不动,然后改变电阻箱R'的阻值,得到多组电流、电压值,记录如表。第4次实验时电阻箱的电功率为 W;分析数据发现电阻箱在第2、6次(或第3、5次)实验时电功率相等,由此推理电阻箱在第1次与后面第n次实验时的电功率也相等,则第n次实验时电阻箱的阻值为 Ω。

(2019重庆B)21.(8分)特高压技术可以减小输电过程中电能的损失。某发电站输送的电功率为1.1×105kW,输电电压为1100kV,经变压器降至220V供家庭用户使用。小明家中有一个标有"220V 2200W"的即热式水龙头,其电阻为R0,他发现冬天使用时水温较低,春秋两季水温较高,于是他增加两个相同的发热电阻R和两个指示灯(指示灯电阻不计)改装了电路,如图,开关S1可以同时与a、b相连,或只与c相连,使其有高温和低温两档。求:
(1)通过特高压输电线的电流;
(2)改装前,若水龙头的热效率为90%,正常加热1分钟提供的热量;
(3)改装后,水龙头正常工作时高温档与低温档电功率之比为4:1,请计算出高温档时的电功率。

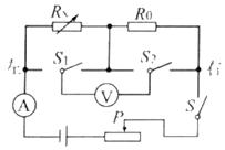
(2019南京)12.(2分)如图所示电路,电源电压恒为4.5V,定值电阻R0的阻值为10Ω,滑动变阻器的最大阻值为30Ω,电阻箱Rx最大阻值为999.9Ω,电流表量程为0~0.6A,电压表量程为0~3V.闭合开关S,下列说法正确的是( )

A.S1、S2均向左闭合,Rx允许接入电路的最大阻值为20Ω
B.S1、S2均向右闭合,电路允许消耗的最大功率为2.7W
C.S1向左、S2向右闭合,Rx允许接入电路的最大阻值为60Ω
D.S1向右、S2向左闭合,只调Rx使电流表示数减半后其阻值一定大于原来的2倍
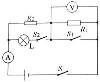
(2019南京)18.(4分)如图所示,电源电压恒定,R1、R2为定值电阻,R2=20Ω,灯泡L标有"6V 3W"字样。
(1)当S、S1、S2都闭合时,灯泡L正常发光,电流表示数为 A,电路消耗的总功率为 W;
(2)当S闭合,S1、S2断开时,电压表示数为2V,则R1的阻值为 Ω,通电1minR1产生的热量为 J。

(2019南京)22.(2分)根据小磁针静止时所指方向,在图中画出通过小磁针中心的一条磁感线,并标出电源的正极。

(2019南京)30.(10分)在综合实践活动中,科技小组设计了一个由压敏电阻控制的报警电路如图所示,电源电压恒为18V,电阻箱最大阻值为999.9Ω.报警器(电阻不计)通过的电流达到或超过10mA会报警,超过20mA会损坏。压敏电阻Rx在压力不超过800N的前提下,其阻值随压力F的变化规律如下表所示。
(1)为不损坏元件,报警电路允许消耗的最大功率是多少?
(2)在压敏电阻Rx所受压力不超过800N的前提下,报警电路所选滑动变阻器的最大阻值不得小于多少?
(3)现要求压敏电阻受到的压力达到或超过200N时,电路报警按照下列步骤调试此报警电路:
①电路接通前,滑动变阻器滑片P置于b端;根据实验要求,应将电阻箱调到一定的阻值,这一阻值为 Ω;
②将开关向 端(填数字)闭合,调节 ,直至 ;
③保持 ,将开关向另一端闭合,报警电路即可正常使用。
(4)对(3)中已调试好的报警电路,现要求压敏电阻受到的压力达到或超过700N时,电路报警,若电源电压可调,其它条件不变,则将电源电压调为 V即可。

(2019杭州)8.如图是一电动机提升物体的示意图,电源电压为120伏。电动机将一个质量为50千克的物体1秒内匀速上提0.9米,电路中的电流为5安培,(g取10牛/千克)(1)求该电动机工作1秒钟所产生的电热。(2)求电动机线圈阻值。(3)当该重物上升到一定高度时,电动机的转子突然被卡住,为什么这种情况下电动机容易烧坏?

(2019武汉)18. 如右图所示是某同学家常用的一个插线板。他在使用中发现:插线板上的指示灯在开关断开时不发光,插孔不能提供工作电压;而在开关闭合时指示灯发光,插孔可以提供工作电压;如果指示灯损坏,开关闭合时插孔也能提供工作电压。下图中,插线板电路连接符合上述现象及安全用电要求的是

(2019河南)

13、在家用电器调查活动中,小亮让电热水器单独工作2min,测得家中如图所示的电能表的转盘转了70r,热水器的实际功率为______W;若不计能量损失,这段时间内热水器中50L的水可升温______℃.由于热水器的功率远大于冰箱,从安全用电的角度考虑,热水器的电源线比冰箱的要______(选填"粗"或"细")。[已知ρ水=1.0×103kg/m3,c水=4.2×103J/(kg•℃)]
(2019武汉)20. 如图所示,电源电压U 保持不变,滑动变阻器R0的最大电阻是50Ω。当开关 S1闭合、S2和S3断开,滑动变阻器的滑片在最右端时,电压表示数是 U1,R1 的功率是P1;当开关S2闭合、S1和S3断开,滑动变阻器的滑片在最左端时,电压表示数是U1`,R2和 R3的功率之和是3.2W;当开关 S1、S2和 S3 都闭合,滑动变阻器的滑片在最左端时,R1的功率是P1`;已知 R2︰R3=3︰1,U1︰U1′=3︰2,P1︰P1′=1︰36。
下列结论正确的是
A. 电源电压是 12V B. R2的阻值是 30Ω
C. 电流表的最大示数是 2.1A D. 该电路的最大功率是 64W

(2019长沙)11.如图是小海设计的温度测量仪的电路,R1 是定值电阻,R2 是阻值随温度升高而减小的热敏电阻。当 R2 的温度随环境温度降低时( )

A. 电流表的示数增大
B. 电压表 V1 的示数增大
C. 电压表 V2 的示数增大
D. 电压表 V2 的示数减小
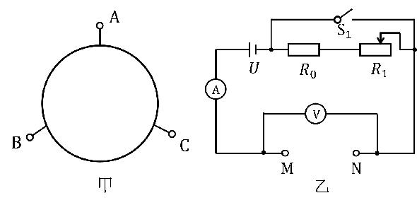
(2019长沙)24. 在某次科技活动中,刘老师给同学们展示一个如图甲所示的黑盒子,绝缘外壳上有 A、B、C 三个接线柱。刘老师告诉同学们,盒内电路由两个定值电阻连接而成。小海同学设计了如图乙所示的电路来研究盒内电阻的连接情况及其电功率。已知电源电压恒定不变,R0 是阻值为 3Ω的定值电阻,R1 是滑动变阻器。小海进行了如下的实验操作:
(Ⅰ)把 BC 两个接线柱接到 MN 之间,只闭合开关 S,将 R1 的滑片移至最左端时,电压表示数为 1.8V,电流表示数为 0.6A;(Ⅱ)用导线把 AC 连接起来,再将 AB 接线柱接入 MN 之间,闭合开关 S 和 S1,此时电流表示数为 1.8A;
(Ⅲ)把 AC 两个接线柱接到 MN 之间,小海发现将 R1 的滑片从某位置移至最右端或最左端时,电压表的示数均变化了 0.45V,电路的总功率均变化了 0.18W。
(1)请根据操作(Ⅰ)求出黑盒子 BC 间的电阻;(2)在操作(Ⅱ)中,求黑盒子工作 100s 消耗的电能;
(3)①请画出黑盒子内的电路图,并标明各电阻的阻值;
②小海接下来继续研究,他将 AB 两个接线柱接到 MN 之间,只闭合开关 S。移动 R1 的滑片,黑盒子的电功率会随之变化,求此过程中黑盒子的最大电功率与最小电功率之比。

(2019成都)13.实验小组为医院病房设计呼叫电路,在病人需要护理时,闭合床头开关,就能及时通知值班室里的护士,图中最合理的设计方案是( )

(2019成都)25.(6分)在如图甲所示的电路中,电源电压恒定不变.R1、R2为定值电阻,已知电灯L的伏安特性曲线(即电流随两端电压的变化图像)如图乙所示。当开关S1、S3闭合,S2断开时,电流表的示数为0.26A;当开关S2、S3闭合,S1断开时,电流表的示数为1.25A;当开关S3闭合,S1、S2断开时,电流表的示数为0.2A。求: (1)当开关S1、S3闭合,S2断开,5min内电路消耗的电能是多少? (2)当开关S3闭合, S1、S2断开,R,2消耗的电功率是多大?

(2019成都)2.如图所示,将手机充电器插入家庭电路插座中,即可为手机充电。充电器为手机充电时的输出电压约为( )
A.1.5V B.5V C.l10V D.220V
(2019安徽)9.图示电路中,U=12 V,R1=6 Ω,R2=3 Ω,R3=4 Ω。当S2断开、S1闭合时,电阻R1消耗的电功率为 W;当S1、S2都闭合时,6 s内电流通过R2产生的热量是 J。

(2019安徽)23.图示为"研究小灯泡灯丝的阻值变化特点"的电路图。实验所选用的器材均能符合实验要求,其中部分器材的规格如下:小灯泡(额定电压3.8 V,额定电流0.32 A);电压表(量程3 V,内阻3000 Ω);电流表(量程500 mA,内阻0.5 Ω),定值电阻R0(阻值1000 Ω)。按电路图连接好电路,闭合开关,调节滑动变阻器的滑片至某一位置时,发现电压表的示数为2.7 V,电流表的示数为315 mA。求此时
(1)小灯泡两端的电压;
(2)通过小灯泡的电流;
(3)小灯泡灯丝的阻值。

(2019安徽)32. (6分)空气质量指数是环境监测的重要指标,下表的空气质量等级是按照空气质量指数A划分的。某兴趣小 组自制的空气质量监测仪,用电压表显示空气质量指数,工作原理电路图如图21。已知电源电压U=18 V,电压表量程为0 ~ 15 V,定值电阻R0的阻值为100 Ω,气敏电阻阻值R与A的关系为R=103Ω
(1)通过计算,判断电压表示数为10 V时对应的空气质量等级。
(2)更换定值电阻他可改变监测仪的测量范围,若要使电压表满偏时对应的空气质量指数A= 400,则更换

后的定值电阻反的阻值应为多大?
(2019安徽)34.(8分)如图一1为某校物理小组设计的具有加热和保温功能的电热器内部简化电路。
Rt为热敏电阻,阻值随温度升高而减小。R1、R2、R3均为电热丝,且R1= R2=400Ω。闭合开关S1、S2,电热器开始加热。

(1) 控制电路中,电磁铁的上端是 极
(2)加热时,动触点a与上方静触点b、c接通,工作电路的总功率是多少?
(3)电磁铁对衔铁的吸引力F与控制电路中电流I的关系如图一2所示。当电磁铁对衔铁的吸引力为1N时,动触点a与下方静触点d接通,进入保温状态,此时热敏电阻Rt的阻值是多少?(电磁铁线圈电阻不计)
(4)保温状态下,R1的功率为64w,则工作电路30s消耗的电能是多少?

(2019河南)8、如图为一款"智能照明灯"的电路,灯L天暗时自动发光,天亮时自动熄灭。控制电路中,电源电压恒定,R1为定值电阻,R2为光敏电阻,其阻值随光照强度而变化。以下说法正确的是( )

A. 电磁继电器利用电磁感应原理工作B. 的阻值随光照强度的增大而增大
(2019河南)16、某款水位自动测控仪的测量原理如图甲所示,电源电压U恒为15V,定值电阻R0=10Ω,R1为一竖直固定光滑金属棒,总长40cm,阻值为20Ω,其接入电路的阻值与对应棒长成正比。弹簧上端固定,滑片P固定在弹簧下端且与R1接触良好,滑片及弹簧的阻值、重力均不计。圆柱体M通过无伸缩的轻绳挂在弹簧下端,重80N,高60cm,底面积为100cm2.当水位处于最高位置A时,M刚好浸没在水中,此时滑片P恰在R1最上端;当水位降至最低位置B时,M的下表面刚好离开水面。已知弹簧所受拉力F与其伸长量△L的关系如图乙所示。闭合开关S,试问:(1)当水位下降时,金属棒接入电路的长度______,电压表示数______。(两空均选填"增大"或"减小")(2)当水位处于位置A时,电压表的示数为多少?(3)水位由位置A降至B这一过程,弹簧的长度增加了多少?电压表的示数变化了多少?(已知ρ水=1.0×103kgm3,g取10N/kg)

(2019黄冈)17.某型号电热水瓶具有加热、保温、电动出水及干烧断电功能。其简化电路如图所示。S1是壶底温控开关,通常闭合,当壶底发热盘的温度达到120℃自动断开。S2是壶壁温控开关
按下时对水加热,水烧开后自动断开,电热水处于保温状态。S3是电动出水开关,按下时闭合,电磁泵将水抽出。已知电热水瓶保温功率为50w,加热功率为1000W。
(1)电热水瓶处于保温状态且不抽水时,电路中的电阻是多大?
(2)闭合S1,电磁泵两端电压为12V。已知R3阻值为200Ω,求电磁泵的电功率。
(3)若水烧开后,S2没有自动断开,则瓶里的水烧干后,经过多长时间,S1才会断开?已知
发热盘质量为0.5kg,比热容为0.5x103J/(Kg・℃)。设水烧干瞬间,发热盘的温度为110℃,不计据失。

(2019江苏)11.额定电压均为6V的甲、乙两灯,U-I图线如图所示下列说法正确的是

A. 甲、乙两灯的电阻均随电压增大而减小
B. 甲、乙两灯的额定功率之比为4:1
C. 甲、乙两灯并联接在电压为2V的电源两端时,电阻之比为3:2
D. 甲、乙两灯串联接在电压为8V的电源两端时,实际功率之比为1:3
(2019内蒙古)17.如图所示,电源电压恒定为6V,电阻R1=12 Ω,滑动变阻器在本题中阻值不变,R2=12 Ω,灯泡L标有"6V 3W"字样,其电阻阻值不变。
(1)开关全部闭合时,电压表与电流表的示数是多少?
(2)闭合S与S2,S1不闭合,求电路消耗的总功率。


(2019绵阳)31.某一天晚上睡觉前,小文同学用有预约功能的电饭煲为家人第二天早餐煲粥。小文将大米等食材放入电饭煲内,接通220V家庭电路,经过了待机、加热、保温三个过程,早餐前断开电源,电饭煲消耗的电功率随时间变化的图像如图甲所示,电饭煲加热过程消耗的电能是______kW·h。已知小文家电饭煲加热和保温部分基本电路原理如图乙所示,S是接通家庭电路的开关,S1是自动开关,R1和R2为电阻不变的电热丝,则R2=_____Ω。
(2019绵阳)35.(8分)

甲、乙两地相距100km,在甲、乙两地之间沿直线架设了两条用同种材料制成的粗细均匀的输电线,投入使用前,需要对输电线进行测试。技术人员在甲地用电源、电压表和电流表接成如图所示电路进行测试,当在乙地输电线两端接入阻值为10Ω的电阻时(图中未画出),电压表示数为5.0V,电流表示数为0.10A;保持电源电压不变,技术人员在某处将输电线线设置成短路(图中未画出),再次测试时,电流表示数为0.25A。求:
(1)甲、乙两地间每条输电线的电阻值;
1