集成运算放大电路(简称集成运放)是一种基本的实用电路。它被广泛地运用于仪器、仪表、控制设备等电子线路中。
失调电压是集成运放的一个很重要的技术指标。为了提高控制精度,人们往往要求集成运放在输入信号为零时,输出亦为零,即零位输出。然而,由于线路内部制作等客观条件的限制,这一点很难实现。也就是说,当输入为零时,其输出并不等于零。这种电压的偏移就是所说的输出失调电压,折合到输入端,即称为输入失调电压。为了确保零位输出,常用的方法是通过在器件的调零端外接电位器来实现,称为集成运放的调零。
集成运放的优势就在于使电路小型化和低成本。而运放的调零电位器在体积、重量、甚至成本均与集成运放本身不相上下,这就形成了一个矛盾,如何解决它呢?
只要对集成运放应用的不同场合及整个电路系统做一个简要的分析,抓住主要矛盾,就可使问题迎刃而解。
一、可忽略调零设置的几种情况
1.对于某些非线性电路,由于作用的不同,如图1、2所示的方波发生器和比较器电路。因为此时运放工作在正向或负向饱和输出状态,VO=VCM(或VO=-VCM),当输入为零时,其输出是否为零变得无关紧要,故此类电路可无需设置调零。

图1 方波发生器电路

图2 比较器电路
2.对于某些工作在小信号放大状态的交流放大电路。如图3所示。若输出交流电压幅度较小,且电路闭环增益不是很高,这时即使静态输出偏离零电位,也不致影响运放的小信号交流输出,也不必进行调零。但是对较强信号的放大电路,尤其是希望得到尽可能大且不失真的交流输出幅度的情况下,则应调零。

图3 交流放大电路
3.在某些要求不高的直流放大电路,由于放大器的输出失调电压与放大器的闭环增益成比例,故在闭环增益较低(仅几倍)或是在电压跟随器、反相器等应用场合,一般失调电压均在10mV 以下,在要求不高的前提下,为简化电路、降低成本,也可不必调零。
二、多级运放的调零方法
大多数的控制电路对精度的要求都很高,而电路的形式又往往是以多级运放电路级联组成,每级放大器都具有很高的增益,并且又是多级串接,由AV= A1·A2……可知,有时增益可高达几万倍甚至更多。这时,是不是需要逐级调零呢?其实,是大可不必的。
分析可知:多级运放中每级的零位电压对放大器的总的零位输出的影响因所处位置的不同而不同,前级放大器的零位要经过后面几级放大才送至输出端,所以,前置放大级是否调到零位对整个电路系统影响最大,而后续级相对来说影响就小得多了。因此,对这类电路,只需对第一级设置调零电路,即可达到控制总的零位输出的效果。例如图4所示的一种电机转速制电路。

图4 电机转速控制电路
图4所示电路中仅在第一级运放A1设置了调零电位器W1,通过调节W1即可使整个电路的输出电压为零。这是因为:作为整个电路,应使得第一级输入为零时,输出电压VF也应为零。而对每级的输出,诸如Vo1、Vo2、Vo3是否精确为零可不作严格要求,尽管第二级的闭环增益很高,有A2=-RF2/R1=-5.6MΩ/8.2kΩ=-683,若第二级A2不调零,即使它存在-5mV的输入失调电压,那么在第一级Al完成调零的前提下,第二级的输出失调电压可达Vo2=3.4V左右,这个影响是不能忽略的。
但是,当在A2的输入端人为地加一个+5mV的“信号”,这个信号是通过调节W1,使Al的输出为5mV,就能补偿A2的失调电压,使Vo2=0。同理,对其它级亦如此,均可通过调节W1使Vo1到某一适当值,而最终使输出VF=0,也就是说第一级的调零实际上是全局意义的调零,这样既节省了两只电位器,又使调试过程大大简化,不失为一种事半功倍的作法。
三、无调零端运放电路的处理
有些型号的集成运放没有设置调零管脚,而某些集成运放实际需要进行调零,则可根据有关资料介绍的电路来完成调零,如图5、6所示。此外,集成运放除了应保证零位输出以外,还有另外一个非常重要的技术指标——温度漂移,简称温漂。一些高质量、高精度的放大器电路,既要求减小失调电压,又要抑制温漂。同样道理,第一级的温漂对输出的影响最大,某些调零电位电路不仅可以解决零位输出问题,也可以解决温漂。总之,二者应协调考虑了。

图5 反相端调零电路
图5是一种较简单的电路,它利用输入电阻R1和反馈电阻R2作为衰减网络的一部分,连同电阻R3在反相输入端产生一个可变的失调电压。该电压由R3和R1∥R2分压。电位器R4两端接±15V电源,上述分压比约为1000/1,即可以得到±15mV的失调电压范围。对于图5,其失调电压调整范围的一般计算公式为:
失调电压范围=±VD·[(R1∥R2)/R3] (±VD=±15V)
当在反相端有多个输入信号时,如图5中虚示线所示,其失调电压范围为:
多输入失调电压范围=±VD[(R1∥R2∥Rl')/R3] (±VD=±l5V)

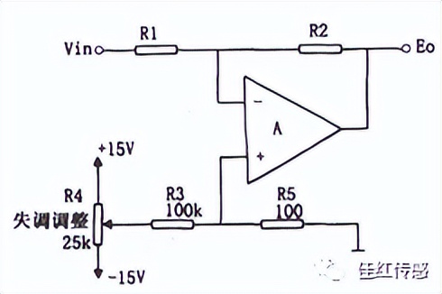
图6 同相端调零电路
图6所示电路具有广泛的应用价值,因为调整电压与反馈元件无关,同时,调整电压加在同相输入端,避开了反馈信号通路。在这个电路中,R3和R5的阻值(100kΩ、100Ω)构成了1000/1的分压电路,R5两端将得到±15mV的失调电压调整范围。当R3、R5为其他数值,其失调电压调整范围由下式决定:
失调电压调整范围=±VD·(R5/R3) (±VD=±l5V)
电阻R3和R5的阻值要求不太严格,实际上最好把R5选在1kΩ以下。
比较上述两式,显然前者的调整电压范围较宽。后者欲加大电压调整范围.可适当改变电阻R5的大小。

图7 不改变精密运放漂移的失调调零电路
不改变精密运放漂移的失调调零电路如图7所示。图(a)为低漂移精密运放,图(b)为加法器失调调零电路。由图(b)可知当R4=RF2时,A2=1即为跟随器。对于图(a),若R1=R2=1kΩ,R3=RF1=1MΩ,则Vo1=R3/(R2 R3)・(1 RF1/R1)・Vi2-RF1/R1・Vi1。显然A1的电压增益很大,因而其输出电压中将含有A1的失调电压。当把A1的输出加到A2的输入端时,在A2的输出端就包括两级(A1和A2)的失调电压成分。A2的反相输入端外接R5和电位器Rp,它们构成失调调零网络,Rp的两端分别加±15V的电源电压,调整电位器Rp的滑动臂,可微调A2的偏置电流,故可使A2的失调输出为零。因A1的增益大,A2的Av2=-1,因而Vo中的失调电压主要决定于A1,同时,因为A2的失调电压输出较小,故A2可采用一般通用的集成运放,而A1需采用高精度的集成运放,这种调零方法具有通用意义。