
定流量水系统的弊端
(1)管路系统的摩擦损耗
冷冻水在管路系统中流动时,存在着摩擦损耗,其大小与流量的平方成正比。在定流量水系统中,无论末端负载如何变化,都始终保持在100%的大流量运行,管路损耗是很大的,其富余流量的能耗都消耗在管路的摩擦损耗上了。

(2)三通阀的运行特性
定流量水系统的特征,是末端换热器中的水流量采用三通阀进行调节控制。一般有三种情况:
末端满负载:直通管全开,旁通管关闭;
末端零负载:直通管关闭,旁通管全开;

末端部分负载:直通管和旁通管均部分开启;
在三通阀的回路中,只有在换热器全负载或零负载两种情况下,流过管路的流量才等于设计流量。
末端部分负载时,末端换热器和旁通管中都有冷冻水流过,旁通管的并联作用会使管路的阻力损耗减小,若水泵提供的资用压头不变,则流过管路的流量将大于设计值。

例如,一个冷冻水系统有五个并联环路,若分别在0% 、25%、50%、75%、100%负载状况下运行,三通阀管路与二通阀管路的实际流量情况,对比如下表:
| 三通阀开度(%) | 换热器设计流量(m3/h) | 三通阀实际流量(m3/h) | 二通阀实际流量(m3/h) | 回水温度预测(℃) |
| 0 | 136 | 136 | 0 | 7 |
| 25 | 136 | 153 | 34 | 9.7 |
| 50 | 136 | 170 | 68 | 9 |
| 75 | 136 | 153 | 102 | 9.7 |
| 100 | 136 | 136 | 136 | 12 |
| 合计 | 680 | 748 | 340 | 平均9.5 |
可见,定流量系统在负载减小时,流量不是减小而是增大。导致系统总流量增大,必须增开冷水机组。
(3)定流量系统的弊端
综上所述,三通阀系统主要存在以下弊端:
· 总的水流量大;
· 回水温度低;
· 部分负载时,管路系统远端并联的末端换热器供水不足,出现制冷效果不均衡;
· 增开额外的冷水机组,使系统的效率降低。
克服定流量水系统弊端的办法:
采用二通阀来代替三通阀,使其能够按照负载的变化调节流经末端换热器的冷冻水流量,既能满足负载对冷量的需求,又能减小冷冻水的输送能耗。
就是以变流量水系统取代定流量系统。
变流量管路系统
(1)调节二通阀的控制特性
等比例调节二通阀的特性
等比例二通阀由阀门和执行器组成。阀门则由阀体、阀座、阀盖、阀瓣、阀杆等零件组成。
工作时,在电动执行器的作用下,阀杆带动阀瓣做上升或下降运动,改变阀瓣与阀座之间的流通面积,以调节和控制流过的水流量。
等比例阀具有受人喜爱的流动特性——二通阀的开度K与末端换热器的负荷Q成线性比例变化,它提供了一个准确控制流量以适应末端负载变化的手段。

调节二通阀的阀权度β
即阀门全开并处于设计流量时,阀门的压力降ΔPmin占阀门所在串联环路(包括阀门本身)总压力降ΔPmax的比值。
β=ΔPmin/ΔPmax
阀权度β小,说明通过阀门两端的压差变化较大,阀门本身的特性会产生较大的偏离与震荡,从而影响其控制效果;同时也说明环路间的互扰现象比较严重。
当阀权度β低于某一值时,阀门的控制将是不稳定的。为了使二通阀能进行准确而稳定的控制,就要求二通阀上的压差不可变化太大,其最高压差与最低压差之比不宜大于4倍,亦即βmin不应小于0.25。
阀权度β大,可提高阀门的调节品质,有利于控制精度的提高。但阀权度大,必将增加空调水系统的阻力,导致对水泵扬程需求的增加,给系统的运行节能带来不利的影响。因此,阀权度的选择是一个涉及调节性能和系统能耗的综合问题,一般阀权度保持在0.5左右为宜。
二通阀控制与变流量的形成
二通阀开度K增大时,阀门的压降从H1减小到H2,水泵的工作点从性能曲线的M1右移到M2,使流量从G1增大到G2;相反,二通阀开度K减小时,阀门的压降从H1增大到H3,使水泵的工作点从M1左移到M3,使流量从G1减小到G3。
改变阀门开度以调节流量,实质上是维持水泵的特性曲线不变而改变管路的特性曲线,因为调节阀门开度就是调节管路的阻力。

(2)一次侧-二次侧管路系统
T形管定律
变流量管路系统的构建,得益于T形管定律。所谓T形管定律,简单地说就是:流进T形管的流量等于其流出的流量。

一次侧-二次侧管路系统
如果将两个T形管,用一小段管道紧邻地接合在一起,则中间AB段的压降非常小,就构成了一个简单的一次侧-二次侧管路系统。

一次侧和二次侧中间的共用管路AB,通常称为桥管、盈亏管或平衡管。
平衡管将整个系统分隔为两个水力工况相对独立的回路,两个回路内流动的水流彼此独立、互不影响。
两个回路均可设置循环水泵为各自回路提供循环动力。一次回路与冷水机组相连,作为冷冻水的制造回路,因此,一次侧又称为冷源侧;而二次回路与末端换热器相连,作为冷冻水的输配回路,因此,二次侧又称为负荷侧。
一次侧-二次侧管路系统,也就是通常所说的二次泵系统,或称为复式泵系统。
二次泵系统实现了一次侧与二次侧水力工况的隔离,具有分布式水泵水力稳定性好的特点:一次水泵只需克服一次回路的压降。二次水泵则独立于一次回路来运转,其扬程只需克服二次回路的压降。
一次侧与二次侧之间的流量关系
一次侧流量等于二次侧流量
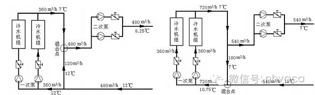
冷冻水的制造流量正好等于配送流量,系统的一次侧与二次侧达到流量匹配,平衡管中没有任何水流通过。但实际中,这种理想状况极少发生。

一次侧流量小于二次侧流量
根据T形管定律,二次侧多余的12℃流量会流入平衡管,并与一次侧供水混合,导致二次侧供水温度升高,这就需要更多的冷冻水流量及更长的运行时间才能达到末端要求的制冷效果,增大了二次泵的能耗。
一次侧流量大于二次侧流量
一次侧多余的7℃冷冻水便会流入平衡管,然后与二次侧回水混合,导致流入一次侧冷水机组的回水温度降低,使冷水机组在部分负荷工况下运行,一次侧运行效率降低。

二次泵变流量系统
(1)定速变流量系统
采用多泵并联在工频定速下运行的水系统,即为定速变流量系统。多泵并联运行的目的,是可以通过增减运行的水泵台数实现水流量的调节。
多泵并联定速运行的几种组合形式
通常都选用性能相同的水泵并联,常用的并联组合方式有三种:

相同水泵并联运行的特性分析
曲线Ⅰ、Ⅱ为每台泵单独工作时的特性曲线,R为管路特性曲线,Ⅰ+Ⅱ为两台泵并联工作时的等效合成特性曲线。M为并联泵组的等效工作点,流量为GM,扬程为HM。
A点为未并联时每台泵单独运行时的工作点;B点为并联工作时每台泵的实际工作点。B点决定了并联时每台泵的工作参数,流量为GB,扬程为HB。并联工作的特点是:扬程彼此相等,总流量为每台泵输送流量之和,即GM =2GB。
泵并联前后的流量参数比较: GB<GA<GM<2GA
与单台泵在同一管路中的工作点A相比,并联泵组不仅使流量增加,压头也随之有所增加。

多台水泵并联工作时,管路特性曲线越平坦越好,如果管路特性曲线较陡,管路的阻力大,将影响并联效果;相反,水泵的特性曲线应当陡一些为好,若水泵的特性曲线越平坦,并联后的总流量GM反而越小。
从并联泵的数量来看,并联台数越多,并联后所能增加的流量就越少,即每台泵实际输送的流量大幅度减少,故并联泵台数过多是不经济的。并联水泵工作时流量的变化情况如下表:
| 并联水泵台数 | 总流量 | 总流量的增加值 | 每台泵实际流量 | 每台泵减少的流量 |
| 1 | 100% | — | 100% | 0% |
| 2 | 190% | 90% | 95% | 5% |
| 3 | 251% | 61% | 84% | 16% |
| 4 | 284% | 33% | 71% | 29% |
| 5 | 300% | 16% | 60% | 40% |
定速变流量系统二通阀上的压差变化
二次泵扬程克服的阻力,包括二次管网、末端换热器和二通阀的压降。除二通阀以外,管路的损耗随着流量的平方而变化。流量增大,则管路损耗成平方倍增大。而水泵提供的扬程却减小。相反,当流量减小时,管路损耗成平方倍减小,但水泵扬程反而增大。这二者之间的差值必须由二通阀来负担。
在设计工作点M上,水泵提供的扬程等于管路系统损耗的扬程。但当流量减小时,水泵的工作点由M点移到A点,扬程由HM升高到HA,而管路损耗则由HM降低到HB。此时,水泵提供的扬程大于管路需要的扬程,这多余的扬程△H =HA - HB,就必须由二通阀来吸收。

当流量减小得越多,扬程的提供与消耗之间差距越大,二通阀上承受的压差△H也越大。因此,对二通阀的强度提出了很高的要求。
当末端负荷减小时,二通阀的开度将减小,二通阀上便会承受一个较大的压差。当二通阀的开度减小到接近全关断的位置时,它承受的压差接近于水泵的关断扬程。

若二通阀的承载能力不足,便会偏离它应有的控制位置,使过多的冷冻水通过二通阀进入换热器,产生失控现象。
二通阀的强度应在承受水泵总扬程的条件下保证完成阀门的关断动作。同时,水泵运行过程中,也应避免在关断扬程附近工作。
(2)变速变流量系统
采用变频调速技术,通过改变水泵转速n而实现水流量调节的水系统,称为变速变流量系统。
它可以克服定速变流量系统的诸多弊端,避免水泵在低效率和高扬程下运行,减小二通阀上承受的压力,获得明显的节能效果。

管路系统的可变扬程损耗与固定扬程损耗,空调管路系统的扬程损耗,由可变扬程损耗He和固定扬程损耗HL两部分组成。
可变损耗He随流量变化而成平方倍变化。管路系统的输配管网产生的扬程损耗,就是可变损耗。
为了确保有足够的流量通过末端换热设备,就希望在其两端能维持一个稳定的扬程,因此,控制时都将末端换热设备的扬程损耗假定为固定不变(尽管实际上也是变化的),称为固定扬程损耗HL,又称为设定值。
由于可变扬程损耗He是随着末端流量变化的,因此,管路系统总的扬程损耗R也是随流量而变化。
流量的恒压差控制
为了确保变流量工况下末端设备获得扬程设定值HL ,水泵所提供的流量和扬程,必须满足管路系统总的扬程损耗R需求,并希望能跟随管路系统扬程损耗R同步变化。

当负荷减小时,二通阀开度减小,压差△P上升并大于设定值HL,控制器控制变频器使水泵转速降低,输出的流量和扬程随之降低,使△P减小并回到设定值HL。
相反,当负荷增大时,二通阀开度增大, 压差△P降低并小于设定值HL,控制器控制变频器使水泵转速加快,输出的流量和扬程随之上升,从而使△P增大并回到设定值HL。
恒压差控制中,水泵提供的扬程K = 固定损耗HL +可变损耗He;而管路系统损耗R= 实际损耗HZ +可变损耗He。

实际损耗HZ只是在设计负荷工况下才等于设定值HL,在变流量工况下HZ总是小于设定值HL,二者之间有很大的差距,导致控制曲线K与管路损耗曲线R(即扬程的提供与消耗)存在很大偏差。
恒压差控制中,控制曲线K与管路损耗曲线R不重合。因此,水泵轴功率与转速之间并不满足三次方定律。
末端设备损耗的设定值HL越大,控制曲线K与管路损耗曲线R之间的差距越大,控制的效果就越差。
| 负荷% | 流量m3/h | 可变损耗Hem H2O | 固定损耗HLm H2O | 实际损耗HZm H2O | 管路损耗曲线R、m H2O | 控制曲线Km H2O |
| 100 | 340 | 22.4 | 7.6 | 7.6 | 30 | 30 |
| 75 | 255 | 12.6 | 7.6 | 4.3 | 16.9 | 20.2 |
| 50 | 170 | 5.6 | 7.6 | 1.9 | 7.5 | 13.2 |
| 25 | 85 | 1.4 | 7.6 | 0.5 | 1.9 | 9.0 |
| 0 | 0 | 0 | 7.6 | 0 | 0 | 7.6 |
注:在上述分析中,可变损耗与流量的变化关系,是假设所有的末端设备都在一个相同的流量变化之下所得出的一条平均曲线。而实际情况要复杂得多。
可变损耗与固定损耗的比例对水泵能耗的影响
在恒压差控制中,末端设备上的压差HL固定不变,而整个管路系统的扬程损耗却随着流量的变化而改变,则可变损耗He与固定损耗HL之间的比例是动态变化的。
He/ HL比值不同,水泵调速效果也不同:
曲线1为定流量系统水泵的能耗;
曲线2为定速变流量系统水泵的能耗;
曲线3为0%He、100% HL时的能耗;
曲线4为25%He、75% HL时的能耗;
曲线5为50%He、50% HL时的能耗;
曲线6为75%He、25% HL时的能耗;
曲线7为100%He、0% HL时的能耗。
可见,当可变损耗He越大、固定损耗
HL越小,变频节能的效果越好;相反,则节能效果就越差。

水泵变频调速时的效率
变频调速时水泵的效率曲线和转速曲线如图:
曲线1和4的效率为 80%;
曲线2和3的效率为 85%;
曲线5的效率为 70%;
曲线6的效率为60%;
曲线7的效率为50%
这些曲线称为“等效率曲线”,对于闭式水系统,水泵的等效率曲线与管路特性曲线重合。

考虑变频器效率和电动机散热等因素,变频调速有一个最低转速限制,即水泵的最低转速应不低于其额定转速的30%。因为转速过低时,变频器的效率将大幅度下降。
工频定速水泵与变频调速水泵的并联问题
两台性能相同的水泵并联,其中一台Ⅰ在工频下定速运行,另一台Ⅱ在变频调速下运行。实际运行中存在的问题:
当系统的负荷需求变化时,工频泵的工作点会沿着它的性能曲线变化,而变频泵则是沿着控制曲线来改变,使两个水泵流量变化相反;
当变频泵运行频率较低时,其扬程大幅度降低,导致工频泵出口压力大于变频泵出口压力,使变频泵可能无流量输出,甚至出口止逆阀关闭。
因此,工频泵与变频泵并联运行是不适宜的。宜两台水泵都安装变频装置,且在同频等速下运行。

空调冷却水系统
空调冷却水系统是指由冷水机组的冷凝器、冷却塔、冷却水箱和冷却水循环泵等组成的循环冷却水系统。
(1)冷却塔
冷却塔是循环冷却水系统中的一个重要设备。目前国产的冷却塔定型产品大致有逆流式冷却塔、横流式冷却塔、射流式冷却塔、蒸发式冷却塔等四种类型,常用的是逆流式冷却塔、横流式冷却塔两种。关于冷却塔,暖通南社已有大量课件讲解,这里不再复述。

(2)冷却塔及冷却水箱的设置位置
制冷站为单层建筑,冷却塔可根据总体布置要求,设置在室外地面上或屋面上,由冷却塔的积水池存水,直接将自来水补充到冷却塔。
冷却塔设置在室外地面上

冷却塔设置在屋顶上

当冷却水循环水量较大时,为便于补水,应设置冷却水箱。冷却水箱可以设在制冷机房地面上,也可设在屋面上。
冷却水箱设置在制冷机房内。

冷却水箱设在屋面上

当制冷站建筑的层高较高时应将冷却水箱设在屋面上,以减少冷却水泵的扬程,节省运行费用。
数台冷却塔并联设在多层建筑的屋面上或者设在高层建筑裙房的屋面上时,应将共用冷却水箱设在并联冷却塔旁边的屋面上。

当数台冷却塔并联使用时,要特别注意避免因并联管路阻力不平衡而造成水量分配不均现象。因此,一冷却塔的进水支管和出水支管上均要安装电动控制阀;二各个冷却塔的集水池之间采用均压管连接;三是采用比进水干管大两号的出水集管。

(3)冷却水的补水量
蒸发损失—与冷却水的温度有关,到温度降为5℃时,蒸发损失为循环水量的0.93%;当温降为8℃时,则为循环水量的1.48%。飘逸损失—与冷却塔出口风速有关,国产质量较好的冷却塔的飘逸损失约为循环水量的0.3%~0.35%。
排污损失—与循环水中矿物成分、杂质的浓度增加有关,通常排污损失为循环水量的0.3%~1.0%。
其它损失—包括在正常情况下循环泵的轴封漏水,个别阀门、设备密封不严引起渗漏,以及当冷却塔停止运行时冷却水外溢损失等。
综上所述,采用逆流式冷却塔,对离心式冷水机组的补水率约为1.53%;对溴化锂吸收式冷水机组的补水率约为2.08%。如果概略估算,制冷机组冷却水系统的补水率为循环水量的2%~3%。
4)冷却水的水质处理
对于开式冷却塔循环水系统,由于水与大气直接接触进行热、质交换,因而冷却循环水的水质较差,如不及时进行水处理,势必影响制冷机的正常运行和损坏冷却设备和管道附件。
对于冷却水的处理,包括阻垢处理和缓蚀阻垢处理,杀菌、灭藻,去除泥沙和悬浮物等方面。一般多采用定期加药法,并在冷却塔上配合一定量的溢流来控制PH值和藻类生长。溢流用测量冷却水的导电率(反映了浓度大小)来控制,使各种杂质浓度得到稀释。
空调水系统管路的水力计算
1.不论是冷(热)媒水管道还是冷却水管道,水力计算的任务均在于,根据管段的流量和给定的管内水流速度,确定管道直径,然后计算管路的沿程阻力和局部阻力,以此作为选择循环泵扬程的主要依据之一。
冷(热)媒水在管道中的流速,宜按以下数值采用:
水泵吸水管取:1.2~2.1m/s;
水泵出水管取:2.4~3.6m/s;
供水干管取: 1.5~3.0m/s;
室内供水立管取: 0.9~3.0m/s;
分水器和集水器取: 1.2~4.5m/s;
冷却水管道取: 1.0~2.5m/s。
关于钢制水管摩擦阻力计算表和配件的局部阻力系数ξ值,参见《空气调节设计手册》P811~P815,或《简明空调设计手册》P345~P350。
值得注意的是:查《钢制水管摩擦阻力计算表》时,R1、R2分别表示管内壁当量绝对粗糙度为0.0002m和0.0005m条件下计算得到的每1米管长的摩擦阻力,对于闭式系统用R1值;对于开式系统用R2值。
2.冷凝水管路系统:
冷凝水管路并非压力流,是靠设置一定的坡度来促进其流动的重力流。冷凝水管道的工程直径,可根据机组冷负荷按下式采用:
Q=7.1~17.6kW时, DN=25mm;
Q=17.1~100kW时, DN=32mm;
Q=101~176kW时, DN=40mm;
Q=177~598kW时, DN=50mm;
Q=599~1055kW时, DN=80mm;
Q=1056~1512kW时, DN=100mm;
Q=1513~12462kW时,DN=125mm;
Q>12462kW时, DN=150mm。
空调水系统循环水泵的扬程
1.冷(热)媒水管路系统
循环水泵的扬程:
对于闭式系统应是水系统管路沿程阻力和局部阻力之和,加上冷水机组蒸发器阻力,再乘以1.1~1.2的安全系数。
H=(Σhy+Σhj+hz)×(1.1~1.2)

循环水泵的扬程:
对于开式系统应在闭式水系统总阻力的基础上,在加上开式水系统的静水压力,再乘以1.1~1.2的安全系数。
H=(Σhy+Σhj+hz+Hj )×(1.1~1.2)

2.冷却水管路系统
(1)冷却塔的冷却水量
冷却塔的冷却水量可按下式计算:W=Q/4.19(tw1-tw2)
式中 Q —冷却塔排左的热量,kW,
对于压缩式冷水机组Q=1.3Q0
对于吸收式冷水机组Q=2.5Q0
tw1-tw2—冷却塔进出水温差,℃,
对于压缩式冷水机组tw1-tw2 =4~5 ℃;
对于吸收式冷水机组tw1-tw2 =6~9 ℃。
(2)冷却水泵的扬程
对于常用的闭式系统:
冷却水泵的扬程应是冷却水系统管路沿程阻力和局部阻力之和,加上冷水机组冷凝器阻力,冷却塔中水的提升高度h,以及冷却塔布水器的喷射压力(约为5m水柱),再乘以1.1~1.2的安全系数。
H=(Σhy+Σhj+hl+h+5)×(1.1~1.2)

对于开式系统:冷却水泵的扬程应是冷却水系统管路沿程阻力和局部阻力之和,加上冷水机组冷凝器阻力,冷却塔的提升高度H,以及冷却塔布水器的喷射压力(约为5m水柱),再乘以1.1~1.2的安全系数。
H=(Σhy+Σhj+hl+ H+5)×(1.1~1.2)

需要指出的事,目前,我国大多数生产厂家生产的标准系列水泵(如IS泵等),都是以为开式系统服务为基准制造的(给排水专业用)。这些水泵提供的扬程较高,而泵的壳体所承受的压力较低。空调水系统大多是闭式循环,所需水泵的扬程不高(假如,水系统的总高度为100m,闭式循环的扬程约需30~40m左右),但要求水泵壳体的耐压较高,一般水泵吸入口压力以1.0MPa为准。因此,空调水系统不应采用给水工程用的水泵,而应采用专门为空调水系统生产的耐高压水泵。
常用水泵的类型:通常空调水系统所用的循环泵均为离心式水泵。
按水泵的安装形式来分,有卧式泵、立式泵和管道泵;按水泵的构造来分,有单吸泵和双吸泵。
| 卧式泵—是最常用的空调水泵,其结构简单,造价相对低廉,运行稳定性好,噪声较低,减振设计方便,维修比较容易,但需占用一定的面积。 |
|
| 立式泵—当机房面积较为紧张时,可采用立式泵。由于电机设在水泵的上部,其高宽比大于卧式泵,因而运行的稳定性不如卧式泵,减振设计相对困难,维修难度比卧式泵大一些。在价格上一般高于卧式泵。 |
|
| 立式泵、多级泵 |
|
| 管道泵—是立式泵的一种特殊形式,其最大的特点是可以直接连接在管道上,因此不占用机房面积。但也要求它的重量不能过大。国产的管道泵电机容量不超过30kW。来自暖通南社 |
|
| 屏蔽管道泵 |
|
| 单吸泵—其特点是水从泵的中轴线流入,经叶轮加压后沿径向排出它的水力效率不可能太高,运行中存在着轴向推力。这种泵制造简单,价格较低,因而在空调工程中得到较广泛的应用。 |
|
| 双吸泵—它采用叶轮两侧进水,其水力效率高于同参数的单吸泵,运行中的轴向不平衡力也得以消除。水泵的流量较大。这种泵的构造较为复杂,制造的工艺要求高,价格较贵。因此,双吸泵常用于流量较大的空调水系统。 |
|
| 轴开式双吸泵(垂直进水) |
|
工程上常用的空调水系统循环泵有:
SB型卧式单级单吸离心泵;
SB-SJ型上进上出单级单吸离心泵;
KTS型空调用双吸泵;
SB-L型立式双吸离心泵;
SB型轴开式单级双吸离心泵;
单级单吸管道离心泵等。
空调用水泵的壳体耐压为1.0MPa,高层建筑用水泵的壳体耐压可达1.6MPa(实验压力为2.0MPa)。
欢迎您加入暖通南社学习交流互动社区:
| QQ 群群号 | 主要功能 | 目前人数 |
| 127278380 | 注册暖通及资深设计、甲方居多; | 999人 |
| 162504281 | 以施工、设计技术人员居多 | 994人 |
| 161153868 | 施工、暖通空调造价人员居多 | 293人 |
| 191232844 | 土建、建筑施工人员居多 | 875人 |
| 194045991 | 主要以吸收南方工程技术人员 | 267人 |
| 189417984 | 纯设备群,初建 | 21人 |
| 365552966 | 加各类不能明确的技术人员,待以后再行分配 | 37人 |
| 235204658 | 以注考为主的群 | 258人 |
| 184579553 | 以厂商技术研发人员、维保人员为主的群 | 991人 |
| 145754593 | 以加施工人员为主的群 | 233人 |
| 338391569 | 专为求职人员设立的群 | 331人 |
| 168494112 | 以洁净空调和各特色专业设立的群 | 863人 |
| 241676445 | 专业设计群,为新手们准备 | 375人 |
| 171780399 | 南社唯一允许自由广告的推广群 | 340人 |
| 170823423 | 综合交流群 | 994人 |
| 492479546 | BIM专业交流群 | 231人 |
| 303891401 | 以暖通空调自控、家居系统集成为主的群 | 260人 |
| 167899477 | 吸收以北方工程技术人员为主的群 | 309人 |
| 其他各QQ群请百度:“暖通南社QQ群”查找。本QQ群所有群均为实名加群,加群请注明:“地区-姓名-专业”方能加群成功,每个人最多可加两个群,恶意加群者拉黑。所有群现在实行更替制,即新加人同时踢出最后一个发言的人。加各地区微信群,请注明:“地区-姓名-专业”加微信号:1114325507。高级专业技术人员可加QQ:13301898699,可获取南社认可的“南社工程专业技术人员俱乐部”证书。推广及商务合作,请加QQ:13301898699或微信号:1114325507 |
本次更新信息:2016年12月3日。微信公众号:nhvaca
加我个人微信号: 1114325507 ,拉你进暖通南社各片区和专业微信群。