初中物理易错突破 | 焦耳定律常考易错陷阱分析(可*载下**解析版)
焦耳定律常考易错陷阱分析

陷阱一:串联式加热模型档位问题易错?
如图所示,对于两个电阻串联后组成的加热装置,都可以等效为这种模型。当S闭合时,R1被短路,只有R2工作,这时处于加热状态,R2为一个阻值较小的电阻。当S断开后,R1、R2串联,电路处于“保温”状态,R1是一个阻值较大的电阻。
对这类问题涉及的主要计算公式为:
(1)R2=U2/P加热
(2)R=R1+R2=U2/P保温
(3)P=PR1+PR2
(4)W=Pt
(5)Q=I2Rt
(6)Q=cmΔt
陷阱二:并联式加热模型档位问题易错?
如上图所示,对于将电阻并联后的加热装置原理,都可以等效为这个模式。当S闭合时,只有R2工作,处于低温档(或保温档),当S、S0同时闭合时,处于加热状态,或者“高温档”。这里R2的阻值一般比R1大,用作保温加热。
计算该类题目的常用公式:
(1)P保温=U2/R2
(2)R=R1R2/(R1+R2)
(3)P=PR1+PR2
(4)W=Pt
(5)Q=I2Rt
(6)Q=cmΔt
陷阱三:电热计算易错。
1.对于所有的电热计算,均可用公式Q=I2Rt。对于纯电阻电路(电能都转化为内能的情形)还可以用公式:Q=W=UIt和Q=U2/R2×t。
2.对于电热的转化效率,可用公式η=Q热/W电×100%计算。对于W电可灵活选用1中的公式;
Q热一般用Q=cmΔt计算。
3.若果电能全部转化为内能,那么电流产生的热量Q等于消耗的电能W,即Q=W=UIt。Q=U2/R×t。

【例题1】 小玥在妈妈指导下用电熨斗熨烫衣服,她首先阅读说明书,知道电熨斗有“低温”、“高温”两个档位,其简化电路如图所示,R1、R2是电热丝,R1=48.4Ω,R2=96.8Ω,S为旋转式开关。当她旋转触片接触触点1和2时,电熨斗为 档位,该档位通电1min,电流产生的热量为 J。

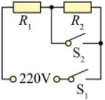
【例题2】 如图所示为电烤炉的简化电路图,小张查看说明书后得知:R1、R2均为电热丝,R1=44Ω,R2=66Ω。当开关S1闭合,S2处于不同状态时,电烤炉处于不同挡位,忽略温度对电热丝电阻的影响。下列说法正确的是( )

A.闭合S1、S2时,电烤炉处于低温挡状态
B.电烤炉处于高温挡与低温挡状态时,R1两端的电压之比为5:2
C.电烤炉处于高温挡与低温挡状态时,电路在相同时间内所消耗的电能之比为3:2
D.电烤炉处于低温挡状态时,R1、R2所消耗的电功率之比为3:2
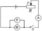
【例题3】 如图所示,电源电压恒为10V,滑动变阻器R的最大阻值为20Ω,直流电动机M的额定电压为6V,线圈电阻为2Ω。当闭合开关S,滑片P移到中点时,电动机刚好正常工作,电动机主要将电能转化为 ,此时电路中的电流为 A,整个电路通电100秒产生的内能为 J。


【强化1】 如图所示,电源电压保持不变,灯泡标有“12V 12W”字样(忽略灯丝电阻的变化)。闭合开关是S1,断开S2,灯泡正常发光;闭合开关S1、S2,电流表示数为1.5A,则电源电压为 V;闭合开关S1,断开S2,通电30s定值电阻产生的热量是______J。

【强化2】 某型号的电水壶有加热和保温两个挡位,其电路如图所示。当S闭合,S1断开时,电水壶处于_________挡,加热和保温的功率分别为1200W和44W。用它把质量为1kg、初温为20℃的水加热到100℃,用时400s,则水吸收的热量是___________J,此过程中电水壶的效率η=________%。[ c 水=4.2×103J/(kg·℃)]

【强化3】 如图甲是某茶具上煮茶器的电路原理图,R1是加热电阻,R2是保温时的分压电阻,S为电源开关,S1为自动温控开关。S、S1都闭合时,煮茶器处于加热状态;当水沸腾后,S1会自动断开,转为保温状态。煮茶器工作过程中的P﹣t图像如图乙所示,不计电阻值随温度的变化。求:(1)电阻R1的阻值。(2)当煮茶器处于保温状态时,R1的电功率。
(3)当煮茶器处于保温状态时,电阻R2在100s内消耗的电能。


1.利用图中5个阻值相等的电阻完成“焦耳定律”的探究实验,以下说法错误的是( )

A.本实验采用的研究方法有“控制变量法”和“转换法”
B.通电后会发现在相同时间内乙产生的热量是丙产生热量的2倍
C.若要探究导体的电阻对电热的影响,应该选择观察甲、乙
D.图丙中外接5Ω电阻的作用是改变流过电阻D的电流,使通过电阻A、D的电流不同
2.当温度降低到一定程度时,某些材料的电阻会突然变为零,这种现象称为超导现象,这种材料称为超导材料。超导材料的应用前景十分诱人。假如科学家研制出室温下的超导材料,它可以应用在图中的( )
A.

白炽灯的灯丝
B.

电饭锅的发热体
C.

电烤箱的电热丝
D.

电动机的线圈
3.如图甲所示电路,电源电压恒为4.5V,闭合开关S后,滑片P由右端向左滑动,因变阻器某处发生断路,滑片P向左移动一段距离后电流表才有读数,电流表读数 I 与滑片P滑动距离 d 的关系如图乙所示。当电流表开始有读数时,才闭合开关S1,此时电压表的示数为2.5V。电压表的量程为“03V”,电流表的量程为“00.6A”。则正确的是( )

A.当电流表开始有读数时, R1 接入电路的阻值为12.5Ω
B.当滑片P移到 d =2cm处时,电阻 R1 在10s内产生的热量为3.2J
C.当滑片P移到 d =6cm处时, R0 消耗的电功率为0.225W
D.若 R1 未断路,最大阻值约为30Ω,为保护电路安全, R0 的电功率变化范围是0.181.62W
4.如图所示,电源电压为6V,定值电阻 R =4Ω,在 a 、 b 两点间接入以下装置后,闭合开关S。下列说法正确的是( )

A.接入一个电压表时,电压表无示数
B.接入一段导线,2s内电阻 R 放热9J
C.接入一个6Ω的电阻 Rab ,电路总功率为6W
D.接入一个“2V,0.5A”的小灯泡(电阻不变),小灯泡会被烧坏
5.如图为“探究焦耳定律”的实验装置。两个透明容器中密封着等量的空气,U形管中液面高度的变化反映密闭空气温度的变化。将容器中的电阻丝 R1 、 R2 串联在电路中,且 R1 > R2. 下列说法正确的是( )

A.闭合开关后,通过 R1 的电流小于 R2 的电流
B.闭合开关后,甲管中液面上升比乙快
C.该实验装置用于探究电压和通电时间一定时,电热与电阻的关系
D.闭合开关后,要使电流增大,应将滑动变阻器滑片P向右移动
6.如图所示,电源电压恒定不变,已知 R1 ∶ R2 =3:5,如果闭合开关S,则它们两端的电压之比 U1 ∶ U2 =___________;如果通电1min,电流通过它们产生的热量之比 Q1 ∶ Q2 =___________。

7.在特高压输电工程中,若输电功率一定,将输电电压从400kV提高到800kV,则输电电流将从 I 变为 ____ I ,输电线路上损失的电能将_____(填“增加”、“减少”或“不变”)。
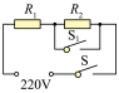
8.品学兼优的小雄同学周末在家里用电饭煲给父母煲粥。他发现该电饭煲有“加热”和“保温”两个挡位,模拟电路图如图所示。当闭合开关S1,断开开关S2时,电饭煲处于 ___________挡。在220V电压下,处于该挡位的电饭锅10min产生的热量是 ___________J。(已知 R1 =44Ω, R2 =2376Ω)

9.如图所示,电源电压恒定,滑动变阻器的最大阻值为20Ω,小灯泡正常工作的电压是3V,正常工作的电流是0.2A,求:
(1)小灯泡正常工作时的电阻是多少?
(2)当S闭合,S1、S2都断开时,当滑动变阻器接入电路中的阻值为15Ω时,小灯泡正常工作,求电源电压是多少?
(3)保持滑动变阻器的位置不变,再闭合S1、S2,此时电流表示数1.0A,求 R0 的阻值是多少?经过1min后 R0 产生的热量是多少?

10.如图是探究“电流通过导体时产生热量与哪些因素有关”的实验装置,两个透明容器中密封着等量的空气;
(1)实验中通过观察液面高度的变化来比较电流通过导体产生热量的多少,这种方法叫 __________(填“转换法”或“等效替代”);
(2)图甲可探究电流产生的热量与 __________的关系,图乙可探究电流产生的热量与 __________的关系;
(3)接好甲电路,闭合开关,通电一段时间后,__________(填“左”或“右”)侧U形管中液面高度变化大,此实验现象表明,在电流和通电时间相同的情况下,__________越大,所产生的热量越多。
