随着信息技术的迅速发展,数据的重要性日益加重,在某些场合因为工作的需要,开会时总是需要记录上级领导的重要讲话,正所谓好记性不如烂笔头的道理,在本子上写满了我们听到的重点,但是到后续需要总结时,往往却记不起。因此录音笔的便捷性受到了大家的广泛关注。
市面上的录音笔在开发时,都是嵌入一片录音芯片,作为录音的硬件设备,深圳唯创知音电子有限公司,推出了一款单芯片可以实现,录音+蓝牙传输功能的录音芯片,下面由小编为大家详细介绍一下这个方案。
WT2605蓝牙录音芯片
WT2605录音笔方案选用高品质录音芯片和深圳唯创知音自主研发的蓝牙BLE芯片,配合手机APP,可实现手机远程控制录音,实时监听录音内容,一键转换录音文字等功能;另外还支持,定时周期录音,声音控制录音功能,开启声控录音后,录音笔可实时检测外部声音,有声音则进入录音,无声音则进入休眠。
WT2605录音笔方案外挂SD卡存储,最大可支持32G存储空间,录音最大支持44.1KHZ采样率 192KBPS录音码率,并 支持环境降噪 ,保证录音效果干净清晰,配合蓝牙BLE芯片,可实现实时录音内容上传手机端,手机实时监听,也可指定SD卡存储的本地录音内容上传,实际测试10米距离稳定传输。
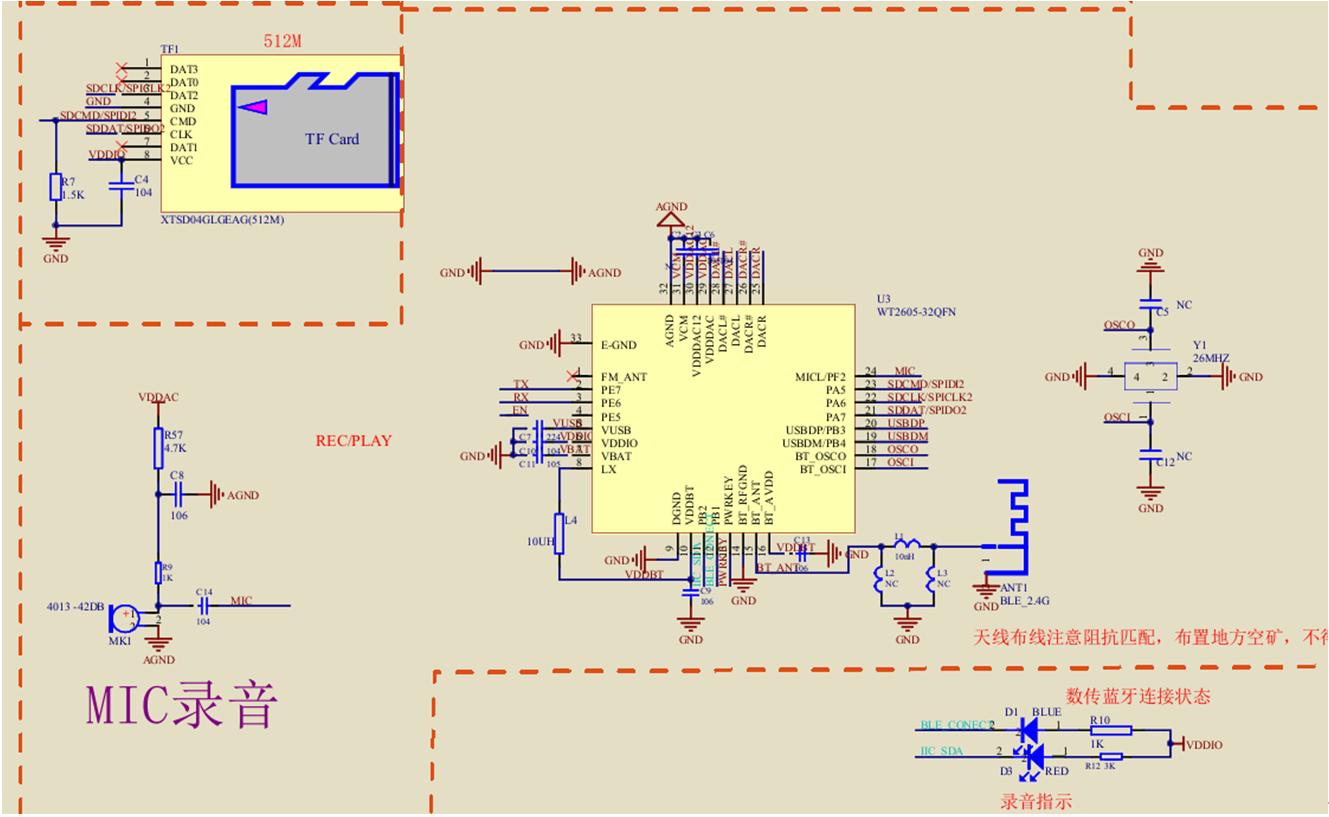
设计原理图

关于我们
唯创知音作为一家专注于语音技术研究的高新技术企业,始终坚持以“服务好工程师”为目标,以行业语音交互器件标准化为方向,致力于让复杂变简单,提供快捷的语音、智能物联网应用解决方案。WT系列芯片应用设计方案,在智能闹钟、智能水杯、雾化器等消费电子行业领域内已有成熟的应用案例。消费类电子产品应用是公司重要的发展领域,未来,唯创知音将在更多行业推出标准化语音芯片,进一步提升工程师的设计体验,为消费类电子行业标准化赋能。
更多详情可搜索:深圳唯创知音电子有限公司,与在线客服沟通,我们会发送一份选型表给到大家,芯片 与 模块 还可以申请免费送样服务,期待您的光临。